Fórum témák
» Több friss téma |
Fórum » Labortápegység készítése
Latod, latod!
Egy kep tobbet mond 1000 szonal. Ahogy mutattad mid van, egybol szuletett JO megoldas. Addig csak tapogatoztunk, s vakon iranyitotuk kezeid. Gratulacio ......... az epiteshez.Hasznald akkor most mar egeszseggel a komplett egyseged. A hozzászólás módosítva: Márc 30, 2014
Sziasztok!
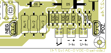
Azért fordulok hozzátok , mert hosszas keresgetés után sem találtam olyan terveket Alkotó 2.7.4-es labortápjához , ami betudja fogadni a 2n3055-öt alu szeglettel, ha van ilyen terv.Még az is érdekelne hogy a 2.7.4-nél az Iki kimenetre a panelmérőt kell kötni és az Uki-n a táp kimenete van? Illetve a 2.7.4-es excel számoló értékei megbízhatók? Köszönettel Balázs!
Szia
Idézet: Ez esetleg jo lesz? „...ami betudja fogadni a 2n3055-öt alu szeglettel...” S egy kep rola Idézet: Egesz jol es pontosan hasznalhatoak az ertekei.„..2.7.4-es excel számoló értékei megbízhatók..” Idézet: NEM!„...az Iki kimenetre a panelmérőt kell kötni és az Uki-n a táp kimenete van?...” A NEG es a POZ a tap kimenete. az Uki es az Iki a panelmerok meropontjai A hozzászólás módosítva: Márc 31, 2014
Köszönöm, sokat segítettél
Ha csak az előtted lévő hozzászólást megnézted volna, máris előtted van a 'keresett?' kivitel, és kapcsolás!
Hali!
Bővebben: Link Linken található tápegység max áramát ki lehet tolni 10 A-ra? A hozzászólás módosítva: Ápr 1, 2014
Ésszerű körülmények között nem. (Még a megadott 3A-t sem képes elviselni, ha rövidre zárod.)
Köszi, Milyen tápot javasolsz ami tud min. 5 A Természetesen állítható áram és fesz értékkel. áramkorláttal.
Ha nem viszed 100W fole a disszipaciot akkor valaszthatsz mondjuk egy Alkoto-Pionner altal jegyzett tapot Umax=20V Imax=5A-val; vagy Proli, esetleg Attila86 tapjat. Attila 2fajtat is keszitett. Van "sima" es kapcsolouzemu is a kinalatban.
A hozzászólás módosítva: Ápr 1, 2014
Talán jó ötlet lenne az áramkorlát max. értékét a kimenő feszültségtől függővé tenni, így meg lenne a 10A, ha kell, és rövidzárban pedig mondjuk 2A-nál korlátozna. Esetleg a két érték között linearisan növekedne a max. áramkorlát.
Idézet: „Esetleg a két érték között linearisan növekedne a max. áramkorlát.” Az ötlet valóban jó, csak hogy ez a kis kiegészítés kb annyi plusz alkatrész lenne, mint az egész táp volt eddig.
Ez az irány nem szerencsés.
Ha mondjuk 30V-on megengednénk a 10A-t, mert itt kisebb a disszipáció, akkor ezzel még egyáltalán nem vagyunk előrébb. Ugyanis ha túlterhelnénk, akkor áramgenerátoros üzemnek kellene előállnia, ami éppen a feszültség automatikus csökkentésével éri el a kívánt árammaximum értéktartását. Tehát automatikusan csökken a feszültség, amihez kicsit se lenne jó, ha az áram is csökkenne. A labortápnak éppen az a lényege, hogy akár a névleges feszültségen, akár rövidzárban is képes a beállított árammaximumon tartani a kimenet terhelhetőségét. Sokan, sokféle dologra használunk labortápot. Saját tapasztalatom szerint, nem kell a nagy áram, vagy ha igen, akkor ott meg nem indokolt a labortáp funkció. Ez persze csak egy vélemény a sok közül. A hozzászólás módosítva: Ápr 1, 2014
Egyetértek Alkotóval. Szerintem 10 Ampert már nem kell tudnia egy labortápnak.
10A-t valóban nem kell tudnia egy labortápnak - főleg amatőr szinten - , de egy kis módosítással akár ki is terjeszthetjük a leadott áramerősséget.
Minden labor tápban találni egy viszonylag kis értékű sönt ellenállást, legyen az a pozitív, vagy a negatív ágban. Ha ezt az ellenállást dekádonként egy kapcsolóval változtathatóvá tesszük, az áramerősség maximuma is változni fog. Ha "rövidre" zárjuk (4-es állás), az azt jelenti, hogy kisebb feszültség tartományban - ésszerű határok között - jóval nagyobb áramot tudunk kivenni, gyakorlatilag feszültség generátoros üzemben dolgozik a tápunk. A rövid zárási áramot áramot R4 korlátozza. A disszipációra, és az áteresztő elemek maximálisan megengedett áramerősségére azonban ilyenkor fokozottan kell ügyelni.
Hello! A Shunt átkapcsolásának ez az egyik a legrosszabb módja. Valahogy így kell elkövetni.. üdv!
Igen, köszönöm az észrevételt!
Remélem azért az általam vázolt rajz elvi és működésbeli problémát nem okoz .
Van az ilyen megoldással kapcsolatban egy apró ellenvetésem.
Ha ki akarjuk használni a labortápos funkciókat (feszültségállítás lehetősége és annak stabilan tartása, illetve a beállított áram tartását rövidzárban is), akkor az egész tápot a legnagyobb áramra kell méretezni, és a hozzá tartozó disszipációra. De ha ezt elviseli a készülék, akkor feleslegessé válik az átkapcsolás, hiszen a potival letekerem és ugyanott vagyok.
Arról nem is beszélve, hogy mit produkál a táp kimenete ilyen hirtelen terhelésváltozásra. (Pl. ha menet közben kellene söntöt váltani) Ez így egy katasztrófa.
Hello! Akkor lenne így, ha a kapcsoló átmenti ellenállása nulla lenne. De általában sajnos nem az, az 50mohm-al már erősen összevethető az értéke. Ezen felül, a kapcsoló váltásakor képződő kontakthiba miatt, a figyelő áramkör, megkaphatja a teljes feszültséget. Nem biztos, hogy az örülni fog neki. Ezért meggondolandó minden változtatás és annak lehető következménye. üdv!
Nézzünk egy egyszerű esetet, miszerint - szinte mindenki így kezdi - építünk egy egyszerű, nagy áramú (1-2A fölötti), áteresztő tranzisztoros, állítható feszültségű stabilizált tápegységet és itt most nem az integrált feszültség szabályzó IC-kre gondolok.
Ekkor a kimeneti feszültséget tudjuk állítani, de az áramkorlátot nem. Tételezzük fel, hogy találunk az igényeinknek épp megfelelő 60VA körüli trafót (egy nagy áramú tápegységhez kb. egy ilyennel kezdi sok amatőr, lévén ezeket lehet elég nagy eséllyel "kitermelni" régi elfekvő sztereó erősítőkből), nekünk épp megfelelő szekunder feszültséggel. Esetünkben ez legyen most 20V AC. Miután elkészültünk a "remekművünkkel",hamar rájövünk a korlátaira is, miszerint a leadott áram nem lesz egyforma értékű, ez a kimeneti feszültségtől függ. Ez, ebben az esetben, teljesen normális, hisz nincs ami korlátozza az áramot. Viszont, a használati idő elteltével megszokjuk ezt a kis "anomáliát". Megszokjuk azt is, ha mondjuk: egy 12V-os autósrádiót próbálunk, négy rákötött hangszóróval, akkor akár teljes kivezérlésig tekerhetjük a hangerőszabályzót, tápunk jó eséllyel bírni fogja áramerősséggel (4-5A). Viszont, ha mondjuk egy 28V-os hangolófeszültség kellene (áram szinte elhanyagolható) azt is gond nélkül tudja produkálni "kis" tápunk. Idővel bővülnek az igényeink is, hát jó lenne áramkorlátot építeni "kis" tápunkba. Elvégre egy "rendes" tápnak ezt (is) tudnia kell .Elkezdünk hát számolgatni: mekkora amper, mennyi volt? Vagy méregetni: Trafó, graetz híd, meg puffer elkó (jelen esetben kb 28V DC), ennek kimenetét fokozatosan terheljük, miközben mérjük az átfolyó áramot és a leadott feszültséget. Tisztázzuk magunkban, melyik ujjunkat harapjuk meg: kisebb áram nagyobb feszültség, vagy nagyobb áram kisebb feszültség? Jelen "kis" tápunk 22V DC puffer-re esett vissza 3A terhelés mellett (ez most csak egy példa) ,tehát jó eséllyel megcélozhatunk egy max. 20V, max. 3A-es "kis" labortápot magunknak. (hangolófesz, autósrádió próba "ugrott"...például) Kompromisszumot kötünk hát a leadott áramerősség, és a kimeneti feszültség függvényében. De, ha már úgyis kompromisszumot kell kötni, miért ne lehetne kicsit rugalmasabban kezelni a már említett problémákat. Az elvi vázlattal mindössze ennyit szerettem volna érzékeltetni. Remélem így már érthetőbb mit, miért gondoltam.
Szia Tonybacsi!
Idézet: „De, ha már úgyis kompromisszumot kell kötni, miért ne lehetne kicsit rugalmasabban kezelni a már említett problémákat. ” - Azért, mert a kompromisszumra való igényt, Magad állítottad elő. (Egy autórádiót, csak akkor üzemelünk be 4db. 4 ohm-os hangszóróval műhely körülmények között, ha "hangosítás" a kitűzött cél! Tehát nem labor, nem javítás kategória! ).A 28 V. hangolófesz előállításának említése még inkább megmosolyogtató, hiszen ezt a feszültséget, önmagában egyetlen tuner sem használja! Mindig adott, a készülék saját tápellátása, mely -természetesen, a tuner többi feszültségét is ellátja közben. Tehát ha ezzel a körrel baj van, akkor ne a labortáptól várjon segítséget a "szerelőbácsi", hanem rakja rendbe a készülék saját tápegységét! - Azért, mert egy 120 VA-es transzformátor beszerzése nem jelent akkora költséget, mint az általad felvetett megoldás kivitelezése! (A megbízhatóság szempontjait is szem előtt tartva! ) Idézet: „Az elvi vázlattal mindössze ennyit szerettem volna érzékeltetni. Remélem így már érthetőbb mit, miért gondoltam.” Természetesen érthető, de Te is értsd meg, hogy az általad említett "készülék" inkább egy -kényszer szülött univerzális táp, mint labortáp! A fenti két bekezdésem alapján, nagyon megkérdőjelezhető, a létjogosultsága (már mint, a labortáp kategóriában.) Üdv Tibi.
Szia!
Idézet: „Tételezzük fel, hogy találunk az igényeinknek épp megfelelő 60VA körüli trafót Esetünkben ez legyen most 20V AC. Miután elkészültünk a "remekművünkkel",hamar rájövünk a korlátaira is, miszerint a leadott áram nem lesz egyforma értékű, ez a kimeneti feszültségtől függ.” Ezt nem egészen értem. Odáig rendben lenne a dolog, hogy Ohm úr törvénye értelmében I=U/R. Így az áram valóban függ a kimeneti feszültségtől és nem elhanyagolható mértékben ugye a terhelő ellenállástól. Ugyanakkor a transzformátor szempontjából mindez majdnem mindegy, hiszen ő 60VA 20VAC, ami max. 3A áramot feltételez, és a trafónak édes mindegy, hogy az őt terhelő teljesítmény az áteresztő tranzisztorokon vagy a terhelésen vagy a kettőn együtt disszipálódik.
Hello tibibalogh520!
Ez itt kérem a "Labortápegység készítése" topik! És, mint minden ilyen, arra ösztönöz, arról szól, hogy a labortápegységünket magunk építsük meg. Ebből kifolyólag az (átlag) amatőr hobbista abból (is) építkezik amije van, azt épít be amit a fiók mélyén talál, legtöbbször. Szereti (né) megérteni a dolgok miértjét, forrasztgat, méricskél, tesztel, olvas, stb. Ne feledjük, hogy a labortáp topikot nem csak "nagyágyúk" olvassák. Vannak ifjú titánok is akik számára érdekes lehet egy-két újdonság. Úgy érzem a többség (már aki reagál is a témára) nem , vagy nem nagyon szereti az új ötleteket. Olyan nincs, hogy egy labortáp mindenkinek, és mindenre jó. De ha kis költségekkel, apró módosításokkal jobbá tehetjük, miért hagynánk ki azt. Idézet: „Egy autórádiót, csak akkor üzemelünk be 4db. 4 Ω-os hangszóróval műhely körülmények között, ha "hangosítás" a kitűzött cél! Tehát nem labor, nem javítás kategória! ).” Itt a lényeg a tápegység által leadott áramra értendő (áramszabályzás nélküli állapotban). Idézet: „A 28 V. hangolófesz előállításának említése még inkább megmosolyogtató, hiszen ezt a feszültséget, önmagában egyetlen tuner sem használja!” És itt pedig a tápegység által leadott maximális feszültség értéke lett volna a lényeg. Írhattam volna még ezer egy dolgot mint lehetőség, de hirtelen ezek jutottak az eszembe. (elnézést kérek )Idézet: „Azért, mert egy 120 VA-es transzformátor beszerzése nem jelent akkora költséget, mint az általad felvetett megoldás kivitelezése!” Itt pedig az amatőr fiókjában lapuló, meglévő alkatrész beépítése lett volna a cél, nem vásárlás, vagy másik beszerzése. Idézet: „Természetesen érthető, de Te is értsd meg, hogy az általad említett "készülék" inkább egy -kényszer szülött univerzális táp, mint labortáp! A fenti két bekezdésem alapján, nagyon megkérdőjelezhető, a létjogosultsága (már mint, a labortáp kategóriában.)” Egy tápegység áramkorlátjának (és akár a feszültségének) a kiterjesztése - véleményem szerint - leginkább ide a labortápegység készítése topikba való. Ettől, ezektől a módosításoktól univerzálisabb, vagy ha úgy tetszik, jobban kihasználható lehetne "kis" tápunk. Lehetne akár visszahajló,vagy növekményes, vagy egy "overload" típusú kialakítást is alkalmazni az áramhoz, de ezeket már föl se merem hozni (ezek már megint csak példák...). Ebből nem lesz (nem lenne) más,mint egy univerzális, kiterjesztett áramú és feszültségű profi labortáp. üdv:Csaba A hozzászólás módosítva: Ápr 4, 2014
Hello!
Pedig semmi "trükk" nincs ebben. P=U*I a trafót csak az érdekli, ha meghaladja a kettő szorzata az ő általa szolgáltatni képes teljesítményt.
Örülök, hogy egyet értünk.
Akkor már csak az alábbi kérdés marad nyitott. Idézet: „miszerint a leadott áram nem lesz egyforma értékű, ez a kimeneti feszültségtől függ.”
Ez így azért nem igaz, a 60VA/20V/3A trafód nem fog tudni leadni se 3V/20A, se 60V/1A-t
.A sönt ellenállást kell a kivehető teljesítményhez méretezni, annak értéke nem hat a "kivehető" teljesítményre, csak a "beállíthatóra".
Lehet maradi vagyok, de en inkabb az analog tapokat refereralom munkam soran kulonosen eleszteskor, nem igazan erdekel a suly (ugyis mindig egy helyben van
), disszipacio (hely van boven). Volt egypar gondunk kapcsolouzemu tapokkal, ertem ez alatt relative nagyaramu alkalmazasok soran 48V/28A. Persze ha mar tul van az ember az osszes fajta meresi proceduran, mehet a folyamatos mukodesre a kapcsolouzemu. |
Bejelentkezés
Hirdetés |




az epiteshez.


. 





