Fórum témák

» Több friss téma
Fórum » LED-ek áttűnése LM324-gyel
Lapozás: OK   5 / 7
(#) wallair hozzászólása Nov 24, 2010 /
 
Sziasztok!
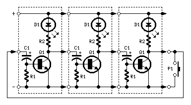
Szerintetek ki lehet cserélni az LM324-et egy TL072-essel? Az előbbiben 4, az utóbbiban 2 műveleti erősítő van, és a topic indításánál belinkelt kapcsolási rajz (Bővebben: Link) szerint nem is kell a 4 db.
Az átalakítást a képek szerint gondoltam.
(#) _JANI_ válasza wallair hozzászólására (») Nov 24, 2010 /
 
Elvileg jó az átalakítás. Már csak a próbakapcsolást kellene összedobni.
(#) wallair válasza _JANI_ hozzászólására (») Nov 24, 2010 /
 
Összeraktam próbatáblán, de nem működik. Mindkét LED halványan, de folyamatosan világít. Ha jól láttam az adatlapokban az LM324 FET, a TL072-es jFET, azaz Junction Field Effect Transistor - Térvezérlésű rétegtranzisztor SZTAKI rövidítés szótár.
Lehet ez a kánya? Egyáltalán mutatkozhat különbség a FET és a jFET között ennél a kapcsolásnál? Vagy ez csak a gyártástechnológiáról szól?
Láttam itt feljebb, hogy egy másikban 1458-as műveleti erősítő van ugyanilyen lábkiosztással.
(#) _JANI_ válasza wallair hozzászólására (») Nov 24, 2010 /
 
Szerintem TL072-vel is működnie kell (kellene) a kapcsolásnak. Inkább valamiért nem tud elindulni az oszcilláció. Vagy csak hosszú az éledési ideje.
A TL072-nek a JFET-es bemenet miatt nagy a bemeneti ellenállása. Szerintem csak ennyivel jobb. Persze az adatlapban pontosan benne van minden infó.
Az LM1458-asnak a paraméterei hasonlók az LM324-el. Csak a tokozás más.
(#) wallair válasza _JANI_ hozzászólására (») Nov 24, 2010 /
 
Kösz a választ. Még agyalok kicsit rajta. Lehet, h félrekötöttem valamit, bár 3szor is leellenőriztem. Max, ha nem megy, veszek bele egy LMxxx-et.
(#) _JANI_ válasza wallair hozzászólására (») Nov 24, 2010 /
 
Persze egy alapos ellenőrzés nem árthat.
(#) proba válasza wallair hozzászólására (») Nov 24, 2010 /
 
Ami még különbség lehet közöttük ,az a bemenetek kivezérelhetősége.A TL szerintem a táp +-1-3 V az LM324 talán sokkal jobb szinte a tápig kivezérelhető.
Egy logikai ceruzába kerestem sokáig hogy adott szintekre miért nem kapcsol,arra jutottam hogy a tápfeszültség közelében már nem hajlandó a TL komparálni,Ez különösen ha alacsony feszültségről járatod súlyos probléma lehet.5V-2/3V szinte az egész tápod eltűnt.
(#) wallair válasza proba hozzászólására (») Nov 24, 2010 /
 
Kb 4.8 V-ról próbáltam táplálni. Ha az IC-n esett 3V körüli a feszültség, akkor a kimenet éppen aláment a LED-ek nyitófeszültségének. Lehet, hogy ezért világítottak csak halványan. Most már mindenképpen ki fogom próbálni, hogy LM sorozatú IC-vel mit csinál. (de csak holnap, és csak ha kapok )
Köszönöm a válaszokat!
(#) _JANI_ válasza wallair hozzászólására (») Nov 25, 2010 /
 
Lehet az LM358-as jobban megfelelne kis tápfeszültségre... Valamiért én 9 - 12V -ban gondolkodtam. S nem vettem figyelembe, hogy 5V-os a tápfeszültség.
(#) wallair válasza _JANI_ hozzászólására (») Nov 27, 2010 /
 
Kipróbáltam mindhárom IC-vel a kapcsolást. A TL072-essel és az LM324-gyel gyönyörűen működik (igaz, nem teljesen szimmetrikus, lehet, hogy a két tranyó nyitófeszültsége nem pont ugyanakkora, ennek még utánamegyek kicsit), de az MC1458P (amelyiknek a specifikációja teljesen megegyezik az LM324-ével) nem tudja kisütni a kondit. Bekapcsolásnál, amíg fel nem töltődik felvillanás után szépen elhalványul az NPN-re kötött LED, és kivilágosodik a PNP-s ágon lévő, de ott meg is áll. Ha kisütöm én a kondit, újra megy egy menetet.
Más: a LEDek előtét-ellenállásához tudnom kéne, hogy adott Vcc+ esetén mi jön ki az IC-ből. Mivel ennek a kapcsolásnak nincs stabil állapota, nem tudom kimérni pontosan. Hol találom meg én ezt az értéket az IC adatlapján?
(#) proba válasza wallair hozzászólására (») Nov 27, 2010 /
 
A plusz bemenetre kötsz egy 1K ellenálláson + tápot akkor megkapod a magas kimeneti feszültséget ,ha ugyanezt a - ra kötöd megkapod az alacsonyt.(2, 3 láb) .
(#) wallair válasza proba hozzászólására (») Nov 27, 2010 /
 
THX!
(#) wallair válasza wallair hozzászólására (») Nov 27, 2010 /
 
Így gondolod?

Szerk:
Nem, ez így nem lehet jó. Még be kell kötni a 8-as lábra a tápot is.

Uki.gif
    
(#) wallair válasza proba hozzászólására (») Nov 27, 2010 /
 
TINÁ-ban csak egyszerűbb!
Tehát így?

Uki_2.jpg
    
(#) proba válasza wallair hozzászólására (») Nov 27, 2010 /
 
Én nem akartam ennyire túlbonyolítani.Az eredeti helyén úgy ahogy összeraktad a villogtatót ,a 2,3 lábra PLUSZBA kötsz egy lehet nem 1K hanem 10K ellenállást (magyarul leállítod az oszcillációt) és már mérhetsz is.A te általad kialakított kapcsolás nem igazán működik.Ha így akarod kimérni akkor ez a kapcsolás kell.

müv_er.JPG
    
(#) _JANI_ válasza wallair hozzászólására (») Nov 27, 2010 /
 
Az LM1458-as adatlapja +-15V (Vcc-Vee) -re vonatkoztatja a kimenő feszültség szintet. Legjobb esetben 1V, legrosszabb esetben akár 4V-al is kevesebb lehet a kimenő feszültség. UT - 1V-all lehet számolni. ( S még a LED-eket meghajtó tranzisztorok is levesznek 0.6V nyitófeszültséget.
UkiH = (UT=5V - 1V) - 0.6V = 3.4V. ( GND-hez mérve. )
VkiL = (Ut = 0V ( egy tápfeszültségről van az áramkör táplálva ) + 1V) + 0.6V = 1.6V ( +UT-hez képest mérve 3.4V)
Ha jól számoltam akkor 3.4V marad a LED-eknek 5V-ot tápfeszültség esetén.
( Az 5V os tápfeszültség a +-2.5V -os táplálásnak felelne meg! )
Ha emeled a tápfeszültséget megszűnik a leragadás?
(#) wallair hozzászólása Nov 27, 2010 /
 
@proba
ja! akkor tényleg túlbonyolítottam :$

@_JANI_
7.75V-ig tudok elmenni (ennél nincs nagyobb stabil tápom most). Az LM072 ezzel a feszültséggel a PNP-n lévő LED-et már folyamatosan táplálja, a másik villog rendesen, nem ragad be.
(#) _JANI_ válasza wallair hozzászólására (») Nov 27, 2010 /
 
A tranzisztorok emitterkövetőként üzemelnek. Vagyis a vezérlő feszültséget követi a kimeneten. Így majdnem ellentétesen kellene hogy működjenek.
De próbáld ki a tranzisztorokat ezzel a kapcsolással.
1K - 470K-s potméter is jó lesz a próbára. Az értéke nem annyira kritikus most.
A másik alatt az LM1458-asra gondolsz?
(#) wallair válasza _JANI_ hozzászólására (») Nov 27, 2010 /
 
Idézet:
„A másik alatt az LM1458-asra gondolsz?

Bocs! Elírtam. Az TL072-vel szépen megy, ugyanúgy az LM324-gyel is. A 1458-assal van a kín, de most nézem, hogy az nem LM, hanem MC1458P, pedig LM-et kértem.
(#) _JANI_ válasza wallair hozzászólására (») Nov 27, 2010 /
 
AZ MC1458-as és az LM1458-as között nincs nagy különbség. Azt hiszem csak a gyártó más.
(#) lapose válasza wallair hozzászólására (») Nov 28, 2010 /
 
A 1458-as nem jó ide, cseréld le LM358-ra.
(#) BandiBoy válasza Attila86 hozzászólására (») Dec 23, 2010 /
 
Hali!
Ennek az elméletét értem, de gyakorlatban nem áll össze a fejemben:
Idézet:
„555 astabilban órajelgenerátornak, ez vezérelne egy 4017-et. A 4017 kimenetein 1-1 differenciáló tag az 'áttűnések' miatt, utánuk pedig 1-1 műv.erősítős feszültség követő. Ezekről pedig egy ellenállással a ledek.”

Ki tudna valaki segíteni gyorsan egy rajzzal?

Előre is köszi!
(#) proba válasza BandiBoy hozzászólására (») Dec 23, 2010 /
 
Szerintem a cikek között valahol megtalálod.
(#) BandiBoy válasza proba hozzászólására (») Dec 23, 2010 /
 
Ritkán vetemedem kérdések feltevésére, talán itt a hobbielektronikán még meg sem szólaltam.
Általában mindig megtalálom, amire szükségem van, illetve amit már fel tudok használni.
Most viszont már 4 órája a fórumot meg a guglit nyúzom, de vagy rosszul választom a keresőszavakat, vagy egyszerűen csak nem veszem észre a választ.

Na szóval ezért kérem a segítséget!

Lényegében egy 4 LED-es futófényt akarok építeni, ami lépked folyamatosan, ezzel nincs is gond. Hanem az áttűnést akarom megvalósítani, hogy szépen "fédeljenek" egymásra a LED-ek: az egyik halványodása közben a következőnek erősödjön 100%-ig a fényereje, majd így tovább...
(#) proba válasza BandiBoy hozzászólására (») Dec 23, 2010 /
 
Gondoltam ,egy néhány napja itt a fórumon láttam valami hasonlót a cikkek között ,de most én sem találom.
(#) proba válasza proba hozzászólására (») Dec 23, 2010 /
 
Szerintem erre emlékeztem.
(#) BandiBoy válasza proba hozzászólására (») Dec 23, 2010 /
 
Ja igen! Köszönöm, ezt néztem már, és ha minden kötél szakad, akkor felhasználom belőle a "csóva" részt
Csak ugye nekem az kéne, hogy az aktuális LED bekapcsolása is fokozatosan történjen...
(#) _JANI_ válasza BandiBoy hozzászólására (») Dec 23, 2010 /
 
_Lassan_kialvó_LED-ek_
Az egyik Knight Rider-er témában is lesz szerintem olyan kapcsolás ami jó lesz neked. _Link_1_, _Link_2_.
Remélem találsz bennük ötletet...
(#) proba válasza BandiBoy hozzászólására (») Dec 25, 2010 /
 
Azt szeretnéd hogy előtte is csóva legyen? Szerintem az 4 leddel kevéssé látványos.Esetleg a szomszédos kimenetekről a tranzisztorok bázisára kötött 10K körüli ellenállás ezt megoldja.Sajnos ennek az értéke terhelés/tranzisztor/minden függő.
(#) BandiBoy válasza proba hozzászólására (») Dec 27, 2010 /
 
Kedves proba!

Neked és _JANI_-nak is köszönöm, hogy még karácsonykor is segítőkészek voltatok!
Végül egy külső oldalon találtam a számomra legmegfelelőbbnek tűnő megoldásra:
Bővebben: Link
Milyen érdekes, hogy mindig a legegyszerűbb dolgok tudnak a legfantasztikusabbak lenni

Bár sajnos maradéktalanul ez sem tudja kimeríteni az általam elvárt eredményt, úgyhogy - bár pont el akartam kerülni - végül mégis csak PIC-el fogom megvalósítani amit szeretnék, és akkor már több variációt is fog tudni...

LEDLoop.GIF
    
Következő: »»   5 / 7
Bejelentkezés

Belépés

Hirdetés
XDT.hu
Az oldalon sütiket használunk a helyes működéshez. Bővebb információt az adatvédelmi szabályzatban olvashatsz. Megértettem