Fórum témák
» Több friss téma |
Sziasztok!
Szerintetek ki lehet cserélni az LM324-et egy TL072-essel? Az előbbiben 4, az utóbbiban 2 műveleti erősítő van, és a topic indításánál belinkelt kapcsolási rajz (Bővebben: Link) szerint nem is kell a 4 db. Az átalakítást a képek szerint gondoltam.
Elvileg jó az átalakítás. Már csak a próbakapcsolást kellene összedobni.
Összeraktam próbatáblán, de nem működik. Mindkét LED halványan, de folyamatosan világít. Ha jól láttam az adatlapokban az LM324 FET, a TL072-es jFET, azaz Junction Field Effect Transistor - Térvezérlésű rétegtranzisztor SZTAKI rövidítés szótár.
Lehet ez a kánya? Egyáltalán mutatkozhat különbség a FET és a jFET között ennél a kapcsolásnál? Vagy ez csak a gyártástechnológiáról szól? Láttam itt feljebb, hogy egy másikban 1458-as műveleti erősítő van ugyanilyen lábkiosztással.
Szerintem TL072-vel is működnie kell (kellene) a kapcsolásnak. Inkább valamiért nem tud elindulni az oszcilláció. Vagy csak hosszú az éledési ideje.
A TL072-nek a JFET-es bemenet miatt nagy a bemeneti ellenállása. Szerintem csak ennyivel jobb. Persze az adatlapban pontosan benne van minden infó. Az LM1458-asnak a paraméterei hasonlók az LM324-el. Csak a tokozás más.
Kösz a választ. Még agyalok kicsit rajta. Lehet, h félrekötöttem valamit, bár 3szor is leellenőriztem. Max, ha nem megy, veszek bele egy LMxxx-et.
Persze egy alapos ellenőrzés nem árthat.
Ami még különbség lehet közöttük ,az a bemenetek kivezérelhetősége.A TL szerintem a táp +-1-3 V az LM324 talán sokkal jobb szinte a tápig kivezérelhető.
Egy logikai ceruzába kerestem sokáig hogy adott szintekre miért nem kapcsol,arra jutottam hogy a tápfeszültség közelében már nem hajlandó a TL komparálni,Ez különösen ha alacsony feszültségről járatod súlyos probléma lehet.5V-2/3V szinte az egész tápod eltűnt.
Kb 4.8 V-ról próbáltam táplálni. Ha az IC-n esett 3V körüli a feszültség, akkor a kimenet éppen aláment a LED-ek nyitófeszültségének. Lehet, hogy ezért világítottak csak halványan. Most már mindenképpen ki fogom próbálni, hogy LM sorozatú IC-vel mit csinál. (de csak holnap, és csak ha kapok
)Köszönöm a válaszokat!
Lehet az LM358-as jobban megfelelne kis tápfeszültségre... Valamiért én 9 - 12V -ban gondolkodtam. S nem vettem figyelembe, hogy 5V-os a tápfeszültség.
Kipróbáltam mindhárom IC-vel a kapcsolást. A TL072-essel és az LM324-gyel gyönyörűen működik (igaz, nem teljesen szimmetrikus, lehet, hogy a két tranyó nyitófeszültsége nem pont ugyanakkora, ennek még utánamegyek kicsit), de az MC1458P (amelyiknek a specifikációja teljesen megegyezik az LM324-ével) nem tudja kisütni a kondit. Bekapcsolásnál, amíg fel nem töltődik felvillanás után szépen elhalványul az NPN-re kötött LED, és kivilágosodik a PNP-s ágon lévő, de ott meg is áll. Ha kisütöm én a kondit, újra megy egy menetet.
Más: a LEDek előtét-ellenállásához tudnom kéne, hogy adott Vcc+ esetén mi jön ki az IC-ből. Mivel ennek a kapcsolásnak nincs stabil állapota, nem tudom kimérni pontosan. Hol találom meg én ezt az értéket az IC adatlapján?
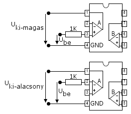
A plusz bemenetre kötsz egy 1K ellenálláson + tápot akkor megkapod a magas kimeneti feszültséget ,ha ugyanezt a - ra kötöd megkapod az alacsonyt.(2, 3 láb) .
Így gondolod?
Szerk: Nem, ez így nem lehet jó. Még be kell kötni a 8-as lábra a tápot is.
TINÁ-ban csak egyszerűbb!
Tehát így?
Én nem akartam ennyire túlbonyolítani.Az eredeti helyén úgy ahogy összeraktad a villogtatót ,a 2,3 lábra PLUSZBA kötsz egy lehet nem 1K hanem 10K ellenállást (magyarul leállítod az oszcillációt) és már mérhetsz is.A te általad kialakított kapcsolás nem igazán működik.Ha így akarod kimérni akkor ez a kapcsolás kell.
Az LM1458-as adatlapja +-15V (Vcc-Vee) -re vonatkoztatja a kimenő feszültség szintet. Legjobb esetben 1V, legrosszabb esetben akár 4V-al is kevesebb lehet a kimenő feszültség. UT - 1V-all lehet számolni. ( S még a LED-eket meghajtó tranzisztorok is levesznek 0.6V nyitófeszültséget.
UkiH = (UT=5V - 1V) - 0.6V = 3.4V. ( GND-hez mérve. ) VkiL = (Ut = 0V ( egy tápfeszültségről van az áramkör táplálva ) + 1V) + 0.6V = 1.6V ( +UT-hez képest mérve 3.4V) Ha jól számoltam akkor 3.4V marad a LED-eknek 5V-ot tápfeszültség esetén. ( Az 5V os tápfeszültség a +-2.5V -os táplálásnak felelne meg! ) Ha emeled a tápfeszültséget megszűnik a leragadás?
@proba
ja! akkor tényleg túlbonyolítottam :$ @_JANI_ 7.75V-ig tudok elmenni (ennél nincs nagyobb stabil tápom most). Az LM072 ezzel a feszültséggel a PNP-n lévő LED-et már folyamatosan táplálja, a másik villog rendesen, nem ragad be.
A tranzisztorok emitterkövetőként üzemelnek. Vagyis a vezérlő feszültséget követi a kimeneten. Így majdnem ellentétesen kellene hogy működjenek.
De próbáld ki a tranzisztorokat ezzel a kapcsolással. 1K - 470K-s potméter is jó lesz a próbára. Az értéke nem annyira kritikus most. A másik alatt az LM1458-asra gondolsz?
AZ MC1458-as és az LM1458-as között nincs nagy különbség. Azt hiszem csak a gyártó más.
A 1458-as nem jó ide, cseréld le LM358-ra.
Hali!
Ennek az elméletét értem, de gyakorlatban nem áll össze a fejemben: Idézet: „555 astabilban órajelgenerátornak, ez vezérelne egy 4017-et. A 4017 kimenetein 1-1 differenciáló tag az 'áttűnések' miatt, utánuk pedig 1-1 műv.erősítős feszültség követő. Ezekről pedig egy ellenállással a ledek.” Ki tudna valaki segíteni gyorsan egy rajzzal? ![]() Előre is köszi!
Szerintem a cikek között valahol megtalálod.
Ritkán vetemedem kérdések feltevésére, talán itt a hobbielektronikán még meg sem szólaltam.
![]() Általában mindig megtalálom, amire szükségem van, illetve amit már fel tudok használni. Most viszont már 4 órája a fórumot meg a guglit nyúzom, de vagy rosszul választom a keresőszavakat, vagy egyszerűen csak nem veszem észre a választ. Na szóval ezért kérem a segítséget! ![]() Lényegében egy 4 LED-es futófényt akarok építeni, ami lépked folyamatosan, ezzel nincs is gond. Hanem az áttűnést akarom megvalósítani, hogy szépen "fédeljenek" egymásra a LED-ek: az egyik halványodása közben a következőnek erősödjön 100%-ig a fényereje, majd így tovább...
Gondoltam ,egy néhány napja itt a fórumon láttam valami hasonlót a cikkek között ,de most én sem találom.
Ja igen! Köszönöm, ezt néztem már, és ha minden kötél szakad, akkor felhasználom belőle a "csóva" részt
![]() Csak ugye nekem az kéne, hogy az aktuális LED bekapcsolása is fokozatosan történjen...
_Lassan_kialvó_LED-ek_
Az egyik Knight Rider-er témában is lesz szerintem olyan kapcsolás ami jó lesz neked. _Link_1_, _Link_2_. Remélem találsz bennük ötletet...
Azt szeretnéd hogy előtte is csóva legyen? Szerintem az 4 leddel kevéssé látványos.Esetleg a szomszédos kimenetekről a tranzisztorok bázisára kötött 10K körüli ellenállás ezt megoldja.Sajnos ennek az értéke terhelés/tranzisztor/minden függő.
Kedves proba!
Neked és _JANI_-nak is köszönöm, hogy még karácsonykor is segítőkészek voltatok! Végül egy külső oldalon találtam a számomra legmegfelelőbbnek tűnő megoldásra: Bővebben: Link Milyen érdekes, hogy mindig a legegyszerűbb dolgok tudnak a legfantasztikusabbak lenni Bár sajnos maradéktalanul ez sem tudja kimeríteni az általam elvárt eredményt, úgyhogy - bár pont el akartam kerülni - végül mégis csak PIC-el fogom megvalósítani amit szeretnék, és akkor már több variációt is fog tudni... |
Bejelentkezés
Hirdetés |






)











