Fórum témák

» Több friss téma
Fórum » METEX műszer
 
Témaindító: petyes, idő: Feb 17, 2008
Témakörök:
Lapozás: OK   4 / 9
(#) nedudgi válasza Vladiszav hozzászólására (») Júl 23, 2011 /
 
(#) Vladiszav válasza nedudgi hozzászólására (») Júl 23, 2011 /
 
Köszönöm szépen!
(#) bdezso74 hozzászólása Aug 4, 2011 /
 
Sziasztok!
Vagy 10 évvel ezelőtt félrettem egy tönkrement M3650-est, mert akkor túl drága lett volna a javítása. Most megint előkerült és mielőtt nekiesnék megkérdezem emlékszik-e valaki, hogy a 7106-os IC foglalatban volt-e benne, ill. ha nem, elfér-e a foglalat a panelen?
(#) Arpi68 hozzászólása Szept 30, 2011 /
 
Sziasztok! Nekem egy M-3660D-s műszerem van. Az a gondom vele hogy, váltakozó feszültséget nem mér. Valaki tudna segíteni hogy mit kezdjek vele? Nagyon megköszönném.
(#) Demente hozzászólása Okt 29, 2011 /
 
Sziasztok. Eléggé elhasznált a metex 3870D műszerem, elkoptak a betűk, stb
http://www20.tok2.com/home/daisuken/m3870d.JPG
Szóval ő az. Keresek egy olyan műszert ami esetleg tönkrement, használhatatlan, de kívülről még egész jó. Ha esetleg van valakinek elfekvőben, akkor megvásárolnám. Emil címem: demente84@freemail.hu Köszönöm.
(#) fapuma68 hozzászólása Jún 26, 2012 /
 
Üdv mindenkinek!
Egy metex ME-21 típusú multiméterrel rendelkezem amihez rs232c kábelt kellene csinálni.
Olvastam hogy a "c" jelzés nem sokat jelent anyi csak hogy ez a fajta kábel a lassan kommunikáló eszközök számára van de igazából semmi különbség nincs egy mezei RS232 és egy RS232C között.
Összekötöttem egy géppel (az enyémen nincs) a műszert elindítottam a SCOPEVIEW nevű programot amit mellékeltek és semmi anyit írt hogy nincs eszköz, beállítottam amit kellet a használati útmutató szerint de nem jó.
A kérdés az lenne hogy egy rs232 usb átalakítóval (sonny dcu-11 adatkábelből gyártott) ahol a logikai szint 5V az rs232 12V-je helyett működhet-e a dolog?
(#) fapuma68 válasza fapuma68 hozzászólására (») Jún 29, 2012 /
 
A probléma megoldódott esetleg ha kell valakinek Akkor a metex ME21 egy sima mezei COM kábel tökéletes.
A pc részen az ebben a fórumban ajánlot METEX.EXE nevű programmal megy tökéletes.
Beállítások:
2400 ; 7ASCII ; parbit:nincs ; stop bit 2
Képek a Panelrőlk
(#) subi hozzászólása Dec 22, 2012 /
 
Sziasztok!
Szeretném megkérdezni, hogy a METEX M-3800 műszeremet hogyan tudnám szétszedni. Már próbáltam lehúzni a forgókapcsoló gombját fogóval, nem jött. Nagyon erőltetni nem mertem. Hogyan tudom kivenni a műszert a dobozból?
Köszi a segítséget!
(#) subi válasza (Felhasználó 13571) hozzászólására (») Dec 22, 2012 /
 
Köszönöm a tanácsodat!
Nos, csak, hogy más tanuljon belőle, leszedtem a panelt. Csalafinta volt, mert nincs hátul a tengelyen zégergyűrű. Egyszerűen nagyon szorosan volt illesztve, és nem a kapcsolót kellett lehúzni a tengelyről, hanem a műszer panelt kellett kihúzni a forgókapcsolóból. A forgókapcsoló pedig belülről van zégerezve, a dobozhoz. Ilyet még nem láttam, de jó pap holtig tanul.
Üdv...
(#) JBL43 hozzászólása Feb 24, 2013 /
 
Sziasztok!

Metex M-3800 multimeter *

* És miért a fórumon keresel? Törölve!
A hozzászólás módosítva: Feb 24, 2013
(#) iloz hozzászólása Márc 29, 2013 /
 
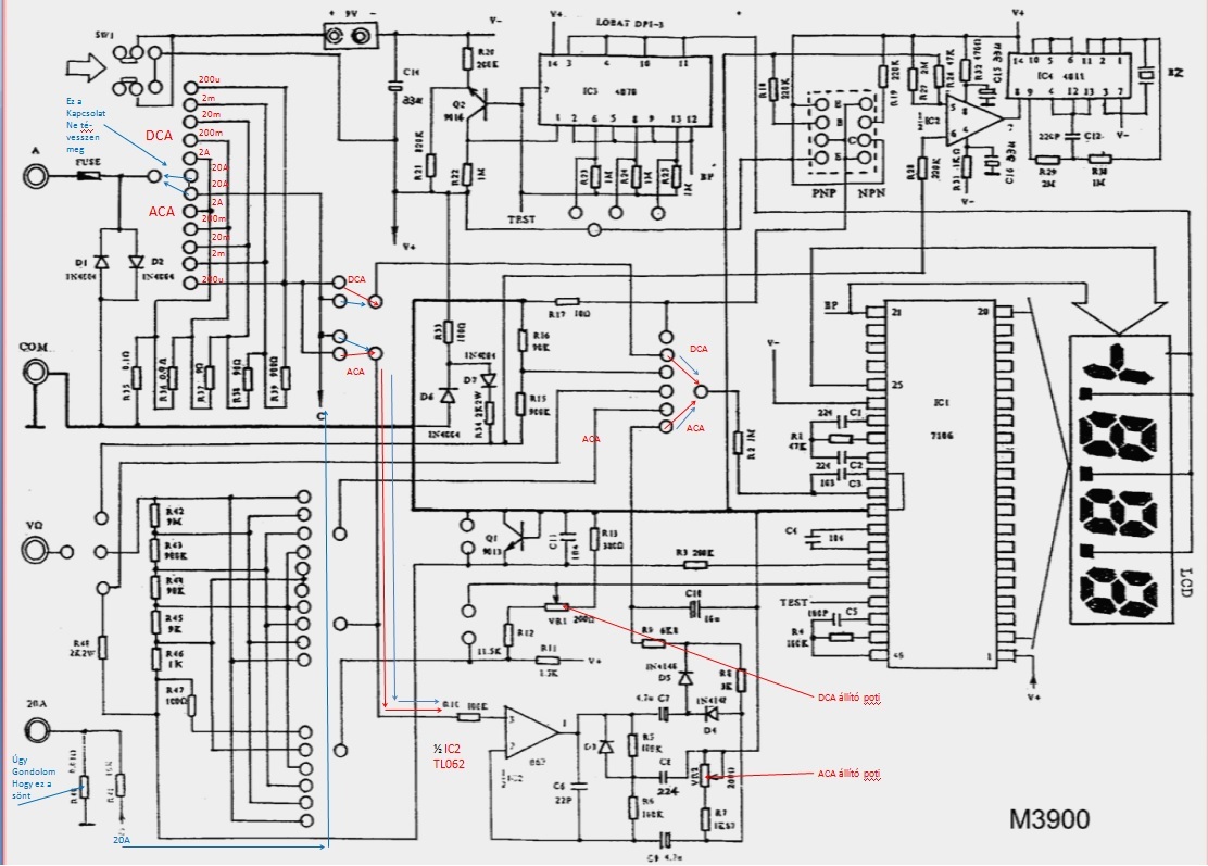
Sziasztok!Régóta bogarászok a fórumon de először próbálok hozzá szólni.Látom,hogy a Metex M-3800-ról többször is érdeklődtek.Nekem is van kettő.Nekem adták mert halottak voltak.Az egyiket már felélesztettem.A tokban a kis nyolc lábu IC (gyári-062d) megfelelője (TL062) az LCD meghajtó helyett pedig ICL7106 jó bele.Igazából mind a 4 IC-t kicseréltem és egyből jól működött.A tranzisztor vizsgáló dugalj melletti potival kell beállítani az áram mérést,minél kisebb méréstartományban annál pontosabb,gongolom én mert én is csak egy (amatőr-ke) vagyok.Az M-3900 rajzát össze vetve az M-3800-al és a panellal nekem ugy tűnik,hogy a kettő kombinációja az M-3800.Az M-3900-as rajzán megvannak az alkatrészek értékei is,sőt szrintem ugyan az a kettő.Az M-3900-as rajz kulturáltabb és teljesebb.Remélem nem tulságosan késtem el az irományommal.
(#) subi válasza iloz hozzászólására (») Márc 29, 2013 /
 
Szia!
Köszi az információt. Ez soha nem lehet késő. Én még mindig küzdök a METEX-3
800 árammérésével. Nem működik, és nem volt értelmezhető rajz hozzá. Most megnézem az általad javasoltat. Azonban, ha van ötleted miért nem méri az áramot, szívesen fogadom.
Üdv.
Subi
(#) iloz hozzászólása Márc 30, 2013 /
 
Örülök,hogy ilyen későn is segíthettem de ha még van egy kis türelmed akkor bővebben nyilatkozok az eddigi Metex megfejtéseimről.Szert tettem néhány szabad órára így elővettem egy erős zseblámpát egy jó nagyítót a rajzot a panelt és bele mélyedtem az elektronika labirintusába.Elsőre pont az áram mérés útvonalát sikerült megtalálnom.Ahhoz ,hogy ezeket betudjam mutatni meg kell várni hogy a fiam haza jöjjön Bpest-röl az egyetemről mert neki van jó fényképezőgépe. Lefotózzuk a panelt és bejelölöm rajta az útvonalat és persze a kapcs rajzon is.Sajnos ez már csak húsvét után lehetséges.
Egy kérdés, semmilyen állásban sem mér áramot?
(#) subi válasza iloz hozzászólására (») Márc 30, 2013 /
 
Szia!
Először is köszönöm szépen a válaszodat. Másodszor, az ötleted alapján letöltöttem a M-3900 -s rajzát, és egy nagy sóhajjal újra szétszedtem a műszert (sokadjára). Először is cseréltem a TL062 -t. Majd kezdtem az árammérés útját átnézni. Szemre és méréssel minden rendben. Természetesen az összes osztó ellenállást lemértem. Utána, forgó tárcsa újra összerak, jó szorosan, majd próba. És lám újra méri az áramot. Igaz, néha a forgókapcsolót meg kell mozgatni egy kicsit.... Szóval, köszönöm az ötletet, és a hozzászólásodból kapott új lendületet. Azért, mivel más is kerülhet hasonló helyzetbe mint én, jó ötletnek tartanám, ha van rá energiád, az árammérés útvonalát berajzolni.
Üdvözlettel:
Subi
(#) iloz hozzászólása Ápr 9, 2013 /
 
Sziasztok
Valaki hozzá értőtől szeretnék segítséget kérni,hogy hogy kell felrakni a képeket,mert ahogy felraktam úgy nekem nem igazán tetszik. A kép egy fekete kocka lett és ha azt nyitom meg akkor gyászkeretes lesz a kép. Viszont ha az alatta lévő szöveget akkor jól nyitja meg a fájl-t.Előre is köszi a segítséget.
(#) eSDi válasza iloz hozzászólására (») Ápr 9, 2013 /
 
Üdv! Használj GIF helyett PNG vagy JPG formátumot.
(#) iloz hozzászólása Ápr 10, 2013 /
 
Köszi de ott a baj,hogy halvány lilám sincs ,hogy hogy csináljak gif-ből JPG-t.
(#) iloz válasza subi hozzászólására (») Ápr 14, 2013 / 2
 
Szia!
Nagy nehezen elkészült a labirintus rajz.Szeretnélek megkérni,hogy nézd át mennyire lehet kezelni a képeket (megnyitni,nagyítani stb) mert még nem vagyok profi az ilyen kép gyártásban.Előre is köszi a válaszodat.
Üdv:
Iloz
(#) subi válasza iloz hozzászólására (») Ápr 15, 2013 /
 
Nos, ez igazán alapos munka. A képek jól láthatók és értelmezhetők. Nagyon szépen köszönöm fáradozásodat, minden METEX műszert javító nevében.
Üdv.
(#) iloz válasza subi hozzászólására (») Ápr 20, 2013 /
 
Szia!
Köszönöm az elismerést. Egy-két órácskát elszórakoztam vele de ha másoknak is segítettem az ilyen munka csak örömömre szolgál. Még egyszer köszi.
Üdv
Iloz
(#) tamas9702 hozzászólása Máj 7, 2013 /
 
Üdvözletem mindenkinek!

Van egy metex M4650B típusú műszerem.
Multkor mértem vele egy kapcsolásban 1000V-os méréshatárban.
459V-ot mértem és kicsi sipolo hangot adott a műszer.
Azóta szakadásvizsgálóban 1223mV-ot mutat, és alól semmien méréshatárban se szaladgál a csík.
de mindent jól mér és sípolni is szépen sípol.

Mit nézzek meg benne???
(#) Tanos Zsolt hozzászólása Jún 15, 2013 /
 
Sziasztok! Van egy METEX 3830 műszerem, aminek a számítógéppel való összekapcsolásához a software-t annak idején egy nagyméretű floppy lemezen adták. Ezt ma már nem tudom használni (nincs ilyen olvasó), de azt gondolom, hogy ma már vannak az akkorinál sokkal jobb programok is. Ha valaki tud ilyet,segítsen. Üdvözlettel :Zsolt.
(#) ármin27 válasza Tanos Zsolt hozzászólására (») Jún 15, 2013 /
 
Metex 3660D műszerem software érdekel, mert ha igen, akkor elküldöm! Nekem is floppyn van!
Üdv.: Ármin27
(#) Tanos Zsolt válasza ármin27 hozzászólására (») Jún 16, 2013 /
 
Szia, köszönöm a gyors választ, de azt hiszem, hogy ez nekem nem jó, egyrészt ,mert nem tudom, hogy a te műszered és az enyém a program szempontjából kompatibilis-e, másrészt pedig nincs floppy meghajtóm.

Üdvözlettel
Zsolt
(#) ármin27 válasza Tanos Zsolt hozzászólására (») Jún 19, 2013 /
 
Nem írtam, akkor érthetően! Kompatibilis a software, mert tudtommal mindhez ugyanazt adták ki. (mikor még a progit használtam, úgy emlékszem kikelet a műszer típust elején választani) A floppyn lévő drivert kimentetem HDD-re, szóval, ha kell áttudom küldeni neten.
Üdv.: Ármin27
(#) jano49 hozzászólása Jan 29, 2014 /
 
Üdvözletem mindenkinek! Van egy Metex 3800 müszerem, az a probléma hogy a 2kohm, 20kohm és 200kohm-s állásban nem áll be 0-ra, nem mér pontosan, hogyan lehetne javítani? Köszönöm.
(#) mugab hozzászólása Júl 11, 2014 /
 
Üdv mindenkinek!
Érdeklődöm, hogy mi a trükkje a 3860 -as műszer szétszedésének?
A hátlap leszerelve, a panelon a csavarok leszedve, és mégis középtáj és az alsó részt fogja valami.
Megpróbáltam a tekerőgombot kinyomni a hátlap felől, de közepes erővel sem ment így nem eröltettem...
Esetleg képek is segítenének.
(#) mugab válasza mugab hozzászólására (») Júl 15, 2014 /
 
Mivel nem nem nagyon ugrik a kérdésre senki, szélesíteném a kört. Aki szedett már szét metex műszert, annál a forgatógombot le kellett e szedni elölről, vagy más trükkje volt?
(#) biji válasza mugab hozzászólására (») Júl 16, 2014 /
 
Szia!

Igen le kell szedni, egy fogóval óvatosan lehúzod.

jani
(#) subi válasza mugab hozzászólására (») Júl 16, 2014 /
 
Ha jól emlékszem a forgató gombot belülről egy rugós gyűrű fogja, kicsúszás ellen. ezért nem lehet csak úgy kihúzni...
Következő: »»   4 / 9
Bejelentkezés

Belépés

Hirdetés
XDT.hu
Az oldalon sütiket használunk a helyes működéshez. Bővebb információt az adatvédelmi szabályzatban olvashatsz. Megértettem