Fórum témák
» Több friss téma |
Idézet: „Gondolom, hogy egyszerűbb beprogramozni, hogy mondjuk 2 percenként működjön a motor 10 másodpercen keresztül és így nem kellenek a jeladók sem, ha jól láttam.” Szerintem is így egyszerűbb. Nem erőltetem a bill-es megoldást, az sem biztos, hogy tökéletesen működött volna. Viszont gyorsan összedobható és le tudnád tesztelni élesben. Még mindig vannak olyan részek, amiket nem tudsz pontosan a működéssel kapcsolatban. Ezeket egyesével, a kiderülésük után javítgatni, úgy, hogy más csinálja a programot, elég kínos és nehézkes.
Célszerű volna részekre bontani a feladatokat és úgy kipróbálni a részeket, majd ha működik minden, akkor majd egyben össze lehet rakni a kész áramkört.
Az is jó megoldás és tény, hogy olcsó és sok modul van hozzá, de programozni azt is kell.
Közben kicsit érdeklődtem itt ott, hogy mennyibe fájna nekem a programozás, ha més csinálná meg. Hát nem olcsó mulatság....bár még egészen konkrét ajánlatot nem kaptam sehol, de valaki felvetett egy másik lehetséges megoldást:
Idézet: „PC oldalon kapja meg az ember a sakkbabuk megtalalt es a menyezet vezerlojelet es a PC vegzi a vezerlest? Ekkor az Arduino egyszeru kimeneti illesztes csak (sokkal gyorsabb a kieg HW fejlesztese) PC oldalon kiadja az ember sorosportra: mi=szoba1;pos=14 Ekkor az első szoba plafon 14 lépést felmegy mi=szoba1;pos=0 Ekkor az első szoba plafon 0 pozícióra áll. Itta szamolast, erzekelest a PC vegzi... Es csak a parameterezes ki/bemenet van a mikrokontrolleren, gyakorlatilag egy illesztest vegez. ” Bár nem értem pontosan. Találtam még egy vezérlőt, ami elég sok mindent tud, de nem tudom, hogy nekem elég lenne-e. Lehet vele több motort egyszerre irányítani, van rajta lépcsőház autómatika, stb. Írtam nekik, hogy mit tud pontosan, de még nem kaptam választ. Bár feltételezem a kézi vzérlés ezzel megoldható lenne, csak nagyobb odafigyelést igányelne részemről.... http://topmodul.alfasolarhungaria.hu/index.php?option=com_content&a...id=102 Esetleg ismeritek ezt?
Ha már programozol, akkor úgy alakítod ahogy akarod, az arduino lehet komplett vezérlés, visszajelentve a PC-re (vagy nem) akár periféria is lehet. igazából ha már azt meg tudod csinálni vele, hogy egy gombnyomásra bizonyos ideig működjön a motor, attól kezdve a többi része már nagyon egyszerű.
A belinkelt modulok szerintem csak valami intelligenciával működnek. ( más részről ha már egy logikai szobát akarsz létrehozni, ne csak a játékosok játszanak, állj be te is a sorba.Ez sem nehezebb, mint egy más által kitalált logikai feladat megoldása) Ha végképp nem akarsz programozni, marad az analóg megoldás. Két egymást kizáró jelfogó négy nem újra induló lépcsőház automatika, 10 mikrokapcsoló, meg egy olyan tárgy elnyelő nyílás ami első lépésben megakadályozza a tárgyvisszahúzását utána zárja a kapcsolót majd a tárgyat tovább tolva a kapcsolót bontja, és rögzíti a tárgyat. Ezt két fűrészfog szerű képződménnyel megoldhatod.Ez első rögzíti kihúzás ellen a tárgyat, tovább tolva a második fog működteti a kapcsolót, majd a tárgyat tovább tolva rögzíti ismét a tárgyat egy kicsit beljebb , a kapcsolót pedig felengedi. Ezzel a kapcsolóval működtetve az időreléket, azzal a fel és le irányt vezérlő jelfogókat, azzal meg a mozgatómotort, már meg is van oldva a feladat.
Köszi. Hát igyekszem a legjobbat kihozni magamból, ha nem megy, akkor marad az analóg megoldás....
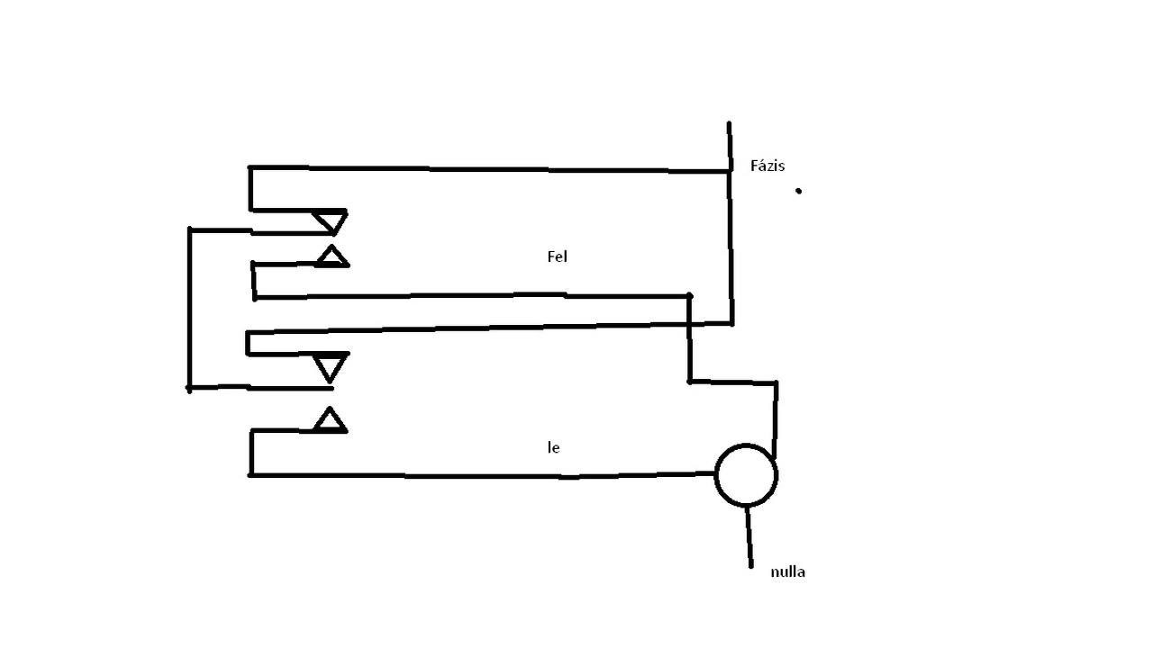
Összedobtam egy Arduinos kapcsolást (Fritzing-ben). Csak nagy vonalakban, nem részletekben!!!
A leírtak alapján, szerintem kb. ennyi lenne, de lehet, hogy kihagytam pár dolgot...
A motor vezérlése kb..
A hozzászólás módosítva: Aug 12, 2014
Szuper. Köszi. És ha marad az analóg megoldás akkor gondolom ezt kell ötször megépíteni.
Köszi a rajzot! Ez az elképzelés kb, annyi hogy a két motor is össze lenne kötve arra az esetre, ha a két szoba egymás ellen játszik.
Én még mindig azt mondom, hogy Ardu vagy PIC. Ezek jöhetnek a számításba és persze az analóg. Szerintem ezek közt gondolkodjunk, mert itt még megoldhatóak a követelmények viszonylag egyszerűen, de tovább ne bonyolítsuk a lehetséges vezérlők számát, mert már elmennénk a csillagok felé.
Szitko féle rajz elég korrekt, pár kiegészítés kell hozzá csak és megoldódik minden kérdés. Ahogy van egy kis időm beszállok egy kis rajzzal Nektek, de ma se hiszem hogy lesz időm rá, mindenesetre rajta vagyok az ügyön. Szerintem itt biztos akad valaki aki segít ha más nem programrészletekkel, mert hát csak egy fórum ez és nem adok veszek, hogy mindenki pénzt csináljon a tudásából. Én is szívesen segítek, mert nekem is segítenek. Megoldjuk ezt a témát, mert most már engem is idegesít ez a játék, hogy mikor lesz kész.
Na tök jó, mármint nem, hogy idegesít
hanem hogy ennyi segítséget kapok. Sajnos még a programra nem vállalkoztak, de majd csak megoldódik az is.
Sajnálom a programos részt. :-/ Én még most akarok beszerezni ilyeneket, hogy megtanuljam így még nekem nem megy, mert akkor már rég megírtam volna az egészet. Megoldódik az valahogy! -)
kértem másik topikban segítséget de valamit rosszul csináltam, mert letiltották
Engem is érdekelne a dolog, csak jelenleg könyvelőként dolgozom és mellette építem a helyet...reggel 6-tól este 11-ig meló van, utána meg már erő nincs
Amennyire tudok segítek a programban is, de hidd el, jobb ha Te írod meg. Az általad leírt feladatot, kis túlzással, nem nehéz megírni.
A rajzból kimaradtak a végállás kapcsolók, és mivel nem tudom, hogy a motorod milyen bekötést igényel, ezért egy egyszerű DC motor bekötést készítettem. A rajz egy szobára vonatkozik! A relé modulra rá lehet kötni még egy motort, és az Arduinora is lehet még gombokat rakni. Ha már túl sok a gomb (érzékelő), akkor mátrixba kell őket kötni, ezáltal az Arduinon is marad plusz I/O. Ahogy már más is írta, mikrovezérlővel a lehetőségek tárháza határtalan. Persze mindezt meg lehet csinálni PIC-el, vagy más kontrollerrel is, de akkor "zosza18" felajánlására kell támaszkodj, kapcsolás, nyák, beültetés ügyben. Nem beszélve arról, ha pl. bővíteni akarod, sajnos mindig a "gyártót" kell hívd... Azért tiltották le a kérdésed, mert az hirdetésnek minősül... (szerintem)
Igyekszem utána járni a dolgoknak. Hétvégeig megpróbálom beszerezni hozzá ami kell és akkor belevágok....
Szerintem először olvass, aztán vásárolj! (Ha gondolod átküldöm az Arduino-s anyagot egészben.)
Az jo lenne nagyon! Köszi!
Igazából Proba által linkelt processzorra+kimenetre gondoltam, hogy megveszem, de akkor várok még vele és először okulok
Engem is érdekelne az anyag! Ha lehetséges és átküldenéd nekem is, boldoggá tennél.
Én csak azért írtam, hogy olvass mielőtt vásárolsz, hogy lásd magadon, menni fog-e a programírás. Mert ha beleolvasol az anyagba, és úgy érzed ez neked magas, akkor kár kódolni a pénzt.
Sziasztok! Még csak elkezdtem olvasni a témát, és gondoltam gyorsan leírok valamit mielőtt nem felejtem el: valami módon meg lehetne oldani, hogy az adott figura, vagy bármi, egy számláló ic bemenetére legyen kötve, diódákkal, vagy más módon elválasztva egymástól, hogy ne dumáljanak vissza egymásnak. Az ötlet a következő: egy mondjuk cd4017 kimenete indítana egy lépcsőház automatát, ami a redőnymotort indítaná. A számláló kimenete minden impulzus után aktív marad, így onnantól az ,,nem játszik" egész addig míg nincs a reset lábra adva egy impulzus-amit csak a játékvezető tud megtenni. A számláló lehet más ic is, most csak hirtelen a 4017 jutott eszembe. A forgásirány váltáson gondolkodom még, hátha eszembe jut valami. Az hogy hogy dönt a csapat: hogy az ő plafonjuk fel, vagy a másik csapaté le mozogjon, egy kis helyi kis kétáramkörös kapcsolóval történhetne: egyik állásban a saját motor menne fel, másikban meg az ellenfélé le(mondjuk mivel gondolom 230v-os motorról van szól mondjuk egy kodndis fázistolást lehetne alkalmazni pl). De javaslom úgy megoldani ezt, hogy ne lehessen minden alkalommal ezt eljátszani, mert akkor szinte biztos az a vége lenne hogy az ellenfélé mozogna lefelé többször mint az övéké... Ezek csak hirtelen eszembe jutott dolgok, remélem nem írtam túl nagy sületlenségeket így fél egy körül...
|
Bejelentkezés
Hirdetés |






Szitko féle rajz elég korrekt, pár kiegészítés kell hozzá csak és megoldódik minden kérdés. Ahogy van egy kis időm beszállok egy kis rajzzal Nektek, de ma se hiszem hogy lesz időm rá, mindenesetre rajta vagyok az ügyön. Szerintem itt biztos akad valaki aki segít ha más nem programrészletekkel, mert hát csak egy fórum ez és nem adok veszek, hogy mindenki pénzt csináljon a tudásából. Én is szívesen segítek, mert nekem is segítenek. Megoldjuk ezt a témát, mert most már engem is idegesít ez a játék, hogy mikor lesz kész.






