Fórum témák
» Több friss téma |
Egyszerű, olcsó alapgép Chacon márkával.
Aztán gondoltam, hogy nem is biztos hogy a nagyfesz miatt ment tönkre, mert előtte pár percel is mértem olyan értékeket amik lehetetlenek voltak (pl: Greatz-híd ac bemenetén 40-50V, dc kimenetén meg már 12 V, ami a normális lett volna..)
Pontosabban mekkora feszt próbáltál mérni vele? Egyébként meg ha végtelent („1”-est ) jelez,akkor az több mint valószínű,hogy a nagyfesz miatt van,korábban én is jártam már így néhányszor,és ilyenkor sajnos az olcsóbb multiknál a megfelelő védelem hiánya miatt nem sok esély van a javításra.
Nekem egy drága metex ME-21 is ment tönkre attól hogy a 380 50Hz-es mágneskapcsoló tekercse idönként megszakadt-(((( a jelenség ugyan ez, javítani nem tudták-(((((
Simsonnak a gyújtószikra feszültségét.
Az sok volt neki. Szerintem vegyél másikat.
Igen most néztem utána hogy 17-22000 Volt. Azt már lehet nem tudta egyszerre lenyelni...
Idézet: „Simsonnak a gyújtószikra feszültségét.” Jújjj! Hát akkor annak tényleg annyi.A digit. multik a nagyfeszre nagyon kényesen tudnak reagálni,igazából egy öngyújtó piezokristály,vagy egy relé önindukciós impulzusa is már bőven elég a kivégzésükhöz.Én például ha épp valami nagyfeszes cuccot tesztelgetek,akkor az az első dolgom,hogy a digitális multikat elteszem onnan jó messzire,és csak analóggal mérek ha szükséges.
Hát a megszakadó tekercs ilyen! Az én multim is ezért durrant.
Én még csak olcsó műszert öltem meg.Mindegyikben az icl 7106 hal meg. Egyet azért megjavítottam már úgy hogy körbevágtam a rosz ic-t,és egy jót forrasztottam fölé,a lábait drótszállal.
Nekem 2 éve van egy mx 25-304-esem. Nem akarom megölni véletlen ezért van egy olcsó 600Ft-os is. Azzal mérem a veszélyes dolgokat.
Szeretnék venni egy értelmes multimétert. Nekem nem sok funkció kell csak az alapok, de azok aránylag tágabb határokkal (max:1000V, 10A) Viszont a minőség az elvárás lenne.
Kérdésem mit ajánlotok? (Voltcraft, Fluke, Maxwell) ezek jó márkák? Főleg motorszereléshez használnám... Az nem elvárás hogy a gyújtófeszt is kibírja...
Hát a Maxvellről és a Voltcraftról sok jót tudok neked mondani, de ezekből a márkákból is sok típust készítettek, melyeknek különböző a funkciójuk van, de manapság már elég pontos multimétereket tudnak készíteni, szerintem neked elég lenne egy 3 és 1/2 digites multiméter, de például a HEstore-ban is kapható MY 64-es tökéletes lenne neked ilyen célokra, már vagy 4 éve, hogy megvan ez a multiméterem, és eddig megvoltam vele elégedve.
Sziasztok! Ma kaptam egy ELTRONIX BD 303-as multimétert. Ez nem egy mai darab, tudom. Az az egyetlen baja, ha 20A állásban van, akkor mindent jól mér. De ha átrakom 200mA-be, ha egy lednek az áramfélvételét szeretném mérni. (12V 330ohm-os ellenállás) akkor az átfolyó áram csak 2-3mA mér. Ha 20A-esben, akkor pontos. 0.04A mutat. Ez mitől lehet? Akitől kaptam nagyobb áramot mért vele? Előre is köszönöm.
Szerintetek mennyire lehet ez jó minőségű? Valaki ismeri ezt a márkát?
http://vennivalo.hu/termek/dt-9205a_digitalis_multimeter_vedotokban.html
Van egy ilyen a fateromnak. Lehet vele mérni.. Használatkor erős olcsóság érzetet ad, de nem is kerül sokba
Hobbicélokra megfelelő. A 6 különböző multiméteremből az egyik ilyen.
Piacon 1000-1500 Ft-ért megkapod. A védőtokot 2 perc után ki fogod dobni a szaga miatt, viszont összehasonlítva a Maxwell készülékemmel, meglepően pontosan mér ez is. A funkciói megfelelőek egy átlagos hobbistának, elég széles tartományok, kapacitásmérés is van.
Hát eléggé gagyi mondhatom.Régen én is ilyet használtam,сsak gyakran újat kellett vennem,mert valamiért mindig megnyuvadt,de ha a te igényeidnek megfelel,akkor kipróbálhatod.Viszont ha elfogadsz tőlem egy baráti jótanácsot,akkor a hálózati 230V-tól nagyobb feszültséget lehetőleg ne mérj vele,mert én a legutóbbival egy trafóházban megkíséreltem leellenőrizni a vonali feszültséget,sajnos nem sok sikerrel,a mérőzsinórok egy az egyben robbantak szana szét a kezemben egy hatalmas ív keretében.Nagy szerencsémre már sejtettem mire számítsak,és használtam védőöltözéket,különben nagyon pórul jártam volna.
Üdv!
Vettem egy új műszert és gondom akadt vele. MAXWELL MX-25328 Nem tudom sehogyan se rábírni hogy kommunikáljon a számcsival... Már mindent kipróbáltam de semmi... nemtudja a kábelhez telepíteni a szoftvert. ezt hiányolja (usb serial controller)... Szerintetek mit cseszhettem el???
Szia!
Az optikai USB-kábel meg van hozzá?
Na, megoldódott a problémám... Addig keresgéltem míg végül csak találtam rendes dryvert a kábelhez... Ha már másolt lemezen adják a szoftvert akkor ezt is hozzárakhatták volna...
Persze, gyárilag adták hozzá. Mint az előbb írtam épp, megoldódott a problémám közben. Köszönöm a szándékod...
Sziasztok! Van egy régi Metex 3650-esem, amit sikerült kinyírnom egy nagyfesz impulzussal. Kicseréltem a 7106-os IC-t (szerencsére foglalatban volt), most úgy tűnik mindent mér rendesen, csak nem nullázza ki magát. Minden állásban az utolsó digit 8-9 értéken mozog. Tudna valaki megoldást rá? (Még annyit, hogy az eredeti IC 7106A volt, én meg csak "sima" 7106-ost találtam helyette.)
Sziasztok!
Kaptam egy használt multimétert, UNI-T M830B típusút, amely részben rossz. Szétszedve láttam, hogy el van benne égve 2 ellenállás, olyannyira, hogy a színezést sem lehet kideríteni. Kicserélném őket, viszont így nem tudom milyenek kellenének helyettük. Ha valakinek van ilyenje és megmondaná, vagy valaki tudna kapcsolási rajzot ehhez a készülékhez, azt megköszönném.
Heló!
A b tipusét megtalálod ebben a témában, ha a fényképező gép ikonra kattintassz, az alapét pedig mellékelem, ez nincs fent. Sok sikert a javításhoz
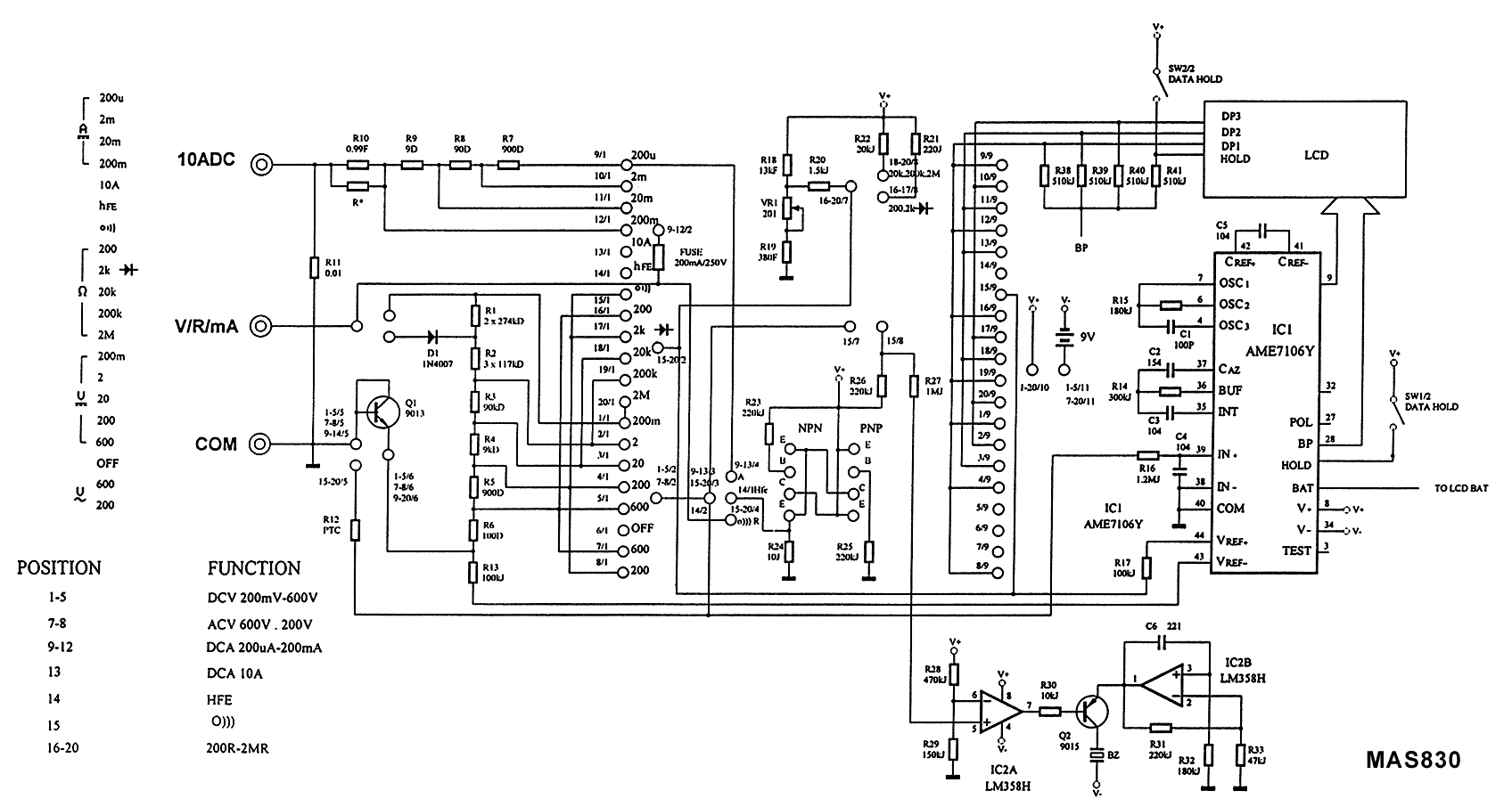
Most látom hogy a tied m830, elnézést ennek ez a rajza:
Nekem van róla leírásom (DT9201A,DT9202A, DT9203A, DT9204A, DT9205A, DT9205A+, DT9205L, DT5206M, DT9206A, DT9207A, DT9208A, DT9208A+, DT9208L, DT9208M) méréshatárok táblázattal.
Mivel nincs külön jelezve, hogy ez melyikre vonatkozik, gyanítom ez általános leírás és ezekre mint jó. Nekem DT5205A+ -hoz adták. Viszont a feszültség többet mutat a valóságtól, és váltózó instabil értéket a tartományban. 9V-os elemre (ami már merült így kb 8 V-os) kb 12V-ot jelez. 5 V-nál 6-7V-ot. (PICkit2clon tesztnél. MAS 830 jó értéket mutatot az 5V-ra.) 12V-nál11.72V Mas830al stabil, kb. 17V illetve felmegy 20V fölé, minnél tovább van rácsatlakozva, úgy emelkedik ingadozva. Mit kéne kicserélni? ---------- Keresek leírást Manual-t a SMA MAS 830-hoz, kapcs rajzot találtam, de ez nem kell, akinek viszont igen, annak itt a kép. Idézet: „Viszont a feszültség többet mutat a valóságtól, és váltózó instabil értéket a tartományban.” Hali! Az elemmel minden rendben? Mert a multiméterek többsége általában akkor csinálja ezt,amikor nincs meg neki a kellő tápfesz,ahogy merül az elem,annyival mutat többet a valós mért értéknél.
Szevasztok!
Nekem is sikerült, régi jó műszeremet Metex 3650CR, tönkre tenni. A nagyfeszültséget , sajnos nem bírta. Működik, de nem jó értékeket ad. DC 0,5V helyett 0,024V 1,6V helyett 0,65V stb. Dióda vizsgálatnál a kezdő érték 110 ről indul az OL helyett. Az R24 felirat melletti ellenálláson sérülés nyomok. Lehet ez a hibás? A helyén rámérve 2ohm az ells.
Köszi a választ igazad lehet.
Áttettem a telepet a "rossz" multiba és "csak" 3 tized eltérés van a kettő készülék mérése között.Viszont ezeket az elemeket nagyon nem értem. van az 'A' és a 'B' elem. illetve van a C elem amivel jól mér. Az 'A' elem 7.49V, míg a 'B' elem az 6.79V. A 'B'-vel mér a "rossz" multi rossz értéket túl magasat, az 'A' elemmel semmi. be sem kapcsol. Ugyan ez, így van a digitális személy mérlegemre hatással is a bekapcsolást illetően. Az alacsony feszültségű ellem jobb kapacitású mint a nagyobb feszültségű... A vagy mA-rt, nem tudtam mérni. Miért van, hogy kisebb gondolván nem elegendő feszültségű elemmel működik egy eszköz még ha nem is megfelelően, míg egy nagyobb feszültségűvel meg sehogy? A harmadik elem 10.5V-os |
Bejelentkezés
Hirdetés |




Piacon 1000-1500 Ft-ért megkapod. A védőtokot 2 perc után ki fogod dobni a szaga miatt, viszont összehasonlítva a Maxwell készülékemmel, meglepően pontosan mér ez is. A funkciói megfelelőek egy átlagos hobbistának, elég széles tartományok, kapacitásmérés is van.









Áttettem a telepet a "rossz" multiba és "csak" 3 tized eltérés van a kettő készülék mérése között.




