Fórum témák
» Több friss téma |
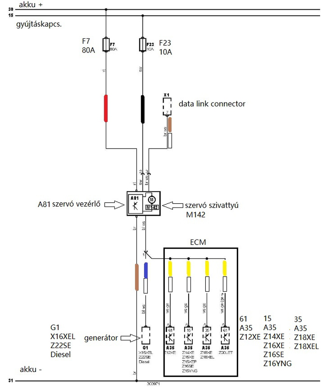
Van egy ilyen kapcs.rajz a rendszerhez, az egyszerűség kedvéért berajzoltam a kábelszíneket, meg a hiányzó feliratokat, a többi szerintem olvasható.
A hozzászólás módosítva: Jún 16, 2017
nzozz...
Köszönöm szépen a rajzot. Tehát leegyszerűsítve az ECM az az ( ECU ) A data link connektor-t nem tudom micsoda. Azt hiszem hogy te tökéletesen átlátod a hiba okát és megoldását, de valahogy még mindig nem értem teljesen. Talán a kapcsolást még megértem, de....Szóval ha megkérhetlek, akkor nekem...Paraszt nyelven leírnád? Köszönöm továbra is a türelmed, segítséged
Hát azért így látatlanban nem olyan egyszerű, egyenlőre nem tudnám rávágni, hogy "na ez és ez a baja". Hibakód van esetleg? (hibakód kiolvasás) Illetve ha jól értettem, akkor már egyszer a komplett kormányművet cserélted szervóval együtt?
Hibakód még nincs...Delhivel olvastam típus szerint de nem talált hibát...Csak az általános automata módban talált légzsák problémát magas ellenálás néven, bal oldali abs jeladó hibát..Semmi többet.Aku csere megtörtént, generátor ellenörzése megtörtént, gyujtás állapotában 12.7 v feszültség, járo motornál 14.4 v. Kormánymű és szervó motor cserélve.Szervó test kábele ellenőrizve, 12v ága ellenőrizve. Semmi változás. Hétfőn vagy kedden elviszem Baján a márkaszervízbe olvastatni, talán ott fény derül a problémára és az esetleges ECU hiba kódokra is.Más ötletem nincs.Talán még amit szóvá tehetnék, néha nehezen indul, mint ha lassan venné fel a fordulatot, de ez ritka hiba jelenség, ami ecu ra utalhat, és a fogyasztás talán talán picit magasabb..9l/100 km. Bár ezek a motorok ennyit is esznek ha a táblázat helyes. most már én is gyanakszom az ecu-ra. Ha az lenne...Mit ajánlanál nzozz? Felújítás?Ismét köszönöm nzozz
Az lenne a leggazdaságosabb, ha lenne egy kölcsön ECU, amivel ki lehetne deríteni, hogy tényleg ott van-e a probléma. Ha ez nem megoldható és más alkatrész egyértelmű hibája nem lett feltárva, akkor én valami ECU specialistára szavaznék, mert a diagnosztizálás és az esetleges javítás megfelelő eszközökkel történik és mondjuk egy teljes felújítás vagy csak egy célzott javítás esetén is szinte biztos, hogy nem jön vissza az adott hiba, míg egy bontott vezérlőnél ez közel sem biztos.
Ilyenkor mondjuk mindig eszembe jut a saját tapasztalatom, amit már párszor leírtam ide. A lényeg az volt, hogy szerelő a legnagyobb magabiztossággal mondta, hogy ez ECU csere/javítás, minimum 80 000Ft. Hát mondom magamban, mi lenne, ha előbb a fojtószelepet cserélném ki, egy bontottra, 10 000Ft -ért. És az én tippem jött be akkor. A régi darab megbontása után jól látható volt a hiba. De persze van, hogy tényleg az ECU a gond, többek közt, mert valami óriási elme a motorra rögzítette ezt az elektronikát... Sajnos tényleg nem tudok erre látatlanban valami valóban hasznosat mondani, pedig nagyon szeretnék . Az valószínű, hogy nem a szervó lesz a rossz, mert tudtommal a szivattyú egybe van építve a vezérlőjével és nem hiszem, hogy mindkettő ugyanúgy legyen rossz.Ha van még valami kérdés, azért írd meg nyugodtan.
Köszönöm szépen nzozz!
holnap elviszem egy márkaszervizbe kiolvastatni a dolgokat, és fényt deríteni hogy valójában mi a baj. Az hogy az ember próbálgat, cserélget alkatrészeket, nem biztos hogy előrébb jut. Az ECU beszerzése holnap megtörténik próba ereéig, klónoztatom és kiderül remélem. Ha valóban ECU lesz, rád hallgatok és javíttatom. minden féle képen tájékoztatlak. Egy észre vétel még...Reggel hidegen, első indításra tökéletesen működik...Melegen már más a helyzet. Valóban idióta megoldás az, hogy a motorra van felfogatva az ECU, talán azért csinálták hogy a szervizelés, marketing meglegyen ![]() Maradok tisztelettel
Szia Nzozz! Sziasztok...
Na ma megnézték hivatalos márka szervizben az ECU-t és semmi hiba nincs eltárolva benne. Innentől csak találgatni tudok csütörtökig. Csütörtökön egy szaki megnézi, aki valóban szaki. Talán a gerjesztő szál, vagy valahol valami zárlat, vagy talán egy relé ami vagy van, vagy nincs, vagy fesz szabályzó és generátor...Már csak az a kérdésem hogy a vezérlése ami nem az ecuban van, miért csinál olyat hogy gyújtáson dolgozik és ha úgy marad akkor bekeményedik. Van mikor rendesen, azonnal tökéletesen működik...Szóval nem értem, nem látom még át a dolgot, de amint kiderítjük, mindenképpen megosztom veletek. De az is lehet hogy mind a kettő szervó szivattyú hibás Persze aminek nagyon kicsi az esélye szerintem...De azért örülök hogy nem az ecu hülyesége....Nzozz ezek után neked esetleg valami tipped? Üdvözlettel és köszönettel
EGR szelepet ki látott már közelről? Van egy olyan gondom hogy ha leszerelem és finoman rázom a szelepet, akkor kotyog a mozgó rész benne. Menet közben hibát hoz rá az ECU, ami sokszor leállaítás újraindítás után el is tűnik. Nem tudom van e köze a kotyogásnak a hibához, tehát az út rázkódása mennyire befolyásolja a szelep működését. Olyan mintha nem zárna rendesen. Vagy a rezgés a pozíció detektorját megzavarná a szerkezetnek. Új EGR-ről van szó.
Nem bánom,hogy nem tudtam,hogy az a harmadik szál az EUC felé megy.Így a teljes lelki nyugalommal cseréltem szervoszivattyút.
![]() Az enyém egyszer csinált olyat a vacakolós pumpával,hogy a motor lefulladása után tovább szervózott. Ezt egyszer bírtam belőle kihozni.
Az EGR szelep, gyakorlatilag csak egy mágnestekercs, a mozgó rész, a szelep, ami össze van kapcsolva egy, nevezzük toló potméterrel.
Ha mozog, csörög, akkor valószínű hogy a rugó törött lehet benne.
Furcsa, mert új az EGR. Az autószerelő viszont motorvezérlőt akar velem cseréltetni.
Időközben le blindeltem az EGR-t 0400-as hibát hoz. Van még hiba 0170 persze kivillogtatva így 0170 és nem tudom most ez mi lenne: Tüzelőanyag korrekció (1.hengersor) És még egy furcsa dolog 1405 Driver power window down circuit short to battery. Most az utóbbit nem értem miért kavar be az ablak. Hibátlanul működik.
Opel Astra H nem indul alkalmadtán!
...,utánaolvastam hogy ez egyértelmüen COM2000 hiba-tipushiba..,meg hogy mennyi visszahivás volt.., meg hogy az Opel , a kapcsolóhiba javitására milyen "professzionális" javitókészletet agyalt ki..., Sajnos nem találom a forumtársamat aki, itt már reagált egyszer erre a témára , és csinált is egy javitást ezen a szörnyüségen.., vagy ha olvasná valaki , aki egy leszerelt COM2000 profi átforrasztására vállalkozna , akkor privátban örülnék jelentkezésének..,gondolom egy kábelköteg csere csak önmagában nem oldaná meg a problémát.
Nekem az Astrában elől - egy idő után - szép csendesen, de folyton "klattyogott" valami.
A lányom (aki mellettem szokott ülni) énfelőlem hallotta, én viszont meg őfelőle. A legvégén aztán a szervizben csak megkérdeztem, ugyan mi lehet az? Azt mondták rá - minden bizonnyal a szellőztető levegőirány-váltónak a zsalulapja törött el. Kiszedtem hát a kesztyűtartó, mert hogy az mögött van - és tényleg. Először csak megragasztottam a törött lapot, ámde később vettem bele egy új lapot. A kis motorját pedig átalakítottam, hogy soha többé ne törje el. Már vagy bő fél éve hibátlanul működik, de nemrég azt vettem észre - a külső-belső zsalu-állító gombnál mintha felcserélődtek volna a funkciók. Ahol ezeddig a belső keringetést jelezte (általában akkor világít a nyomógombja), most az lenne a "külső állás". S a belsőnél csaknem ugyanez a helyzet, de akkor meg megfordítva ... Holott én ott semmit se kötöttem el (no meg aztán - 2 szál drótban mit is lehetne?), és semmiféle huzalcsere nem történt. Lehetséges az, hogy már eleve gyárilag is fordítva járt az egész, ám én csupán sohasem vettem volna észre? Az elektromos csatlakozódugója pedig kissé alakos, azaz - nem úgy van ám, hogy csak simán megfordítom oszt jól van! Valójában véletlenül megfordítva dugni egyszerűen nem lehet! Bár a kép egy kissé homályos (elnézést érte) és le van törve a dugaljból a kihúzódást-gátló kis pöcök, de talán mégiscsak jól látható - egyféleképpen mehet bele az áramot adó dugó .... A hozzászólás módosítva: Jún 30, 2017
Sziasztok!
Megoldódott a szervó problémám...Ha vissza olvastok egy picit, az összes hibát leírtam. Viszont azt leírom még egyszer hogy történt kormánymű és szervó szivattyú ami nem oldotta meg a problémát. A generátor felől gyújtáson, nem járó motornál már ment a szervó...mikor meg nem, akkor járó motornál lassan könnyebbedett fel a kormányzás...Na a hiba oka, amit én nem sejtettem volna.Hát a GENERÁTOR! Még én is mértem, jó volt a töltése is. Na viszont a fesz-szabályzója szar volt, átengedett a gerjesztő szálon egy 1.5-18v os feszültséget. A másik hiba hogy...A forgó rész végén lévő szénkefe réz gyűrű elkopós volt. Kapott egy alig használt bosh 100A generátort, és megszűnt a hiba.Köszönöm szépen mindenkinek a segítséget, bízom benne hogy eme hiba forrása mások segítségére is lesz. Üdv mindenkinek
Kösz a visszajelzést.Tanulságos mindenkinek aki OPELt hajt.
Sziasztok!
Nekem van egy D-s Corsám, 2007.12 hó, 1.3 TD, 5 ajtós Úgy érzem,hogy valami nem stimmel a kuplungjával. Most még nem lehet túl nagy a hiba, mivel ezzel járok dolgozni. A lényeg az, hogy elég könnyen le tudom fullasztani (nem a bénaságom miatt). Ha emelkedőn kell megállnom (elég egy ici-pici emelkedő) onnan csak úgy tudok elindulni, ha kicsit csúsztatom a kuplungot. Olyan, mintha túl későn fogna a kuplung, de akkor hirtelen. Amikor felengedem lassan a kuplungot nem túl erősen húzza. Egyenes terepen el is tudok vele indulni gáz nélkül, de mégis olyan,mintha nem eléggé indítaná meg a kocsit, ahogy engedem fel és ugye közben adom a gázt. Fura, amit csinál....nem is nagyon tudom megfogalmazni. Volt már benzines Corsám, jártam dízel vectrával, egyik sem volt ilyen. Szerintem ezt meg sem lehetne kapartatni (NEM IS AKAROM). Esetleg valaki tudja, hogy ennek mihez van köze? Most még nem tudom elvinni szervizbe, mert az is sokba kerül, ha csak ránéznek. És félek attól, amit mondani fognak esetleg egy kuplungcserére. Csak nehogy másnak is baja legyen amiatt, hogy ezt így használom. Előre is köszönöm a segítséget!
Ha még a gyári kuplung van benne akkor lehet hogy már cserés. Szervizben biztos mondanának olyan 200e+ árat a javításra. Inkább valami jó szakihoz vidd el, a szervizesek nagy része szereti a népet lehúzni.
Fékfolyadékot nézd meg, abból dolgozik a kuplung munkahenger is. Lehet hogy levegős a kuplung munkahenger.
OPEL Astra ClassicII (2004 Z14XE) tip. gépkocsim középkonzol feletti óracsoport világítása egyre gyengébb, nappal napfényes időben szinte semmi sem látszik a kijelzőn. Pár hónapja szervizben kicserélték a háttérvilágítás 2 db. izzóját, valamit javult a helyzet, de meg sem közelíti az ujkori állapot fényességét. Mást nem tudtak tenni!
Amit megfigyeltem, amikor bekapcsolom a helyzetjelzőt az óracsoport világítása majdnem felére csökken, további plusz kapcsolások esetén (tompitott / fényszóró) a világítás mértéke már nem csökken, marad az a helyzet, amikor csak a helyzetjelző van felkapcsolva. Teljes mindegy, hogy álló, vagy járó motorműködés van a világítás bekapcsolásakor. Kizárom az égők hibáját, mivel ugyanez a helyzet a sebességmutató óra alatt lévő km. számláló világításával is, annak is egyidejüleg felére csökken a fényereje. Van egy elképzelésem, hogy abban az áramkörben lehet a hiba, amely ezeket a megvilágítást szolgáló izzókat látja el. De mi lehet az?
Szia!
A fényszórók bekapcsolásakor azért csökken a fény mert úgy lett kitalálva hogy a fényszórókat akkor kapcsolja fel az ember ha sötét van, tehát azért csökken a fény hogy ne vakítson menet közben. Egy ha jól emlékszem 10 ohm-os ellenállás kapcsolnak ilyenkor az izzók elé, ezért csökken a fénye. Nekem sokszor baj volt vele (1999-es Astra F) teljesen elsötétedett mikor fényszórókat kapcsoltam, azért volt mert az ellenállás lába el volt törve. Neked is az ellenállást kéne megnézni, cserélni.
Csak azt nem értem, hogy akkor miért van lehetőség még külön is szabályozni a fényerőt, ha a rendszer automatikusan ezt megteszi. Jól értelmezem, akkor nálam is kontakthiba lehet, tehát nincs a rendszerben, ha bent van, az ellenállás értéke változott meg? Ha nem akarom, hogy a fényszóró bekapcsolásakor a fényerő automatikusan lecsökkenjen, mit kell tennem az ellenállással, pl. átkötni?
Igen szerintem megváltozott az ellenállás értéke. Ha áthidalod akkor maximum lesz a fényerő mindig.
Merre, hol találom ezt az ellenállást, átkötöm, nekem nappal legyen jó világos a kijelző, este a fényerőgomb állításával majd leveszem a fényerőt.
Nekem a panelen volt rajta kb 3w-os ellenállás. De az enyémen nem lehet fényerőt állítani mert régebbi tipus.
Köszi a választ, legalább megmondhatom az autovill. szerelőnek, hogy mit csináljon.
Visszatérnék a témára. Nem valahol máshol lehet az a korlátozó ellenállás, pl. a kapcsoló közelében, mivel a fényerő csökkenése egyidejüleg a dátum (és C°) paneltól jóval távolabb lévő, a sebességmérő óra alatti km. számláló fényerőnél is jelentkezik?
Szia! ITT találsz kapcsolási rajzokat. A probléma talán a világítás kapcsolónál lehet ahonnan a műszer egység világítása is kapja a 12V-t. Ott szokott lenni a kontakt hiba, mert a saruk kimelegednek és a kapcsoló deformálódik és az érintkezők nem zárnak rendesen.
(gondolom nappali menetfény és fényerő szabályzás nincs) óraegység A hozzászólás módosítva: Júl 17, 2017
|
Bejelentkezés
Hirdetés |





. Az valószínű, hogy nem a szervó lesz a rossz, mert tudtommal a szivattyú egybe van építve a vezérlőjével és nem hiszem, hogy mindkettő ugyanúgy legyen rossz.

(gondolom nappali menetfény és fényerő szabályzás nincs) 