Fórum témák
» Több friss téma |
Fórum » PC táp átalakítás
Huhh, nagyon köszi, ez jóó leírás
De velem vannak bajok pl nem AT-s a tápom, hanem ATX-es, de ez nem túl nagy különbség, ahogy nézegettem. Az IC-m viszont nem 494-es, hanem nem tudom milyen, mert sok minden rá van írva, de neten semit nem találtam hozzá. 2003 iffgcr0233e ez van az IC-men, ez úgy működhet, mint a leírásban szereplő 494-es? És még olyan kérdésem lenne, hogy honnan tudom megállapítani, hogy melyik ellenállás, vagy ellenállások tartoznak a feszültségosztó felső vagy alsó tagjához?Előre is nagyon köszi a segítséget!
Keresned kell egy olyan ellenállás párost, amik egymással sorba vannak kötve. Így az egyik végük az 5V-on van, másik vége pedig a földön. A kettő ahol találkozik (tehát a sorbakötött ellenállások kapcsolódási pontja) ott pedig el van vezetve a jel az IC-be. Na és akkor vagy az alsót, vagy a felsőt kell módosítanod.
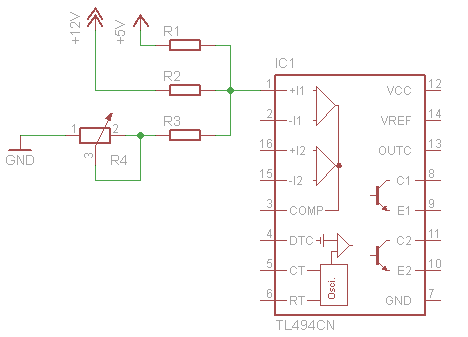
Annyit tudok segíteni hogy felteszem egy nagyjából hasonló rajzát. Nekem mercury táphoz kellett és nagyon hasonló. Viszont rossz hír hogy egyenlőre úgy néz ki közvetlenül megy az ic-be az érzékelés, ráadásul három ágon is ...
Köszi a válaszokat! Közben felvettem a kapcsolatot Amartonnal, a fent belinkelt cikk írójával. Tök jó fej, segít ha elakadok
Már valameddig eljutottam a táp építésben, eddig minden ok. Köszi még egyszer!
Én is , csak jót tudok irni Amartonról
Szeretném megkérdezní tőletek pc tápból lúgos akku bank(4x1.2v)töltését meg lehet-e oldaní?Az 5v megfelel csak a 18A kevés de töltöm még ennyít sem tud(11A).A kérdésem tehát mennyíre stabil ez a tipúsú töltés és melyík vezetékre van szükségem.Válaszokat elöre is köszönöm!
Üdv Mokuli
A pc Táp sokk dologra jó (de mivel több amper kell ) így nem biztos ,hogy elég .A töltéshez legalább 7V kell De lehet akár 20V-is -De stabil töltőáram kell (constans)!!! Lugos Akkunál nehéz megállapítani a töltés végét. Az akkud ? A/h 300-500 A/h-ás vagy mekkora?? Üdv fater0827
Üdv
2 pakk 4 cellával pakkonként,55ah cellafeszültség.Tudom hogy nem optimális a pc táp de jobb mint a töltöm(12v 11A) most ezzel töltöttem fel.Vettem akkus könyvet is elég jól leirja a dolgokat,de a töltö húzós lenne biztos igy be érem egy pc táppal is .
Hello!
Kérdésem a következő lenne: Adott egy rossz táp, nem tudom, mi baja lehet, semmire nem reagál. Ez a táp egy fekvő Compaq gép tápja. Mivel sehol sem találok ilyen tápot, megpróbálok csinálni egyet, egy ATX tápból. A lényeg: 14 PIN-es a Compaq táp alaplapi csatlakozója, és kell a 4 lábas 2sárga 2fekete alaplapi csati is. A normál ATX 20 PIN-es, ebből kéne kimazsolázni a kellő szálakat. A neten megtaláltam a bekötési rajzot, de nem egyértelmű néhány szál, ehhez kéne nekem segítség, remélem sikerül. Mellékletbe raktam a 2 táp pinjeit. Ami kérdéses a compaq csatin: 3 fan off special pin 4 pwr on standby 5 +5V aux 6 fan cmd special pin 9 +3,3V aux Melyik szál lehet a megfelelő ezekhez az ATX tápon? Köszi Gábor
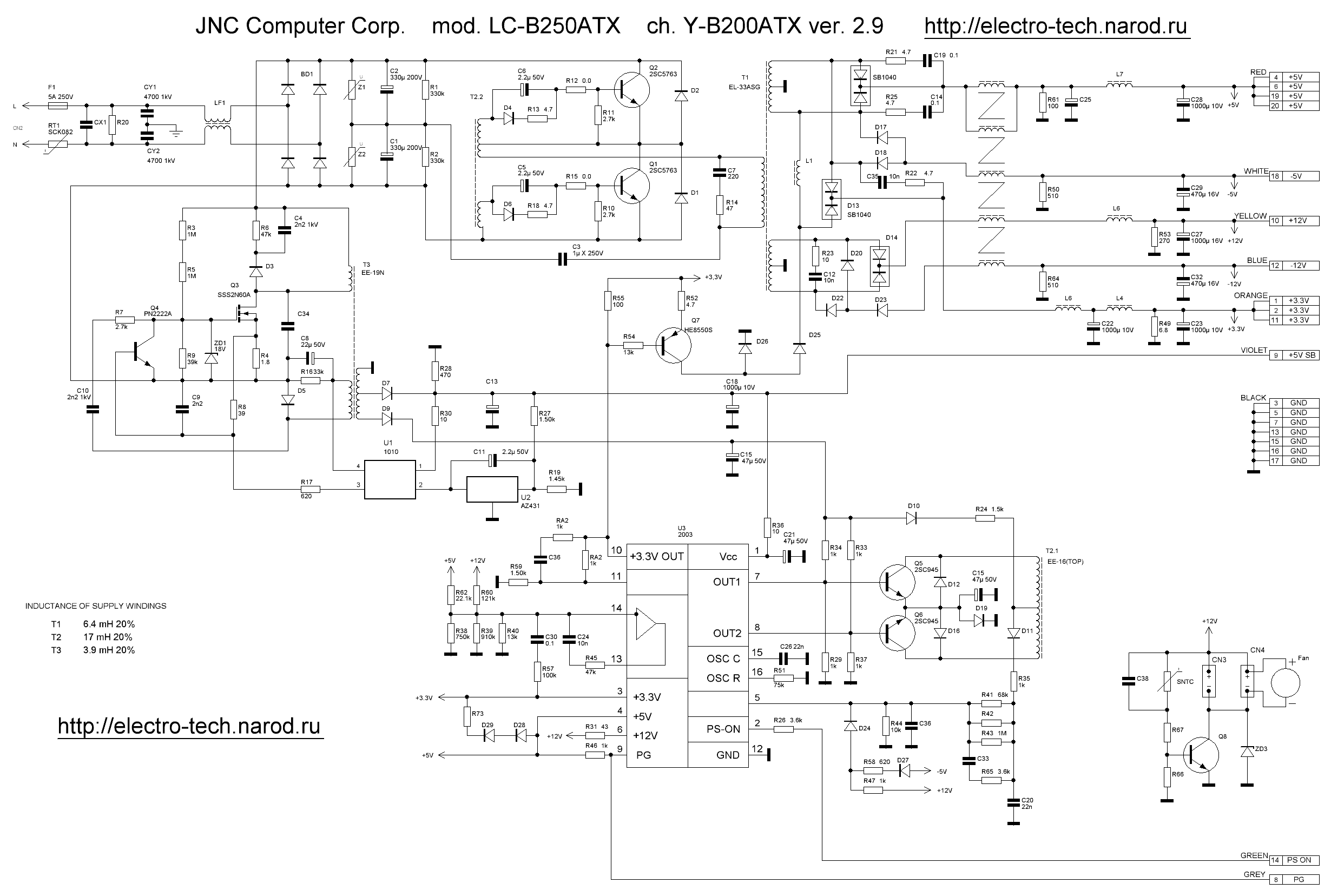
Sziasztok! Van egy Mercury 400W-os PC tápom (KOB AP4400XA). Szeretném átalakítani labortáppá, ami nem is okozna gondot, nem ez lenne az első, viszont csak egy IC-t találtam benne, amiről viszont nem találok semmi dokumentációt. Ebben kérném segítségetek. Az IC 16 lábú, ráírva a következő. Felül nagyobb számmal 2003, alatta BA200030452H. Elvileg ezeknek a tápoknak a lelke egy TL494-es IC szokott lenni, vagy annak vmilyen "klón"-ja. Lehet, hogy a fenti IC is az? Sajnos nincs jó fényképezőgépem, ezért értelemes fotót nem tudok linkelni.
Bár valszeg bezárja vagy összevonja valamely moderátor a témát, de itt egy rajz ami nagyon hasonló, és amit már feltettem korábban ...
Bővebben: Link Áthelyezés miatt, utólagos engedelmeddel, a szöveget picit módosítottam, illetve melléklet helyett linkeltem. -- kobold
Sziasztok!
Jelenleg én is ilyen labortáp építésével foglalkozom a cikk alapján. Problémám az lenne, hogy a feszültség 3V eltér a negatív és pozitív ágban, és nem lehet 0-ra állítani a feszültséget. (A minimum pozitív 6V, maximum negatív -3V) Mit szúrhatok el?
Sziasztok,egy elszórt,elrakott
20 A ,táp kapcsolási rajzát keresem,erről az old.-ról,töltöttemle úgy 2-éve,egy rádióamatőr tette fől,ismét szeretnénk legyártani,és sehol nem találom,sem itt,sem pedig a dolgaim között ,az a tiszteletteljes kérdésem hogyan bukkanhtnék rá itt az oldalon vagy hogy mikor "hullanak "ki a rendszerből a linkek ha "kihullanak"-hogy nekeressem feleslegesen,minden segitséget előre is köszönök Józsi
Nem lehet, hogy a negatív ág egyenirányítása csak 1 utas...? Esetleg nagyobb puffer(ek) lehet(nek) a negatív gápágban? Vagy a folytótekercs nagyobb induktivitású ott? Avagy (azon a sárga toroidon a) negatív ághoz tartozó tekercs kevesebb menetszámú?
De ha már nem figyelmetlenség, hanem elszúrás: A negatív oldalról levetted a ventilátort? És biztos, hogy a trafónak megfelelő pontjaira tetted a diódák anódjait? Hát ezeket érdemes átnézni első körben.
Hello.Csak részbe átalakítás mivel eltér a felhasználása az eredetiről de inkább ide mint az erősítőhöz
![]() Szóval akarok venni egy ATX tápot amiről különböző dolgok lesznek hajtva.Hogyan indítható?A PS ON és a test között kapcsolatot részesíteni egy pillanatra és elindul vagy A PS ON folyamatoson a testen kell legyen hogy menjen?
Szia!
Folyamatosan. De miért nem próbálod ki?
Mert még csak megrendeltem de még nem jött meg
![]() Köszi. Akkor egy 2állású kapcsoló fogja megoldani a kérdést.
2003 vagy 2005 nevű ic-vel rendelkező tápot alakított-e már át valaki? (Én most vagyok épp benne nyakig de addig fel sem teszem a kérdést míg nem találok valakit aki már szintén megjárta a tapasztalás rögös útját...)
Az esetleges érdeklődő aspiránsok addig nézegessék a korábban mellékelt rajzot mely a mercury tápokkal nagy hasonlóságot mutat.
Sziasztok!
Találtam itthon egy jó kis 200 W-os AT tápegységet, gondoltam elkezdem megbütykölni labortápnak a cikk alapján. A gondom az, hogy bolond fejjel nem próbáltam ki, még működik-e mielőtt hozzányúltam volna. Anno működött, még egy P1-es gépben volt, csak ugye az már nem volt bekapcsolva kb. 7-8 éve. Jelenség a következő: bekapcsolás után egy pillanatra van 12 V, a ventilátor is felpörög, de rögtön leesik a fesz 1-2 V-ra, és érdekes ciripelő-búgó-zúgó hangot ad ki. Ez nem változott azután sem, hogy minden kiszedett alkatrészt visszaraktam bele és jópárszor átvizsgáltam az egész nyákot hiba, avagy hibás alkatrész után. A gyári állapothoz képest annyi a változás, hogy a vezetékeket már nem forrasztottam vissza. A hang alapján egyébként kondira gondolnék, de nem tudom, melyik meghibásodása/kiszáradása okozhat ilyen tüneteket. Előre is kösz az ötleteket!
Hali!
sok régi at táp terhelés nélkül nem indult el, próbáld ki
A secunder oldalon levő pufferek is okozhatják, egy ATX táp nekem ettől gyógyult meg .Alakítsad át a secundert úgy ahogy kell , és ha nem jó biztosan megoldjuk. Low esr kondi kell!
@pipi: Egy dvd írót rálöktem, továbbra sem reagál
@ptesza: Ma megveszem a megfelelő kondikat, potikat és este kötöm is be...azután majd jelentkezem, hogy feléledt-e
Egy DVD iro nem elegendo terheles, onmagaban szinte semmit nem fogyaszt. Pipi-nek igaza van, az egeszen regi AT-s tapok nem indulnak el uresen. Akkoriban minimum egy wincsi kellett (jo "kis" MFM, 8-10MB!), hogy elinduljon.
Reggel csak egy DVD író volt kéznél, de most rádugtam 2 régi vinyót, azokat, amik a saját gépében voltak a tápnak anno, de ugyanaz a jelenség....kicserélem a kondikat és meglátjuk mi sül vagy nem sül ki belőle
Kicseréltem a szekunder puffereket, de továbbra is csak sípol, nyekereg, semmi változás.
Lehet nem szenvedek vele, inkább előveszek egy másik tápot, bár az csak 120 W-os, ez pedig 200 volt.
No az a másik táp pedig egy Compaq ATX táp, ráadásul a pson-com összekötésre nem reagál, bár alaplapra dugva elindul. Csak nem tudom, akkor az elülső gomb mit kapcsol...lehet visszatérek mégis az előzőhöz, további kondik vizsgálatával. ejj-ejj...
Jajj, jajjj mea culpa! Egy ellenállást nem forrasztottam vissza amit korábban kivettem. Ezt pótolva azonnal beindul a tápegység, terhelés nélkül is! Öröm, boldogság
![]() Illetve még sem teljesen. Ugyanis az ellenállás amit eltávolítottam, a TL494-es 1-es lábára megy, azaz A cikk szerint az a visszajelzés, a feszültség szabályozásához az eredeti 5 V figyeléséből át kell kötni a 12 V-os kimenetre. Azonban nekem mindkettőre rá van kötve (R1, R2). Az osztó másik oldalán pedig van egy ellenállás (R3) és egy vele sorba kötött 0-860 ohmos trimmer poti. Ezt tekergetve változik a kimenő feszültség (a cikk szerint ide kell egy 47k-s poti, hogy beállíthassuk a 20 V kimenőt) kb. 10,4-11,8 V ill. 5,0-5,30 V között. Namármost a kiforrasztott ellenállás, ami a galibát okozta, az az 5 V-os visszacsatoló ellenállás. Hol a hiba a rendszerben? Mit kellene tennem, hogyha én csak a majdani 20 V-ig állítható kimenetet szeretném használni, az 5 V-osat nem?
Ha kikötöd az 5 voltos ágat, át kell méretezni az osztót szerintem...
Legalábbis eddigi tapasztalataim szerint az 5 volt figyelése az erősebb (áramú feszosztó) így ha kiiktatod az ellenállást, jelentősen megváltoznak az "erőviszonyok".
Igen, megtettem, most már működik a feszültség állítás.
A cicergő hang pedig a túlterhelés védelem miatt volt. Azonban most továbbmentem, hogy a 2-es lábon elhelyezett potméterrel állítsam a feszültséget, mikor mindent bekötöttem, sikerült lecsapnom a biztosítékot.... Azt hiszem mára abbahagyom, késő van. Holnap tiszta fejjel folytatás. Köszönet mindenkinek az eddigi segítségért!
Nos, tegnap ismét megtapasztaltam miért nem szabad fáradtan dolgozni: azért pukkant bekapcsoláskor, mert a hálózati feszt sikerült rossz csatlakozóba dugnom, konkrétan a 110/220 választókapcsoló helyére. Na ezt nem szerette, primer oldalon ki is ment két védődióda. Ezeket ma kicseréltem, más hibát nem láttam. Bekötöttem az 50kohm-os potmétert a vezérlő 2-es lábára, 5 V-os feszültségosztó gyanánt. Bekapcsolva azonban ismét csak a jól ismert ciripelő hang fogadott. Bármerre is állítottam az osztókat, nem működött. Ez ugye utalhatna túlterhelésre. Találtam egy forrpontot, ahol a cin átlógott a gnd részre, bár egy minden oldalról kikötött rész volt, kiszedtem körülötte az alkatrészeket. Mégis a hibát kijavítva, bekapcsoltam a tápot, és ismét pukkant.
Ami kormosat találtam, az most egy ellenállás volt, szemre egy híd egyik tagja, értékre 2,2 ohm. Kicseréltem a vele átellenben ülőt is, hogy biztosan egyformák legyenek, ám bekapcsoláskor ismét gebasz...a kismegszakító ugyan nem oldott le, de füst+fény az ellenállások irányából... tehát reakcióidőn belül le is kapcsoltam. Kezdem unni, hogy nincs egy kapcsolási rajzom ehhez a táphoz ![]() És akkor két sztárfotó |
Bejelentkezés
Hirdetés |




De velem vannak bajok
20 A ,táp kapcsolási rajzát keresem,erről az old.-ról,töltöttemle úgy 2-éve,egy rádióamatőr tette fől,ismét szeretnénk legyártani,és sehol nem találom,sem itt,sem pedig a dolgaim között
,az a tiszteletteljes kérdésem hogyan bukkanhtnék rá itt az oldalon vagy hogy mikor "hullanak "ki a rendszerből a linkek ha "kihullanak"-hogy nekeressem feleslegesen,minden segitséget előre is köszönök Józsi









