Fórum témák
» Több friss téma |
Fórum » PIC - Miértek, hogyanok haladóknak
Valamiert nem tudja felprogramozni a PIC-edet.
Pl. PICkit2 nincs bekalibralva es nincs meg a szukseges feszultseg szint a Vdd es/vagy a Vpp agakon. Vagy a programozo kabeled/adaptered nem megfelelo es tul nagy impednanciaja van. Vagy az aramkoroddl van valami pl nincs mindenhol ott a Vdd ahol kellene, nincs meg vagy nem megfelelo a kicsatolas, MCLR-nel van valami es meg vagy 1000 masik hiba lehetoseg. Egy apcs rajz nem artana ha nem csak talalgatast varsz tolunk Es nehany meres sem, hogy milyen fesz szintek vannak programozas kozben.
Szerintem Vdd! A panelon már volt PIC csere, és közbe lejött egy 100 n-s smd kondi az IC mellől. Elképzelhető, hogy ez hiányzik...
Akkor a kicsatolas volt a gond -- ime egy ujabb bizonyitek a ketelkedoknek miert kellenek azok a nyamvadt keramiak
üdv
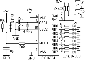
egy port kiezetéseire ráraktam egy ledsort, azzal mindenfélét művelek, lényegtele a lényeg, hogy rákapcsolom a tápfeszültséget elindul a fényjáték majd kifagy megáll, de ha megérintem kézzel a földet, akkor folytatódik a játék tovább miért van ez? üdv béci
PGM és MCLR lábakkal illetve LVP és MCLR konfig bitekkel mi a helyzet?
Sziasztok!
Ma megérkezett a PIC16F877-20/P. Sajnos ezzel sem megy. Mag a PIC sem működik. Beletettem a következő kis programot:
de sajnos egy ledet téve a GND és a PORTB bármelyik lábára nem ég a led. A kapcsolást kiegészítettem egy 100 nF - os kondival közvetlenül a PIC mellé téve. Mellékelem a kapcsolást is. Szerintetek mi lehet a gond?
20MHz-es kvarc van mellette? Mert ahhoz HS oszcillátor kell.
Igen 20 MHz - es van benne. Átírtam az oszcit HS - re. Úgy sem jó.
Írtam már progit 877 - re. Én az MCLR lábra mást tettem de mindent úgy csináltam mint a kapcsoláson van. Hogy még ez a kis egyszerű progi sem megy? Rejtély.
En nem latom, hogy a configban le lenne tiltva az az MCLR? Amugy mit tettel oda, hogy kototted be ess hogy programozod az eszkozod?
Masik: Nem tudom hogy milyen kristalyod van, hogy berezeg-e, de pl en jatszanek azokkal a kndikkal -- 10pF nekem kevesnek tunik, de hat ez a kristalytol fugg.
Mindent úgy csináltam ahogy a rajzon van. Az MCLR láb Vcc - re van húzva egy 22K ellenálláson át és a föld meg a MCLR közzé egy 2nF2 kondi van téve. ICSP - n keresztül programozom de nélküle is tudom (átteszem a PIC -et a programozó foglalatába.). Nem 10pF -ot tettem az oszcillátorra hanem 15pF - ot. Az oszcira egyébként "YIC20.000E9" van írva.
Az oszcillátort egyébként nemrég vetten, vadi új. Honnan tudom hogy egyáltalán rezeg e?
Oszcilloszkopod nincs?
Probald meg kicserelni egy akarmilyen mas kristalyra, (configot igazitsd hozza) es teszteld a LED kigyujtos programmal.
Kicseréltem 4 MHz - esre. Így sem ok. Mondjuk én az MCLR lábat nem így szoktam bekötni. Én a rajz szerint szoktam. Nem azzal van valahogy a gond? Bár ha a szerzőnek működik akkor már nem tudom
az mclr egy 10k son keresztül a tápra van kötbe a többi lóga a levegőbe
Sziasztok!
Első komolyabb PIC+USB-s projektemet szeretném megosztani veletek, hátha találtok benne hibát. A kapcsolás azt hiszem adja magát, van egy 18f2550, 20 MHz-en ketyeg. Ehhez jön két i2c buszos eszköz, egy 512kbites EEPROM, és egy RTC. A memóriában strutúrákban elmentve időpontok, amiket ha elér az óra, ki illetve bekapcsolja az egyik relét. A másik kettőt az A portra kötött NTC hőellenállások alapján mért értékek szerint ki illetve bekapcsolják. Mindezt megfejelve egy 162B LCD-vel, meg egy 3gombos vezérlővel. USB-n keresztül pedig egy CDC RS232-n keresztül lehet irkálni az EEPROM-ba, illetve onnét kiolvasni elmentett hőmérséklet-dátum struktúrákat. Az egész kap egy saját tápot, +5, +12, GND formában. Ja, és természetesen egy ICD header, a programozáshoz. Tudom, hogy meg lehetne oldani BootLoaderrel is, de arra már lusta vagyok... Ha gondoljátok, a tápot is feldobom... Előre is kösz a segítséget! Ja, a program hozzá ccs-ben készül... Nem tudtam hova tenni a kérdést, ha gond, átrakom másik topicba.
Szia!
Néhány megjegyzésem lenne: - A 18F2550 -ben van MSSI modul, a soros órajel és adat az RB0 és RB1 portokon érhető el. Innen lenne célszerű az I2C EEPromot és az RTC-t kezelni. - Az LCD háttérvilágításához egy áramkorlátozó ellenállás kell. - A kontraszt beállításához egy 10k potenciómétert tegyél a VDD és VSS közé, a csúszkáról vedd le a VC feszültségét. - A relé kapcsoló fet-ek gate elektródáját célszerű lenne a föld felé egy ellenállással lehúzni, hogy kontroller nélküli méréseknél is le legyenek zárva. Szia
Nagyon szépen köszönöm a gyors választ, az apróságok kijavítás alatt.
Az I2C-t abból a megfontolásból raktam az UART helyére, mert a B-t elfoglalta az LCD. CCS C meg megcsinálja hozzá a rutinokat. Szívem szerint a Hardware-es megoldást választanám, de elfogyott mind a 28 láb... A többi akkor rendben van? Üdv: HA3FJF
Inkább az LCD-t csinálja szoftverből szerintem, és az I2C meg menjen hardveresen. Bár végülis mindegy, az idő nagy részében a kontroller úgyis unatkozni fog.
Az órajel 20MHz-es quartz, PLL5-tel, 96 MHz-en lesz ideje gondolkodni... Törtem én is magam rajta egy darabig, hogy hova rakjam, de ennél jobb ötletem tényleg nem volt...
Az csak 48MHz lehet, 96-ot nem tud a 18F2550. De ez se csak a PLL5-ön múlik, van ott még néhány osztásra lehetőség, azért azokat nézd meg. Mondjuk erre a feladatra - ha jól értem a feladatot - akkor akár a legalacsonyabb órajel is elég lenne, amin ez a PIC tud USB használata mellett futni, és még akkor se fogná le az LCD vagy az I2C kezelése.
Öööö, ahogy mondod
Még így is bőven marad tartalék...De egyébként rendben van az áramkör?Esetleg a nyáktervre egy kontroll? Bizonytalan vagyok, breadboardon próbálgattam a dolgokat, működtek, bár olykor csinált furcsát az USB. Jó éjt!
Ha valaki azt írná, hogy rendben, akkor elhinnéd és megnyugodnál? (Elsőre sokszor még a gyártók sem tudnak megoldani tökéletesen mindent, lásd átkötések stb. aztán kiforrja magát. Lehet, hogy legalább 2-3 nyákot kell építs. Ez van!)
Természetesen nyugodtabban állnék neki panelt tervezni...Ha meg elsőre nem sikerül, legalább tudni fogom, hogy legközelebb hogy ne csináljam...
Szia!
Ha egy porton kimeneteid és az I2C szoftveres megoldásához használt vonalaid együtt vannak, akkor a portnál un. RMW (read - modify - write) problémád lesz. Az I2C vonalak időnként bemenetek. A pic esetében a TRIS regiszter állításával érik el. Ha egy ilyen esetben (valamelyik I2C vonal bemenet) a pic egy olyan utasítást hajt végre, amelyik módosítja a PORT értékét (bsf, bcf, stb..), elrontja az I2C vonalnál beállított értéket. A megoldás ilyenkor, hogy a PORT regiszter helyett, annak RAM beli másolatán végezzük el az összes műveletet és az eredményt másoljuk a PORT regiszterbe. Mindenképen biztosítani kell, hogy a kópia és a port értéke mindenkor megegyezzen. (A másolás alatt a megszakítás tiltása...) Szia Idézet: „Természetesen nyugodtabban állnék neki panelt tervezni...Ha meg elsőre nem sikerül, legalább tudni fogom, hogy legközelebb hogy ne csináljam...” En szerintem nincs abban semmi rossz, ha kerdezel ![]() De amugy nem kell rogton panelt tervezni, nagyon sokszor eleg a dugdosos prototipus lapra dolgozni is, es kesobb ha mukodik az eremkor nyugodtan meg lehet epiteni ilyen egyedi darabokat "pottyos" vagy "csikos" proba panelre is... Ha ott jon ki, hogy valamin valtoztatni kell altalaban meg akkor is eleg konnyu megoldani a valtoztatasokat, atkoteseket, uj alkatreszeket stb.
A dugdosós prototípuskészítés megvolt részletekben, az USB néha furcsán is viselkedett, a próbapanelos megoldás meg nekem nem szimpatikus. A vasalt panel meg (ha sikerül), egész jó minőséget ad. Ha minden jól megy, működik az áramkör, lehet, kell csinálnom belőle 5-10-et, úgyhogy majdnem sorozatgyártás lesz a vége. Most sajnos nem tudok vele foglalkozni, de ha végzek a melóval, folytatása következik.
Ha azt nézem, hogy egy nap alatt beültetve kész egy vasalt panel, akkor ha nekiálltál volna, már tudnád, mit kell másképpen csinálni, ha nem menne.
(Mivel közölted, hogy a próbapanel szerinted nem alkalmas a feladara, holott csak az alkamas igazán egy ilyen helyzetben! ) A sok beszéd megöli a munkát! Egyébként az áramköri kérdések sorozata nem is PIC kérdéskör, de ezt csak magamban mondom...
Ismét elővettem a PIC-ezős próbapanelom, de már sokmindent elfelejtettem
16F877-tel játszadozok és abban kérnék segítséget hogy az A/D átalakító segítségével (Poti) hogyan tudnék egy másik analóg kimeneten fesz. szintet beállítani. Pl. poti 20%-ánál 1V- van a kimeneten, 80%-ánál 4V. Remélem érthető. Vagy vegyem elő az adatlapot? |
Bejelentkezés
Hirdetés |




Es nehany meres sem, hogy milyen fesz szintek vannak programozas kozben. 

(Mivel közölted, hogy a próbapanel szerinted nem alkalmas a feladara, holott csak az alkamas igazán egy ilyen helyzetben! ) A sok beszéd megöli a munkát!
16F877-tel játszadozok és abban kérnék segítséget hogy az A/D átalakító segítségével (Poti) hogyan tudnék egy másik analóg kimeneten fesz. szintet beállítani. Pl. poti 20%-ánál 1V- van a kimeneten, 80%-ánál 4V. Remélem érthető. Vagy vegyem elő az adatlapot?





