Fórum témák
» Több friss téma |
Fórum » Rádió adó építése
Mivel az FM sztereó módhoz mindenképp 38kHz szükséges, nem tudod mással kiváltani. Nem lesz jó. Nameg egy ekkora költségszintű kapcsolásba nemhiszem hogy ennyire nem érne rá várni. Lehet venni az biztos, max várni kell rá. Nekem van egy kitből épített ilyen adóm.
Működik. Bár sokra nem használható, majd rájössz. Sztem autóba cd layert vagy mp3 playert illeszteni rádióhoz ok, többi kihúzva. Pár méterig megy el.
Köszi a válaszod!
pont kocsiba kell hogy a rádión halgathassak zenét. hoszzú útra indulok, és már nincs egy hetem sem indulásig. A kristályt valószínűleg tényleg nem fogom tudni addig beszerezni, viszont zenenélkül borzadáj lenne az utazás. a kocsiban Cd-s rádió van és nem variálhatom át, mivel kölcsön autó. Azt nem tudod véletlenül, hogy ha kristály nélkül használom, hogy esetleg megy e monoban?? Az is jó lenne.
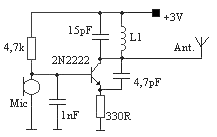
Itt egy kis FM ado...
Volt egy sztereo koderes valtozata is de az komplikalt,le is toroltem
sziasztok!:
szeretnék építeni egy rádióadót. az a lényeg hogy könnyű legyen megépíteni kb 104.5 fm sávban lehessen vele sugározni és kb 3 km es távolságba elvigyen akinek van kapcsolási rajza kérem küldje el vagy segítsenek előre is köszönöm! :nezze:
Hello, a népszerű Veronika biztos tetszeni fog!
Lehet valahol kit-ben rendelni itthon ilyet? Mert nem vagyok benne biztos, hogy a tekercseket ha én készítem el, akkor az pont olyan érték lesz, mint ami a kapcsolásba kell. A másik meg az, hogy az 5W-os változatról azt olvastam, hogy a végtranyó nehezen beszerezhető és dárga is. Az 1W-os kb mekkora hatótávú? Néztem ezt a 3W-osat is, megépítette valaki? Mennyire lehet az korrekt kapcsolás?
Nekem van 1W-os meg 5W-os modellem is itthon. Magyarországon nem fogsz kitet rendelni, nomeg a tekercseket akkor is neked kell megcsinálni (!). Húúú de bonyolult, asszem hatos körre ilyen 4-5 menetek. Csak egyformák legyenek. Az 1W-os is jópár utcát átszól. Nem a W, hanem az antenna a lényeg (sztem). Nomeg ugye ha véletlenül zavarsz valakit a nagytesóval, akkor van esélyed ejnyebejnyére az illetékesektől.
Sziasztok!
Vennék egy vezeték nélküli mini kamerám amelynek a hatótávja elméletileg 30-100 m ! A kérdésem,hogy meglehet-e növelni úgy 2,3 szorosára ha igen mikép? Előre is köszönöm! kép melékelve
Szia!
Kell a vevőre egy antennát szerelni, vagy akár egy erősítőt. Hol vetted ezt és mennyiér?
Itt rendelhető 11990 ft
A vevőre lehet kűlső antennát csatlakoztatn ez biztos! Ja 2,4 Ghz-en működik!
Annyiér nem kell.
Ha kötsz rá egy sima vezetéket, vagy dipólantennát, az is sokat javíthat.
Sziasztok. Most építettem egy URH oszcillátort, beépítettem fémdobozba összeforrasztottam a fémház oldalait a földponttal, és 18 V ról járatom. aA modulációt egy Cd lejátszó adja, a ,,primitív frekvenciamoduláció" szerint a hanglöket a Kollettor Bázis körben levő 560 pF os kondival párhuzamosan van bekötve.
Az lenne a kérdésem hogy egy egyszerű oszcillátort ki lehet e úgy képezni hogy frekvenciastabil legyen? Ugyanis mikor járatom a kis URH adomat csak a csavargatos rádioval tudom behzni, a digitális tunerrel nem, azért mert a rezonancia freki pont két tized MHZ közé esik, így sokszor torz a digi vevőn a zene ráadásul sokszor teljesen el is hangolodik az egész adás. Szerintetek egy Kvarcoszcillátor segítene, hogy a szintézeres tuneron is stabilan lehessen venni az adót?
Szeretnék vásárolni (mert építeni nincs lehetőségem) egy adót!
Amit szeretném ha tudna: - FM 87.5 - 107.9 freki beállítás - Stereo - RDS (amennyiben lehet) - hatótáv: max. 50 - 100 méter Ha valaki tud, kérem segítsen!
Hello!
Nézd meg az alábbi lapot: cbradio.hu Ott találsz sztereo rádióadót amit keresel. 5000 Ft. Üdv a tankos
A megoldás a frekvenciaszintézer (PLL) nem a kvarc. Kvarcos adót nem tudsz -/+ 75 Khz el megmodulálni. Ha van egy olyan digitális hangolású autórádiód amiben megy a tuner és egyébként jó a kijelző / PLL része (csak a magnó / CD halott...) akkor leírom neked hogyan lehet ezt a rádió vevőt PLL szintézeres adóvá alakítani. Vagy van pl. a keverős adó az "FM adó kérdések" topicban megtalálod a rajzát de ez mondjuk nem egy 1 tranzisztoros megoldás. ( de nem is bonyolult...viszont működik és stabil.) A keverős adóról képeket is raktam fel. De.... Miért nem vesztek készen egy FM modulátort és a végére akasztotok egy kis egy tranzisztoros "végfokot"? És voilá...készen van a digitális hangolású sztereo rádióadótok amivel 300 - 400 méter áthidalható tökéletes minőségben és frekvencia stabilan.....Már írtam hogy kár ezekkel a pár tranzisztoros vackokkal szenvedni. Tanulni lehet belőle, másra nem jó.
Köszi!
Nem tudod véletlen kb. mekkora a szórása, valamint lehet-e vele RDS-t produkálni?
Ha elolvastad a tájékoztatót akkor benne van . 100 méter. RDS-t nem tud, az egy kicsit bonyolultabb egy ilyen kis ketyeréhez.
De ha van pénzed megveheted a Danubiust, Petőfit stb., azok tudnak RDS-t (csak vicceltem). Ennyi pénzért azt hiszem ez nem rossz (10 doboz cigi!!!!!!)
,,...Ezért ha betartjuk ezt a pár alapszabályt akkor 100MHz környékén nem jelenthet gondot a nyák kialakítása. A vezetékkel való összekötözgetést pedig el kell felejteni. Ha viszont sikerül úgy kialakítanod az alkatrészek elrendezését hogy az összekötendő kivezetések közvetlenül egymás mellé kerüljenek és így tőben össze tudod forrasztani, akkor az rendben van, ha sikerült légyszives fotózd le kíváncsi vagyok rá."
Ezt írta nekem Ferkogyerek. Sikerült egy ilyen kéttranyós szabadonfutó csodát így kialakítani azt hiszem. persze próbanyákon...Tehát szinte nincs is lábuk az alkatrészeknek. Meg hosszú utak sincsenek az alkatrészek lábai között, gyakorlatilag úgy terveztem hogy minden mindennel közvetlenül csatlakozik. Jó is lett a frekistabalitás... De nagyon érdekelne az elmélete ennek a PLL-es kialakításnak... [color=orange],,Miért nem vesztek készen egy FM modulátort és a végére akasztotok egy kis egy tranzisztoros "végfokot"? És voilá...készen van a digitális hangolású sztereo rádióadótok amivel 300 - 400 méter áthidalható tökéletes minőségben és frekvencia stabilan.....Már írtam hogy kár ezekkel a pár tranzisztoros vackokkal szenvedni. Tanulni lehet belőle, másra nem jó."[/color] Lebeszéltek róla, hogy nem lehet megbuherálni, meg ha jól tudom nincs is RF,vagy antenna kimenete... Akkor már építkezek inkább egy poloskára. És ugye 5000 ezer Ft.
Már miért ne lehetne megbuherálni? Igaz, hogy konkrétan antenna-kimenet nincsen a készülék dobozán, de az miért zavar? Max 2 csavar fogja össze a dobozt, kicsavarozod őket és kész.
Én már építettem ilyen rádióadóra egy 3,5 W-os végfokot, tökéletesen működött. A gyári adó paneljéről egy vékony, kb 10 cm-es koaxkábellel csatlakoztam rá az erősítőre. És ott van készen a komplett, PLL-es, pár km hatótávolságú rádióadó. 2 tranyós ploskára rákötsz egy 4 W-os végfokot, akkor többet fogsz vele szívni mint azt gondolnád. Behangolni sem lesz egyszerű az biztos... De te tudod. Építsd meg, aztán.. hát hogy is mondják? Saját kárán tanul az ember?
Nekem mindegy, csatlakozom az előttem szólóhoz. A PLL es kis fm modulátornál olcsóbb stabil adót nem fogsz tudni ( az átlag barkács technikai felszereltséggel és (már megbocsáss) rf téren kissé hiányos tudás és gyakorlat/tapasztalat hiányában) építeni, én csak azért javasoltam mert tudom hogy nem könnyű kezdő számára egy PLL szintézeres es adót felépíteni. Ezzel a kis modulátorral ez megkerülhető merthogy már készen van a kritikus rész, azaz van egy stabil UP/DOWN 0,1 MHz enként léptethető adód aminek a végén kicsurog kb 1 , 2 mW amit a megfelelő hatótávolság eléréséhez "csak" erősíteni kell. Ez már megvan 1 db tranzisztorból akár, de ha nagyobbat akarsz akkor is csak 2 tranzisztor az egész...mindegy, felejtsd el.... nem mondtam (írtam) semmit
Ok. átgondolom és rendelek... :yes:
Hello, ha más nincs, kezdetnek egy 50MHz-es oszcillátormodul is megteszi a második felharmonikusán. Szerintem. Bővebben: Link
Igen ám, csak itt megint előjön a megfelelő modulációs löket előállításának nehézsége (hacsak nem VXCO ez az oszcillátor modul, de 75 Khz et közvetlenül akkor sem hagyja magát elrángatni, de még 37,5 et sem (kétszerezésnél ugye a löket is kétszereződik), a szűrőzés ( 2. felharm. kiválasztása) + az erősítést ebben az esetben sem ússza meg...., szerintem még mindíg az FM modulátorral jár a legjobban. Már csak azért is mert egy ilyen VXCO ára vetekszik az FM modulátoréval. Ez a 22 es csapdája...De ennyi gondolkodás alatt vajon mennyi FM modulátorból átalakított rádióadót lehetett volna összerakni..? Én 10 re tippelek.
szia!
Arról a 3,5 wattos erölködőről lehet rajzot kérni? Mekkora távolságot tudsz vele áthidalni? Milyen antennát használsz hozzá?
Sziasztok.
Nahh, ha valakit érdekel Bp-n a saturn mammutban lehet kapni többféle fm modulátort. -bocs a reklámért-7ezerért vettem egyet, 2x1,5 V-ról müxik. A hatótáv meg se közelíti az én általam készített cuccot, még az egyfokozatú oszcim is kb háromszor nagyobb teljesítménnyel rezeg, monjuk 9V-ról, de ugyanugy antenna nélkül. A hangon a ST hatás alig érezhető, de azért jobb mint a kis szabadonfutomé...
Az oldalamon megtalálod a rádióadó rajzát (többet is találsz). Ha a modulátorról szeretnéd valamelyiket meghajtani, akkor értelemszerűen mindegyik rajzról az oszcillátor részt el kell hagynod, és csak az RF erősítő részt kell megépíteni.
A 4W-osnak nevezett adóval én 4-5 km-es hatótáv nyílt terepen simán megvalósítható (messzebb nem mentem), sűrű városi környezetben ez 2-3 km-re redukálódik. De sok múlik azon, hogy milyen magasan van az adód, milyen a vevőd érzékenysége, stb... A rajzokat megtalálod itt: RÁDIÓADÓK
Hellosztok!
Ezt a stereo rádió adót szeretném megépíteni az ott leírt felhasználási dolgokra. És lenne vele kapcsolatban egy kérdésem. Méghozzá az hogy azt írja hogy az induktivitás egy 3-4mm vastag ferrítrúdra legyen feltekerve. Nos nekem egy 4.8mm vastag van. És arra lennék kíváncsi hogy az jó lenne-e mert azt írta hogy elég kényes erre a ferrit dologra az adó. Válaszotokat előre is köszönöm! |
Bejelentkezés
Hirdetés |




Működik. Bár sokra nem használható, majd rájössz. Sztem autóba cd layert vagy mp3 playert illeszteni rádióhoz ok, többi kihúzva. Pár méterig megy el.




persze próbanyákon...
