Fórum témák

» Több friss téma
Fórum » Rádió építés a kezdetektől a világvevőig
Lapozás: OK   234 / 278
(#) tnl válasza sany hozzászólására (») Feb 19, 2021 /
 
Ez elég gyakori alkatrészeket tartalmaz,(ami jó), talán kicsit sok a három
kvarc, de ez egy lehetséges megoldás!
A hozzászólás módosítva: Feb 19, 2021
(#) sany válasza tnl hozzászólására (») Feb 19, 2021 /
 
Itt találtam rá.
(#) ha1drp válasza tnl hozzászólására (») Feb 20, 2021 / 1
 
Erre keress rá: "crystal ladder filter"
Pár gondolat hozzá: Nem biztos, hogy a 6 dB-es sávszélesség a legfontosabb tényező. Ez mint változik azzal, hogy milyen terhelés van a ki-, illetve bemenetén, mennyire válogattad össze a kvarcokat, stb.. Igazából ezeket méretezni szokták, a rendelkezésedre álló kvarcok mérése alapján. De nagyon nem lehet velük mellélőni, a sávszélességgel kevésbé szokott gond lenni, mint inkább a sávon belüli csillapítással, oldalsáv elnyomással.

Másik gondolatom inkább gyakorlati tapasztalat, miszerint egy távíró állomás megkeresése szűk szűrővel nehézkes. Ezért inkább érdemes szélesebb szűrővel keresni a jelet, és ha megvan átváltani a keskenyebbre. Ez alapján inkább érdemes lenne hangfrekvenciás szűrőt építened - ezzel is van gond, de - egyszerűbbek, és igen hatásosak.
(#) ha1drp hozzászólása Feb 20, 2021 / 1
 
A neten találtam, ennél egyszerűbb megoldás talán nincs is:
HA8SA minima tcvr
videó
Amúgy gratulálok hozzá!
(#) sany válasza ha1drp hozzászólására (») Feb 20, 2021 /
 
Ha már így szóba került a hangfrekvenciás szűrő. Ezt a szűrőt a KF után kell betenni igaz?
Itt találtam egyet, aminek a paramétere 6 dB, 500 Hz és 3400 Hz van.
(#) gg630504 válasza sany hozzászólására (») Feb 20, 2021 /
 
A demodulátor után, a hangfrekvenciás végerősítő elé.
(#) sany válasza gg630504 hozzászólására (») Feb 20, 2021 /
 
Értem. DX jelzője csak, akkor csak a sávszélessége miatt van. Akkor tulajdonképpen, csak jobban hallhatóvá teszi az adott frekvencia sávot? Sima hangfrekvenciás LPF.
(#) gg630504 válasza sany hozzászólására (») Feb 20, 2021 /
 
Leírás szerint egy nagy jelű állomás (hang)frekvenciáját tudod vele kiszűrni,
hogy a mellette lévő halk, távoli (DX)-et ne zavarja.
(#) sdrlab válasza ha1drp hozzászólására (») Feb 20, 2021 /
 
Igen, ez volt az amit említettem feljebb, a varikap hangolású kvarc szűrővel...!
(#) tnl válasza ha1drp hozzászólására (») Feb 20, 2021 /
 
Szerintem is jó lehet, bár az rontani fogja a teljesítményt(ha megépül)
hogy én nem válogatott kvarcokból raknám össze.

Ezt a szűrőt olyan esetben használnám, amikor ismerem a gyenge jel
frekvenciáját, és ahhoz állítom be az oszcillátort. A többi nem kívánt,
erősebb jelet ez a szűrő csillapítaná.
(#) ha1drp válasza tnl hozzászólására (») Feb 21, 2021 /
 
Az egy gyártási sorozatból készült kvarcok közti frekvenciakülönbség egy - két kHz is lehet. Válogatás nélkül nehéz elképzelni, hogy ezekből 500Hz-es szűrőt építs.
(#) tnl válasza ha1drp hozzászólására (») Feb 22, 2021 /
 
Nekem megfelel 2KHz-s sávszél is, de 3 felé nem szívesen mennék.
Van elképzelésem, de tapogatózom ezen a téren.


Elsőnek, ezt kellene kipróbálnom.

https://www.qsl.net/pa2ohh/11filterdiag.jpg

Teljes oldal

Rövidhullámú oszcillátorommal nézném, mi jut át rajta, különféle frekvenciákon.
A kimenetet USB szkóppal figyelném spektrumanalizátor módban.
(#) Kera_Will válasza tnl hozzászólására (») Feb 22, 2021 / 1
 
Keskeny egy csatornás rádióvevőnek jó lesz az antenna bemeneten lévő egyetlen kvarc.
Ha csak azt az 1 frekvencia 10 - 100Hz-es (Kvarc körül lévő elemek kvarc jóságot rontó hatásaitól függően) soros rezonanacia környezetét szeretnéd venni.

A középfrekvenciás kvarc szűrő a megoldás a problémádra.
Ha nem akarsz a kvarc válogatással foglalkozni akkor AS szűrőd lesz (AhogySikerül).
A varikapos sávszélesség szabályozás jó megoldásnak látszik.
Azzal a kompromiszummal amit a varikap diódák jellemzői rontanak a fix kapacitásokhoz képest.
Ennél látványosabb lenne ha a KF frekvenciát I/Q keverővel hangfrekvenciára konvertálnád és SDR eszközzel feldolgoznád. (számítógép/hangkártya/SDR szoftver).
A hozzászólás módosítva: Feb 22, 2021
(#) pucuka válasza Kera_Will hozzászólására (») Feb 22, 2021 / 1
 
Idézet:
„A varikapos sávszélesség szabályozás jó megoldásnak látszik.”

A BRG -nek volt varikapos szabályozása, igaz nem a sávszélesség, hanem a szimplex/duplex átkapcsolás miatt a vevő bemeneti szűrőjének masszírozására. Hát nem volt egy szerencsés megoldás, nem is terjedt el.
A folyamatos hangolásnál az együttfutás biztos problémás lesz.
(#) tnl hozzászólása Feb 24, 2021 /
 
Tegnap teszteltem kristályokat oszcillátorral és szkóppal.

Az osc. és a szkóp földje közös az osc. kimenete a szkóp
bemenetére a vizsgált kristályon keresztül kapcsolódott.
Az szkóp bemenetét a földhöz egy 1k -s elennálással csatlakoztattam.
3.5v körüli feszből ami az osc kimenetén volt, 80 mV jutott át a kristályon.
Óvatos keresgéléssel megtaláltam a kvarc frekvenciáját, itt a feszültség
800 mV környékére ugrott. Több kvarccal is sikerült a kísérlet.
(#) tnl válasza tnl hozzászólására (») Márc 1, 2021 /
 
A kvarcszűrővel egyelőre nem boldogultam, de lehet nincs is rá szükség.
Fentebb írtatok a hangfrekvenciás szűrőről, ami pl opampokkal kialakítható
, és szerintem egy szuperheterodin IF frekvenciája lehet hangfrekvencián,
(vagy kevéssel felette) egy keskeny sávú vevő esetén. Az IF-et egyenirányítva
AM vétel, újra mixerre vezetve direct conversion vétel jön létre.
(#) Kera_Will válasza tnl hozzászólására (») Márc 1, 2021 / 1
 
Lehetni lehet ... csak a szelektivitással lesz némi probléma.
Egy hangfrekvenciás szűrőnél bármilyen válogatlanabb kvarc filter többet tud nyújtani szelektivitásban.
Lehet a hullámossága fog némi kívánni valót maga után.
(#) tnl válasza Kera_Will hozzászólására (») Márc 2, 2021 /
 
A hullámosság mit jelent?


A kvarc filter is szimpatikus nekem, eddig nem vagyok túl sikeres vele, talán
a gyenge illesztettség miatt.
(#) tnl hozzászólása Márc 2, 2021 / 2
 
Ez esetleg nem lenne elfogadható?


eredeti:
https://www.changpuak.ch/electronics/Narrow_Bandpass_2.php

audiofilt.gif
    
(#) Gafly válasza tnl hozzászólására (») Márc 2, 2021 / 2
 
Ez jó, és egy tranzisztorral is működik...
(#) sdrlab válasza tnl hozzászólására (») Márc 2, 2021 / 2
 
Ez egy rezgőkör, aktív kivitelben! Pont olyan az átviteli görbéje is neki... Értelmes szelektivitást elérni vele nem lehet 1 fokozatban! Ha viszont több fokozatot kapcsolsz egymás után, azt masszívan méretezni kell, mert úgy jársz vele, mint a kvarc szűrőkkel -> összehányt, kétséges méretezésű szűrő nem fog működni az elvártaknak megfelelően!
Ráadásul, amiről ritkán esik szó, ez aktív szűrő! Az az zaja van neki! Nem is kicsi... Így ha rádióban, kisjelű szűrésre akarod használni, az eleve problémás lesz akkor is, ha a legkisebb zajú OPA-val próbálkozol....!!! Ezek az aktív szűrők csak a láncszem vége felé jók, ahol már nagy jelszint van, és nem számít a relatív kis zaj, amit hozzátesznek, mert az érdemi erősítés előtte volt....
(#) Kera_Will válasza tnl hozzászólására (») Márc 2, 2021 / 2
 
Az áteresztő sávban mennyire egyenletes (vízszintes a freki/csillapítás görbe) )a frekvencia menete. Egy kis ábra erről.Ebbe még sok egyéb paraméteret is bel lehet szőni .
A hozzászólás módosítva: Márc 2, 2021

filters.jpg
    
(#) Kera_Will válasza tnl hozzászólására (») Márc 2, 2021 /
 
A több fokozatú szűrők modellezése alapján ilyen szép "szórási minták" jönnek létre.
Az ideális alkatrész értéktől való eltérés miatt .
R C tagokata válogatni kell ... ideális esetben sok 10 dB lenne , de a sok R C tag tized százalékos szórásai miatt ennyire rosszabb lesz a valós eredmény.
Erről itt vannak szép diagramok : from waybackmachine reload
Igaz ez ez egy minden áteresztő szűrő tulajdonágait vizsgálja , de jól érzékelteti a probléma lényegét.
(#) sdrlab válasza Kera_Will hozzászólására (») Márc 2, 2021 /
 
Ez azért így nagyon megvezető..., hiszen itt az alkatrészek pontatlanságából adódó oldalsávelnyomást vizsgálják, nem pedig az átviteli karakterisztikáját a szűrőnek! Ez utóbbi paraméter azért jóval kevésbé függ a pontosságtól, mivel itt sem a fázis, sem az amplitúdó nem annyira kritikus...!
(#) tnl hozzászólása Márc 3, 2021 /
 
Köszönöm a sok választ amit írtatok!

Én közben kipróbáltam a regeneratív IF fokot, ami a mixer után
kötött regen rádió.

Működött, de nem volt rendkívül jó. Azért ha nem breadboardon építem biztos jobb
lett volna. Volt AM vétel, de nem ez a legjobb megoldás.
(#) bigrobi válasza tnl hozzászólására (») Márc 3, 2021 / 1
 
Szuperegeneratív 1 csöves FM rádiómmal meg 70km is volt vétel szobaantennával, az antennába nincs erősítő.
(#) tnl válasza bigrobi hozzászólására (») Márc 4, 2021 / 2
 
Az nem rossz! Itt Debrecenben jól vehetőek az adók, de
ezek néhány kilométerre vannak.


Én a 4066 által rövidhullámról hosszúhullámba átrakott jelet
csatoltam a sima regen(nem supreg ) rádiómra, egy kis kondenzátoron
keresztül. Remélem a létraszűrős megoldás jobb lesz.
A hozzászólás módosítva: Márc 4, 2021
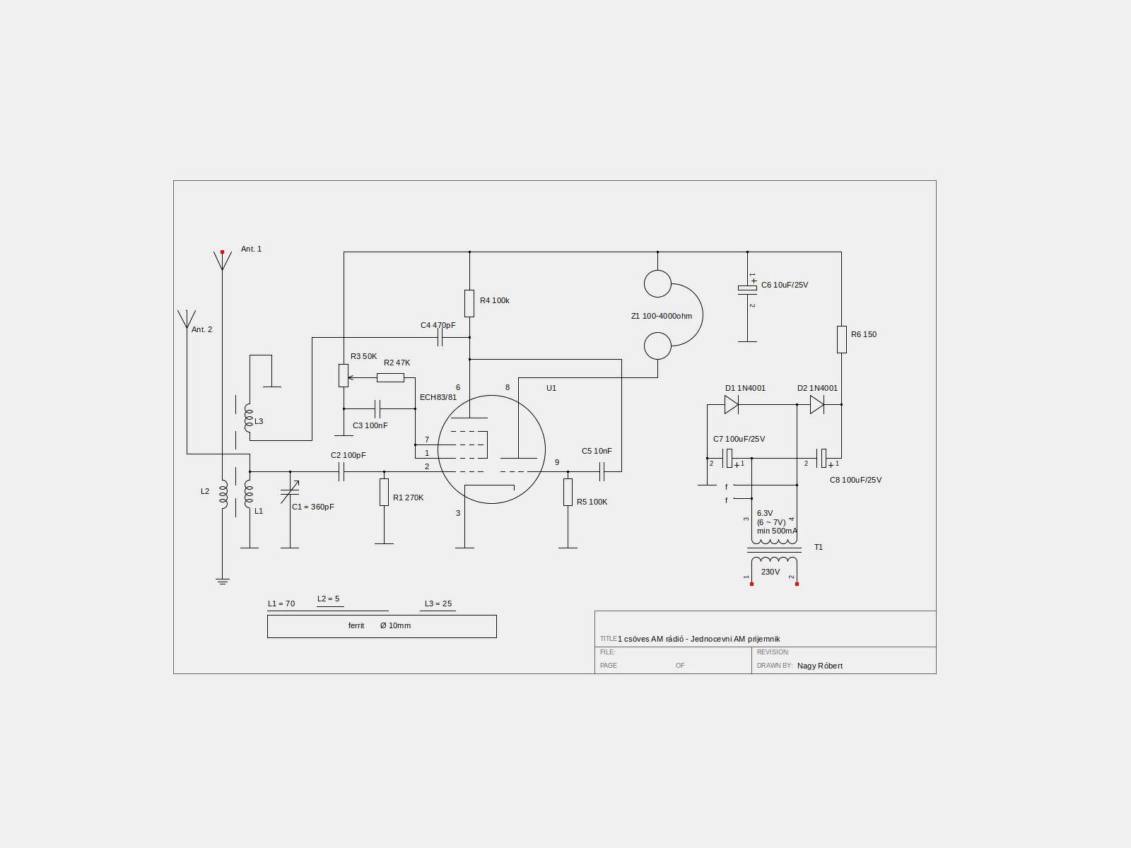
(#) bigrobi hozzászólása Márc 8, 2021 / 3
 
Az ECH81 is megy kisfeszültségen. Íme a vele készült AM rádióm amit egy 6.6V trafó hajt Bővebben: Link
A hozzászólás módosítva: Márc 8, 2021
(#) tnl válasza bigrobi hozzászólására (») Márc 9, 2021 /
 
A 6.6 V a fűtőfeszültség?
(#) bigrobi válasza tnl hozzászólására (») Márc 9, 2021 / 2
 
Igen a trafó valójában 6V lenne de 6.9 ad le terhelés alatt 6.6V-ot 6 és 7V között használható. Szerintem régen sem voltak túl pontosak a feszültségek amikor a fali egyik pontjak 230V a másikon 180V volt. Szerintem azért lehet mert a 220/6V trafó az új standardok szerint 230-240V kap. A 9V PCF82 10V-ról megy. azt mondák a nagy öregek nem árt ha kicsit nagyobb a feszültség az alul fűtést jobban utálják a csövek(optimális a saját feszültsége). A PCF82 es FM rádió de még kísérleti fázisban van, ez mind fiók projekt amit találok abból csinálom.
Következő: »»   234 / 278
Bejelentkezés

Belépés

Hirdetés
XDT.hu
Az oldalon sütiket használunk a helyes működéshez. Bővebb információt az adatvédelmi szabályzatban olvashatsz. Megértettem