Fórum témák

» Több friss téma
Fórum » Rádió építés a kezdetektől a világvevőig
Lapozás: OK   253 / 278
(#) bigrobi válasza oregmotoros hozzászólására (») Jan 4, 2022 /
 
Ha a katódhoz teszel ellenállást es kondenzátort csokken a gerjedesi hajlam.
(#) oregmotoros válasza bigrobi hozzászólására (») Jan 4, 2022 / 2
 
A közölt kapcsolás megfelelő alkatrészek és elrendezés esetén nem gerjed, még az audion visszacsatolás állításakor a testkapacitás sem okoz problémát. Ám mint írtam, kényes a kondikra és az elrendezésre.
(#) tnl hozzászólása Jan 14, 2022 /
 
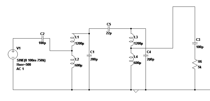
Sziasztok!

Az alábbi rajz, egy előszűrő lenne, rövidhullámú direct conversion vevő elé.
Két rezgőkör egy kicsi kondenzátorral összekötve, Az antennajel betáplálást, és a jel
kivételét leágazásokon át oldom meg. Az L1 és L2 egy tekercset alkot leágazással,
(csak így tudtam lerajzolni.)

Az alap egy cső, amiben ferritrúd mozog hangolás céljából, erre van tekercselve
L1 kb 100 menet. Ennek külsejére egy celluxrétegre van L2 tekercselve vékonyabb
drótból L2 ami kb 200 menet. Még nincs kész, szimulátorban a Kossuth frekvenciájára
több mint 30 db csillapítást ad. Mi a véleményetek róla?

pre2rez.png
    
(#) sdrlab válasza tnl hozzászólására (») Jan 14, 2022 /
 
Mi a kérdés??
Ez eddig egy sima sávszűrő...
Az ok, hogy az első tagot hangolod..de mi a helyzet a második taggal? Az ugyanolyan, hangolható lesz?
Talán jobban járnál, ha mondjuk egy BB112-es diódával hangolnád az egészet! Úgy van esély arra, hogy relatíve jól behangold a sáv elején, végén, és egy hangolófesszel hangolhatod az egészet.
(#) tnl válasza sdrlab hozzászólására (») Jan 14, 2022 /
 
Az ötletem nem rossz, csak lusta vagyok megcsinálni a másik
tekercset, és egy egyszerűbb megoldásra vágyom

Továbbá érdekelne az egy ilyen ferritrúd mozgatásos tekercs
leágazásosként mennyire működik jól? Mindjárt kűldök róla
keresztmetszeti rajzot!
(#) tnl válasza tnl hozzászólására (») Jan 14, 2022 /
 
Itt a L1 és L2 által alkotott tekercs.
A fekete a ferritrúd amivel hangolni lehet.

tek.png
    
(#) pucuka válasza tnl hozzászólására (») Jan 14, 2022 / 2
 
Nem nagyon szokás csatolt rezgőkörös sávszűrőt a bemeneten használni, a hangolási problémák miatt.
A modulátor (bemeneti körben egy egyszerű hangolt rezgőkört elegendő használni, mert ez elegendő védelmet ad a nem vételi frekvencián jelentkező nagyobb bemenő jelekre (extrém körülményeket leszámítva), a tényleges sávszélességet (szelektivitást) elegendő beállítani a KF körben (ez az előnye a keverős elvnek, mert ott már a nehezen hangolható sávszűrők helyett fix sávszűrőket lehet használni), direkt vevő esetén ugyanez elérhető a demodulált alapsáv sávkorlátozásával.
Azzal, hogy csak a sávszűrő egyik tagját hangolod, még rosszabb lesz a helyzet.
A hozzászólás módosítva: Jan 14, 2022
(#) sdrlab válasza tnl hozzászólására (») Jan 14, 2022 / 2
 
Ha úgy tekered meg, hogy L1 és L2 a különböző menetszám ellenére azonos hosszon fedjék egymást, akkor többé kevésbé megmarad a csatolás és impedancia-transzformáció aránya..., de szerintem elég sok buktatós ez a dolog! Nem hiszem, hogy stabil paramétereket és főleg kényelmes hangolást tudsz így elérni...
Ennél sokkal jobb a varikap hangolási mód!
(#) Kera_Will válasza pucuka hozzászólására (») Jan 14, 2022 / 2
 
Tudom ,hogy tudod .
Modulátor és Oszcillátor körök hangolásakor fellépő hibákat még nem is említettük.
A 2 vagy 3 pontos együtt hangolási görbékre gondolva.

A csatolt "móricka" ábrával szemléltetve a jelenséget.
Ez amiatt jön létre , hogy pont egy KFnyi frekvencia távolság van a modulátor kör és az oszcillátor kör frekvenciái közt. Így a 2 körnek más - más frekvencia átfogást kell tudnia.
Ezért vannak a soros (padding sávnyújtást is segítő) és egyéb paralel trimmer kapacitások az oszcillátor / modulátor körökben , hogy ezeket a pontokat be lehessen állítani.Ugyan ezért a tekercsek vasmagjait is tekergetni kell.
A pontosabb beállításhoz ezen elemeken többször meg kell ismételni felváltva alsó/felső skála pontokban. (elhúzzák egymást a tagok)
Aki meg nem hiszi járjon utána .Nem egy szak és rádió méréstechnikával foglalkozó könyvben szépen le van írva ez a hangolási metódus , nem egy régebbi szervizkönyvben is az adott típusú rádióhoz az "referencia skálapont" / frekvencia is le van írva.
A hozzászólás módosítva: Jan 14, 2022
(#) tnl hozzászólása Jan 14, 2022 /
 
Csak ötletelek

Ez nagyon sokat enged át magasabb frekvenciákon, ami nem jó.

1rezpre.png
    
(#) tnl hozzászólása Jan 14, 2022 /
 
Egy régi-új ötlet.

1rezfet.png
    
(#) sdrlab válasza tnl hozzászólására (») Jan 14, 2022 / 2
 
Ugye tudod, hogy ezek a szimulációk bakfittyet sem érnek, mivel az induktivitások nem csatoltak egymással induktívan! A ferritantennán viszont azok lesznek...
(#) Kera_Will válasza tnl hozzászólására (») Jan 15, 2022 /
 
előző vázlatos rajz sok év távlatából fel elevenítve, most eredeti formájában csatolva részletes érthető számításokkal bemutatva.
A hozzászólás módosítva: Jan 15, 2022
(#) pucuka válasza Kera_Will hozzászólására (») Jan 15, 2022 /
 
A bemeneti sávszűrő hangolása nem ördögtől való, csak az is problémás. A Titán 1 MHz sávszélességű bemeneti sávszűrőjét is kapcsolták a szimplex duplex átkacsolásnál. A feladat az volt, hogy az 1 MHz sávszélességet 6,5 MHz -val (duplextávolság) kellett arrébb vinni.
Azt is varikappal végezték, elég kényes áramkör volt.
A folyamatos hangolásánál az együttfutás a kisebbik probléma, a nagyobb az, hogy hangolás közben változik a csatolási tényező, és ez problémás lehet.
(#) tnl válasza sdrlab hozzászólására (») Jan 15, 2022 /
 
Teljesen igaz!

Ebben a programban viszonylag gyorsan tudok rajzolni, ezért
rajzoltam ebben, akkor még nem volt más tervem hogy leképernyőfotózzam és
kitegyem ide.

Aztán lefuttattam szimulációt szórakoztam vele, és ez ki ment a fejemből hogy
a tekercsek itt nem csatoltak, pedig amikor lerajzolni kezdtem akkor erre még
gondoltam.
(#) tnl hozzászólása Jan 18, 2022 /
 
Sziasztok !

Egy n-jfet-et bf244 véletlenül rossz polaritással kötöttem be.

Az alábbi rajz mutatja a szituációt.
Károsodhatott e a jfet?

(Bocsánat hogy ezzel zaklatlak benneteket!)

fetrossz.png
    
(#) tnl hozzászólása Jan 18, 2022 /
 
Azt hiszem a forward gate current az érték amit keresek,
az max 10mA amíg az én esetemben 12mA körűl lehetett,
tehát lehet hogy nem lett baja.
A hozzászólás módosítva: Jan 18, 2022
(#) sdrlab válasza tnl hozzászólására (») Jan 19, 2022 / 1
 
Az ott egy sima PN átmenetű dióda tulajdonképpen! Így minden igaz rá, ami egy diódára igaz lenne... A 12mA, ha nem sokáig állt fenn, szerintem még kis valószínűséggel károsította....
De legközelebb, ha valami hasonló kérdéssel állsz elő, javaslom valami normális rajzot tegyél be ide, ne ilyen mórickásat, amiből semmi sem derül ki! Vagy feliratozz mindent rajta, ami szükséges az értelmezéséhez!
(#) tnl válasza sdrlab hozzászólására (») Jan 19, 2022 /
 
Köszi a választ, én is így gondolom, hogy rövid ideig kibírhatja ,a
12 mA-t mert az adatlapon 10 van.(Gate forward current)

Npn,pnp tranzisztoraimat tudom a multiméter Hfe mérőjével mérni,
de jfethez nincs ilyenem.

Készítenem kéne, egyet, az többet árulna el egy jfetről, mint
a multiméter diódamérőjével ellenőrzés.
(#) tnl hozzászólása Jan 22, 2022 / 1
 
Sziasztok!

Új leágazásos tekercsem és egy fet-es erősítőm
alkotja új hosszúhullámú egyszerű DC vevőm,
front-endjét, amit 4066os mixer követ, majd
alul áteresztő szűrő után hangerősítő.

A mixer oszcillátorjelét cd4011 icvel készűlt osc. adja.

Ez a vevőm nem túl új ötlet, 2019 tavaszán egy hasonlót
már összeraktam.

Itt van ahogy a HGA22-t vesz 135 KHz-en.
(#) tnl válasza tnl hozzászólására (») Jan 22, 2022 /
 
A rajzot még nem értelmeztem, de a bitek szerintem jól
láthatóak, igaz a képen látható szakaszon, valamilyen
torzulás miatt a frekvenciamoduláció mellett amplitúdó
moduláció is létrejön.
(#) Kera_Will válasza tnl hozzászólására (») Jan 22, 2022 / 2
 
Az analóg hangfrekvenciás kimenet után rakjál be egy jelformáló schmitt triggert is műveleti erősítő / tranzisztor / 4093 valamelyikéből.
A küszöb szintet eltoló trimmer potencióméterrel szépen kitudod kockásítani a szőröket a nem kívánt AM-et.
(frekvencia moduláció helyett inkább impulzus szélességnek tűnik így inkább PAM szerű impulzus + AM igaz paraméterezve nincsen a két tengely (x/y fel sem tüntetted csak sejthetjük hogy X vízszintes idő Y függőleges amplitudó lehet )

OK FSK lesz frekvency shift keying
Idézet:
„"vivő frekvencián FSK modulációval 170Hz-es lökettel 200bps adatsebességgel küldi az adatokat ASCII formátumban"”
A hozzászólás módosítva: Jan 22, 2022
(#) sdrlab válasza tnl hozzászólására (») Jan 22, 2022 / 2
 
Én mostanság elég sokat látom a HGA22 jelét, és az alapján nem hinném, hogy ez az lenne! ))
Jellemzően 10 sec-enként ad modulációt, néha közötte is előfordul...
És hát..., az erős AM modulációt látom, az FM-et viszont nem. És nehezen tudom elképzelni, hogy az FM moduláció valahol áttranszformálódna ennyire AM-mé...!
Szerintem más lesz az....
(#) sdrlab válasza tnl hozzászólására (») Jan 22, 2022 / 2
 
Itt van egy pillanatfelvétel a HGA22 spektrum-idő eloszlásáról. A vízesésen látható ismétlődések 10sec-esek. A sárgás vonal az alapfrekvencia(ami már az egyik log szint modulációjának felel meg), jól látható, hogy a moduláció csak egyik irányba tér ki....

HGA22.jpg
    
(#) GPeti1977 válasza sdrlab hozzászólására (») Jan 22, 2022 /
 
Van egy egész napos logom arról amir az adó ad az időn kivül. Titkos adat lehet, az időt csak azért adja szerintem mert az lehet a nyilvános kulcs a dekódoláshoz, 2 percenként ad egy ilyen adatot, de vannak időpontok amikor nagyon sokat, ez fix idő vagy úgy vettem észre hogy a napkeltéhez vagy napnyugtához kötődik.
(#) pucuka válasza GPeti1977 hozzászólására (») Jan 22, 2022 / 1
 
Azt nem tudom, hogy amit adatot látsz, az mennyire titkos, de az adót az MVM használja a pontos időn kívül, különböző kapcsoló berendezések szinkronizálására, és egyéb időzített feladatokra, pl közvilágítás, díszkiviágítás. Régen ezt a Kossuth adó vivőjére ültetett lassú adatátvitellel végezte.
A hozzászólás módosítva: Jan 22, 2022
(#) tnl válasza sdrlab hozzászólására (») Jan 22, 2022 /
 
Itt egy másik részlet, az előzőnél az alacsony
frekvenciásabb rész nagyobb amplitúdójú,
itt fordítva, de a különbség nem akkora.
Hogy mitől áll elő azt nem tudom.

Szerintem mégiscsak a HGA22 ről van szó,
mert 135 KHz-n jön, és a vízesés spektrumos képe
is nagyon hasonló az ti általatok küldöttel.
A hozzászólás módosítva: Jan 22, 2022
(#) tnl hozzászólása Feb 22, 2022 /
 
Megépítettem az alábbi frekvenciaduplázót.(csatolva)

A bemenetet usb oszcilloszkóp jelgenerátora szolgáltatta,
a trafó kompakt fénycsőből kitermelt zöld ferritgyűrű(átmérő km 8mm), amire
5 (? vagy 7) menet került az összetekert két vékony szigetelt drótból.

A primer egy drótból van, a szekunderen középen van a leágazás.
A diódák 4148-ak, az ellenállás 1k-os.

Amikor 500 Khz-s szinusz (4V Vpp) jellel hajtottam meg, a kimeneten
megjelent az 1 Mhz-a jel. Az amplitúdó Vpp 2,5 V körül volt.
1Mhz esetén is sikeres volt a duplázó, megjelent a 2Mhz.(Igaz az
előbbinél kisebb amplitúdóval)


A pontos értékekre nem emlékszem, 0 tól kb 200 Khz-ig a duplázón megjelenő
kimneti feszültség növekedett, majd kb 700Khz után csökkenni kezdett.


Szerintem ezt a trafó sávszűrő jellege okozza.


Kipróbáltam saját oszcillátoromról is, de nem jártam sikerrel. Arra
gondolok, ezt nem csak a kimenet alacsonyabb feszültsége (3Vpp),
okozta, hanem az hogy az oszcillátorom a trafót nem tudta jól
meghajtani. Talán impedancia eltérés, stb okozta a gondot.


Meglepett, hogy a ferritgyűrű trafó ilyen kevés menettel is működött néhány száz
Khz-n.
Talán ha csökkentem a menetek számát, a működik nagyobb frekvencián is az áramkör.
(#) pucuka válasza tnl hozzászólására (») Feb 22, 2022 / 2
 
Idézet:
„Szerintem ezt a trafó sávszűrő jellege okozza”

A trafó ferrit magjának a nagyjából 1 MHz -es határfrekvenciájú anyaga.
(#) sdrlab válasza tnl hozzászólására (») Feb 22, 2022 / 2
 
Ha koaxot használtál összekötő vezetéknek a generátor és az áramkör között, akkor normális jelenség a frekvenciafüggés, hiszen nincs lezárva olyankor a kábel vége, és rezonál a kábel kapacitásával a trafó induktivitása!

Az normális, hogy a duplázás után kevesebb, mint fele amplitúdó lesz a duplázás terméke(egyező menetszámok esetén), hiszen egyenirányítottad a bejövő jelet, az kapásból felezte, és még a diódák nyitófeszültsége is elvisz belőle....

Ha alacsony frekvencián működött, nem valószínű, hogy csökkentened kellene a menetszámot! Alulról a menetszám dominál(rajta keresztül az induktivitása a primernek), ami legalább 4x-se kell legyen a meghajtás impedanciájának! Ha ez teljesül, akkor tovább nem kell növelni a menetszámot. A teteje pedig a szórt kapacitások miatti rezonancia elérése lesz, utána meredeken csökkenni fog az átvitel... A kettő között azért szokott lenni legalább 1 nagyságrend..., de kettő sem ritka...
A hozzászólás módosítva: Feb 22, 2022
Következő: »»   253 / 278
Bejelentkezés

Belépés

Hirdetés
XDT.hu
Az oldalon sütiket használunk a helyes működéshez. Bővebb információt az adatvédelmi szabályzatban olvashatsz. Megértettem