Fórum témák
» Több friss téma |
Keretanntenna vagy ferritantenna? Melyik a jobb? Kis keretantennara gondoltam 15*18cm vagy 10*15cm gondoltam. A ferritantennával működik de keretantennával jobb e lenne? Detektoroson bevalt az 1m keresztre épitett de nincs helzem 2 olzan rádóra.
Olyan kis keretantennánál, főleg alacsonyabb frekin egyértelműen a ferrit a jobb!
Nekem is ez a tapasztalatom. Nézegettem a Makai 2+1 könyvét. Ott az anntennát zsint 250 menettel csatolják. Nekem 1 feriten van az RH és KH is. Nem tudom mi lenne ha a közepere raknák mondjuk 20 vagz 40 menetet antennacsatolásnakk. KH örülne neki de ay RH? Hanganyag Kossuth rádió ferritel + földelés 100km az adótol.
Ja akkor itt van az RH is igy fél 2 körül kb valahol 41 és 25m körül ferritantenna + földelés. Nehéz kezelni hiába az áttételes forgó + skálahuroyással áttétel.
Tehetsz rá két csatoló tekercset is a két sávra, külön külön...nem tiltja semmi se! Csak azt is át kell majd kapcsolni, sáv váltásnál...
A menetszámok arányát kell nagyjából megtartani, egyik is másik is esetben...
Igen arra gondoltam de a bepitett kacspcsoló mar töbett nem tud kapcsolni. Valójában rosszabb eredménzre syámitottam amikor a rádiót terveytem főleg hogy az anódfesyültség 12 és 30V a táptól függően 2 ECH81 es cső az egész lelke. .Még 1 5let a lülön kiveyetés RH és külon a KH nak ugz is 35m mr nem kell akkora antenna. Ha jól emlékszem a hullámhosz kellene hogy legzen az antenna.
Üdv!
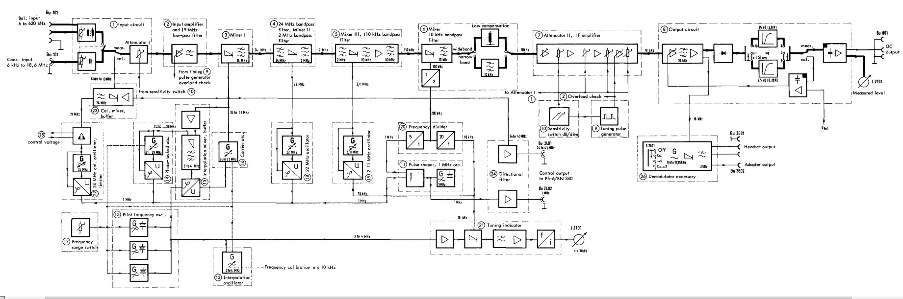
Újra visszatértem és van egy elképzelésem. Már lassan két éve vettem egy SPM-6 szelektív feszültségmérőt csak eddig albérleteben nem tudtam antennát állítani most viszont saját telken ami 100m hosszú már szép nagy antennát tudok kihúzni. Ez a műszer 6kHz és 18,6MHz között hangolható. Ezt szeretném elsősorban VLF sávon vételre használni. A hátulján alapból van demodulált hangkimenet, de én arra gondoltam, hogy a 4. KF-et ami 10kHz kivezetném belőle és a számítógép hangkártyájára vezetném. Ezután a SpectrumLab nevű programmal feldolgoznám. Közületek próbálkozott már valaki hasonlóval?
Szerintem ennek semmi akadálya..., kérdés, mekkora sávszélességű a 4. kf?! Mert ugye, ennek a függvénye, milyen hasznos modulációt lehet tanulmányozni így...
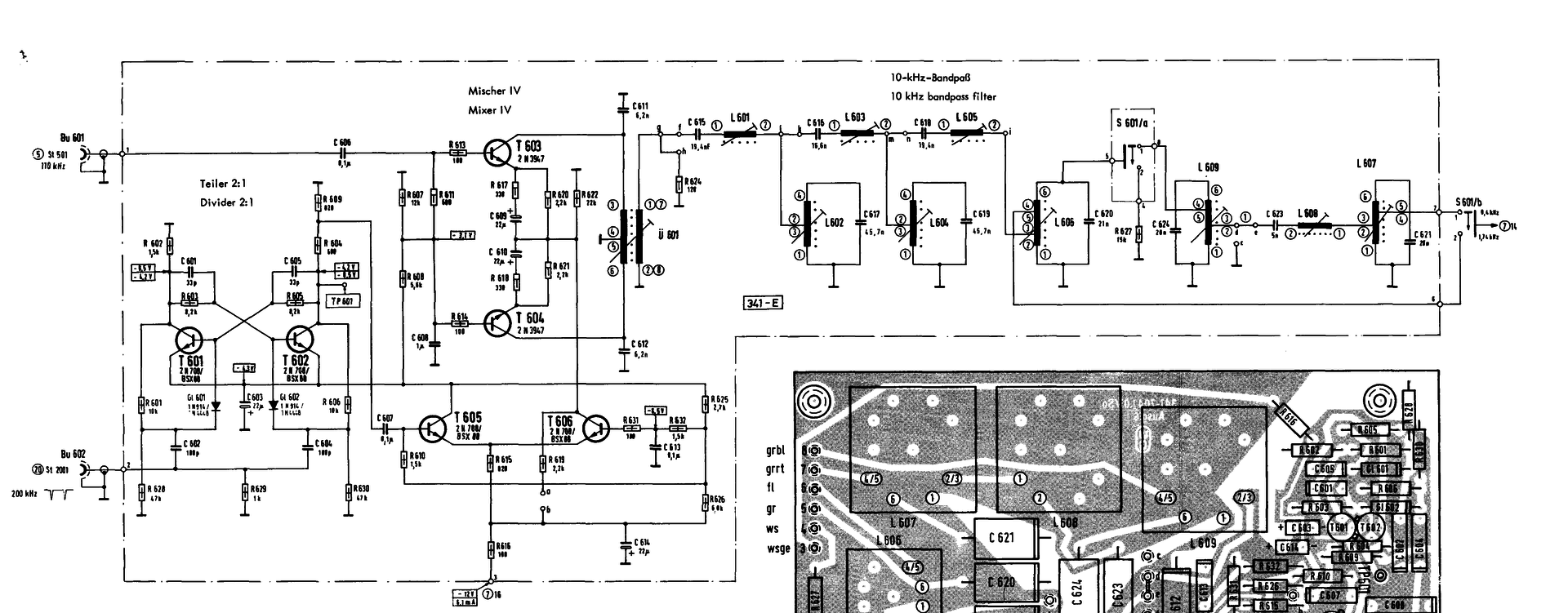
Hát igen. Ha megnézed a 6. számú keverő modulon van egy sávszélesség állító kapcsoló amivel szélessávú és keskenysávú üzemmódok között lehet választani. A keskeny sáv 0,4kHz a széles sáv 1,74kHz sávszélességet jelent.
Ha valaki érti a németet esetleg ebben nincs leírva, hogy a sávváltó előtt mekkora lehet a sávszélesség? A hozzászólás módosítva: Dec 31, 2022
Ebből a szövegből nem derül ki az, hogy milyen sávszéles az erősítő .
Csak a széles keskeny szűrő értéke. Meg a 200 -} 100 kHz freki osztó bistabil tranzisztorjai melyikek. + a keverő tranzisztorok pozició számai. Esetleg a kimenő KF-en mérni a kimenő szintet miközben a vevő elején fel/le hangolni egy vivőt adó generátort. Avagy egy erősebb vivőre állva magát a mérővevőt hangolni fel/le és így mérni a kf kimenet jelszint változásait. (AGC-t nem árt kikapcsolni ha lehet )
Gyanítom ahonnan ez a fejezet ki van másolva, ott megvan a többi is...
Egyben jobban értelmezhető lenne.
Sajnos nem tudom az egészet feltölteni (70MB), pedig azt akartam.
De közben megtaláltam honnan töltöttem le a gépkönyvet annó. Bővebben: Link
Maximum úgy kimérem. Szerencsére megvan a párja is a szintadó, de annak nem tudom fejből a típusszámát és most elég mélyre el van "ásva".
Jelenleg éppen szétszedtem a vevőt és mosom a burkolatát. Nem tudom hol tárolták, de belülről patika tiszta és a hátulja is az, de az oldalai az alja és a teteje szó szerint ragad. Szerencsére a hideg zsíroldó szépen lehozta, mosta radiátoron száradnak az alkatrészek.
Adóoldala nélkül is saccolhatsz
, akármelyik füttyre amit a közeli kapcsolótápos cuccok generálnak. Csak olyat keressél aminek a +/- 10 - 20 kHz környezetében nincs másik zavar. A hozzászólás módosítva: Dec 31, 2022
Ez egy átviteltechnikai szintadó, szintvevő. Ebben nincs AGC, és nem is lehet, mert akkor nem lehetne mérni vele.
Egy gond azért lehet, hogy viszonylag kicsi a bemeneti impedanciája.
A sávszélesség a Technische Date dukumentum 1.4. pontjában van leírva:
1,74 kHz, 400 Hz, pilot mérésnél 24 Hz. Ha hallgatózni szeretnél, gondolom az 1,74 kHz lesz a nyerő. Mivel a műszer méréshatárán belül többnyire keskenysávú távíró (tengeri mozgó, és parti állomások), valamint tengeri navigációs adások vannak (legalábbis voltak), sokat hallani nem fogsz, hacsak a számítógépes progiban nincs valami BFO szerűség. A hozzászólás módosítva: Jan 1, 2023
Köszönöm a válaszokat!
Két dolog izgatta fel a fantáziámat. Az egyik a VLF ahol elvileg különböző természetes eredetű rádiójeleket lehet venni (távoli viharok, légköri jelenségek...) sajnos ezekből csak az játszik ami 6kHz-nél feljebb van, alatta viszont egyszerű hangkártyás eszközökkel is lehet dolgozni. A másik a QRSS vétel. A készülék érzékenysége ha jól vettem ki a leírásból 24uV ami ha jól emlékszem a tanultakra olyan közepes kategória, ha esetleg érzéketlen volna még mindig mehet elé egy fokozat. Ami tetszik, hogy a szelektivitásom biztos jó lesz hála a 4 KF fokozatnak. Még nem nagyon foglalkoztam SDR rádiókkal, de ahogy néztem a SpectrumLab-ban van kifejezetten QRSS vételi mód. Gondolom ő belül valahogy elintézi a modulációt (valami olyan rémlik hogy FFT-vel). Régen volt, össze kell szedegetnem az emlékeimet meg a leírásokat. Így költözés után kicsit nehézkes... A hozzászólás módosítva: Jan 1, 2023
Átnéztem egy kicsit a dokumentációt.
Jó kis készülék, én biztosan hallgatóznék vele vele sokat. Hátsó csatlakozóra egy LM386, dugasztáp, hangszóró és hajrá. ![]() Alsó/felső/két oldalsáv. Távíró az nincsen trükközés nélkül... Sajnos az az 1.74 kHz kemény határ, mert a 10 kHz-es keverőnél van a szűrő. Utána van még a KF erősítő. Ü 601-ről lehetne nagyobb sávszélességű jelet levenni, de akkor saját szűrő és KF erősítő is kell. Igaz, akkor tudsz bele AGC-t tenni, ami itt ugye nincsen, és hiányozni fog. Ebben az esetben a 110 kHz-es szűrő fog számítani. Vonatkozó rajzrészleteket csatoltam. Vagy kivezeted a demodulátorhoz menő 10 kHz-es jelet, akkor távírót is tudsz hallgatni. A hozzászólás módosítva: Jan 1, 2023
Milyen típusú szűrő fokozat látható a megadott képeken?
Nagyon érdekes kapcsolásban vannak.
Szerintetek ez valódi?
https://www.youtube.com/watch?v=tGqpxSr62Ag Hogy lehet az, hogy egy ilyen egyszerű rádióval fogja a 2 méteres sávot, sőt 160 Mhz-t is?
Miért ne? Minden megvan benne, ami egy rádióhoz kell: demodulátor, erősítő.
A videóban látható kapcsolási rajzon a demodulátor dióda nem fordítva van bekötve? Ha nem akkor miért így kell bekötni?
A nagyobb érzékenység miatt nyitóirányban kicsit elő van feszítve.
Egyébként mindegy lenne, mint ahogyan a detektorosnál is az...
Több dolgot nem értek.
1. Ekkora tekercs nekem magában forgókondi nélkül is kb 100 Mhz körül rezeg, nem éri el a 160 Mhz-t! 2. Egy ilyen egyszerű rezgőkör, hogy ad ilyen jó szelektivitást, ilyen magas frekvencián? Igaz leágazással megy a be és kicsatolás,de akkor is nagyon jó. 3. Igaz, hogy antenna nem egy 30 cm drótdarab, (valamilyen beam antennát emleget vagy az a dipól amit a végén lehet látni ) de akkor is meglepően jó a hangerő, nem csak műsor szóró FM adók jönnek.
Önmagában az, hogy mekkora az induktivitás, csak egy dolog! Hogy mekkora lesz a rezonanciafreki, az a kondenzátorok mellett jelentősen függ a kollektorkapacitástól. Főleg alacsonyabb határfrekvenciájú tranzisztorok jelentős parazita kollektorkapacitása miatt nehezen érhető el magasabb frekvencia! Itt ugye nem csatlakozik csak a kondi a tekercsre...
A szelektivitása nem nagy a cuccnak..., viszont azon belül viszonylag éles rezonanciája van! Ez köszönhető az elég alacsony impedanciájú leágazásoknak. Azokon a pontokon már nagyon nem terhelődik be a rezgőkör, megmarad a nagy része a max Q-nak!(Régen HBO dekódereknél ennél jóval nagyobb Q-t kellett elérni )A lényeg az antennában van! Nagyon nem mindegy, hogy egy fél m-es drót, vagy rendes antenna van használva!! Ez ugyanis a legjobb "erősítő fokozat" minden rádiónál ) Ha elkezded számolgatni az össz erősítést, kijön, hogy nem is kicsit erősít ez a rádió! Tehát a nem kis antennajelből, nagy erősítéssel már értékelhető hangerő lesz... ![]() Most már, mindent értek. Az erősítést én kb 10000x szeresnek saccolom.
A közeli műsorszóró adók jelei a -20dBm jelszint közelében vannak egy szabadtéri antennán. Az előerősítő 10dB-t, az LM386 itt úgy >40dB-t erősít, szóval simán megvan a 100mW a hangszórón. Mellesleg egy DX állomás jele a -90dBm jelszint közelében van. Még 2 tranzisztor, és ez a szint is megvan, csak az a gyenge szelektivitása ne lenne.
Ott az első tranzisztor mint erősitő, felerősiti a jelet. Rengeteget bajlódtam FM rádióval. Egy rajz sem működött nálam. A videókon igen, mert mind városba él és közel az adó. Akkor épitettem egezt ami neheyen keyelehtő de 90km rúl is fogja a rádióállomásokat, igaz nehéz kezelni. A tekercs nálam jóval nagyobb az elvártnál duplája, ez a forgó bekötése miatt van. Legjobb vas dobozba rakni az aluminium sem elég árnyékolásnak. Bővebben: Link
Üdvözlet mindenkinek!
https://dxexplorer.com/sputnik-regenerative-receiver/ Szemezgetek ezzel a rádióval, kíváncsiságból szeretném majd megépíteni, viszont a 20 és 80m-es L és C adatok a légmagos változatnál hiányoznak a leírásból. Tudna valaki segíteni a számítás módjával kapcsolatban? A csévetest és rézhuzal maradna (ha lehet) a 40m-nél használtakkal csak a menetszámok változnának. Köszönöm! |
Bejelentkezés
Hirdetés |








) 



Nagyon érdekes kapcsolásban vannak.






