Fórum témák
» Több friss téma |
Gondolkodtam egy sort, és arra jutottam, hogy esetedben tényleg működhet akár a detektoros is.
![]() Volt szerencsém személyesen kívülről megtekinteni a jelforrást (ingyen nyilvános parkoló van a kerítésnél). Ottan, és környékén ez a primitív kapcsolás akár működhet is, turbózni meg végtelenségig lehet. Igazán minden alkatrész itt van hozzá az asztalon (sajnos tekercselt ferrit az csak hátul a műhelyben). Szivesen elmennék a helyszínre kipróbálni, Gery78-nak van hozzá szuper telepes oszcilloszkópja, meg minden.
Akár még működhet is ez a kapcsolás
![]() Viszont...a 10k-s rezgőköri terhelés miatt nagy Q nem alakítható ki ebben a formában, így a meredeksége igen kicsi lesz a félrehangolt rezgőkörnek! Én min a 10x-ére megnövelném azt az ellenállást. Mindenképpen éles rezonancia kellene, hogy az a nagyon kis frekvencia eltérés értékelhető amplitúdó különbséget tudjon generálni az oldalágon....
Ez így van, sokat lehet mérnökölni a dolgon (ötleteim is vannak az (akár egy alkatrészes) turbózásra/egyszerűsítésre).
Terepi próbára Gery78 szuper elemes oszilloszkópjára, vagy nemgyuri meghívására (kis szerencsével ottan van konnektor) lenne szükség, nélkülük kicsi az esély. Cserébe tudok adni MCP601-et, és germánium diódát ajándékba, ha működik a dolog.
Nem kell ide semmilyen terepi munka, meg hasonlóak... )
Fogsz egy szignál generátort, rákötsz egy nagyobb légmagos tekercset a kimenetére, beállítod kb 135kHz-re. Nem messze a tekercstől lerakod a vevőd antennáját...és mérsz a demodulátor után egy fesz szintet. Majd odébb hangolod 170Hz-el a generátort. Megint megméred a feszt. Ha látsz a kettő között legalább néhány mV-os különbséget, akkor van miről beszélni! Ha nem, akkor felejtős a meredekség(elv is)....
Te szerintem nem igazán érted a terepi munka jelentőségét.
![]() Van amikor az eredmény másodlagos, de a hozzá vezető út...
Szia! Végulis azzal is a csatolás mértéke változik. Valószínű jobb a gyári vas, illetve lehet, hogy méhsejt tekercset találtál. Nincs pár kép a készülékről? Egyébként szól?
Igen, a szép szinusszal életre kelt a jószág, még a finomállítás hátra van, de ahogy vállalható állapotban van teszek fel képet
A tekercset egy régi magyar rádióból bontottam. Úgy hogy különösebb beállítás még nem történt és a trackingem se valami jó szerintem, már bejön egy pár adó. Most következik, hogy építsek egy 455 kHz-es rezonátoros áramkört 1 kHz-el modulálva s akkor legalább a KF trafót be tudom nagyjából lőni.
Azért van egy apróka probléma. Ha arra a trafóra gondolsz ami a 6BE6 anódjában van, az csak egy egyszerű trafó, az is igaz, hogy a valami féle KF frekvencián dolgozik, de szűrni nem szűr semmit, mert nincs hangolva. Mondjuk akár lehetne is, de nincs, pedig ez adná a vevő szelektivitását.
Ilyen formán a bemenet rezgőkör adja a szelektivitást, az meg nem túl sok, csak arra elég, hogy a tükör frekvencián legyen valamennyi elnyomás. Már akartam azt is írni azt is, hogy az oszcillátor hullámformája eltér a szinusztól, az nem a szelektivitását befolyásolja, hanem az oszcillátor harmonikusainak megfelelően hamis vételi helyek keletkeznek, kvázi "világvevő" -t építettél. (lehet, hogy több állomás szól egyszerre)
Ezzel a módszerrel szeretném behangolni a KF trafót. Bővebben: Link Ez elvileg nagyjából oké, nem?
Persze, tudom, hogy normális szuperheterodinekben két KF trafó van, meg köztük egy külön erősítő fokozat, de nem akartam egyből nagyon komplikált dologba vágni a fejszémet (plusz nincs csak egy trafóm).
Ha arra gondoltál, hogy a rajzon nincsenek feltüntetve a KF trafó hangoló kondik, az szerintem a rajz hibája, valamiért így rajzolta a konstruktőr - tehát hangolható, csak még nem történt meg
A hozzászólás módosítva: Márc 20, 2024
A trafó akkor is trafó, ha nincs hangolva, és nem is igazán fontos a KF pontos értéke.
Azt meg honnan kellene tudnom, hogy a trafó hangolt-e vagy nem, eddig egy szóval sem utaltál arra, hogy a megépített áramköröd nem pontosan az, amit a rajz mutat. Esetedben mivel a KF szűrő csak egy hangolt körből áll, aminek a szelektivitása nem túl nagy, könnyen behangolható fülre is, nem kell hozzá komoly segédeszköz. A trafó dióda oldalát nem szokás hangolttá tenni, mert a dióda oldal terhelésével rontod a primer oldali rezgőkör jóságát, ezzel csökkented a szelektivitást. Ezért a dióda oldali tekercs menetszáma mindig kevesebb, mint ami a rezgőkörhöz kell. Ezt pedig nem lehet rezonanciára hozni. Az is tökmindegy, hogy bizonyos határokon belül mennyi a középfrekvencia pontos értéke. Más a helyzet, ha a KF szűrő több körös, vagy éppenséggel csatolt rezgőkörökből áll, ahhoz már kell pontos frekvenciájú segítség. A hozzászólás módosítva: Márc 20, 2024
Idézet: - igazad van, én kérek elnézést, ezért írtam picit később a kiegészítést „Azt meg honnan kellene tudnom, hogy a trafó hangolt-e vagy nem, eddig egy szóval sem utaltál arra, hogy a megépített áramköröd nem pontosan az, amit a rajz mutat.” A hozzászólás módosítva: Márc 20, 2024
Ez a "minimál dekóder" hirtelen feldobott... Nálam ferritrúd (középhullámra készült) és forgókondi + fix kihangolva ~300mV-os jelet produkál, terhelés nélkül. Pár órát eljátszottam az ötleteddel de nekem nem sikerült eredményt elérnem. Egyenlőre megyek tovább a frekvenciakeveréses módszerrel. (Már amikor tudok vele foglalkozni.)
Sajnos csak Gery78-nak van hozzá oszcilloszkópja, lelkesedése viszont nem igazán.
Én akkor nem keresek/tekerek antennát, pedig a 300 mV nagyon ígéretes. Szerintem csak le/félre kellene hangolni, és hasonlók...
A HGA22 vevő legújabb változata
Én szìvesen kipróbálnám, akár itthonról is.
![]() Csak pont olyan müveleti erősítöm nincs, ami írtál. A hozzászólás módosítva: Márc 21, 2024
Lehet neki meg olyanja nem lenne ami nalad van es te rajzoltad volna meg.
A lenyeg hogy kis zaju muverosito legyen meg tudjon kenyelmesen erositeni par kHzen. Ezt "barmelyik" tl ne most elerheto fiokbol kihuzott IC tudhatja.
Azt hittem az erősítés, ahhoz van kiszámolva.
Az erősítést alapvetően a visszacsatolás határozza meg, a műveleti erősítők erősítése (kisfrekvencián) gyakorlatilag végtelennek tekinthető.
Nekem van, meg szivesen adok is ajándékba (neked is, meg nemgyurinak is), csakhogy esetedben tutira nem fog működni a "detektoros".
Tudod, ha valaki ott lakik a tövében, és kis ferrittel van 300 mV, az nem semmi. ![]() Na ezt Csongrádon nehéz.
Tévedés! Oda csak és kizáróan olyan opa jó, ami megengedi a negatív tápfesz elérését a bemeneteken! Ezt korántsem mindegyik tudja, főleg nem egy TL, NE...akármi. De a kommerszek közül pl az LM358, 324 is tudja. És a min tápfeszt is illik hozzájuk igazítani adott esetben.
Nagy reményeket ne fűzz hozzá! Fentebb leírtam, miért...
Egy kb 0,1%-os modulációt ilyen módszerekkel nem könnyű feladat detektálni! Főleg üzembiztosan....
Galfy van kedved jatszani ferrittel szkoppal ?
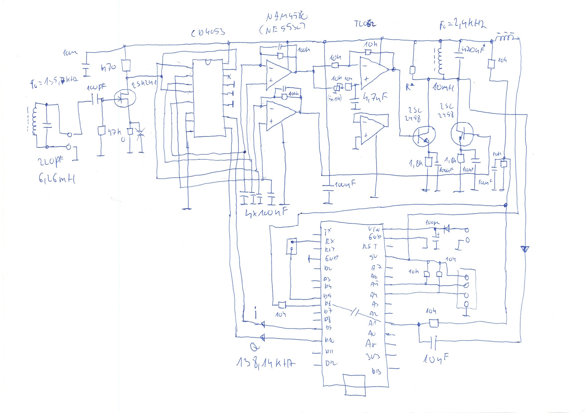
Annak a 10mh-s induktivitásnak nem sok értelmét látom ott! Ekkora értékben az omikus ellenállása akkora, hogy nagy rezonanciára nem lehet számítani! Tehát, ha egy ennél nagyobb ellenállással helyettesíted, semmit nem veszítesz vele. Viszont, kisebb, olcsóbb, és nem kell bajlódni a beállításával...
Esetleg giratoros C -> L konvetalo aktiv szuro aramkor ?
Persze josag az fontos parameter .
Ez nem az az alkatrész amit mezei boltban megkapsz (a mérete sem kicsi), még ellenállást kellett egy 2,2kOhm értékűt párhuzamosan kötni hogy átvigye a 2000 - 2400Hz sávszélességet, azaz le kellett rontanom a rezgőkör jóságát.
Talán működne, talán jó is lehetne...de minek is ez az egész?! ) Olyan alacsony a középfrekvencia, hogy oldalsávelnyomás nélkül sem dobja meg különösebben a zajt, zavar értékét..., mivel ezeknek akkor van jelentősége, ha csúcsra van járatva, az az nagyon távoli adót kellene venni! Itt szó nincs erről, adott egy elég nagy térerejű adó..., annak a zavarmentes vételét max csak elcseszni lehet, kellő igyekezettel...
Amúgy emlékeim szerint már ajánlottam pár hónapja a fennmaradt OPA fokozattal egy aktív sávszűrő alkalmazását...ha mindenáron szűrésre vágyunk...(és akkor elhagyható a 2 tranyós összegző is)
Ja értem! Az más...de akkor meg pláne, egy nagy dögöt betervezni...teljesen felesleges )
Amúgy hogy jött ki a 2,44kHz...mikor 2,54kHz kell legyen a középfrekvencia ) |
Bejelentkezés
Hirdetés |



















