Fórum témák

» Több friss téma
Fórum » Spektrum-analizátor
 
Témaindító: (Felhasználó 518), idő: Okt 26, 2005
Lapozás: OK   12 / 21
(#) vikipapa válasza klemo86 hozzászólására (») Júl 3, 2010 /
 
Na most egy kicsit jobban sikerült (talán) a nyákterv. Légyszi, le ellenőriznéd? Ha jó akkor folytatom. Már kezd összefolyni a kép, meg hát több szem többet lát.

félkész.jpg
    
(#) klemo86 válasza vikipapa hozzászólására (») Júl 3, 2010 /
 
Eddig jó ez is, ügyes vagy! Ezeket már csak tükrözni kell a túloldalra, és abból csinálni párat
(#) zolee1209 válasza klemo86 hozzászólására (») Júl 3, 2010 /
 
De akár a LED meghajtót is "lebutíthatja" így, hogy csak minden másodikat használja!
(#) klemo86 válasza zolee1209 hozzászólására (») Júl 3, 2010 /
 
Jó, de eleve olcsóbb, ha csak 5LED-est vesz
(#) vikipapa válasza klemo86 hozzászólására (») Júl 3, 2010 /
 
Helló. Befejeztem a panelt . Majd ebből csinálok többet. Megint le kellene ellenőrizni, mert már beleőrültem a sok vonalba. Ha jó, akkor egyből maratom is Előre is kösz
(#) klemo86 válasza vikipapa hozzászólására (») Júl 3, 2010 /
 
Basszus, első ránézésre valami brutálisan bonyolultnak tűnik, de jó az egész, nincs benne hiba! És ez a lényeg Szép munka! (nekem kifejezetten tetszik az, ami bonyolultnak néz ki, de egyébként nagyon egyszerű )
(#) vikipapa válasza klemo86 hozzászólására (») Júl 3, 2010 /
 
Kösz szépen Legalább nem feleslegesen voltam fent az éjjel. Különben ez a legelső nyáktervem. Próbáltam egyszerűre, hát ilyen lett Elsőre szerintem nem rossz.
(#) klemo86 válasza vikipapa hozzászólására (») Júl 3, 2010 /
 
Ja, hogy még ráadásul ez az első… Akkor különösen gratula!
(#) szaky27 válasza Attila86 hozzászólására (») Júl 25, 2010 /
 
Helló!

Érdeklődni szeretnék hogy az a lehetőség miként ha elküldöm neked postán és megnézed hogy mi lehet a gond az még aktuális?
(#) Attila86 válasza szaky27 hozzászólására (») Júl 26, 2010 /
 
Szia!

Ja tudom, te írtál nekem e-mailt is amire én meg nem válaszoltam... Bocsi, de nagyon sokan írnak...
Délután válaszolok a leveledre!
(#) szaky27 válasza Attila86 hozzászólására (») Júl 26, 2010 /
 
Nagyon szépen köszönöm!
(#) INOX 4 EVER válasza vikipapa hozzászólására (») Júl 27, 2010 /
 
Szia Vikipapa!
Ha a 10x10-es analizátort a ledpanel nagysága miatt akarod butítani akkor mutatok valamit (nézd meg a képeket!)
Az Attila86 által feldobott Spektrum analizátort 10x10 es méretben, egy layouttal tervezett panelon 10 darab ic tokot,és 10 sor Zöld ledbar-t használtam,így nincs meg a veszélye,hogy fordítva forrasztasz 1-2 ledet,mert tokban bármelyiket cserélheted,és fordíthatod,ráadásul elég kicsi,hogy egy erősítő előlapba építsd például
Bár az analizátort még én sem raktam össze, de folyamatban van pár hónapja (sajnos nincs sok időm)
De remélem jó ötletet adtam,hogy ne kelljen a jól bevált működő cuccot butítani,és kisebb is legyen
A sávszűrő és a vezérlőpanel terveim szerint feküdni fog valahol máshol,és számítógépből bontott szalagkábellel te is messzire tudod vinni
Így egy 6 cm magas dobozban elhelyezhető,és a ledsorok nagyon szabályosak és gyönyörű párhuzamosak, nem lógnak ide-oda.
A Ledbar kicsit drágább, de van minden színben,és van olyan kivitel is amiben a felső 3 sor piros.
Remélem ez segített.
(#) vikipapa válasza INOX 4 EVER hozzászólására (») Júl 27, 2010 /
 
Helló. Köszönöm az ötletet. Ismerem ezeket a led-sorokat. Tetszenek is, ilyenekből tervezek HDD visszajelzőt a gépre, de sajnos túl széles lenne a stereo-kivitel. Meg már a nyák ki is van maratva, csak be kell ültetni a 2x5ös-höz. Nagyon jól néz ki a Led-bar-okkal is, majd ha kész lesz feldobhatnál egy videót. Sok sikert, és időt az építésre!
(#) INOX 4 EVER válasza vikipapa hozzászólására (») Júl 28, 2010 /
 
Nem tudom mikor lesz kész,egyenlőre csak a nyákok vannak meg,és ez a ledpanel ami már élesztett.
Azt kérdezni is akartam,hogy hol lenne a legolcsóbb,vagy él-e még az alkatrészlista a Store oldalon?
Ami a szélességét illeti,azon is agyaltam,hogy a vezérlőpanelra oldható csatolókat teszek,és ha felcserélem a sorokat,és oszlopokat,majd megfordítom az összes ledsort akkor hosszába is működik (azaz állítva)
majd aztán meglátom hogyan mutat jobban
Természetesen ha kész,dobok fel videót.
Szóval visszatérve a kérdésemre ,ha valakinek van ötlete az alkatrészbeszerzéssel kapcsolatban az kérem írjon
Előre is köszi
(#) INOX 4 EVER válasza vikipapa hozzászólására (») Júl 28, 2010 /
 
Jajj ....Elfelejtettem valamit megkérdezni
Ha kész van az 5-ös akkor majd megtennéd,hogy leírod a körül-belüli költségét?
Lehet a téli unalomban megépítem
Köszi
(#) vikipapa válasza INOX 4 EVER hozzászólására (») Júl 28, 2010 /
 
Helló. Persze, megpróbálom összeírni az árakat, aztán majd feldobom az alkatrészlistát is, csak sajna most nem megy mert hajnal 4kor kelek, megyek melóba. Ha érdekel dobhatok fel nyákterveket is.
(#) INOX 4 EVER válasza vikipapa hozzászólására (») Júl 29, 2010 /
 
Nem sürgős és köszi.
(#) dj.csont hozzászólása Szept 11, 2010 /
 
Üdv.Mindenkinek! Építettem egy spektrum analizátort II Attila86 félét. Ami majdnem tökéletesen müködik annyi kivételével hogy csak pontszerűen jelez ki pedig a lm3915-ös 9 lábára rá megy táp fesz. Viszont azt is meg néztem hogy ha nincs rajta táp fesz vagy a 9-es láb a levegőbe lóg akkor gnd-hez képest 2,64V mérek rajta ez normális ? Amúgy hiába köttöm le testre a9-eslábat nem segítneki. Valaki tudna nekem segíteni vagy esetleg a tervező? Segítséget előre is köszi
(#) dj.csont hozzászólása Okt 18, 2010 /
 
Meg javult a Attilla86 féle spektrum analizátorom és nem az ic-je volt rossz! Igaz az van írva készítő honlapjára 5V működik, ami így igaz is de oszlopos kijelzés csak akkor kapcsolódik ha táp feszt 8V-ra növeled ahogy éppen csökken táp fesz egy idő után át vált pontszerű kijelzésbe a Lm3915-ös és hiába kapcsolgatod kapcsolót csak pont szerű ha 8V -nál van táp fesz akkor már rendesen működik és lehet választani kapcsolóval kijelzés között De örülök Működik
(#) Blazy hozzászólása Okt 23, 2010 /
 
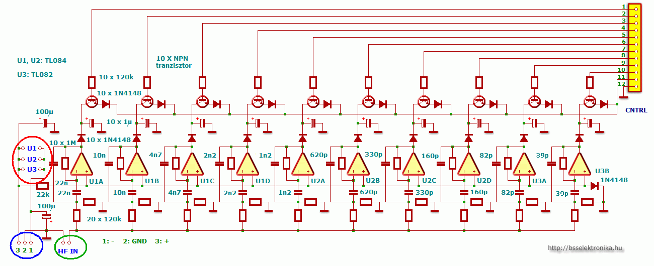
Üdv! Bss-en találtam egy egy jónak tűnő spektrum analizátort, viszont elég kezdő vagyok és a fent lévő kapcsolási rajzot nem igazán értem. Abban kérném valaki segítégét mi mit jelent a rajzon, mert ha az már tiszta lenne tudnék nyákot tervezni. Erről lenne szó: http://bsselektronika.hu/index.php?id=476

csatolmányként mellékelem hogy mi nem tiszta a rajzokon.

Az első kép: Piros karika: ez mit takar pontosan? 3 kivezetés, de mit kéne rá kötni
Kék karika: honnan jön ez a vcc
Sárga karika: 3..18 V... az mitől függ hogy mennyi pontosan?

A másikon: Pirossal karikázott: Oda pontosan mit kell kötni?
Kékkel karikázott: A rajz szerint + - és gnd, de pontosan honnan tudom mik a fesz értékek?
Zöld: Azt sejtem talán; oda kötöm a hangot, azaz a jack dugót?

A válaszokat előre is köszi, ja és nem azt kérem hogy feltétlenül rágjátok a számba, az is bőven elég ha tudtok ajánlani egy korrekt leírást ahol az ilyen kapcsolási rajzon "szokásos" jelöléseket elmagyarázzák.
Köszi mégegyszer.
(#) klemo86 válasza Blazy hozzászólására (») Okt 23, 2010 /
 
Szia!
Az első rajzon a Vcc (meg általában minden rajzon) a plusz táp. A "Mode" kapcsolóval tudod átváltani a cuccot pontszerű és vonali ábrázolás közt. A 3…18V az IC-k minimális és maximális tápfeszültségei, egy optimális értéket szoktunk használni - itt 12 vagy 15V tökéletes. Második rajz: U-val ugye az IC-ket szokták jelölni. Az U1, U2, U3 a blokkon látható 3 db IC betápját jelképezi (csak az egyes műveleti erősítők külön vannak ábrázolva, egyébként itt pl 4db van egy tokban). A HF az inkább AF, mint Audio Frekvencia, amiből tisztábban látszik, hogy a bemenet Az 1-2-3 átkötés a másik blokkhoz a szimmetrikus tápod a műveleti erősítőkhöz, mert azok azt szeretik
(#) Blazy válasza klemo86 hozzászólására (») Okt 23, 2010 /
 
Köszi a választ, nagyon sokat segítettél, azthiszem igy már világos az egész. Így már neki merek állni nyák tervezésnek
(#) klemo86 válasza Blazy hozzászólására (») Okt 23, 2010 /
 
Sok sikert, látványos kis jószágok ezek, és jó forrasztási gyakorlatnak is kiváló
(#) Blazy válasza klemo86 hozzászólására (») Okt 23, 2010 /
 
Köszi szépen...a 100 led tényleg jó gyakorlásnak. Viszont felmerült egy újabb kérdés bennem, ahol npn ill. pnp tranzisztort ír azok pontosan milyenek legyenek? Ahogy láttam van sok egyforma amik csak fesz ill. áramerőségértékben különböznek, na de honnan tudhatom mennyi áram esik majd rájuk?
(#) proli007 válasza Blazy hozzászólására (») Okt 24, 2010 /
 
Hello!
Az NPN tranzisztorok analóg kapcsolónak vannak használva, jelentéktelen árammal. A PNP-k kapcsolják a Led-ek áramát, ami nem több mint 20mA.
Tehát gyakorlatban minden kis-teljesítményű tranzisztor megfelelő. BC182/BC212 BC546/BC556...
üdv! proli007
(#) Blazy válasza proli007 hozzászólására (») Okt 25, 2010 /
 
Köszi a választ, így már remélem boldogulok.
(#) drhati hozzászólása Nov 14, 2010 /
 
Sziasztok!
Egy szórakozóhelyre, a dj pult mögé szeretnék építeni egy spektrum analizátor "falat". 5mm-es diffúf ledekből gondoltam megépíteni, mert inkább szórt, mint éles fényt szeretnék. Ha valaki már készített ilyet, akkor köszönettel venném, ha megosztaná a tapasztalatait. Egyenlőre 2x10 sávra gondoltam, és sávonként max 20 ledes oszlopokat. A segítséget előre is köszönöm!
(#) pici válasza drhati hozzászólására (») Nov 14, 2010 /
 
Én a helyedben nem analóg falat csinálnék, hanem kontroller vezéreltet.
És lehet egyik funkciója a spektrum analizátor.
kicsit komolyabb
Másik
(#) drhati válasza pici hozzászólására (») Nov 14, 2010 /
 
kontroller kizárva, mivel nincs mivel felprogramozzam, másrészt pedig fel sem tudnám programozni.
(#) krisztianAMG hozzászólása Nov 22, 2010 /
 
Üdv !

A kapcsolások közt találtam a lent linkelt spektrum analizátort. Nagyon tetszik úgyhogy megpróbálom elkészíteni. Szaktudásom lenne (nevelőapám személyében csak ő inkább magasfeszültségre van szakosodva). Olyan kérdésem lenne,h ezt a kész kapcsolást sokban kéne módosítani ahhoz,h kék diódákat ültethessek be vagy ugyan akkora feszültség kell a sárgáknak is mint a kékeknek és nincs szükség változtastásra ? Elnézést a tudatlanságomért,nagyon kezdő vagyok.

A választ előre is köszönöm !

Üdvözlettel Krisztián
Bővebben: Link
Következő: »»   12 / 21
Bejelentkezés

Belépés

Hirdetés
XDT.hu
Az oldalon sütiket használunk a helyes működéshez. Bővebb információt az adatvédelmi szabályzatban olvashatsz. Megértettem