Fórum témák

» Több friss téma
Fórum » Stroboszkóp
Lapozás: OK   77 / 123
(#) levaitamas válasza (Felhasználó 15355) hozzászólására (») Márc 30, 2011 /
 
Van esetleg valami bevált kapcsolás? Vagy felejtős a dolog a nagy áramok miatt? Kellene csinálni egy olyan invertert, ami megszaggatja a 12V-ot majd 12/230-as trafó és erre tegyem rá a "hálózatra szánt" strobit? Talán 12/450 trafót egyenirányítani, pufferelni hogy a cső megkapja az előfeszítést?
(#) laszlo987 válasza levaitamas hozzászólására (») Márc 31, 2011 /
 
5-6e ért kapsz készen autós vagy elektronikai boltba. 300W ost vegyél legalább.
(#) Travolta válasza laszlo987 hozzászólására (») Márc 31, 2011 /
 
Egy 1.5kW-os strobihoz 300W-os táp??? Ez érdekes? Hogy jött ez ki?
(#) laszlo987 válasza Travolta hozzászólására (») Márc 31, 2011 /
 
Az invetrer kapcsi üzemű, 20-100KHz el működik, a strobi meg max 15-25Hz-vel. Igy kisebb táp elég szerintem. Csak a kondit kell feltöteni. Az 1500W úgy jön ki a feltöltött kondi fesz és a cső által felvett áram és egységnyi idő alatti kisülések szorzatából. Azt akarom mondani, 1 kisülésre nem 1-2 feltöltési periódus jut mint normál hálózat esetén hol 50Hz van, nem több 100 vagy 1000 szerese.
(#) undcityboy89 válasza undcityboy89 hozzászólására (») Márc 31, 2011 /
 
Hello!
Itt vannak a képek, Az a középső kis trafó ahogy elnéztem már volt cserélve, lehet megint az feküdt meg..
http://kephost.hu/image-02A6_4D94B0A2.jpg
http://kephost.hu/image-DBFC_4D94B0A2.jpg
http://kephost.hu/image-CACC_4D94B0A2.jpg
http://kephost.hu/image-9C1C_4D94B0A2.jpg
http://kephost.hu/image-1289_4D94B0A2.jpg
Válaszodat előre is köszi.
(#) Jax hozzászólása Márc 31, 2011 /
 
Sziasztok!
Nekem is lenne egy kérdésem, remélem tudtok segíteni.
Van nekem egy olyan lámpám, ami egy max. 150W-os halogén izzót tud működtetni. Arra gondoltam, hogy abból lehetne egy strobit csinálni, de sehol se találtam hozzá kapcsolást. Tudna ebbe valaki segíteni?
A válaszokat előre is köszönöm
Üdv.: Jax
(#) dB_Thunder válasza Jax hozzászólására (») Márc 31, 2011 /
 
Idézet:
„abból lehetne egy strobit csinálni”

NEM ! Nem lehet!!
Már leírták hogy miért..keress...olvass.
(#) Jax válasza dB_Thunder hozzászólására (») Ápr 2, 2011 /
 
Jó jó.. bocsi
Azért kérdeztem, mert az elektrótanárom azt mondta, hogy tirisztorral meg lehet oldani.
Amúgy meg jó ideje keresem, de még semmit se találtam
Mindegy...
Azért köszi.
Hali!
(#) dB_Thunder válasza Jax hozzászólására (») Ápr 2, 2011 /
 
Elektrotanárodnak nem sok fogalma lehet ezekről a dolgokról. Az izzószál, főleg, nagyobb teljesítménynél nem képes olyan gyorsan felizzani és kihűlni. Itt másodpercenként akár 20szor kell teljes fénnyel világítani, illetve nem világítani. Izzószál meg akár 3 másodpercig is adhat ki fényt, miután már nem folyik rajta áram.
És ahhoz, hogy ezt tudjuk, nem kell atomfizikusnak lenni, mert már mindenki látott kialudni reflektort...

(hát ezért voltam kiakadva..)
(#) pucuka válasza dB_Thunder hozzászólására (») Ápr 2, 2011 /
 
Nomeg ha túl sokszor, és túl gyorsan ki-be kapcsolgatod, ki is ég mint a pinty.
(#) pucuka válasza dB_Thunder hozzászólására (») Ápr 2, 2011 /
 
Bocs nem neked akartam írni, hanem Jax nak.
(#) Jax válasza dB_Thunder hozzászólására (») Ápr 2, 2011 /
 
Mondjuk ez logikus
Jó mindegy, igazad van erre nem gondoltam
(#) shakeit hozzászólása Ápr 2, 2011 /
 
Sziasztok! Szeretnék építeni egy hangvezérelt stroboszkópot, és ehhez szeretnék kapcsolási és nyákrajzot kérni. A segítséget előre is köszönöm!
(#) Jax válasza shakeit hozzászólására (») Ápr 5, 2011 /
 
Én egyszer építettem, egy ilyet, de az csak egy ledes volt.
Itt a kapcs.közt találtam subwooffer szűrőt, és egy egyszerű kis erősítőt, és gyönyörűen villogott basszusra
Itt a sub szűrő linkje ebben mindent meg találsz.
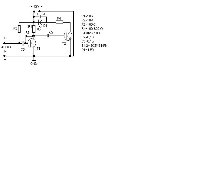
Az egy LED-es strobit nem találtam, ezért rakok fel képet a kapcsirajzról. Ha átnézed, nem kell hozzá nyák, elég csak megrajzolni a vonalakat és kész.
a szub szűrőnél, azért jó ha van oszcilloszkópod, könnyebben rá tudsz mérni, hogy túlvan e vezérelve a jel, és be tudod állítani az alsó, és felső vágási frekit.
Remélem tudtam segíteni.
Üdv.: Jax
(#) kopasz01 hozzászólása Ápr 7, 2011 /
 
A rádiótechnikában láttam egy kapcsolási rajzot,ami egy fényképezőgép elektronikáját,és vakucsövét használta fel "autós vészvillogónak"kb 1982-es lap..Nincs meg valakinek ez a rajz? Vagy valami ötlet,hogy hogyan lehet "automatikusan elsütni??
(#) énvagyok válasza gleccser16 hozzászólására (») Ápr 10, 2011 /
 
Szia érdeklődnék hogy Debrecenben hol vetted a villanócsövet?
(#) shakeit válasza Jax hozzászólására (») Ápr 10, 2011 /
 
Köszönöm szépen!
(#) shakeit válasza Jax hozzászólására (») Ápr 10, 2011 /
 
Esetleg van olyan rajzod, ami nem csak egy ledet működtet? Ha nem kettős tápról megy, az is jó lenne Előre is köszönöm!
(#) havranarpi hozzászólása Ápr 10, 2011 /
 
Szisztok Srácok!
Van olyan kapcsotok ami 12-24V-os és fénycsövet kapcsolgat?? Akár ütemre is.
(#) pjg válasza havranarpi hozzászólására (») Ápr 10, 2011 /
 
A fénycsővel lehet szívni. Rapidstartos csövet szinte lehetetlen beszerezni. Nagyfesszel kell gyújtani.
(#) pjg hozzászólása Ápr 10, 2011 /
 
Tegnap láttam egy nagy teljesítményű stroboszkópot. Kb. 30-40 cm-es cső volt benne. Ami az érdekesség, volt, hogy másodpercekig folyamatosan világított, mint egy fénycső. Hogyan lehet ez? Esetleg 25 Hz-nél nagyobb frekvenciával villogtatták?
(#) dB_Thunder válasza pjg hozzászólására (») Ápr 10, 2011 /
 
Úgy úgy! Bár a 25 Hz-es villogást még azért látja az ember, olyan 30Hz fölött válik egybefüggővé.
De könnyen lehet ellenőrizni azt, hogy villog, vagy világít: nézed a kezed miközben azzal egy gyors mozdulatot teszel. Ha ekkor úgy látod hogy sok kezed lett akkor bizony villog
Ez az igazi stroboszkóp hatás !
(#) bumbusok hozzászólása Ápr 11, 2011 /
 
Sziasztok
Egy kérdéssel fordulnék hozzátok ,én sikerrel kitermeltem egy digitális fényképezőgépből egy villanócsövet a kondenzátort 160µF 330V és azt a bizonyos magasfeszültségű trafóját. Mivel az aksiját nem találom mert az még olyan fajta.. de usb-ről működik így gondolom hogy 5V tápfeszültséget kaphat na most énnekem hogy kéne ezeket az alkatrészeket összekötni és mit rövidre zárni hogy kivillanjon a villanócső. Építettem már egy hangérzékelős elektronikát ami egy triak-ot gyujt ,és azon a triakon keresztül szeretném rövidre zárni a cuccot hogy az nekem villanjon....És lőn stroboszkóp..
Előre is köszönöm a válaszokat
Bumbusok
(#) pjg válasza dB_Thunder hozzászólására (») Ápr 11, 2011 /
 
Köszi. Akkor jól gondoltam, bár nem tudom milyen hatást vált ki, mert a színpad hátulja fölött volt elhelyezve.

A fénye viszont atomvillanás volt.
(#) havranarpi hozzászólása Ápr 11, 2011 /
 
Sziasztok! lenne egy komoly kérdésem ,bár eléggé abszurd.
Megoldható az ,hogyha van egy villanypásztorom és abból kiszedem a szaggató áramkört?(természetesen potival)
és azzal egy tirisztort kapcsolgatnék.a végére pedig egy ledes izzót.
(#) Gyozo92 válasza bumbusok hozzászólására (») Ápr 11, 2011 /
 
Ha a triakod alacsony feszültségről üzemelteted, akkor még egy optocsatolóra is szükséged lesz. De a 160µF-es kondit cseréld le kb 10 µF motorindítóra, mert az elektronikád nem fogja tudni elég gyorsan feltölteni a 160µF-eset, és akkora kapacitással nem is fog sokáig működni. Igaz, így is valószínűleg meg fog sülni Egy idő után persze
(#) havranarpi válasza Gyozo92 hozzászólására (») Ápr 11, 2011 /
 
Ez az a pásztor: Bővebben: Link
és a Fet helyére terverem a tirisztort.
Még így is megsülne?
(#) bumbusok válasza Gyozo92 hozzászólására (») Ápr 11, 2011 /
 
Köszi az ötletet. Van 47ľF-os kondenzátorom is ... megpróbálom arról ha nem akar akkor nincs más marad a 10ľF-os , de engem leginkább az foglalkoztat hogy a kitermelt alkatrészeket hogy tudom összekötni hogy működjön is?
mit mivel hogyan?
adott egy kondi egy gyujtó trafó, egy villanócső és a triak két lába... ebből hogy tudok villanást csinálni?
üdv
(#) Gyozo92 válasza bumbusok hozzászólására (») Ápr 12, 2011 /
 
A cső két lábán kell lennie kb 300 voltnak. A gyújtótrafó lábain meg egy kis fóliakondit kell kisütnöd szintén hasonló fesszel, és meglesz a villanás. De egyszerűbb építeni egyet, mint a vakut buherálni. Az úgyse lesz olyan jó.
(#) Gyozo92 válasza havranarpi hozzászólására (») Ápr 12, 2011 /
 
Hát az ötleted tényleg abszurd. Ha szeretnél vele kísérletezni, akkor hajrá, ebben nem tudok okosat mondani, de a strobi vezérlésében kevesebb alkatrész van, mint abban a villanypásztorban. Egyébként a cső két lábára 300 volttal teszed a kondit, akkor a villasznypásztor biztosan be tudja gyújtani, ha simán ráteszed az autó gyújtójával a csőre.
Következő: »»   77 / 123
Bejelentkezés

Belépés

Hirdetés
XDT.hu
Az oldalon sütiket használunk a helyes működéshez. Bővebb információt az adatvédelmi szabályzatban olvashatsz. Megértettem