Fórum témák
» Több friss téma |
Köszi a választ!
Reméltem, hogy csak erről van szó, azt viszont nem tudom, hogy szimetrikus táplálású erősítőknél mi az a torzulási érték, amit még elbír a rendszer.
Az aszimmetria hatása abban nyilvánul meg, hogy már a maximális teljesítmény elérése előtt elkezd torzítani az erősítőd.
Hali! Mindenkinek! Valaki tudna nekem segíteni. AZ Volna a problémám, hogy van egy trafóm 50watt 1x11voltot ad le egyenirányítani szeretném. Már meg van hozzá minden de a trafó kimenetén nincs gnd, és egy tda2050 erősítőhöz akarnám rákötni de az igényel gnd-t. Nem értem az egészet.Valaki tudna segíteni, hogy lehet bekötni? greatz+ 2x3300uf-es 25v kondival szeretném egyenirányítani, vagy 4x2200uf 25v. A segítséget előre is köszönöm.
Hali! Mindenkinek! Elkészíttetem a szimmetrikus tápot, mellékeltem a képet. Az lenne a kérdésem, hogy szerintetek jó lesz így? Választ előre is köszönöm.
Alapjában jó, de azért van benne egy-két apró hiba.
A graetz-be nem + és - megy, hanem a középleágazásos trafó tekercsének vége! A trafóról nem jön gnd, ahová azt írtad, oda kell a trafó középleágazása. A kapcsolás ettől eltekintve működőképes, de azért egy-egy biztosíték nem ártana a trafóról jövő ágba a graetz elé.
Hali! Köszi az észre vételt, és igazad van. Majd úgy kötöm ahogy írtad. Amúgy jó lesz szerinted tda 2050-hez? 2db ott szeretnék majd rá tenni. Már 2db erősítő modult tda 2050-ből készítettem már ilyen egyenirányítóra,és elbírja. Egy 250watos trafóval, és 2x6800uf-es kondival van. Szerinted kb milyen trafót szerezek be ehhez amit most tettem fel egyenirányítót, hogy 2db tda 2050 elbírja majd nekem, de egyenlőre csak 1db-ott kötök rá.
Sziasztok Egy erősítőhőz építhetek ilyen tápegyszéget http://www.hobbielektronika.hu/forum/files/d4/d4f5fc8088cdf90e488dd...ac.png
http://www.hobbielektronika.hu/forum/files/b3/b3d535bbfe1898c9cde98...a2.png ez helyett? köszönöm
Még azt megtudnátok nekem mondani, hogy a kondik mi célt szolgálnak egy ilyen kapcsolásban? A kettős táphoz szükségesek? Nomeg a trafóból kijövő 2x30Voknak melyik pontjait kötöm össze a híd előtt? A 30 V-ot és a 0-át?
Még egy kérdésem lenne, hogy miért jobb a toroid a rendes trafónál az erősítőkhöz?
Szia.
A toroid trafónak legkisebb a mágneses szórása a többi trafó típushoz képest, ezért használják előszeretettel végerősítőkben.
Szia! Azonos teljesítményhez a toroid trafó kisebb, és a toroidnak nincs akkora szórt mágneses tere.
Tisztelt fórumtárs! Figyelemmel kísértem az eddigi hozzászólásaidat. Tanácsolnám, hogy a 2x100W-os erősítő megépítése előtt egy kisebb, egyszerűbb áramkört rakj össze, lehet az akár erősítő is. Egy pár alkatrészből álló pl. TDA2030 elkészítésén keresztül meg tudnál ismerkedni az alapokkal. Az alapok elsajátítása nélkül félő, hogy az - amúgy nagyon becsülendő - terved kudarccal fog végződni. Szóval inkább lépésről lépésre. Egy ilyen TDA-s kapcsolásból szinte minden alkatrész hasznosítható lesz a majdani erősítőd kiszolgáló áramköreihez. Üdvözlettel: reloop
üdv mindenkinek!
Kérdésem lenne.Sodrott vezetékre szeretnék 10-12db 35w-os halogént szerelni.Lehet-e 2 trafóval és ha igen hogyan kell összekötni?Kösz ha vki segít!
Ha egy sima trafóm van, akkor azt, hogy lehet megoldani, hogy szimmetrikus legyen?
Konkrétan egy 9V AC-s van, és ebből akarok ugye 2*5V-ot, fesz stabokkal lenne az 5-5V, de előtte nem tudom mi kellene.
A 9 V -os tekercs egyik vége a GND. A másik végére raksz két dióda egyik végén összekötött anódját, katódját. A diódák másik végeire rakott puffer kondikon és a katódon pozitív, az anódon negatív feszültséget kapsz, a GND -hez képest. Ezzel kész a szimmetrikus tápod. Ide jöhetnek a pozitív, és negatív stabkockák.
Szia!
Mindenféle képen nagyobb feszültségre lesz szükséged,mert 9v az kevés 2×5v-hoz,főleg stabokkal! Ha szimpla áramod van,akkor arra a rajzra van szükséged amit feltettem.Természetesen,még kellenek a stabok. Üdv,Sanya
Miért is lesz kevés? Szerintem elég. Ha a 9 V váltót egyenirányítja 12,6 V -ot kap üresjáratban. ebből csak meg lehet csinálni az 5 V -ot.
Attól függ mire fogod használni,mert függ a teljesítmény felvételtől is!
Én semmire, de a kapocsfeszültséget a terhelés csak annyiban befolyásolja, ha a trafót túlterheled. Ha nem terheled túl, az üresjárási feszültség leesik ugyan valamennyit, de az még mindíg bőven elegendő. A tabkockának. A 7805, és 7905 stabkockáknak 10 V nyers feszültségre van szükségük , hogy hozzák a paramétereiket. Ennyire meg csak nem esik le a feszültség.
Ezt akarom megépíteni. Van itthon 2 9V-os kis trafóm, így nem szeretnék venni külön 3*9V-osat.
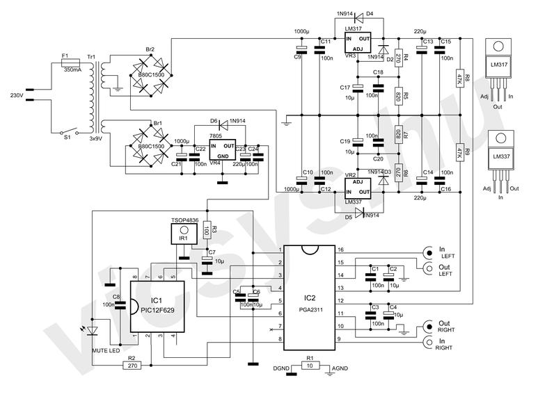
Pedig szükség lenne a második, külön, független tápra. Az FPGA 2311 áramkör egy nagyon érzékeny áramkör, független, agyonstabilizált, agyonszűrt tápra van szüksége, hogy hozni tudja a paramétereit. Nem lehet közös tápja a digitális vezérlésével. Ha mást nem, akkor használj két egyforma 9 V -os trafót, az egyikkel megcsinálod a dupla tápot az előzőek szerint, a másikkal pedig egy 5 V -osat a logika részére. Próbából szűrőtagokkal elválasztva járathatod az egyik oldalról is, de úgyis meg fogod látni a független táp szükségességét.
Ezt írtam én is, 2 kis 9V-osom van itthon.
![]() Meglesz a független táp, csak ugye ezek nem szimmetrikusak, azért kellett egy kis segítség a szimmetrikusra hozásra. De közben találtam más megoldást is, virtuális föld kulcsszó alatt.
Ahogy nézem tényleg kevés lesz így a 9V. Eléget valamennyit az IC is, amivel a virtuális földet csinálnám. Illetve a fesz. stabok is droppolnának 1-2V-ot.
sunyisanya hozzászólásában ott van, hogy az egyik trafód 9 V -jából hogy kell a szimmetrikus tápot megcsinálni.
Bővebben: Link A másik trafó 9 V -jából megcsinálhatod a digitális rész tápját. A két táp földjét (GND9 az IC adatlapján látható módon közösítsd, sehogy máshogy, a zavarok, és a brum miatt.
Helló,
végigolvastam az összes hozzászólást, viszont nekem még nem nagyon tiszta ez a téma. Előre is elnézést, ha túlontúl alap, bugyuta, esetleg felettébb buta a kérdésem. Építeni szeretnék egy UV levilágítót, 10 db 5 chipes ledből, 3,4V és 100mA kell nekik egyenként. Ezeket gondoltam 2-2-t sorba és ezeket párhuzamba kötni. Viszont nem tudom milyen tápot csináljak hozzá. Szimmetrikus kellene? Esetleg jó az aszimmetrikus is? (két trafó is rendelkezésre áll, 2*9V 40VA és egy 1*10V 30VA) Előre is köszönöm a válaszokat.
Igen, de annyit esne a fesz. hogy kevés is lenne a végére.
Hát ezzel kezdtem!!!!
|
Bejelentkezés
Hirdetés |













