Fórum témák
» Több friss téma |
Természetesen, csak a trafó és a kondik feszültsége ehhez igazodjon.
Köszi.
Ép most nézem hogy szimetrikus tápegység topikba írtam nem a stabilizáltba
Sziasztok!
Végre van középkivezetéses toroidom ![]() Kérdésem, hogy elegendő egy dióda híd bele vagy kettő kellene? Igaz utóbbit nem tudom elképzelni.
Hello!
Nem csoda! Középkivezetéseshez, egy híd kell. Két külön tekercshez használható a két híd.. üdv! proli007
Akkor jó. Mégsem vagyok akkora hülye.
Lehet még is csak lökött vagyok, de megtalátam:
Bővebben: Link Most ez jobb vagy fölösleges a dupla híd?
Hello!
Vicces. De amikor a trafó felső felén a pozitív fázis van, akkor az "kimegy" a kimenetre, amikor meg negatív, zárlat van.. üdv! proli007
Közben ezt alkottam.
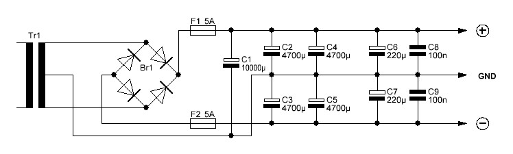
Ez működőképes lehet? Nem ragoztam túl a kondikat?
Hello!
Ez már értelmesebb. (De a 1000µF negatív lábát egy dróttal feljebb kellene kötni.) üdv! proli007
Az 10.000 nem 1.000. Pont ezen aggódom, hogy így jó-e és egyáltalán kell-e?
Akkor az rendben van, hogy a közép kivezetés a GND?
Hello!
Miért ne lenne rendben? Ennél a kapcsolásnál, fix galvanikus kapcsolat van a trafó és a GND között, amitől a trafón keresztül kevesebb zavarjel érkezik, mint a hídegyenirányításnál. Mert ott a diódák kapcsolgatják a trafót a GND-re. (100µF-ra meg nincs szüksége, csak a "varázslóknak". Ez meg "csak" egy erősítő lesz..) üdv! proli007 Idézet: „(100ľF-ra meg nincs szüksége, csak a "varázslóknak". Ez meg "csak" egy erősítő lesz..)” A C4-re gondolsz? A trafó egyébként egy toroid 2x22 VAC / 200 VA.
Hello!
Na jó, akkor össze vissza beszélek. Én írtam a 10000µF-ra, hogy 1000, nem Te. De a C1-ről volt szó. Azért írtam, mert a két 4700µF-os kondi mellett az 100µF nem kell. De ha 10000µF akkor legyen annyi. De mindenki annyit tesz bele, amennyit tud, vagy akar. Általában amperenként a 4700µF meg szokott felelni.. üdv! proli007
Hello!
Van egy 24v-os kapcsolóüzemű tápegységem. Ha valamilyen áramkört utánnaépítek ki lehet hozni belőle a +- 24v ot ? Az egész nagyon kicsi helyet foglal el, szóval valahogy úgy működik mint a PC-s táp.
Minek kellene mert ha valami kis szerkezet lehet hogy kevés az áram szolgáltatása és akármire nem tudod használni mert pl erősítőbe egy gyenge szimmetrikus táp nem jó !
Egy erősítőbe kell de elég lenne neki +- 20v is. TDA 1514 hez +-10v tól +-30v ig mukodik. Jelenleg is +-20v rol megy, csak szeretném kapcs. uzemu taprol inditani mert kicsi helyet foglal el.
Jelenlegi trafo ami a tda 1514-hez van áttekercselem és jó lessz TDA 7294-hez
A táp egyenirányítását alakítsd át kétutasra, akkor szimmetrikus feszültséget kapsz, aztán hogy esik-e, és mennyit, az majd kiderül.
Hogy alakítsam át ? Dióda híd helyett 4 dióda van rakva. Trafót nem lehet tekercselni mert naon kicsi.
Szerintem nincs is benne trafó csak hálózati zavarszűrő mert pufferkondinak 400v 47 µF van
Van HE-n egy cikk, a címe: Tápegységek. Ott le van írva, hogy melyik módszerrel milyen feszültséget kaphatsz. A kimeneti diódákat kellene megnézni, hogy milyen egyenirányítás van, és azt átalakítani, hogy szimmetrikus tápfeszültséget kapj.
A 4 dióda a dióda híd helyettesítése miatt van
A táp lehet hogy +-24v-os de nemtudom, megfogom nézni.
A 4 diódád összekötve maga a dióda híd.
Nem feltétlen csak az egy tokban lévő graetz kocka lehet dióda híd.
Ezt én is tudtam
Mérőműszerrel összevissza méricskéltem a tápot és észrevettem hogy van rajta potméter amivel lehet állítani a kimenő feszt. De 24v- 27v ig lehet állítani. A nyákra rá van írva: MITSUMi 29 7363B
Sziasztok!
Építettem egy szimetrikus tápegységet egy TDA2040 alapú sztereo erősítőhöz. A trafó: két külön tekercs egy "O" magon (remélem jól hívom), a primer és szekunder tekercsek osztottan mind a két csévén. Egyenirányítás: Graetz-híd és 1-1 db 10.000µF a "+" "-" ágakban A problémám, hogy terhelés hatására torzul az egyenirányított feszültség, miközben váltó oldalon minden változatlan (tized voltra azonos a két fél). Gyanakodtam a pufferkondikra, ezért hát felcseréltem a két ágban lévő 10.000µF kondikat, de a helyzet változatlan maradt, továbbra is a közel 1 voltos szimetriaeltolódás tapasztalható (azt hiszem a "-" ágban). Ha ugyanezt a tápot leterhelem 2 db 50W-os izzóval nincs torzulás. Kérdés, hogy mi lehet az oka ennek az asszimetriának (nem hinném, hogy normális), valamint okozhat-e gondot az erősítő működésében. Segítségeteket köszönöm!
Szia!
Mutass egy rajzot a szimmetrikus tápodról.
Lényegében véve erről a tápról lenne szó amit mellékelek. A C1, C2 10-10.000uF.
Lehet, hogy az asszimmetriát az IC okozza. Ez az 1 V eltérés nem sok, nem számít.
|
Bejelentkezés
Hirdetés |






Mérőműszerrel összevissza méricskéltem a tápot és észrevettem hogy van rajta potméter amivel lehet állítani a kimenő feszt. De 24v- 27v ig lehet állítani. A nyákra rá van írva: MITSUMi 29 7363B 





