Fórum témák
» Több friss téma |
Step-down Dc-DC konverter IC. Pl. LT1765, de van sokféle.
Helló!
12V-ból szeretnék olyan +-5V-ot, az áramkörök működtetéséhez. Tehát jó lenne 1 akkuról mennie. Mondjuk jó esetben mindkettő ág terhelve lesz, de lehet az egyik ágról több minden fog működni, még nem tudom biztosan.
Akkor választhatsz:
- kapcsolóüzemű táp, trafóval vagy trafó nélkül - az eredeti "koncepció" megfelelő áramot elviselő tranzisztorokkal Szerintem a második verzió lesz az olcsóbb, igaz, több hőt termel, de ez 0.5A-nál még tolerálható.
Egy egyszerű Buck konverter; egy FET (TR), L, C, R. Találsz megfelelő kapcsolásokat.
De valami IC mindenképp kell hozzá, nem? Különben nem lesz stabil, legalábbis szerintem.
Egyébként köszi az ötletet nem is gondoltam erre, hogy ezekkel ilyet is lehet.
Szerintem működne, csak jól végig kell gondolni, hogy miként illeszthető a két kapcsolás.(Nem minden lehetőséget közölnek az adatlapokon.) Próba, cseresznye. Schotky diódákat használj, de lehet kis teljesítményű gyors diódákat (1N4148 próbára) is, ha nem melegszenek. Minden esetre kis áramú előterheléssel próbáld éleszteni, és mindent, mindig mérj, hogy kiderüljön időben ha valami nem stimmel.
Köszi!
És valami más, olcsóbb IC-be nincs ilyen konverter, mert a 3A az egy kicsit túlzás erre a célra. Ilyen konverterekben sajnos nem vagyok nagyon jártas és kapásból nem tudom megmondani, hogy ez most jó lenne-e vagy nem jó. Pl. vannak ezek az olcsóbb 8 lábú jószágok mint pl. MC3403 vagy DIP tokozásba TS34063. Ezeket is lehetne használni? Melyik IC-vel lenne a legolcsóbb megvalósítani? Ez a konverter egyébként azért is jobban megfelelne a célnak, mert pl. nem merítené annyira az akkumulátort. Azért ez sem egy utolsó dolog. (#1278930) granpa: Azt tudom, hogy ezeket nem kell stabilizálni, csak én azt hittem, hogy úgy értetted, hogy én építsek neki egy pwm-es meghajtást, vagy tudom és én mit ami kapcsolgatja majd a fet-et. Azért így már lehet drágább lenne az egész.
Nézz meg egy buck konverter kapcsolást, és választ kapsz. Nincs benne semmi hókusz-pókusz. A 3A-es nem luxus, ha az van kéznél, és másra épp nem kell, ugyanúgy tud pár-100mA-t is. De ha közel van a bolt, nézzél v.mi 50Ft-os IC-t. Először a datasheetben persze, vagy a boltok kínálatában, a NET-en. És akkor eleve olyat nézel, aminek az adatlapján ott a szimm.táp felhasználási kapcsolás.
Az a TS2576 másra is kellene, szóval ezért sem azt szeretném használni, max csak kipróbálnám vele próbapanelon, meg jó lenne smd-ben megépíteni. Amúgy a 2576-nak az adatlapján sincs szimmetrikus táp alkalmazás, meg ahogy most így hirtelen megnéztem a 8 lábúaknak sincs. Ezt a két kis IC-t én pl. Lomexben néztem és DC-DC konverterekre ezeket dobta ki.
De akkor lényegében te sem tudod biztosan, hogy ezek az olcsó jószágok működhetnek "szimmetrikus módban" is az előbb csatolt kapcsolási rajz alapján?
Akkor szerintem majd berendelek egy TS34063 és majd eljátszom vele, úgy sem egy nagy pénz érte, szinte ingyen adják.
A 34063 alkalmazásai közt van kettős táp példa, kell hozzá egy egyszerű kis trafót tekerni, mokka cukor méretű ferritre (szinte akármire), nem ördöngösség. Az egyéb alkatrész/elem számítási módok megadva, mi kell még. De ha keresel más boltok kínálatában is, találsz olyan olcsó IC-t, amivel még egyszerűbb. A 3403 OpAmp.
Melyik adatlapon látsz te olyat? Én nem találom.
És mit akarsz azzal a műveleti erősítővel? És melyik lenne az az olcsó IC, mert elég sokan vannak?
Így séróból nem tudom, de Alldatasheetben az MC (KA) előjelnél keresd ki (lehet ON Semi-nél volt), valamelyiknél megtalálod, ők arra is mutatnak példát. Az előjel mindegy, mind ugyanazt tudja (típusszám a lényeg). Van olyan adatlap, ahol semmit nem mutatnak!
A Te felsorolásodban szerepelt. Én nem fogom végignézni a boltok kínálatát (típus és árlistáját), nem nekem kell.
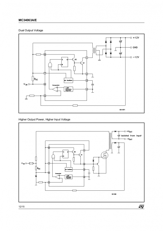
Na nagy nehezen megtaláltam, szerintem erre gondoltál:MC34063
Idézet: „De ha keresel más boltok kínálatában is, találsz olyan olcsó IC-t, amivel még egyszerűbb.” De itt mire gondoltál konkrétan? Arra hogy használjak 3403-as műveleti erősítőt egyszeres táplálással, vagy hogy létezik a ~ 60Ft-os MC34063-as IC-n kívül még olcsóbb is (bár már ez nagyon olcsó) amivel mégegyszerűbb megvalósítani a tápot?
Na, csak kerestem neked egyet: IK Semicon; IL34063, ott van a kettős táp, más cégeknél is van. Ha csak annyit írsz be: 34063, több mint 300 találatot kapsz, és azok közt van ahol ezt az alkalmazást is írják. (az első 10-en belül) :yes:
A 3403-asra egyáltalán nem gondoltam. Ha DC-DC konvertert keresel a kínálatokban, lehet, hogy találsz még olcsóbbat; de nem éri meg a keresést.
Hát igen, bazi nagy az internet, nem beszélve a különböző gyártók adatlapjairól.
![]() Amúgy akkor minek írtad oda a 3403-at a hsz-ed végére? ![]() Köszi szépen mindenkinek a segítséget, akkor szerintem veszek pár ilyen IC-t és letesztelem a képességeit. Mindenesetre felteszem ide a kapcsolást amit nagy nehez sikerült megtalálni, hogy más könnyebben megtalálja. Még annyit hadd kérdezzek meg, hogy az alsó kapcsolás működhet több szekunder kivezetéssel is, tehát több független izolált tápot lehetne egy azon IC-vel létrehozni?
#1278937 sz. hsz.-edben Te említetted az MC3403-at; én azért írtam oda, mert OPA; nem ide való.
![]() Természetesen működhet a terhelhetőség határáig. Akkor már úgy az igazi, ha van visszajelzés(szabályzás, akár minden ágról).
Tényleg én írtam.
Szerintem oda is 34063-at akartam írni csak a 6-ost kihagytam belőle, vagy elnéztem a lomex honlapján a típusát. Bár az sem hülyeség, hogy egyszeres táppal működő műveleti erősítőket alkalmazzak.![]() Minden ágról, hogy? Akkor már nem lenne izolált táp. Én úgy gondoltam, hogy 1db trafó aminek van pl. 5 egyforma szekundere és az 5. van visszavezetve, úgy mint a rajzon is. Ezeknek mondjuk elég lenne 100mA-es terhelhőtőség is.
Ja. De feltalálták az optocsatolót, vagy bármi kis nudli "trafóval" is lehet izolálni. Nézz be ez ügyben, a kapcsitáp témába.
Jó az egy tekercsről szabályzás is, elég stabilitást ad (ld. PC táp).
Én az optocsatolást alapból elvetettem, az már csak bonyolítaná a helyzetet, ennél az izolációs megoldásnál úgy sem lenne szükségem nagyon stabil tápra még az 1V-os pontatlanság is beleférne. Nem tudom, hogy szabályoz a PC táp, de ha neki is csak ennyi van akkor tényleg jó így is.
Hello!
Találtam egy kapcsolási rajzot itt az oldalon. Szimmetrikus tápot egyenirányitani szeretnék, a rajz szerint mindent megcsináltam, de 1 valamit nem értek hogyan foldeljem le GND?? A hálozat földjére kössem?? A hozzászólás módosítva: Okt 2, 2012
Szia!
A GND-nek nevezett pontok a föld. Ezeket össze kell kötni és máris megvan a közös földed, amit nem kell összekötni a hálózati védővezetővel. A hozzászólás módosítva: Okt 2, 2012
Hello!
Nem kötelező leföldelni a GND-t. A GND (Grund) csak az áramkör alappotenciálját jelenti, amihez képest értelmezzük a feszültségeket. Ezt a pontot szokták a készülék házára - árnyékolására kötni. Aztán hogy ez az életvédelmi hálózati földel közösítve van, vagy sem, az már alkalmazás és biztonság kérdése. Mert ha összekötsz két olyan fokozatot, ahol mind kettő GND-pontja földelt, akkor előszokott fordulni, hogy a két készülék között földáramok folynak. Vagy is ha ez pld. a jelvezeték árnyékolásán keresztül halad, akkor jó esély van arra, hogy hálózati 50Hz hangját fogod hallani. Többek között ez a földhurok. Szoktak még alkalmazni olyan megoldást, hogy a GND és a földelés közé, diódahidat kötnek, kondit, ellenállást. Ennek az az értelme, hogy kis GND feszültség különbségnél, a diódák még nem nyitnak ki, így nem alakulhat ki hurokáram. Viszont nagyobb feszültség különbségnél, kinyitnak és biztosítják az életvédelmi földelést. Mert ha nem kötöd a GND-t a védőföldre, és a készülék háza csatlakozópontja stb. Vagy is a GND megérinthető, akkor áramütést szenvedhetsz, ha a GND feszültség alá kerül. Vagy is elvileg a GND-t mindig az érintésvédelmi földre kellene kötni, kivétel akkor ha az minden szempontból szigetelve van. Vagy is a készülék kettős szigetelésű. Bocs, ha kicsit hosszú volt, de remélem némileg érthető. Felehettem volna egyszerű igenel is. De ennél kissé színesebb a dolog, lévén hogy gondolom erősítőt építesz. Nézz utána a megfelelő topikban mit tesznek ott, ebben az ügyben. "földhurok - csillagpont bekötés jeligére" üdv! proli007
Hali!
Van 2 db 22v/250va egyforma Toroidom. Milyen tápegységet tudok ebből csinálni? A kimenő +/- feszültség értékére gondolok elsősorban. Végfokhoz kellene olyan 38v- 45v ig |
Bejelentkezés
Hirdetés |





Ha DC-DC konvertert keresel a kínálatokban, lehet, hogy találsz még olcsóbbat; de nem éri meg a keresést. 






