Fórum témák
» Több friss téma |
Nekem van egy erősítőm, a trafó kb. 400VA-es, és hasonlóan csak 24V AC-t ad le. Egyutasan egyenirányítottam bika diódákkal, ráraktam jó 10.000µF puffert, meg egy TDA7294 hidat. 4 ohmon van hajtva egy mélyládával. A trafónak akkor a szórása, hogy a hangszórón nagyon halk búgás hallatszik. Ezt sajnos nem sikerült kiküszöbölnöm. Esetleg árnyékolással lehetne segíteni. Viszont a célra megfelel, mikor 100W-ot veszek ki belőle, egyáltalán nem torz a zene, és a pici búgást elnyomja a mély. Én azt mondom, hogy a a trafó terhelhetősének ha csak 40-50%-át vesszük ki, akkor semmi gond. Pl. az én esetemben is a mélyláda napi szinten kb. 20-40W-tal van hajtva, ilyenkor nem sokat befolyásol az egyutas egyenirányítás. A fő ok, amiért ezt alkalmaztam az volt, hogy nem volt másik trafó, és áttekerni sem szerettem volna, és az igény is csak annyi volt, hogy szóljon, ha kell.
Szia
Nézd kikesz 100W trafot mutat. Te 400W os ról beszélsz és az is brummos. Én ugy érzem válaszoltam a brummra és az én álláspontom szerint egyútas egyenírányitás nem jó, egy erősítőhőz. Nem azt mondom nem lehet meghajtani, proba ként de használni ÉN nem használnám. üdv.
Én pont azért írtam le az én álláspontom, mert nem egyezik a tiéddel, és Kikesz tud mérlegelni, megéri-e. Nem szerettelek volna meggyőzni, csak más nézőpontot is mutatni Kikesznek. Valószínűleg valahol kettőnk között lesz félúton az igazság
Köszönöm szépen a válaszokat ! Elsőnek is megpróbálok valami erősebbnek utána nézni ! Írok mihint van fejlemény
Üdv mindenkinek!
Egy másik témában hoztam fel először a problémámat, de nem jutottunk előre, ezért ide jöttem vele. Megépítettem a képen látható tápot. A + 0 - 38volt-os ágak tökéletesen szimmetrikusak, az erősítő szól is vele rendesen. A bajom a szabályzott ágakkal van, pontosabban a negatív ággal. A 7915 után 30voltot mérek! (A 7815 után 14,6-ot) Többször átnéztem, nem e hibáztam a bekötések során, de nem, az alkatrészek is újak, de próba képpen tettem bele másik 7915-öt, 7912-t, a jelenség ugyanaz, pozitív ág tökéletes, negatív ág pedig nem. Próbáltam más rajzok alapján diódákat elhelyezni a kimenetekre, levettem a kondikat, feltettem kondikat, de semmi változás. Próbáltam légszerelve, nyákon is, sehogy nem akar a negativ ág stabilizálódni. Tanácstalan vagyok. Valaki futott már bele ilyenbe?
Szia.
a 79 sorozatnak más a bekötése mint a 78-nak. Nem itt tévedtél.
Üdv! A "rajzom" szerint mintha jó lenne a Te rajzod is csak azok a 270Ohm 3W ellenállások talán feleslegesek.
A lábak bekötésére figyelj oda a második képen a lábak számozása nem véletlenül más.
Rakj elé egy 7924-et, hogy túlélje a -38V-ot. A max. határadatot (-35V) túllépted, és tönkre-vágtad a stabkockádat.
A pozitiv ágban minden rendben van, pedig ott is 38v a bement, minusz ami a 270ohm-on esik.
Csináltam egy másikat is, 2x15volt trafó, diódahid, 7812 és 7912, a jelenség ugyanez, pedig ott nem éri el a 35 voltot a tápfesz. Pozitiv oldal 12voltra szabályoz, negativ oldal meg alig szabályoz valamit. A stabilizátorok előtt minden esetben teljesen szimmetrikus a feszültség. Lézetik az, hogy a boltban ahol vettem háromszor egymás után * 79-est kapok? A hozzászólás módosítva: Jan 30, 2014
Egy stabkocka nem egy ördöngösség. A kapcsolási rajz jó, a nyákterved jó, ha az in lábhoz megérkezik a -38V (biztos gyártmányfüggő, de szerintem pár percig mindenképpen kellene bírnia a 150-200ma amit egy 5w-os égő kér) nincs zárlat a lábak közt a panelon, ha jó a kocka -15v körüli feszt kell mérni (nem teljesen szimmetrikus a 7815-7915)és kész. Köss össze két 12v akkut sorba panel nélkül mérd ki, így keress jól működő 7915-öt. Ha az ic jó, mérd végig a panelod, nincs e zárlat mindenhol annyi e a fesz amennyinek lennie kell,( a trafófól a vezetékek gondolom jól jönnek).
Mindkét ág be volt terhelve, igaz nem 1k val, hanem 24volt 5wattos izzóval, de megfogadom a tanácsot, ha hazaérek kipróbálom úgy működik-e.
Rakj fel egy kiértékelhető képet.
Megoldódótt, az 1kohm a negatív ágban valóban hatásos volt, nem tudom az izzós próbámnál miért nem ment a dolog. Köszönöm a segítséget!
Érdekes tapasztalat, vajon az adatlapok és kapcsolások miért nem említik ezt meg.
Igaz, hogy nem említik az adatlapban, viszont a táblázatban a kimenő feszültségnél 5mA-t vesznek minimálisan. Ezért viselkedik terhelés nélkül így. Ezt egyébként mindenkinek meg kell tapasztalnia
Hello! Nem titok. Az áramkör belső működését elemezve, látható, hogy annak helyes működéséhez bizony terhelőáramra van szükség. (A negatív stabilizátor felépítése, nem "tükörszimetrikus" a pozitívéval. Vagy is "nem ugyan úgy néz ki, csak épp PNP tranyók vannak benne.") üdv!
De erre miért nem volt jó az 24v 5w-os izzó? (Tényleg kíváncsi vagyok)
Azt mi innen soha nem fogjuk tudni megmondani. Próbáld ki még egyszer, igaz volt-e.
Nem kell szétszedni, régi korrekt adatlapok tartalmazták a belső kapcsolást is, legalább is a megértés szintjéig lebontva. üdv!
Sziasztok,
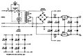
Valami ilyesmit szeretnék építeni, ha jól látom sima stabilizált +-12VDC táp (a képen látható buszrendszer most nem fontos). A pozitív oldalról kb 800, a negatívról 500mA-re lesz szükségem, de ha mindkét oldal terhelhető lenne 1-1,5A-ig, az volna a legfrankóbb. Hogy tudom a legegyszerűbben/legolcsóbban kivitelezni? Milyen trafót használjak, illetve szerintetek milyen kapcsolás alapján építsem? Előre is köszönöm a segítséget, üdv, Gábor
Alapból nagy hűtőfelülettel ez is tud 800mA-t, de áteresztő tranzisztorral lehet növelni terhelhetőségét. Ha vannak valamilyen teljesítménytranzisztoraid PNP NPN azokat hozzá lehet rajzolni. A trafó Áram * feszültség =VA
A hozzászólás módosítva: Feb 7, 2014
Köszönöm!
A negatív oldalon lévő 100nF kondik közül az egyik a "semmibe" csatlakozik ha jól látom. Jól van ez így?
Illetve engedd meg, hogy még egy hülye kérdést feltegyek: AC GND-re mi csatlakozik? Elsőre azt gondoltam, a fali konnektor földelése, de úgy gondoltam, olyan hálózati csatlakozót használnék, mint amit a belinkelt képen is látni lehet, így azt be sem kötném.
Bocs mindjárt javítom a kondi lábát (a negatív kimenetre megy). Olyan trafó kell amin 2x15v-os tekercs van ezek közös pontja csatlakozik az Ac GND-ponthoz. (Az én graetz hidam lábai közt már nem fért el még egy kivezetés a nyákon, ezért az alkatrész oldalon a vezetéket vittem a lábak közt erre a pontra)
Még egyszer köszönöm, így már tiszta
Üdv, szép estét!
Hali,
Összeraktam, egyszerűen érthetetlen, de a negatív oldalon -18V feszültséget mérek. Pozitív oldalon +12V, ahogy kell. Stab. IC-t kicseréltem, nem azzal volt a baj. Az IC előtt mért egyenfeszültségek szinte egyeznek (+27V, -28V). A végén a negatív oldal mégsem jó. Van esetleg ötlet, hogy hol lehet a baj?
Ha kicsit visszaolvasol, akkor az előtted kérdező kolléga is ezzel küzdött. Megoldást lásd ott.
A hozzászólás módosítva: Feb 19, 2014
Több, mint 4k-ra volt szükség, így most stimmel. Nem értem, miért így működik. Bent is kell hagynom az ellenállást terheléstől függetlenül?
Terhelés alatt pedig esik a feszültség -3V-ra. A pozitív ágon így is 12V mérhető. Ez így rendben van?
Szia.
Nincs rendben. Mikor -3V-ot mérsz, a stab előtt mekkora feszültség van? Mivel terheled? |
Bejelentkezés
Hirdetés |








A negatív oldalon lévő 100nF kondik közül az egyik a "semmibe" csatlakozik ha jól látom. Jól van ez így? 





