Fórum témák
» Több friss téma |
Fórum » Sztereó DAC
Témaindító: meszattila, idő: Ápr 10, 2007
Témakörök:
Köszönöm, megpróbálom, bár ennél a kapcsolásnál elvileg ez egy ic-nek lenne a feladata.(MCP120T)
Forrasztási hibát keress szerintem csak annyi lesz a gond, ha a reset meg van oldva. Ha van szkópod mérd meg a jelet a DIR bemeneténél.
Már százszor átnéztem a forrasztásokat, nem valószínű, hogy amiatt ne működne. A dir bemeneténél, 20-as láb, szkóppal nézve tápfesz nagyságú négyszög jelek láthatók.. Optikáról és koaxról is egyformán. (azért jó lenne egy kép arról, milyennek kell lennie a négyszögjelnek az ic bemenetén, hátha az nem megfelelő.
Át is forrasztottad? Az ilyen apró forrszemeket még nagyítóval sem lehet korrektül ellenőrizni, én is jártam így nem is egyszer, nagyítóval ránézve teljesen rendben volt, de azért átforrasztottam az IC-t jó sok folyatószerrel és lőn világosság. Ellenőrizd még, hogy a reset rendesen működik-e, tehát, hogy van-e késleltetés.
Igen az ic-t átforrasztottam,de előtte is átellenőriztem mindent zárlatra és kontaktra, hogy nincs e szakadás a nyák fólián. A reset ellenőrzését, hogy kellene megcsinálnom? Nem vagyok nagy szakértője a témakörnek. Bízom benne,hogy ennél a résznél lesz a hiba, mert ezután gondolom csak az ic marad gyanús.
Például logikai analizátorral, vagy szkóppal kellene figyelni egyszerre a tápot és a reset álását. De úgy is megoldhatod, hogy manuálisan reseteled, addig lekötöd a reset IC-ről.
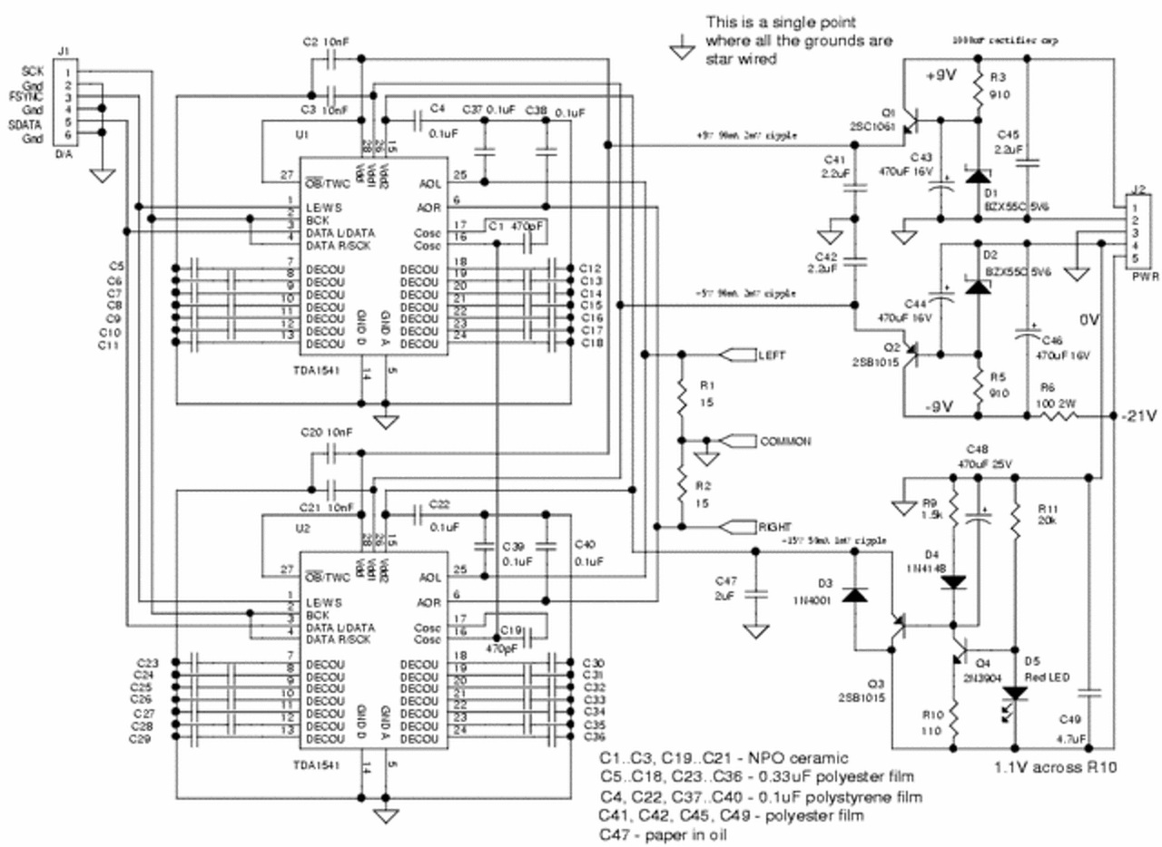
Köszi! És mennyi a hullámosság elnyomása [dB] ill. zajossága (uV)?
A hozzászólás módosítva: Nov 30, 2015
Párhuzamosan ez tud így müködni , az is 2 -es mi tudja kiszolgálni két TDA esetén ?
Nagy köszönet CHZ és Buvarruha mestereknek a reset tipp miatt. Kiforrasztottam az ic-t, mivel ennek az áramköri környezetében úgyis ott volt a 10K és 100nF, tápra téve azonnal elindult a DAC. Beleraktam
az új reset ic-t, ismét nem működött, kiforrasztottam és enélkül tökéletesen üzemel.
Anno én is csak fél órát böngésztem a dir adatlapját mire erre rájöttem anno.. Sok kapcsoláson a reset egyből tápon van, 10k+1uf tökéletes neki.
Ha rövid időre leáll a táp majd újra megy akkor előfordulhat, hogy így sem fog indulni.
A panel tesztelve müszeresen rendben a tápok ellenőrizve , korrekciózva .
A doboz nyers állapotban , a DAC panel a hozzátartozó kis trafókkal a csöves kimeneti fokozat tápegység panelja látható a képen , jelenleg tervezés alatt a kimenti fokozat panelja ehhez a dobozhoz . A hozzászólás módosítva: Dec 6, 2015
Folytatás ... Gyakorlatilag már csak a csöves kimeneti fokozat trafója ami hibádzik , totálisan összeállitva üzemkész állapotban . / A dobozolás csak ideiglenes , a későbbiekben lessz véglegesítve ! /
A hozzászólás módosítva: Dec 11, 2015
Arra vagyok kíváncsi, hogy hangra milyen a TDA-hoz képest.
Egészen más világ mint a TDA , azt kell mondanom nekem ez most a befutó 1:0
![]() Ha egyszer arra járok, beugorhatok meghallgatni? A hozzászólás módosítva: Dec 11, 2015
Próba , meghallgatás folyamatban ...
Érdekes jelenséget fedeztem fel, de még csak részben.
Írtam korábban hogy volt stabilitási problémám a 1794-el... Most ismét elöjött a történet, de egy konkrét esemény kapcsán. A DAC és az utána lévö OPA fokozatok külön trafóról vannak nálam ellátva. Ha ez utóbbit ki és bekapcsolom (primer), a DAC elnémul, a digitális rész a megszokott 2,5W helyett 7,5W-ot vesz fel (2 panel esetén), a 3,3V-os stabi szegény meg majd meg fö... ![]() Normál indításkor nincs probléma (egyszerre mind a kettö). Kell egy kicsit méricskéljek majd mi is történik, a stabi billen-e ki valamiért vagy maga a DAC... (valamilyen tranziens hatására, de hogy hol az még rejtély...) A hozzászólás módosítva: Dec 21, 2015
Nos megmértem a stabit, az nem billen ki, marad 3,3V. Szegény DAC IC lesz valamiért instabil, és eszik meg +5W-ot fejenként ez esetben. Szépen meg is föne ha sokáig így maradna...
![]() A jelenség csak akkor jön elö, ha a receiver (jelen esetben USBStreamer) is be van kapcsolva! A kiváltó ok egyértelmüen valamilyen primer hálózati (230V-os) tranziens!! Mivel a táp csak ideiglenesen van bekötve (szürö nélkül), megpróbálom betenni elé a szürös csatlakozómat, hátha segít valamit. Megpróbálom továbbá csak egy panellel, kiszürve a digitális földhurkok szerepét... A hozzászólás módosítva: Dec 22, 2015
Inkább azt mérd meg, hogy mi történik a DAC kimenetein, de amúgy ne nagyon kapcsolgasd a bufferek tápját, miközben megy az IC.
Nem tudom mi történik, hang nem jön ki az biztos (se zaj, se semmi) ha begerjed. De megmérem...
Nem kapcsolgatom passzióból, de így tudom elöidézni mesterségesen a jelenséget. Eredetileg úgy jött elö ez a probléma, hogy egy háztartási eszközt kapcsoltam (ugyanabba a konnektorba volt dugva mint a DAC) mikor elnémult minden, és úgy 1 perc után kezdett gyanús büdös lenni... ![]() Kijött egy újabb adatlap a 1794-hez: Bővebben: Link Ebben van 2V-os szintel egy másik kapcsolás mint az eredeti AppNote-ban, lehet ezt építem meg inkább majd mint kimeneti osztóval vacakolok.... A hozzászólás módosítva: Dec 22, 2015
Ja, így már értem. Igen ez a 92-vel is előfordul, de az olyankor resetelődik és üvölteni kezd (használom a hangerőszabályzóját), viszont ezt inkább a környezetből szedi össze, nem a tápon tapasztalataim szerint, jó nyákterv és masszív árnyékolás kell neki a digitális oldalon.
A hozzászólás módosítva: Dec 22, 2015
Akkor legalább nem ismeretlen a jelenség, ez részben megnyugtat.....
Bár a resetelödés nem biztos hogy egyenlö a gerjedéssel!?!? Ezért gondoltam én is a tápszürö beépítésére. Fizikálisan mi okozhatja a problémát? Nem lehet erre valami automatikus védelmet kitalálni (ha már az IC nem tudja megvédeni magát, sajnos)? Milyen a jó nyákterv szerinted? (az enyémet ismered) A hozzászólás módosítva: Dec 22, 2015
94-nél nemigazán, 92-nél megcsinálhatnám azt, hogy folyamatosan visszaolvasom a konfigurációt és, ha nem egyezik az előzővel, akkor újrakonfigolja az IC-t. A jó nyákterv alaposan árnyékolva van, nincsenek rajta IC nyákos adapterek, a feszültségstabilizátor minél közelebb legyen az IC-hez stb. Mindaz ami miatt téptem a számat annó.
Próbálkozhatsz a táp alapos szűrésével ártani biztos nem fog, nem biztos, hogy véglegesen megoldja a problémát.
Szerintem sokkal többet nem lehetett volna egy egyoldalas, furatszerelt alkatrészeket használó panelböl kihozni. Az adapter kell... Majd ha valamikor legyártatom a paneleket profi módon, akkor beszélhetünk egy másik kategóriáról...
![]() Megpróbálom hálózati szürövel, és viszek haza szkópot, hátha okosabb leszek vele. A hozzászólás módosítva: Dec 22, 2015
Én sima papírral mindenféle csodaspray nélkül fotózva csinálom a nyákot amire az ilyen apró lábú alkatrészeket is rakom, tehát ez nem kifogás.
Csak a szemléltetés végett...
![]() Egyébként úgy látszik rájöttem a dolog nyitjára, bár még nem akarom elkiabálni...
Ha már mérés....
Jól látszik a DAC bemeneti ellenállás előtti és utána való különbség. A Master jelet sajnos nem tudom megmérni ezzel a szkóppal, mivel 20MHz felett ketyeg... A hozzászólás módosítva: Dec 28, 2015
Ez csak a szkóp kapacitását mutatja, osztós mérőfejjel más lenne a helyzet.
|
Bejelentkezés
Hirdetés |









Ha egyszer arra járok, beugorhatok meghallgatni?



Próbálkozhatsz a táp alapos szűrésével ártani biztos nem fog, nem biztos, hogy véglegesen megoldja a problémát. 






