Fórum témák
» Több friss téma |
Fórum » Szünetmentes táp javítása, élesztése
Témaindító: Thomas10100, idő: Aug 13, 2006
Témakörök:
Az APC, és a konkurensei is az Effekta, Eaton stb. is a leírt névlegesen szebb színuszt csinál mint a hálózat (ha jók benne a kondik pl.). Ők már csak ilyet gyártanak tíz éve.
A hozzászólás módosítva: Nov 15, 2015
Ez már több mint 10 éves. Akkor mi lehet a gond?
A Back-UPS nem szinuszos.
A láncfűrész élező és még sok más kefés univerzális motorral megy, annak mindegy. Keringető szivattyúnak nem. Korábban már többször tettem fel kapcsolást, amivel adott teljesítményhatárok között aszinkron motorokat is működtetni lehet.Az APC 25-30 éves Smart-UPS-ei szebb szinuszt adnak, mint a hálózat.
Sziasztok!
Adott egy 2 éves APC Back UPS BE550G-GR. Egy ideje folyamatosan sípol. Nem segített az akkumulátor csere. Mikor bekapcsolom, terheléssel vagy nélküle, hálózathoz csatlakoztatva vagy nélküle, kb fél másodpercig marad bekapcsolva. Ez alatt a trafó halkan berreg, a rácsatlakoztatott asztali lámpát egy pillanatra kapcsolja, majd lekapcsol és folyamatosan visít. Hálózatra dugva tölti az akksit. 13,6 voltot mértem az akku sarukon. Az a kérdésem, hogy ennyi info alapján lehet-e arra következtetni, hogy merre kell keresni a hibát?
Sziasztok!
Van egy APC BACK-UPS 1250 VA-es szünetmentes készülékem. Sajna történt vele valami mert nem kapcsol át ha áramkimaradás van. Leáll utána 3-4-szer neki rugaszkodik de csak kattog egy kicsit és végleg megadja magát. Komoly trafó van benne úgyhogy nekem 2 db fagyasztót 1db hűtött és a világításomat működtette külső akku parkról. Napelem tölti az akkukat. Tudna-e valaki segíteni közületek egy rajz erejéig?.Vagy irányt adni,hogy hol keressem. Megtudom javítani csak rajz kellene. Ez 24V-os rendszerű. Most egy valamivel kisebb szünetmentessel oldottam meg de kevés a teljesítménye. Köszönöm ha valaki segít.
Találkoztam már ilyen jelenséggel. Ha van benne átkapcsoló relé annak az áramellátását kell górcső alá venni. Nálam egy null dióda (a relétekercsre van kötve) ment tönkre és söntölte a tekercset. Ha van időd és kitartásod/ türelmed mert rajz nélkül hosszú menet lesz.
Érdemes átnézni a relék érintkezőit, lehet, hogy nem érintkeznek rendesen, mert beégtek, bekormolódtak. Nekem egy apc 620-as kapcsolt le néha átkapcsoláskor, mert egy relé pogácsa bekormosodott, nem érintkezett stabilan. Egyébként, amikor lekapcsol, ad valami hibajelet? Mi villog, világít rajta?
2db relé van benne.Az nagyobb a 230v-ot adja ki a hálózati csatlakozóról.A kisebbik (24v 10A) átkapcsoló relé. Amikor megszűnik a hálózati betáp a kis relé kiejt és a hálózatról az inverterre kapcsolja a kimenetet. És itt kezdődik a gubanc. Az inverter nem indul csak néhány "beteg morgás" után leáll és sípjeleket ad mint amikor rendesen működik. Arra gyanakszom,hogy valamelyik opto csatoló hibásodott meg mert a legtöbb amit idáig bütyköltem az erős oldal a gyengeárammal opto csatolóval volt összekötve. Ott a baj,hogy van belőle egy tucat ami valamilyen funkcit lát el. Elég jól meg van építve.Vannak benne biztonsági visszacsatolások szép számmal. Azért keresek rajzot mert nincs időm vele bíbelődni,kelleni meg kellene.Ja és nem villog és nem világít rajta semmi mert ennek van egy ki-be kapcsolója meg egy teszt gombja ami szintén nem működik.
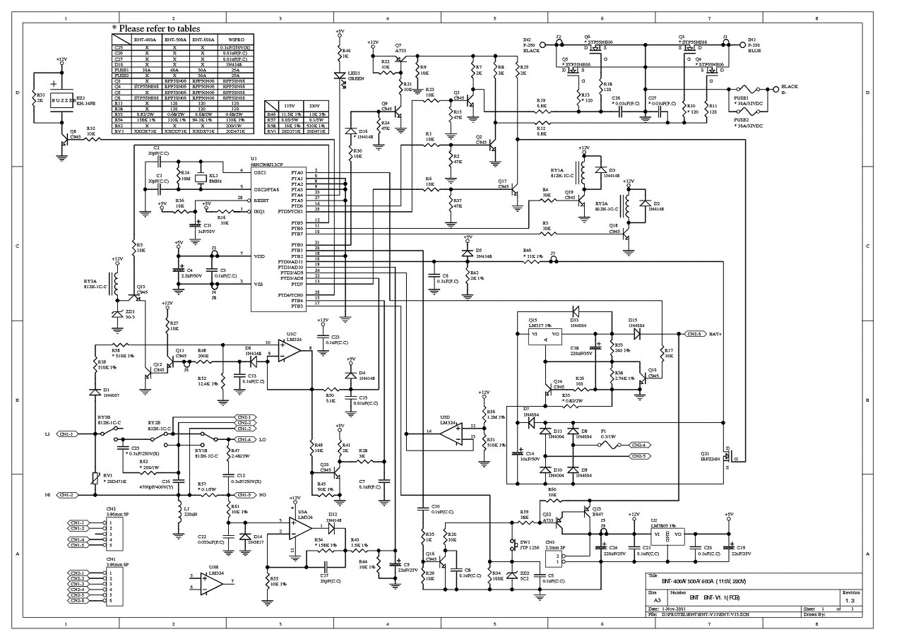
Sziasztok! Van a kapcsolásnak megfelelő UPS, amelyet a koléga állítása szerint ugy kötött az aksira, hogy az aksi +-t a helyére (trafó középkivezetésere és a panel +Batra), az aksi --t pedig nem a panel -Batra hanem a trafó egyik szekundér (fekete) kivezetésére. Tönkre ment (szerintem így nem is mehetett tönkre). Szinte az öszes tranzisztort kiforrasztva kivizsgáltam s a MOSFET-ek is jók (kivizsgáltam őket). Az LM324-est is kicseréltem. A varisztor is jó. A tesztet 12.5V-1.5A(áramkorlát) táppal párhuzamosan 120000u-s kondival végeztem. Az ups start után elindul s 1s után kb. kikapcsol. Kikapcsolás pillanatában a tápot lerántja 5V-ra, majd a fesz rögtön visszaáll 12.5V-ra. A MOSFETek jók. A MOSFET-eket meghajtó tranzisztorok is jók. Mielőtt kikapcsolna megjelenik a 12V-os táp és +5V az U2-őn. U3A egység az árammérést végzi (szerintem az is rendben van IC csere és diódavizsgálás után). L1 és R57 is jó. U3C-vel felépített egységet is jónak mondanám. A tarfóját is teszteltem. A szekundér tekercsét egy 24V75W égővel sorba kapcsolva rákötöttem egy másik ups szekunderére. Az égőn 4-5V eset s enyhén parázslott. Jónak mondanám. Az ups tesztelését ugy is végeztem, hogy egy 220V/25W-os égőt kötöttem a 220V-os kimenetre. Mielőtt kikapcsol az ups, az égő felvillan (ez igazolja hogy a trafó jó). R50-C15 és R41-R27-C7 RC tagok a 220V-os feszültség jelenlétéről adnak infót a procinak. Próbáltam U3C (LM324) 10-es lábát egy 10K-os ellenálláson keresztül a MOSFET-ek egyik, majd a másik GATE-jére kötni (szimulálni a 220V jelenlétét trafó nélkül), de ugyanaz történik.
![]() Tanácstalan vagyok, segítsetek.
Hello.
Kevés az Amper a teszt alatt igencsak megrángatja az aksit. Nemrég olvastam én is hogy 50A is kérhet.
Sziasztok! Megnöveltem az áramkorlátot 4A-re a tápfeszültséget pedig 13,5V-ra (párhuzamosan 120000u-s kondi), de ugyanúgy kikapcsol 1s után az ups. A MOSFETeket is lecseréltem IRF3205-re (mert ilyenem volt kéznél), de ua
. Kiakasztottam az áramvédelmet is (R43 egyik lábát kiforrasztottam), de ua .
S végül próbáltam így is. Ugyanúgy kikapcsol 1s után.
Erbe írta még 2013 máj 7.
Idézet: „Labortápegységről akkor tudod kipróbálni, ha az tud legalább 50 A-t. A bekapcsolási folyamat során teszteli az akku(k) teljesítőképességét. Ha a terhelés hatására nagyon zuhan a fesz. (labortáp - áramkorlát), lekapcsol és hibát jelez. Az UPS-ek trafói általában ellen-üteműek. 12 V-ról ellen-ütemben négyszögjelű meghajtást kap. Nem a primer (ez esetben két mérhetetlen ellenállású vastag tekercs) feszültsége a lényeges, hanem a szekunderé, amit a szabályzás a 230 V szinusznak megfelelő effektív értéken igyekszik tartani. A valódi szinusz kimenetűekben nem ilyen trafó szokott lenni.” Akor most már látod hiába a 4 Aper kell még legalább 46A
Sziasztok.
Lenne egy olyan kérdésem hogyha egy kvázi szinuszos szünetmentesre ráteszek egy tápegységet attól még működhet? Nem megy tönkre a töltő vagy az eszköz ami rajta van?
Ha a tápegység kapcsolóüzemű, semmi gond. Ha trafós, inkább ne próbálkozz!
Ez egy adapter. Honnan tudom megállapítani hogy kapcsoló vagy trafós?
Amúgy mi történik ha trafós? Nem hosszú időre gondoltam max 2-3 perc üzemre kellene amíg ki van kapcsolva a pénztárgép.
Idézet: „Egy rózsaszál szebben beszél...” na meg egy fénykép.
Holnap töltök fel ha nem felejtem el lefényképezni.
Sziasztok!
Egy APC UPS650 szünetmentes táppal kapcsolatban kérdezem, hogy elég e a 13,7V töltőfeszültség. Ennyit produkál és van benne egy rossz akkumulátor. Ha ez így jó, akkor veszek bele akkut. Köszönöm a tanácsot! A hozzászólás módosítva: Feb 18, 2016
Sziasztok!
A napokban került hozzám egy őskori APC smart sc420 ups. Akku cserélve, elkók rendben, új áramforrással kalibrálva lett. Bekapcsolás után a self-test lefut rendben, viszont ha áramszünetet szimulálok, van, hogy gond nélkül áthidal, és van, hogy azonnal kigyullad az overload LED, függetlenül attól, hogy van rajta terhelés, van nincs. Már az őrület határán vagyok, mert nem találok hibát a panelen. Valakinek ötlete????
Sziasztok.
Az APC back ups cs 500 van valami naplózó fájl vagy valami hasonló? Volt egy érdekes hibajelenségem. Átváltott akkumulátoros üzemmódba majd vissza. Ez ment vagy 5-10 percig. Egyszer csak dobott egy túlterheléses hibát. Kb 5 másodperc múlva az aksi hibára panaszkodva letiltott és leállt teljesen. Aksi kivesz megnéztem nem e dagad. visszateszem és működik tovább. Aksi jó benne. Azóta ment vagy 5 percet hálózat nélkül. Esetleg a belső szoftver megbolondult az oda vissza kapcsolgatástól? Van olyan program amivel tudom monitorozni a szünetmentes minden rezdülését? Előre is köszönöm a válaszokat.
Szia.
A csatlakozásokat is nézd meg. Laza saru repedt forrasztás. Az aksisaru nem túl laza?
Monitorozásra: Bővebben: Link
Sziasztok!
Olyan kérdésem van, hogy APC BACK-UPS PRO 650 bekapcsolható akku nélkül? Üdv: Zoli
Sziasztok;
Egy APC Back UP CS 650 (BK650EI)-hez keresnék kapcsolási rajzokat vagy BOM listát. Az alaplap azonosítója: 640-0565_REV04. Sajnos a J14-es konektor vonalán minden kiégett, FET-ek (mind a 4, 2 szét is durrant), SMD diódák-tranzisztorok-ellenálások. + egyéb kondi. Néhány SMD kondit is kicserélnék, de nem tudom bemérni őket, mert v. rosszak v. túl kis kapacitásúak lehetnek (<=10pF) Ha valakinek van megfelelő doksija az alaplapról, azt megköszönném. Köszönöm,
Sziasztok.
Az apc back ups 500ei típusú szünetmentesem elég érdekes problémát okozott. Nemrég elment az áram átváltott rendesen. Majd vissza is. Na itt volt a gond mert abban a pillanatban leállt a gép. A szünetmentes viszont tovább üzemelt. Gép bekapcsolt hálózati áram nélkül. De ahogy csatlakoztattam újból megint leállt a gépem. Amikor ki van kapcsolva a gép és a szünetmentes bekapcsolom akkor a számítógép is elindul. Amikor elraktam akkor előtte való este össze vissza váltogatott folyamatosan mintha gond lenne a hálózattal. Van valakinek valami ötlete hogy mi lehet a baja? Jó lenne megmenteni. Régóta szolgál megkedveltem. Előre is köszönöm a segítséget. A hozzászólás módosítva: Jún 4, 2016
Szia! Sajnos lehet,annak is az lehet a baja,mint az enyémnek. Szinte ugyanezzel a jelenséggel adta meg magát az enyém is 1 hete. Most szedtem szét,és van benne egy kicsi trafó. Annak mindkettő primer tekercse szakadt,és az 1-es lábra menő ágat egy 1A-es bizti védi,Az is kampec,de a trafó jobban izgat. Teszek fel képeket. Valaki tudja,hogy honnan lehet ilyen trafót szerezni?Ilyen jó szünetmentesem nem volt még,és valszeg nem is lesz. A pc-t monitorral 28 percig vitte. A szünetmentes típusa: Back UPS 600
Köszönöm előre is a segítséget. A hozzászólás módosítva: Jún 16, 2016
Ha szakadt lenne akkor akárhányszor van áramszünet és visszajön az áram akkor elmenne mindig nem? Csak akkor áll le a gép ha szinte azonnal vissza is jön az áram. Mennyi volt a fogyasztása a gépednek? Akksi mekora volt benne?
Igen,figyelmesebben végigolvastam a tiédet,ott valami más baj lehet. Annyira agyon van bonyolítva a belseje,hogy hihetetlen.Van egy másik kisebb szünetmentesem,abban alig van valami.Csoda,hogy működik.A gépem fogysztása?350W-os táp,dual core proci,3 Gb ram,meg egy 22"-os lcd monitor.Persze ezt csak egyszer próbáltam,de az aksi az 12 Ah-volt.8évet elment azzal az aksival.
|
Bejelentkezés
Hirdetés |




A láncfűrész élező és még sok más kefés univerzális motorral megy, annak mindegy. Keringető szivattyúnak nem. Korábban már többször tettem fel kapcsolást, amivel adott teljesítményhatárok között aszinkron motorokat is működtetni lehet.

. Kiakasztottam az áramvédelmet is (R43 egyik lábát kiforrasztottam), de ua
.











