Fórum témák
» Több friss téma |
Fórum » TDA1557Q
Hali!
Sorba? Úgy érted, hídba? Nem, ez már eleve hidalt.
Sziasztok! Segítséget szeretnék kérni tőletek: van egy tda1557Q erősítő ic-m, ami eddig ,,légszerelve" volt, egy dobozban, működött. Elkövettem azt a hibát, hogy az áramkört szétszedtem, nem jegyeztem meg hogy melyik drót pontosan hova megy. Volt itt fent egy rajz, ami alapján csináltam hozzá nyáktervet, de picit módosítva lett. Kérdésem a következő: Mit kötöttem rossz helyre? Mert nem igazán akar működni az áramkör...
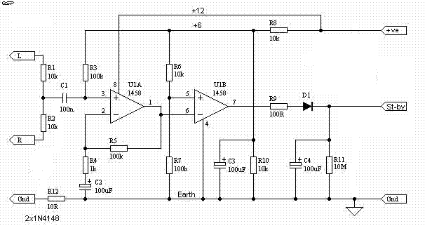
Képet az áramkörről csatoltam! Még valami: nálam az eredeti összedrótozott áramkörben nem volt kondi(csak a tápszűrésben volt egy 100nF meg egy 2200µF-es kondi szűrve) Csak gnd-re, meg tápra volt kötve minden közvetlenül, és működött az áramkör hibátlanul!!
Bocsánat, most nézem, hogy a rajz nem jó, ez nem a jó rajz, de sajnos a mostani áramkörről!
Kérem az 500 pontomat!
Sziasztok!
Én is ebben az IC-ben gondolkozom, de mielőtt beruházok rá, néhány dologról hozzáértők véleményét szeretném kikérni. Előzőleg, egy TDA 2030as MONO végfokkal hajtottam a dobozom, hát mit ne mondjak, tény, hogy szépen szólt, még úgy is, hogy csak 2,2W-ot hoztam ki a kimeneten a 8 Ohm-os hangfalra. (Csak szimpla 12V-ról hajtottam, vagyis legjobb esetben csak 6V volt a bemeneten, mind 1, végül is ez most lényegtelen) A lényeg, hogy ezt ajánlották, és tényleg nagyon is meg tetszett! Pont nekem való, mert egy sima 12v-os ólom Akksiról hajtanám, 2×4Ohm-ot, és sokkal kisebb helyet/hűtést igényel, mint a sztereóba kapcsolt TDA 2030. De mielőtt még meg veszem, az lenne a kérdésem ezzel kapcsolatba, a legfontosabb, mekkora az áram felvétele? Ha jól olvastam az adatlapon, akkor 4A, ha csúcsra járatom? Szerintetek egy 9Ah-ás kis akksival meddig bírná? Szép hangja van tényleg? A Stand-by funkcióba lépést lehet automatizálni? Azt hallottam, hogy ha nincs jel a bemeneten, akkor Stand-by-ba kapcsol, ami 100uA. De ezt hogy tudom elérni? Elég ha simán csak egy ellenállással a tápra kötöm a lábat? Tudom sok kérdés, de biztosra szeretnék menni. Előre is köszönöm! Üdv.: Jax
Szia!
Az adatlapon láthatod 80mA az üzemi nyugalmi árama, és uA nagyságrendben fogyaszt készenléti állapotban. Elliott rajzát módosítottam, hogy közvetlen a TDA1557-et lehessen vele vezérelni. Használat közben pedig annyit fogyaszt, amekkora teljesítményt kifacsarsz belőle.
Ezt az áramkört kellene megépítenem ahhoz, hogy ha nincs jel a bemeneten, stand-by-ba kapcsoljon?
A 80mA-es nyugalmi árammal, és 100uA-es készenléti árammal tisztában vagyok, csak a felvett áramerőssíggel kapcsolatban nem volt tiszta, de köszönöm!
Megtaláltam az eredeti cikket.
Hmm.. Ez hasonlít az én áramkörömhöz..
![]() Még egy-két éve terveztem egy hasonló relés áramkört. Műveleti erősítő felerősíti a jelet, egy kondi feltöltődik általa (a kisülése határozza meg, hogy mennyi ideig tart nyitva a relé) a kondi után egy dióda 0,6V-on nyit egy tranzisztort, a tranyó meg kapcsolja a relét, ez az áramkör egy 1,5W-os kis trafóról megy, inkább az fogyasszon, mint egy 250-500W-os behemót. Bár analóg, de működik, jó lett az a lényeg ![]() Szóval a készenléti állapothoz az általad javított áramkört kéne megépítenem?
Sziasztok!
Kész vagyok, megépítettem ezt a végfokot is! Gyönyörűen szól, maximális kivezérlés mellett kell neki 2A, de 1A-nél már akkora hangot ad, hogy zeng tőle a ház (6Ohm-os hangfalakkal tesztelem) érdekes, ha elé kötöm az LM1036N hangszínt, akkor nem ad ekkora hangot, és ráadásul folyamatosan 10% körülig torzít is... :\ A dobozból így kihagyom a hangszínt, marad szimplán csak a végfokozat, még szebben is szól nélküle. 10× nagyobb a leadott teljesítmény, mint ez előtt, és ez hallható is. Intel core pentium 4 hűtőbordára szereltem, 5 perc alatt, teljes kivezérlésen langyosra fűtötte azt a hatalmas bordát. Ilyen! Minden esetre szép, jó! Köszönöm mindenkinek! ![]() Üdv.: Jax
Sziasztok!
Megint Én! ![]() Van egy kis problémám a végfokkal. 50K-s sztereó potmétert kötöttem elé, hogy azzal szabályozzam, de valamiért ha minimumra leveszem a hangerőt, is elég hangosan szól. Megnéztem a potit, annyi gondja van, hogy az egyik oldalon a középső, és a bal láb között nem mérhető ellenállás semmikor, a másik oldal pedig 45K-ig ad ellenállást. Ez idáig érthető, hogy akkor csere, de azt nem értem, hogy ha csak az egyik oldal a rossz, akkor miért szól mind a két kimenet? Vagy esetleg majd 100K sztereópotmétert vegyek bele? A másik kérdés, hogy iszonyatosan éles hangja van! Tudom, megnéztem az adatlapját, 100Hz-től van a frekvenciaátvitele. Nem tudtok valami egyszerű, de nagyszerű kapcsolást, amivel élvezhető basszust tudok kihozni belőle? (Telefonon hangszínnel majdnem sikerült megfelelő basszust kihozni belőle, tehát képes nagyobb basszusra is, csak kell valami elé, amivel jobb hangot lehet kihozni belőle.) A válaszokat előre is köszönöm! Üdv.: Jax
Szia!
A potméter rossz az biztos. Nem tudom miért, de én is tapasztaltam azt a jelenséget hogyha csak az egyik csatornán van bemenő jel az megjelenik mindkét csatorna kimenetén. Ha viszont van mindkét csatornán bemenő jel akkor nem hallatszik át egyik sáv a másikba. A mély hang hiánya lehet attól ha a gyári kapcsolást építetted meg mivel ott 270nF a bementi kondi ami nagyon kevés. Nekem 10µF volt és tökéletesen adta a mélyet, ajánlom Neked is.
Értem! tehát csak a 220nF miatt ad ilyen magas, éles hangot!
Köszönöm! Én se tapasztaltam még ilyet, minden esetre nagyobb potmétert vettem, 50K helyett 100K-t, persze sztereót. Majd meglátjuk mi lesz a végeredmény. Mivel ventilátort is használok (a tesztek során, egyáltalán nem volt hangja, de érdekes módon, ahogy betettem a dobozba, picit, de bezavart. Találtam erre egy oldalt, ahol még az esetleges ventilátor bekötését/szűrését is leírja, ezt ajánlom mindenkinek! Még egyszer köszönöm, nem hittem, hogy ennyit jelent 2 kondi... Ha nem válik be, még van egy mentőövem, ez! Egy egyszerűnek mondható basszus kiemelő, állítólag nagyon szép hangot ad. Üdv.: Jax
Szia! A 220nF 3dB-t vág 40Hz-en. 680nF felett már megjönnek a mélyhangok, onnan 10µF-ig a csatoló bármilyen lehet ha épp az van kéznél.
A 100k poti nem jó választás. Az általad belinkelt oldal is 10-50k-t ajánl. A 10k szedi össze a legkevesebb brummogást.
Ja értem akkor!
![]() Most már mind egy, megvettem a 100K-sat. Egyébként, nem értem miért, de a hang átment az 50K-son, ezét vettem nagyobbat. Majd meglátjuk, ha nem jön be, akkor egy kissebb vagyont kidobtam az alakon (850Huf), és vehetek egy újat..
Eh... vicces.. Ilyennel még nem találkoztam.
Még a 100K-s potméter se csillapít annyit, hogy ha minimumra csavarom, ne legyen hangja a végfoknak. Egyébként, a kondik, meg a poti cseréje, ezenkívül mindent megoldott. Eddig, ha csavartam a potmétert, akkor változott a beszerelt LED-ek zenére villogása is, pedig azoknak semmi köze se a végfokhoz, se a potméterhez. közvetlenül direktbe vannak az RCA aljzajokon. Na a lényeg, hogy megoldódott, köszönöm a Kondis tanácsot ![]() Ég és föld! Üdv.: Jax
Sziasztok!
Megint Én! ![]() Megint problémám van a végfokkal. ugyan az, ami eddig volt. Egyről a kettőre elkezdett érdekes effektusokat adni, a zenében. Nem tudom elmondani konkrétan, de ahhoz tudnám hasonlítani, amikor valamelyik vezeték elszakad, vagy zárlat lesz, és vagy az énekhang nem hallatszik, vagy a basszus marad el. Na a lényeg, körbe néztem az áramkört, de nem találtam semmi bajt, a poti jó, zárlat nincs, se szakadás.. Akkor megnéztem a bemenetet, ha kihúzom az egyik oldalt, akkor gyönyörű basszussal, nagyon nagyon szépen adja. Rájöttem hosszas keresgélés után, hogy a kimeneten lévő hangszórókat valami figyelmetlenségnek köszönhetően, keresztbe kötöttem, tehát a jobb hangszórón volt a jobb + és a bal -, a bal hangszórón meg a bal+ és a jobb -. Megcseréltem, vissza, és újra bekapcsoltam, minden olyan érdekes hang megszűnt, de itt jött az újabb baj. Harsog, nagyon éles hangja van, látszik hogy adják a basszust a hangszórók, és amikor a külső hangfalat rákötöm is szép basszust ad, de a beépített hangszórók kegyetlenül élesen szólnak. (Így már érthető hogy miért szól mind a két csatorna egyszerre, mikor csak egyre kapott jelet.) Azon gondolkozok, vissza kötöm a hangszórókat keresztbe, és egy kapcsolóval leválasztom (ha esetleg külső hangszórót akarok rákötni). Tehát vissza kötöm keresztbe, és egy sztereó-Monosító RCA csatlakozóval bekötöm az egyik oldalra, mert úgy élvezhető volt a hangja, nagyon szép basszust adott, egy MikroHIFI mellet megállta a helyét. Szerintetek az IC-sérülhetett? Vagy megsérülhet ettől, ha így használom? Vagy esetleg tudtok valamit, amivel ez sztereóba kiküszöbölhetem? Üdv.: Jax
A beépített hangszórók ellenütemben dolgoznak, ez öli a basszust. Az egyik hangszóró vezetékpárját cseréld fel.
Akkor járnál el helyesen, ha lekövetnéd a végfok pluszt a hangszóró pluszig.
Tehát lehetséges, hogy a hangszóró pozitívot, az erősítő negatívjára kötöttem?
Az egyik jól van bekötve, a másiknál a híd "+" kimenete a hangszóró "-"-ra van kötve. Ezt fordítsd meg és lesz mélyhangod.
Nem az a probléma, a hangszórók és a végfok polritása helyes, passzol.
Azért próbáld ki az egyik hangszóró bekötését megfordítani. Tipikusan ez a hiba a leírásod alapján.
Utána néztem a lábkiosztásnak neten, a 4-es, az out1 "+"
A 6-os az out1 "-" A hangszóróra helyesen van rákötve. Ugyan ez az out2 is. 9"-" 7 "+", a hangszóróra helyesen megy rá.
Nem: 9->"+"; 7->"-".
Hogy az öregapja............................ ?
Ez mitől van? Most sztereóban szól, és normális basszus van a zenébe. Nem értem! Pedig alaposan körbe méregettem szakadás vizsgálóval, mind a két csatorna helyesen volt bekötve. Most egyiket megfordítottam, és lőn basszus? ![]() Nem értem.. Miért van ez?
Akkor ezt nézd meg! Én ezt követtem, de akkor ezek szerint elírták?
Nem ez lenne az első az internet világában
Ebből az a tanulság: guglival megkeresed a gyártó datasheet-jét legközelebb. Szerk.: a felcserélt bekötés miatt az egyik hangszóró szívta a levegőt, a másik tolta, így kioltották egymást, nem jutottak el hozzád a hullámok.
Eszem f...om megáll... :\
Köszönöm a segítséget, ez nagyon jókor jött! Holnap viszem bemutatásra a ládikát, már kezdtem kétségbe esni, hogy beégek vele. De tegnap még működött, érdekes módon. Valószínű, véletlen hidaltam a két kimenetet, ezzel monósítottam. Na mind 1, a lényeg, hogy ennyi volt a baj hála istennek. Köszönöm! |
Bejelentkezés
Hirdetés |




Képet az áramkörről csatoltam! Még valami: nálam az eredeti összedrótozott áramkörben nem volt kondi(csak a tápszűrésben volt egy 100nF meg egy 2200µF-es kondi szűrve) Csak gnd-re, meg tápra volt kötve minden közvetlenül, és működött az áramkör hibátlanul!! 


