Fórum témák

» Több friss téma
Fórum » TDA1557Q
 
Témaindító: zoly15, idő: Máj 6, 2007
Lapozás: OK   2 / 8
(#) hip20 válasza titi hozzászólására (») Ápr 13, 2009 /
 
Hy

köszi szépen. Erre most szükségem volt.
1ébként haverom megbombázott 2 kit-tel, ugyhogy van mit csinálni
már kezdem érteni az építést.
(#) Tuci hozzászólása Jún 22, 2009 /
 
Helló mindenkinek!

Egy kis segítséget szeretnék kérni,mert ez lenne az első erősítőm, amit építenék!
A kérdés a következő: Kell-e előerősítő a vékfok elé, vagy pl. egy mp3 lejátszó is meg tudja hajtani?
Válaszotokat előre is köszönöm!
(#) VRubenX válasza Tuci hozzászólására (») Jún 22, 2009 /
 
Ezt meghajtja persze egy mp3 lejátszó is mert van benne előerősítő.
(#) Tuci válasza VRubenX hozzászólására (») Jún 22, 2009 /
 
Nagyon szépen köszönöm a gyors választ!
(#) Z_zoli hozzászólása Jan 27, 2010 /
 
Hello
Szeretném megkérdezni h nincs-e valakinek nyákrajza pdf-be??(ehhez az IC-hez)
üdv.Zoli
(#) titi hozzászólása Feb 18, 2011 /
 
Kérésre TDA1557Q Eagle-hez.

sajat.lbr
    
(#) Árpy válasza titi hozzászólására (») Feb 19, 2011 /
 
Köszönöm, hogy feltöltötted!
(#) (Felhasználó 51715) válasza titi hozzászólására (») Feb 21, 2011 /
 
Szia, módosítottam a terven a te rajzod alapján, így már megfelelő? Viszont a három új alkatrész értékét nem tudom, a te rajzodon sem voltak értékek...
(#) titi válasza (Felhasználó 51715) hozzászólására (») Feb 21, 2011 /
 
Az egyik HSZ-ben ott vannak az értékek is.
(#) (Felhasználó 51715) válasza titi hozzászólására (») Feb 21, 2011 /
 
Meg is van, csak a szokásos vakságom..
Köszi a türelmed, most már megvan "álmaim" erősítő IC-je. Gondolom 8 ohmos hangfalakkal csak 2x11W-ot tud majd..
(#) titi válasza (Felhasználó 51715) hozzászólására (») Feb 21, 2011 /
 
Igen! Sok sikert hozzá!
(#) (Felhasználó 51715) válasza titi hozzászólására (») Feb 23, 2011 /
 
Szia

Alakul az áramkör, de lenne egy kérdésem.
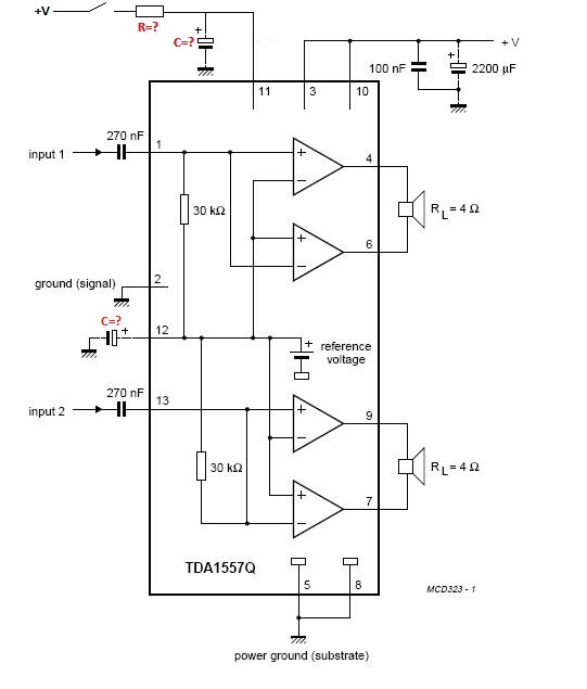
Feltétlenül szükség van a standby 11-es lábának bekötésére? Mert nem kell nekem ez a funkció, tehát ha lehet, bekötetlenül hagynám..
(#) titi válasza (Felhasználó 51715) hozzászólására (») Feb 23, 2011 / 1
 
Azt a lábat mindenképpen be kell kötni, különben nem fog megszólalni az erősítő.
Abban a HSZ-ben, amiben az alkatrészlistát írtam, meg is említettem, hogy a kapcsoló elhagyható, de az ezen a lábon lévő ellenállás másik végét akkor is +12V-ra kell kötni!
(#) anonymusz1228 hozzászólása Júl 29, 2011 /
 
Hello segísetek kérlek összevásároltam alapanyagot egy erősítőhöz, az ic természetesen tda1557q vettem hozzá egy 12v dc 550ma- tápcskát. összeraktam a nyákot a kép alapján. adtam neki áramot, nemnagyon akar semmihangot kiadni, új vagyok az erősítőkben, pár lm386-os kiserősítőt építettem, kicsit új ez a mute/stand-by dolog. a bemeneteknél csak 220-as konditkaptam ha ez számít esetleg a diagnosztikában a többi mind stimmel. a kapcs rajz lent.
(#) titi válasza anonymusz1228 hozzászólására (») Júl 29, 2011 /
 
Hali!
Egyrészt az a táp nagyon kevés lesz hozzá, számolj kb. 4A-os táppal.
Másrészt a 11-es lábat egy ellenálláson keresztül a tápra kell kötni. (10kohm)
(#) anonymusz1228 válasza titi hozzászólására (») Júl 29, 2011 /
 
köszi a tippet, közben itt sikerült életre bírnom egy atx-es táprol erőre kapott, meg neten még néztem h 1kiloohmot írnak a némításhoz, szépen megszólal, de lápot ezekszerint ígyis úgyis cserélnemkell
(#) anonymusz1228 válasza titi hozzászólására (») Júl 29, 2011 /
 
Jah meg még annyi, hogy a kistáppal amit vettem azzal szól, de nagyon erőssen búg, az azért van így laiukusan kérdezve h kevés lenne neki az áramerősség?
(#) titi válasza anonymusz1228 hozzászólására (») Júl 29, 2011 /
 
Meg legfőképpen mert nem elég stabil és szűrt...
(#) .colin válasza titi hozzászólására (») Aug 22, 2011 /
 
Sziasztok. Nekem is tda1557q-m van és vannak vele problémák. A trafó 10 perc útán forró. 55VA trafóval hajtom 30000uf val pufferelem. mi lehet a gond??
(#) titi válasza .colin hozzászólására (») Aug 22, 2011 /
 
Hali!
Biztos, hogy 55VA? Amúgy jól szól? Nem torz?
Esetleg kép?
(#) .colin válasza titi hozzászólására (») Aug 22, 2011 /
 
Nem tozit nem búg nem recseg. szépen szól. Holnap tudok csak képet csinálni...55VA ez biztos.
(#) titi válasza .colin hozzászólására (») Aug 22, 2011 /
 
Ha minden rendben, csak a trafó forró, akkor biztos kevés neki...
De tekintve, hogy ez egy 2*22W-os végfok, amit ráadásul már 10%-os torzítás mellett tud leadni, egy 55VA-os trafónak elégnek kellene lennie...
Na hátha majd a kép többet mond... vagy kevesebbet...
(#) .colin válasza titi hozzászólására (») Aug 22, 2011 /
 
Hát nem t ** .félkész állapotban van 4 oldalas lenne. de még csak ez a végfok van kész. de a végfok nem melegszik csak ha odatekerem neki. de akkor is langyos...
(#) .colin válasza titi hozzászólására (») Aug 23, 2011 /
 
Megoldódott a probléma. Kicseréltem a az ic-t s nem forr a trafó. De azért dobok fel pár kéet.
(#) titi válasza .colin hozzászólására (») Aug 23, 2011 /
 
Ez érdekes... de azért várom a fejleményeket...
(#) pisti19931008 hozzászólása Jan 6, 2012 /
 
Üdv
Az itt említett erősítőben a kondiknak milyen feszültség kell ??
(#) titi válasza pisti19931008 hozzászólására (») Jan 6, 2012 /
 
Minimum 16V, ha 12V-ról használod, de nagyobb lehet.
(#) LCS004 hozzászólása Jan 27, 2012 /
 
Megtudna valaki mondani hogy a 12 l abat mire kell kotni mert nem jottem ra, lore is kosz.
(#) kadarist válasza LCS004 hozzászólására (») Jan 27, 2012 /
 
Nem csoda, hogy nem jöttél rá, mert sehová sem kell kötni.
(#) koncsik03 hozzászólása Ápr 9, 2012 /
 
Üdv!
Azt szeretném kérdezni, hogy ezzel az ic-vel épített erősítőt sorba lehetne kötni hogy 1x44w-ot adjon le?
És ha lehet akkor hogyan?
Előre is köszönöm!
Következő: »»   2 / 8
Bejelentkezés

Belépés

Hirdetés
XDT.hu
Az oldalon sütiket használunk a helyes működéshez. Bővebb információt az adatvédelmi szabályzatban olvashatsz. Megértettem