Fórum témák
» Több friss téma |
na itt van a képek egy kicsit siralmas a másik oldal de bisztosíthatlak hogy jó mer megméregettem!
Próbáltam összehasonlítani az eredetivel, elsőre jónak tűnik!
Talán egy helyen mintha a forrasztás zárlatot csinálna!
Nekem úgy tünik hiányzik láb az ic-k röl. De most nem néztem meg ,hogy nem -e NC láb. De két jótanácsot tudnék adni , erős fénynél nézz át a panelen ,hogy nincs -e zárlat , valamint jobban jársz ,ha a panelt beültetés elött befuttatod cinnel , sokkal könyebben és szebben,nameg holtbiztosan forrasztol.
Nemtudom gb197 mivel csinálja ezt ,de gyönyörűek a panelek, lehet elárulja nekünk is? :yes:
Már csak az érdekelne, hogy a 60W-os teljesítmény hogy fog neked 30A-t átfolyatni.
Ez akkor lehetséges, ha a feszültség kb 2V és az impedanciád 0,13 Ohm. Érdekelne, hogy ez hogy jön ki neked.
Javasolom hogy használj a tesztekhez áramhatárolt tápot, ha már ilyen halandóak nálad az ícék.
Én ugyanezt a panelt csináltam meg, új és általam bevizsgált alkatrészekből, de nekem elsőre működött, és azóta sem sikerült tönkretennem, pedig néha "gyilkolom" rendesen :yes: Szerintem valami nagyon nem oké nálad, csak még nem jöttél rá. Amire gondolok az lehet: zárlat vagy szakadás a panelen, hidegforrasztás, rossz bekötés, hibás alkatrész és végső soron hibás ícé. (no de 8-ból 8 )Ha már nem tudsz rajta kiigazodni, inkább csináld újra az egészet, nyugodtan, fokozott figyelemmel és precizítással, jobban megéri minthogy újabb ícéket küldj a másvilágra
Az enyém ilyen volt újkorában
A kérdésedre a válaszom: sehogy. Nem is ez a lényeg, hanem a lehetőség. Egyébként érdemes átolvasti teszteket a különböző hifi szaklapokból, mit és miért csinálnak a gyártók. Vannak erősítők ami 100A csúcsáramot tud, mégis 80-100W -ra van méretezve.
A számításaid nem ide valók, az erősítőt nem sinus feszltséggel hajtjuk, hanem zenével. A hangfalak névleges impedanciája nem jelent semmit, az impedanciament komplex. Egy 8 ohmos doboznak a felére is csökkenhet bizonyos frekin az ellenállása, nem egy ilyen gyári dobozt teszteltek. Egy nagyobb hangerőnél ez már problémát jelethet, clippelés léphet fel. Az sem elhanyagolható tény , hogy kisebb termikus modulációt okoz a végtranzisztorokban az áramváltozás , így kisebb az erősítő össztorzítása is. Egyéb kérdés?
Hello.Erdekelne hogy a TDA 7294-es elott beepitett
Linkwitz szuro vagasat lehetseges-e szabajozni potival es ha igen hogyan?
éredekes!mint ha neked a puffer kondik fordítva lennánek bekotve mint nekem!de viszon rajz szerint kötöttem és azon így van!
Meg eggy annyit hogy a Linkwitz szuro TL074CN-el van megvalositva.Nem talaltam rolla egy kezzel foghato kapcsolast mibol kiderulne szabajzasi lehetoseg
ha ebben segitteni tudnatok megkoszonnem
Igen, ez így van.A tiedén jól vannak a kondik. A panel fotózása után észleltem a hibát és megfordítottam a kondikat
Ügyes észrevétel Az ícéidről miért hiányoznak lábak? Feleslegesek voltak?
Én pl. személyesen nem értem miért is kell a szűrő ? Az aluláteresztő (LP) szűrőre gondoltál subvégfokhoz ? Ha kifejted mit szeretnél, megmondom hogyan kell jól megcsinálni.
hát az csak 11es és a 12es az meg úgy is n.c. és letörtem!
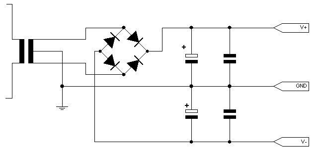
Az a paneltrafó milyen teljesítményű ? Eléggé bandzsán nézek rá ,mármint a fizikai méretei miatt. Az én trafóm kb 2-3 kg lehet.
Bocs de már nem tudtam módosítani. A másik két panel az mi célt szolgál? Ugye , a táp ,és a hangfalvédelem felismerve. Feltennéd a táp rajzát , meg a nyáktervét is ha nem túl nagy kérés.
Kérdésedre : a nyákokat gyártatom, mivel rengeteget raktam össze mindenféle erősítőből, nekem nem éri meg rajzolgatni. Nem is tudnék két oldalas furatgalvános nyákot csinálni. A Satronik Kft nagyon olcsón készíti, ráadásúl nálluk extraként lehet rendelni 70 mikronos nyákot, amúgy 35ös a max mindenkinél.
Bővebben: Link
Köszi ez hasznos, és ajánlani tudom mindenkinek akinek problémái vannak a nyák készítéssel... mert 8db ic sokkal többe kerülne mint 6 db kész panel.
A kis kék paneltrafó? Az kérlekszépen 3,5 VA-es.
A szubbasszus végfokomban ő táplálja +/- 15V-tal a szűrő áramköröket. (072 ícével szerelt panelek) A végfokot egy 300-as trafó eteti. A védelem és a venti szintén külön trafóról megy, amely egy Unitra rádióból lett kitermelve. A tápban nincs semmi extra, 7815 és 7915 stabkockákkal van csinálva, 2x2200 µF puffer, 3,5 A-es Graetz, stabok után 2x4,7 µF és 2x 100nF kondik. A nyákrajz már nincs meg, mivel kézzel rajzoltam, de ha valamilyen tápra van szükséged, szívesen tervezek neked. Pár napja felraktam a bedobozolt erősítő képét, ha érdekel lapozz vissza egy párat.
Hi !
Tetszik az a rézlemez átkötésként, jó ötlet ! :yes: P.
Köszi.
Mivel vastagon leónoztam az egészet, akkor már úgy gondoltam hogy az átkötés is "bika" legyen
A panelon a 4 db 100nF mindenképpen KERÁMIA kell legyen, a gyártó adatlapja szerint a kondik célja az oscilációs veszély csökkentése, és azért kerámia, hogy indukciószegény legyen. Ha jól látom, azok a zöldek valamiféle tekercselt kondik. Lehet - nem biztos - hogy ez a probléma forrása.
Én már pár szólással ezelőtt felvetettem, hogy a fólia kondi helyett kerámia a nyerő. Szűrásben sokkal jobb tulajdonságai vannak, mint a fóliának.
Csatoló kondinak azonban nem jók. Amikor ezt felvetettem, valaki lehurrogott, szóval csak szemlélem tovább az eseményeket és hallgatom a saját zajmentes erősítőmet
Igen ,de nekem a tápomban van. Lehet ,hogy kicserélem.
Mivel mindenki ilyen szépen kifejtette a véleményét én is hozzáteszem a magamét. Evvel a tda kapcsolással nem sokat , de kb 20-30 végfokot raktam össze, mondhatni üzletszerűen. Ennek tükrében azt mondom : teljesen mindegy milyen kondival rakjuk össze, -bár Amartonnak igazat adok- sokkal kevésbé számít, mint az , hogy milyen a nyákterv, hogyan van bekötve a hangfal, a bement, stb. (Nagyon sok vad dolgot láttam ezen a topikon. ) Nekem pl. nincs is 2 db 100n a táp és a gnd között, mégsem gerjed, nem is fog soha... Ellenben az UT+ és UT- között van icként 1-1 db. Miért ? Mert így a jobb, mindegy mit ajánl a gyártó. Már nem is elítem, hogy minden erősítőm tda vagy lm invertáló üzemben megy, ellentétben az adatlapban ajánlottal. Hab a tortán, hogy a kimeneten lévő RC koplexum, ami a gerjedést hivatott megfogni, na ez is hiányzik ! Nem véletlen szól annyira jól a kapcsolás...
Itt az egyik kép!
A nyák az én tervezésem, és simán, mindenféle hokusz-pokusz nélkül indul. Kérdéseim :
1-amikor a nagy füst történt, hütőbordán voltak az IC-k ? 2-Ha igen, akkor a hátlapjuk előírásszerűen szigetelve volt ? Ez azért gyanus, mert a híd negatív oldalán lévő IC füstölt el, ami általában akkor esik meg, ha a borda testen van, és az IC egyébként negatív tápon lévő hátoldalát nem sikerült jól szigetelni. 3-Olyan a tápod, mint a mellékelt ábrán lévő ? A panelre úgy kell a tápot kötni, hogy a 3 csatlakozóhely közül a külső a test, a középső a negatív táp, a belső a pozítív táp. (ültetésit mellékelve) Nálad vélhetően a piros a pozítív, de a másik kettő fekete. Ellenőrízni kellene, jó volt-e bekötve.
Küld el a kapcsolásodat, szívesen megnézném. Az enyémet 2002-ben terveztem, ugyan csak hetet raktam össze, de ezek mindegyik kifogástalanul működik a mai napig is, zenekarom énekmotyóján, illetve a saját bassgitár erősítőmben. A szombathelyi hobbisták az elmúlt 6 évben rengeteget építettek belőle, úgy hiszem nem túlzás ha 100 körülire becsülöm a számukat.
Az első néhány példányt természetesen alaposan megmértük, megkinoztük, vizsgáltuk, stb., ami annak fényében érthető, hogy megbízható kereskedelmi célú kit-et akartam tervezni. Probléma soha nem merült fel.
Ez így van.
Én az egészet magam csináltam, nem Mikroshop-os kit, de kinyírni még nem sikerült
Kb 10 éve került a látomkörömbe az ic, s mióta kiszigetelem a hűtőbordától (9 év 11 hónap)azóta nekem sem sikerűlt tönkretenni.
Sajnos egy lm-es kapcsolás tönkrement viszont, bekapcsolt állapotba (a földön volt szanaszét) a nyákra esett egy 4-es metrikus csavar, ezt nem preferálta sajnos az ic.
Itt a kapcsolás, csak kézzel rajzolt van sajna, de a lényeg a beállítás. Csak kizárólag a némító alkatrészek maradtak le, semmi más. Az ua. mint a gyártói rajzon.
|
Bejelentkezés
Hirdetés |







)


ha ebben segitteni tudnatok megkoszonnem









