Fórum témák
» Több friss téma |
A wattok mitsem érnek, ha nem érzékeny a hangszóró.
Hidalt 7294-ben van egy 560nf kondenzator az ic 3-as labanal. Nagy baj ha en csak 470nf-ot rakok oda?
Az a bemenet csatolókondija. 330n-val is éppen olyan jól átviszi a mélyeket mint 680n-val, úgyhogy jó a 470n is
Nézzük csak:
5W = +7dB Hangszóróm: csak 90dB/W/m @ 100 Hz, ami nem olyan sok, mondhatni gyenge, (de ez kimondott sub, nem 1kHz-en van jellemezve, és az nem mindegy) "ha a hangdobozt a sarokba helyezik, ahol 3 oldal fogja körül (két fal, padló), úgy a hangnyomás 12dB-el emelkedik" Klinger - Hangdobozépítés Hozzáteszem a mély frekiknél, a frekvencia átviteli görbén egy "púp" keletkezik. Ami kifejezetten kellemetlen tud lenni, "döng", ezért általában nem a sarokban van a mélyládám. Így 5 W-ról akár 109dB-t is el tudok érni, ami már nagyon hangos! (ezt próbáltam 45Hz-en, szaggatja a levegőt rendesen, nem lehet sokáig bírni )A Wattokról csak annyit, hogy 10W lehet hangosabb, mint 100, csak attól függ, mit hajtunk vele, és hova van elhelyezve :yes:
Srácok, a nyílthúrkú erősítést a 2-es és a 14-es láb közötti ellenállással lehet belőni.
Mi a maximum próbálta valaki? Köhi!
hali! megcsináltam még egyszer a műterhelést!8 ohm és max kivezérlésben 49,8v-ot mértem! ez már jó ? nem nagyon vágom az ilyen méréseket!és a 49.8v az hány watt?köszönöm!
Hány Hz-es jellel mérted? Ez 310W. Nem hiszem hogy folyamatosan képes lenne ennyit leadni. Mérd meg 50 Hz-es szinuszjellel, akkor biztosan pontos a műszer az "AC V" tartományban. A teljesítményt a következő képpen tudod kiszámolni: Az ellenállásod adott, pontosan R= 8 Ohm. Az ellenálláson megméred az "U" feszültséget és kiszámítod a rajta folyó "I"áramerősséget. I=U/R, majd kiszámítod a "P" teljesítményt. P=U*I. Ha van két műszered akkor az egyiket "AC A" módban kösd sorba a terhelő ellenállással és mérd meg a rajta átfolyó áramot, majd a P=U*I képlettel számítsad ki a teljesítményt.
Üdv!
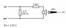
Szerinted, ha a képen látható összeállítás szerint tesztelném az erősítőt, az úgy működhet ? Tehát a 4 Ohm-os műterhelés mellé be van kötve egy hangszóró, egy 2kOhm ellenálláson keresztül, így az eredő 3,99 Ohm, tehát az rendben van, és a hangszóróhoz tett mikrofon mutatná a számítógépen a torzítást. A másik kérdés, ha kirajzolódott a négyszögesedni kezdő sinus, honnan tudni, hogy az hány % torzítás ![]() Mert ezek alapján igen jól látnám, hogy mennyit tud ![]() Köszi
megcsináltam 50hz tartományban is! ott 52.7v-ot mértem! ez azt jelenti hogy képes leadni 347 wattot? de ez max kivezérlés? és itt, HA IGAZ a 347 wattnál mekkora a T.H.D ??? köszi!!
Nagyon rendes vagy , és legfőképpen türelmes. Pontosan 1 napja irtad le ugyanezt nekem is.
![]()
347 W-nál már igen csak "bekockul" a kimenőjel
Az már nagyon THD-s ![]() Szerintem próbáld bekötni a műterhelést, és azzal párhuzamosan a 2kOhm-on keresztül 1 hangszórót, és hallgasd meg, mit hallasz. Úgy ahogy 1-el feljebb a képen - csak hídnál úgy tudom, ne a GND-t használd .Ha a szinusz búgás kezd megváltozni - de ott ahol még tűrhető - ne hangosítsd tovább, és nézz egy voltot a műterhelésen. Szerintem ebből nem lehet baj, vagy előtte várjuk meg Bassmester barátunk véleményét Szerintetek? Épül most egy végfok egyik barátomnak ,nem hidalva ,hanem szimpla 7294 el.Minden bizonnyal nem kell nagy teljesítmény ,mert érzékenyek a hangfalak (8 ohm) . Alagút hütéssel , közvetlen rá akarom szerelni az ic-t a bordára. Plexiböl lessz a ház,némi kék fénnyel, a bordák belül lesznek . 2x30 V a szekunder feszültség , sajna középleágazásos , és EI mag ,de most éppen ez van. Még a táp nincs kész ,de úgy számolom +- 43 V lesz,és ezen aggódom. Lehet gond?
Szia!
Bocs, hogy beleszólok, de szerintem nem lesz gond, ez a 42V nálam sem okozott semmiféle problémát, főleg 8 Ohm-nál nem. (kb. 6-7 évet használtam így) Esetleg, ha nagyon ingadozik a konnektorfesz, akkor talán.... ![]() Múltkor 233 V-ot mértem, de akkor nem ment az erősítő, most meg már nem lehet gondom, mert a 93 bírja max 50V-ig, ahhoz meg legalább 240-250V kellene ![]() De egy kis fesz csökken a hídon is talán
szerintem 7294 helyett rakj 93-at így bisztosan nem lesz gond! de ezt már te döntöd el!
Örülök ,hogy itt vagy, külön kíváncsi lettem volna a véleményedre.
A méréshez panasonic wm61 kapszulát szoktak használni ,eléggé drága (1000ft+) de jól lehet vele átvitelt mérni ,mert ismert a karakterisztikája , és van hozzá kalibrációs fájl. De miért nem méretezel ,hozzá egy ellenálást , és közvetlen a line in be kötni. Azt hiszem az RMAA nevü progi mér torzítást is , azzal meg lehet ezt oldani. Be kell kalibrálni a hangkártyát , egy egy olyan kábellal aminek egyik vége , a line in -be a másik a line out -ba. Saját magát méri meg a hangkártya ,és ehez viszonyítva mér. Szoktak erősítőt is mérni vele.
Szia.
Ez a torzításmérő megoldás halott dolog, mert a hangszóró +mikrofon + hangkártya AD-je minimum annyit torzít, mint amennyit mérni szeretnél, vagy többet, ráadásul kalibrálni sem tudod... A sima szkóp sem túl jó erre a feladatra, mert valójában a sinus alakjából nem lehet a thd-ra következtetni, a teljes jel spektrumot kell vizsgálni egy erre alkalmas analizátorral. Egyszerűbb torzításmérőt talász viszont a hálón, sőt valahol a fórumon is találkoztam már vele.
Az RMAA -t nem ismered ,vagy nem ajánlod?
Sziasztok, ma eladtam "piroskát" (10k kell a píz JHL re
)! búcsúzóul pár kép, remélem új gazdija örömmel használja majd.
Én is azon az állásponton vagyok, hogy ki kell hagyni a hangszórót és mikrofont, mert valójában ennek mérjük a torzítását. A hangkártyát nem igazán preferálom ,de a semmitől az is jobb. Viszont lehet, hogy készíteni fogok egy külső (24bit/96kHZ-es) nagypontosságú AD konvertert, és az S/PDIF jelet viszem a hangkártyára, ill. az RMAA programba, és így már akár század pontossággal lehet mérni a thd-t. :yes:
Nem inkább fülelni kéne a méregetés helyett ? (bocs hogy belenyekegek
Az erősítő kimenetét a PC-be bele
![]() Hát olyant is lehet ![]() Csak ezen nem is gondolkodtam, mert kicsit féltem a gépet, bár ha mondjuk egyenfesz jönne ki belőle, az ellen csak védve van ![]() De szerintem ez a mikrofonos valami is működhet, hiszen nem frekiátvitel érdekel, hanem csak egy adott frekin, mondjuk 100Hz akarok teljesítményt mérni. De még füllel is hallom, hogy hol nincs még torzítás, a clip vissza is igazol
Hát, nekem nem kell 0,0000 % pontosság, elég lenne, ha 1% és 10% vizsgálható lenne, itt csak nem téved akkorát a mikrofon
![]() Vagy az az önmagát kalibráló dolog is jól hangzik Persze örülnék egy korrekt bemérésnek, frekiátvitel, akármi, de egyenlőre beérném a teljesítmény méréssel is. Igazából nem szeretnék nagy összegeket mérésbe fektetni, a műterhelést is pénzkidobásnak látom, de majd valamit kitalálok rá
Ezt az RMAA progit lehet, hogy megnézem, de van valami ötleted, hogyha be van kötve a műterhelés, még mikre van szükségem, hogy a kimenőjelet visszavezethessem a PC vonalbemenetére.
Nem ez volt a kérdés!
Már korábban leírtam én is, (úgy látszik ezt nem olvastad), hogy az erősítőket fülelni kell, nem pedig mérni, ugyanis a mérési eredményből nem tükröződik a hangzás. Itt viszont arról volt szó, hogy egy mások által felvetett problémára kinálam megoldást. A torzításmérő megépítése sem arra fog irányúlni, hogy tda vékfokokat méricskéljek vele, hanem a célja egy professzionális műszer megalkotása. Ok?
Mértem már én is erősítőt, kicsit régebben.
Az erősitő bemenetét összeköt hangkártya kimenet.(zöld) Az erősítő kimenetét összeköt hangkártya bemenet .(kék) Mindenképpen óvatosságot igényel a hangerő poti kezelése , nehogy túl nagy feszültség menjen a hangkártyára. De mivel te teljes kivezérlésig el akarsz menni kell egy feszültség osztót méretezni eléje. Van a programnak egy kivezérlés jelzője amikor zöld lessz akkor lehet mérni. De szerintem nem kell több mint egy volt. Az hogy mekkora legyen az ellenálás abban nem tudok segíteni ,de biztosan van itt olyan aki levágja ezt az egyszerű számítást. Jah egy kicsi kíváncsiságból nekihúztam a hangerőpotit nem lett baja , de látszott a képernyőn ,egy kis vizszites csikozás ,gerjedés. Nagy baj nem lehet. Még annyit ,hogy nekem nem volt rajta műterhelés,mert csak átvitelt akartam mérni ,de ebben az esetben szerintem kell.
A harmonikus torzítás nem olyan kritikusdolog, mint a tranziens-intermoduláció, de 1-2 % felett már az is jelentős. Ezért érdemes a mérést legalább egy nagyságrenddel alá vinni, erre még a hangkártya is megfelelne. Egy 1/30-as feszültségosztót kellene a kártya bemenetére tenni + a műterhelés az erősítő kimenetén.
Jó, köszi
Először szerzek műterhelést, de a mérést majd csak hónapok múlva csinálom, ha bedobozoltam a cuccot ![]() Egyébként a P7293-at megpróbálod ? Majd össze kotrok valami kapcsolási rajzot, amin úgy van, ahogy a valóságban.
Ahhoz a kritikusdologhoz sajnos nem értek
![]() De ahogy a képen van, úgy beköthetem, nem kell semmi kondi, egyenfesz ellen vagy valami (bár gondolom a hangkártyában van) igaz :yes: Vagy felcseréltem valamit? ![]() köszi |
Bejelentkezés
Hirdetés |




:worship:
)



Az már nagyon THD-s 
.





