Fórum témák
» Több friss téma |
Szia!
Az áramkörben esetleg nem lehet hiba? Pl. fordítottan beforrasztott tranzisztor vagy forrasztási hiba? Ezeket már kizártátok?
Csak azért, mert sok az alkatrész, nagyobb a hibalehetőség esélye.
Hello! Az áramkör erősítésnek elvileg elegendőnek kell lenni. kb. 1..5mV bemeneti jellel működnie kellene.
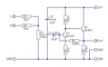
A képen gyári panel látszik. De azt célszerű ellenőrizni, hogy tényleg a 2SC9013-as tranyók vannak-e az áramkörben. Mert a szokásos BC tranyók kollektor-emittere fordítva van, mint a 2SC tranyók-é. Ne hogy valami ilyesmi okozza a gondot. Nem kell, hogy a tranyók kollektor feszültsége 2V legyen a működésükhöz. De az alacsony kollektor-emitter feszültség, kisebb kimeneti jelszintet enged meg. Hiszen a jelnek, "bele kell férni" a kollektor feszültség tartományába. Tehát ha 1,2V a kollektor feszültség munkapontja, akkor a jel negatív félperiódusa sem lehet ennél magasabb értékű. Ezért szokás hozzávetőlegesen a féltápfeszültség közelébe választani a munkapontot. Célszerű az ellenőrzést két részre osztani. Ha van egy kis trafódm akkor lehet 50Hz-es jelet adni a mély csatornára, oda, ahol a jelszint 1V-ra van megadva. Tehát a C3-at kiemelve lehet a VR4 tetejére és a GND-re 1V feszültséget adni a trafóról. Így ellenőrizhető a meghajtó fokozat működése. Ha ez rendben, akkor a C3-az vissza helyezve a mikrofon helyére lehet adni egy feszültségosztó használatával 1..5mV-os jelet. És arra is működni kellene a mély csatornának. (Pld egy 6V-os kistrafó és egy 100k/100ohm osztóval 6mV bemeneti jelet lehet előállítani. Továbbá ellenőrizni kellene, hogy a mikrofon polaritáshelyesen van-e bekötve és hogy a feszültség mekkora rajta. Továbbá célszerű ellenőrizni, hogy a jelúton nincs-e valahol testzárlat a GND felé. A mikrofon bementre adott jellel, |
Bejelentkezés
Hirdetés |





