Fórum témák
» Több friss téma |
Fórum » MultiSim - tapasztalatok
Használja valaki a Micro-Cap szimulátort? Ha igen, mik a tapasztalatok vele?
Pozitív.
Az LTSpice-al együtt használom felváltva. Mikor melyikhez van kedvem. De ez utóbbi a kedvencem.
Köszönöm! Akkor nem keresgélem tovább, ha az LTSpice jobb. Kár, hogy letöröltem a gépemről mert "összegabalyodtak" a CM-mel. Már bánom, inkább az LTSpice-t kellett volna megtartani.
Összezavarodtam. Melyik Micro-cap verzióról beszélsz ? A Micro-Cap 12-es verziója ingyenes. Én ezt használom. Érdemes kipróbálni. Itt találod. A táblázatban a legelső.
Köszönöm szépen! Elég béna vagyok a letöltögetések terén, én csak a demo változatát találtam meg.
Az LTSpice-ről írtam, hogy valamilyen - számomra rejtélyes és ismeretlen - oknál fogva "látja egymást" a gépemen a két szimulátor. A Circuit Maker addigi sikeres szimulációin sorra hibaüzenetek jelentek meg, rosszabb esetben lefagyott a gépem. Az LT törlése után ez a kellemetlen jelenség megszűnt. Emiatt kicsit félek a Micro-Cap-tól is, de ki fogom próbálni miután a biztonsági mentéseket "megóvintézkedem".
Néhányan gondolkodtunk már azon, vajon milyen szimulátorokat használhatnak a profik.
Talán ilyeneket. (Remélem jól sikerült bemásolnom a hivatkozásokat.) http://www.intusoft.com/nlhtm/nl44.htm#modeling http://www.intusoft.com/nlhtm/nl65.htm A hozzászólás módosítva: Feb 25, 2023
Ezt a szimulátort ( vagy talán ennek egy korábbi verzióját ) használtuk cégesen a '90-es évek elején. Akkor mindent kézzel kellett beírni, hogy mit csináljon. Ahogy az első linken láthatod. Egyszerűen használhatatlan volt emiatt. Ha most is így működik, akkor álmomban se jusson eszembe.
Aztán hozzájutottam az EWB 5.0c-hez és elhűltem, hogy így is lehet...
Nem jut eszembe ilyet használni, részben a szimulációs eredmények érdekessége miatt tettem be.
Sokat cikkeznek arról a "nagyok", hogy pl. félvetők gyári adatlapjai hiányosak, és/vagy megtévesztőek. Emiatt kényszerűségből nekik kell (át)paraméterezni néhány félvezetőt, vagy passzív alkatrészt a szimulátorban, hogy valósághűbb modellt kapjanak. Ennek szemléltetésére is alkalmasak a fenti linkek. Az EWB valamennyi még most is rajta van a gépemen, de nagyon rég nem használtam. Nekem úgy tűnt akkoriban - utólagos mérések alapján -, hogy nincs sok köze a szimulációinak valósághoz. ozitív, vagy negatív meglepetés ért ennek kapcsán? Ez a Micro-Cap 12 birizgálja a fantáziámat, de most inkább olvasok és tanulok, kezdem más szemmel látni az erősítők (bel-)világát. Találtam egy megkapó idézetet ezzel kapcsolatban (megragadt bennem): Úgy élj mintha mintha minden napod az utolsó lenne és úgy tanulj, mintha ezer évig élhetnél.
Én úgy tudom, az összes szimulátor ugyanazt az algoritmust használja, amit a Berkeley egyetemen találtak ki 1960-ban. Egy szimulátor nagyon pontosan számol. Ha eltérés van közöttük, az a használt modellek különbözőfélesége miatt van. Pl: sok FET modellt láttam cikkekben, nagyon bonyolultak voltak egy Spice modellhez képest. De valószínű pontosabbak is.
Igen, ez biztosan így van, nem értek hozzá.
A nevekkel hadilábon állok, rákeresni meg lusta vagyok. Nevezzük a Linn cég alapítójának... (ezúton kérek elnézést tőle udvariatlanságomért) már negyvenvalahány éve kijelentette, hogy "... minden lemezjátszó egyenlő, csak némelyek egyenlőbbek a többinél...". Elképzelhetetlen, hogy ez - átvitt értelemben - vonatkozik a szimulátorokra is? Arról hallgatsz, hogy mi is van az EWB-vel...?
Miért, mi lenne az EWB-vel? Ezt a programot, vagy az egész fejlesztőcsapatát megvette a National Instruments. Aztán a programot átnevezték Multisimre. Alapjaiban ugyanaz a kettő, pedig eltelt vagy 20 év... néhány újítást bevezettek az MS-be, sokkal gyorsabb lett az analízis, a 14-esnél meg sokkal lassabb a rajzolás. Most már egy fájl elmentése 10 sec-ig tart. Nyáron kap egy 64 bites wint a gépem, és egy újratelepített MS-t. Persze, a 64 bitest. Hátha az már jobb lesz. Egyébként, meg kell tanulni velük élni. Más nincs. Az LT Spice is olyan, mint régen az Intusoft. Kézzel kell begépelni a parancsokat. Könyörgöm, 2023-ban vagyunk...
Persze, vonatkozik a szimulátorokra is. Olyan, mint a demokrácia. Mindenki egyenlő. De, vannak még egyenlőbbek is... A hozzászólás módosítva: Feb 25, 2023
" ...Aztán hozzájutottam az EWB 5.0c-hez és elhűltem, hogy így is lehet..."
Jó... elnézést, már vettem a lapot. Valami miatt átkonvertálta az agyam a múlt időt jelenidőbe és úgy értelmeztem MOST lett EWB-d és ezen hűltél el. Nem igazán értettem. Újra végig kellett volna olvasnom a mondatot, míg el nem jut a tudatomig miről van szó. Előfordul nálam ilyesmi gyakran és ez csak egyre rosszabb lesz
Az Intusoft után hűltem el, hogy van barátságosabb program is. Ez volt az EWB.
Valamelyik külföldi fórumon írta valaki, hogy mindent meg lehet velük csinálni, de ahhoz kb. annyira meg kell tanulni a használatukat mint a tervezőjének. Kigyűjtöttem az oldalukról egy txt-be a verziókat a kiadás dátumaival és hogy melyik mivel kompatibilis. Írtam neked privátban hogy szívtam a 14.0-val a win10 alatt, hát ebből a listából a szívás oka is kiderült, mivel nem is volt kompatibilis vele. Ez a 14.3 eddig minden tekintetben jobb mint az előző verziók, de ehhez hozzá kell tenni, hogy nálam most hardver is került alá, mert a 2 magos proci helyett most 6 mag dolgozik alatta.
De biztos hogy javítgattak is rajta ezt azt, mert emlékeim szerint pl. a 10-ben egy sima 2 tranyós multivibrátor el sem indult, ebben megy. Meg szórakozni kellett a teljesítmény méréssel, ebben meg 2 kattintással meg lehet nézni bármelyik alkatrész disszipációját. Mondjuk nekem ami még mindig nem tetszik benne, hogy miért nem lehetett egy nyamvadt gombot odatenni a menüsorba mint a tinában, amivel egy kattintással el lehet forgatni az alkatrészt 90 fokkal, miért kell ehhez jobb klikkezni.
Hát azért, hogy a következő verzióban legyen mit megcsinálniuk... Van ( volt ? ) egy fóruma az NI-nek az MS-re. Állítólag, az ott felmerült hiányosságokból beépítettek az újabb kiadásokba. Volna egy rakás ötletem...
Bevittem Micro-Cap12-be Rod Elliott CFB erősítőjét.
Szupi. Inkább maradok a CM-nél, ezt már megszoktam.
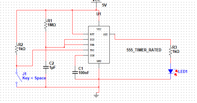
Sziasztok!
Windows11 alatt szeretnék működtetni multisim 11-ben 555-tel egy monostabil multivibrátort. Elindítva a szimulációt az 555 kimenetének a rajzolatán piros rajzolat van és a led nem világít.
Most van az, hogy kissé szalonképesebbre kellene megcsinálni. A csomópontok legyenek beszámozva ( így nagyon nehéz rájuk hivatkozni ), a Bode függőleges tengelye legyen dB-ben, a bemeneti jel értéke legyen odaírva, az előremenő ág erősítésének bemutatásához kell még egy görbe, a Q1,Q2 tranyók bázisának feszültségéből ki kell vonni a Q2,Q8 emmitterének feszültségét, tranyók típusát odaírni, megnézni, hogy mekkora minimális terhelést bír el, mekkora kapacitiv terhelést visel el, mindezeket négyszögjelnél is.
Mire mindezeket elő tudod varázsolni, egész jól fogsz érteni ehhez a szoftverhez. |
Bejelentkezés
Hirdetés |















