Fórum témák
» Több friss téma |
Sziasztok olvasgattam és lenne egy elképzelésem melyhez segítséget kérnék!
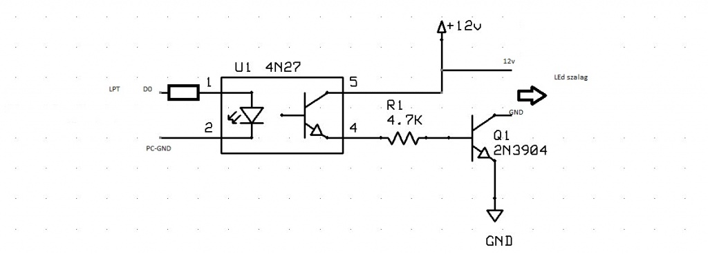
Ezen kapcsolási rajzot "terveztem" át lelkiekben de az az igazság hogy kicsit nem vagyok biztos a dolgomban! http://www.discolitez.com/files/images/ledcircuit.gif Én egészen pontosan ezzel a megoldással 12V-os LED szalag "darabokat" hajtanák meg, melyeknek külön táp ellátása van! (12V) és mint a mellékelt rajzomon is látszik a gép kijövő jelével egy tranzisztoron keresztül kapcsolgatnám a szalag "darabokat" a problémám hogy nagy mennyiségben a -E13007 tranyóim vannak. és ezek NPN tranzisztorok.. bevallom ebben a témában kicsit nagyon kezdő vagyok. az elképzelés pedig lényegében az hogy az eredeti rajzon lévő LED-ek helyére kerülnének a tranzisztorok egy dioda után mely nem tudom végül is kellene e? oda a gép védelme érdekében gondoltam.. a 470k-s ellenállások meg gondolom ebben az esetben nem fognak kelleni hisz a tranzisztor a katalógusa szerint bírni foglya. csak éppen sem az általam megálmodott kapcsolás, sem a földelés bekötéseiben nem vagyok biztos és a tranzisztor típusában sem hogy az ebbe a kapcsolásba meg e? felel az elképzelésnek. a másik hogy ha végül is ez így működhetne lehetne e késleltetni a felvillanás kialvás sebességét kondenzátorokkal?
Ez a legjobb megoldás ! Ha tönkre megy az áramkör a PC alaplap megússza!!!!!
Szia! A kapcsolási rajzod nem igazán működne megfelelően. Földelt emitteres kapcsolást kellene alkalmaznod, hogy a tranzisztor kapcsoló üzemmódban működhessen. Példa a földelt emitteres kapcsolásra: Link A kapcsolási rajzodon a tranzisztor nem tudna teljesen kinyitni, mert a bázisra adott 5V-os vezérlő feszültség nem elég a tranzisztor kinyitásához. ( Uemitter + 0.6V Ubázis feszültség kell ahhoz, hogy a tranzisztor nyitni kezdjen. ) Vagyis feszültségkövetőként a LED-sorokra KB 5V feszültséget engedne át. Szabi1 kapcsolása is földelt emitteres elrendezés. Szerintem megéri megépíteni. Biztos jó lesz az MJE13007 -as tranzisztorokkal is...
A hozzászólás módosítva: Nov 13, 2012
Én 8 leddel csináltam.
A problémám, hogy a neten 12v-ról működtették, én viszont nem mertem ezért csak 6v-ra kötöttem. Tökéletes a fényerő, de a trafó melegszik. Javaslat...
Sziasztok!
Hogy tudom elérni azt, hogy a programban a vonalak látszódjanak annélkül, hogy ráhúznám az egeret? Törölni hogy lehet vonalakat? |
Bejelentkezés
Hirdetés |











