Fórum témák

» Több friss téma
Fórum » Frekvenciaváltó
 
Témaindító: sultann, idő: Feb 15, 2008
Lapozás: OK   17 / 103
(#) gulyi88 válasza c27 hozzászólására (») Ápr 5, 2012 /
 
A motor feszültsége csökken (kitöltési tényező). De a DC feszültség nem, és ahhoz számoltam az áramot, mert azon van a szűrés.
(#) c27 válasza gulyi88 hozzászólására (») Ápr 5, 2012 /
 
Ez elég probléma mert egy egész kondenzátorpark kell egy viszonylag kis teljesítményű motornak is.
(#) gulyi88 válasza c27 hozzászólására (») Ápr 5, 2012 /
 
Ezen nem lehet már mit segíteni, ez van.
Nézz utána a PFC-nek, vagy legyen 3 fázisú betáplálás egyenirányítás (szűrés nélkül is tűrhető feszültség hullámossága van.).
(#) erobi82 hozzászólása Ápr 8, 2012 /
 
Üdv

Van egy Altivar31es ferkiváltóm, SCF hibaüzenettel. Szétszedtem, IGBT hidat leteszteltem, az jónak tűnik. A kimeneten hogyan illetve mi méri a túlterhelést? A hibalista szerint rövidzárlat, vagy földzárlat a hajtás kimenetén. Ezt jelenti az SCF
(#) Hsanyi79 válasza erobi82 hozzászólására (») Ápr 8, 2012 /
 
A doksija szerint a motorra irja a rövidzárat.

http://kvkmai.uw.hu/documents/tantargy/ATV31egysz_kezik4.pdf

17. oldal.
bocs ha ezen már tul vagy.
(#) erobi82 válasza Hsanyi79 hozzászólására (») Ápr 8, 2012 /
 
Ezen már túlvagyok, az a baj hogy az "asztalon" motor nélkül is ezt írja
(#) dcsabi válasza erobi82 hozzászólására (») Ápr 8, 2012 /
 
Az IGBT adatlapját keresd meg a neten, az elég beszédes lehet ebben az esetben. A legtöbb modul szinte mindent tartalmaz. Nem biztos, hogy teljes értékűen le tudod ellenőrizni. A hibák túlnyomó része a tápegység és a végfokozat alkatrészeinél fordul elő.
(#) erobi82 válasza dcsabi hozzászólására (») Ápr 8, 2012 /
 
Az IGBT híd véleményem szerint jó. Adatlapja szerint van benne egy 3f.-ú egyenirányító, egy hőfokfüggő ellenállás,6db IGBT, C-E közti diódával, egy plusz IGBT, illetve egy dióda.
A híd típusa:FP10R12YT3
Link: Bővebben: Link
(#) dcsabi válasza erobi82 hozzászólására (») Ápr 8, 2012 /
 
A modulban lévő 3fázisú egyenirányító hid egy diódája ha szakadt vagy zárlatos, akkor ez is okozhat rendellenes működést. Az EU EV EW vonalak is mennek valahova. Az áramot esetleg ezeken keresztül figyeli. A "zárlat" azt is jelentheti, hogyha egyetlen Gate sem kap vezérlést, ennek ellenére "valahol" folyik áram, és ez a modulon belül is lehet, ahol egyébként nem kéne...
(#) erobi82 válasza dcsabi hozzászólására (») Ápr 8, 2012 /
 
Az egyenirányító diódákat izzólámpa tápegység kapcsolással ellenőriztem, nyitó és záró irányba.
Az IGBT-ket is hasonló módszerrel, bár azt lehet hogy valami komolyabb dologgal kellene megnézni, bár mi lehet ettől komolyabb?? A kollektor emitter közötti dióda sem hiszem hogy zárlatos, mert minden esetben kellett adnom a G-re vezérlést hogy felgyulladjon a lámpa.
A 3 fázison viszont van valami áramváltó féleség. Mind a 3 fázisvezető átmegy ezen az 1 gyűrűn,( majd bele az IGBT híd diódáiba) amiből 2 szál vezeték jön ki összecsavarva, és egy SMD-s viszonylag bonyolult NYÁKra megy. Ott nem mérheti az áramot??
(#) dcsabi válasza erobi82 hozzászólására (») Ápr 9, 2012 /
 
Azok a gyűrűk minden bizonnyal az áramot figyelik. Simán átvan vezetve, vagy egy-két menet a fázisvezetőből a gyűrűn? Ha nem vezeted át rajtuk, akkor nincs árammérés ezen a ponton. (egy próbát mégérhet), viszont a gete-kről vedd le a vezérlést, mert még nagyobb bajt okozhat, ha ráadja a rendszer a vezérlést. Az elektrolit kondenzátor is lehet rossz, ami a 400V tápot szűri...Ha nincs a diódahid és a modul többi része között bonthatatlan kapcsolat, akkor a hidat helyettesítheded egy másik 3 fázisú híddal.
(#) erobi82 válasza dcsabi hozzászólására (») Ápr 9, 2012 /
 
Mind a 3 fázis ezen az egy gyűrűn van átvezetve, nincs rátekerve, csak átmegy rajta.
(#) kadarist válasza erobi82 hozzászólására (») Ápr 9, 2012 /
 
Szia!
Az a gyűrű a 3 fázis feszültségszimmetriáját figyeli és nem árammérő. Az árammérést a közbenső körbe épített söntellenálláson szokták mérni, tehát még az egyenáramú részen.
(#) erobi82 válasza kadarist hozzászólására (») Ápr 10, 2012 /
 
Na úgy néz ki mintha kezdene magához térni. Már rdy-be van, bár motort még nem tettem rá, de hamarosan az is eljön. A mellékelt képen látható a hiba feltételezett okozója. Már csak azt nem tudom hogy a ventinek állandóan forogni kell, vagy hőfok vezérelt, mert mikor teszteltem nem indult be.

repedés.JPG
    
(#) kadarist válasza erobi82 hozzászólására (») Ápr 10, 2012 /
 
Még ilyet! A ventilátor üzemmódja programozható szokott leni.
(#) erobi82 válasza kadarist hozzászólására (») Ápr 11, 2012 /
 
A kép bal oldalán is volt 2-2 ilyen repedt forrasztás, csak már megforrasztottam mire eszembe jutott, hogy le kellene fényképezni.
(#) zombee hozzászólása Ápr 22, 2012 /
 
Sziasztok!
Remélhetőleg még él a téma. Egy villanygokart építésébe kezdenék. A hatótávolság és a hatásfok, illetve a visszatápláló fékezés alap, ez utóbbi a dimbes-dombos lakóhely miatt lenne jó dolog. Tisztában vagyok a villamossági alapokkal, kondenzátorok és tekercsek feszültség/áram viszonyaival,
a 3 fázisú aszinkron motorok alapjaival, ezen felül AVR mikrokontrollerekkel is évek óta foglalkozom.

A döntés egy 3.5kW-os, 380V-os villanymotorra esett. A motorra jutó 3-fázisú szinuszfeszültség
amplitúdójával és frekvenciájával változtatom a gyorsító nyomatékot(egyelőre nem fékeznék vele).
Gondolom világos hogy ide valamiféle frekvenciaváltóra is szükség lesz a vezérlés mellett.

Pár apróság azonban nem hagy nyugodni, és főként ebben kérném a segítségeteket!
Először is, nézegettem az egyik 3 fázisú hídmeghajtó(IR2233J) adatlapját és a vele épített
frekvenciaváltó működését. Azt látom hogy a motor meddő teljesítményét a tranzisztorok és a
hozzávezető vezetékek el fogják fűteni. Márpedig egy 3 fázisú motornak - különösen ha kicsi a terhelés -
bőven van meddő teljesítménye. Ez nem csak a tranzisztorok méretezésére, hanem az akkukra
és a hatótávra is nagy hatással van. És még a villamos fékezésről nem is beszéltünk!
Ha egy ilyen frekvenciaváltóval szeretnék fékezni(kb. -10% - os szlip ajánlott),
akkor a mozgási energia szintén hővé alakul!

A tápellátásról egy vagy több autóakku gondoskodna, amire kapcsolóüzemű feszültségpumpát építenék hogy meglegyen a 600V vagy 2x300V egyenfeszültség. A motor és a feszültségpumpa közé egy frekvenciaváltó kell, amit a speciális igények(és a pénzszűke) miatt magam építenék meg.

A fő alkatrészek a meghajtótranzisztor(FCA47N60F MOSFET), a FET-eket illesztő 3 fázisú
hídmeghajtó (IR2233J), és a vezérlés amit AVR mikrokontrollerrel és/vagy analóg kapcsolással
oldanék meg. Ez csak a villanymotort hajtja meg, tehát a kimenetre csak indokolt esetben tennék szűrőt.

A kérdésem: mit lehet ezen még javítani, főleg ha a meddő teljesítményt legalább a 2x300V-os körbe
szeretném visszajuttatni? Erre van valami - lehetőleg egyszerű - kapcsolás már létezik?
Egy komplett frekvenciaváltó rendelkezik-e ilyennel vagy az is inkább elfűti a meddő teljesítményt ?
(#) gulyi88 válasza zombee hozzászólására (») Ápr 22, 2012 /
 
Először is nézd meg az MC3PHAC vezérlő IC-t, nagyban leegyszerűsíti a dolgot, és nem drága a tudásához képest.
3 részből kell állnia a rendszerdnek:
Booster az akkufesz növeléséhez, jó nagy teljesítményű (gyorsítási teljesítményt tudnia kell)
"buck"-er a fékezési teljesítmény feszültségének csökkentéséhez (+akku töltöttség figyelés + disszipatív vész kisütés (chopper)).
És a 3F híd.
A meddő teljesítményt nem fűti el semmi (legfejebb a vezetéken egy kevés hővé alakul),
a meddő a motor és a híd(+a DCkondik!) között áramlik oda-vissza...
A meddő gyakorlatilag a teljesítmény pillanatértékek pozitív és negatív tartományainak periódikus váltakozása.

Még most fontold meg a motor áttekercselését:
ha az akkufeszhez tekerteted át, akkor nem kell a booster meg a bucker sem, a 3Fhídat meg egy kicsit combosabbra kell csinálni.
(#) Szirty válasza zombee hozzászólására (») Ápr 22, 2012 /
 
Hali zombee!

Szerintem sem kell aggódni a vezetékeken fellépő veszteségeken. A vezetékek rövidek lesznek és megfelelő méretezéssel jelentéktelen veszteség lesz rajtuk ahhoz képest, amennyi a félvezetőkön, tekercseken fellép majd.
(#) zombee válasza gulyi88 hozzászólására (») Ápr 22, 2012 /
 
Megnéztem az IC adatlapját, jónak tűnik mivel a vezérlést is beleintegrálták, vele egyszerűbb lehet.

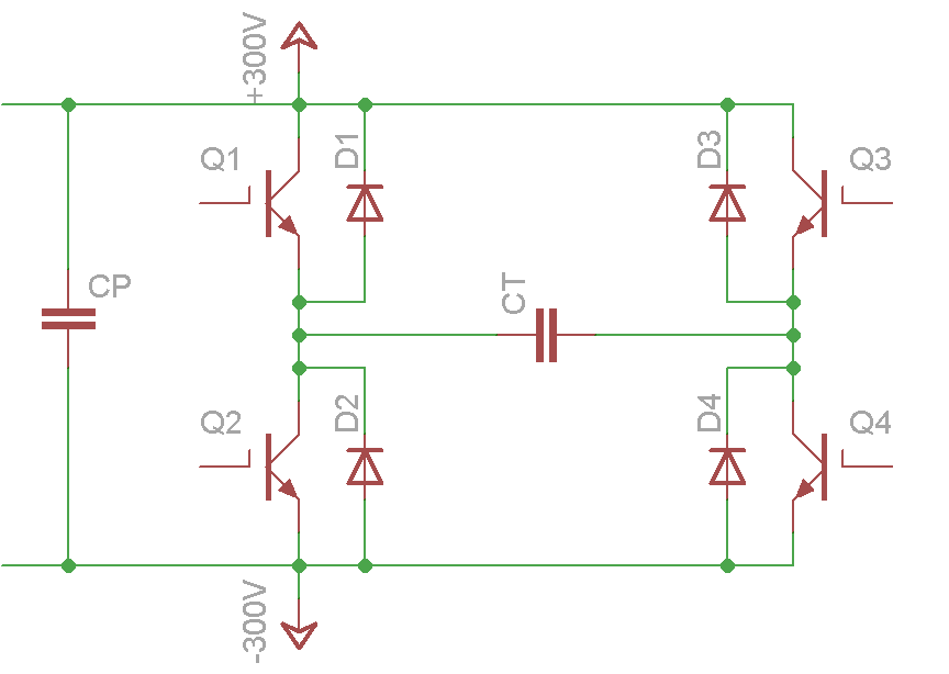
A meghajtó részt, különösen ha a kimenet meddő teljesítményt vesz fel, már nem igazán értem hogy
miért is áramlik vissza a pufferkondiba és nem fűti el. Hogy érthető legyen az értetlenségem,
rajzoltam egy egyszerű egyfázisú meghajtókapcsolást két tranzisztorpárral.
Azt veszem alapul hogy egy kondenzátort kötök
a kimenetre mint terhelés(CT), a pufferkondi CP.
Ekkor ugye az egyik negyedperiódusban tölteni kell, ilyenkor még oké hogy egyik kondiból másikba megy
a töltés, de a következő negyedperiódusban már
ki kell sütni a kondit, ilyenkor a CP-t és CT-t éppen szembe kell kapcsolni, ilyenkor az előző
negyedperiódusban felvett áramot valahol el fogja fűteni, nem töltheti vissza. Vagy mégis?

Azt veszem alapul hogy ha induktív terhelés van, akkor is ugyanez történik. A leírásom hol hibádzik?
Lehet hogy kapacitív terhelésre jó az elgondolásom, de induktív terhelésnél mégis visszatöltés áll elő?
És mi a helyzet villamos fékezésnél? A kapcsolás akkor is visszatöltheti a pufferkondiba?
(#) kadarist válasza zombee hozzászólására (») Ápr 22, 2012 /
 
Szia!
Nem értem a problémádat, mert generátor-üzemben az IGBT-k visszafutási diódáin keresztül töltődnek a kondenzátorok (akkumulátorok). Sőt ilyenkor arról kell gondoskodni, hogy nehogy túltöltés alakuljon ki, ezért be szoktak építeni egy kisütőellenállást, amit egy külön IGBT-vel kapcsolnak be a vezérlő parancsára. Az MC3PHAC-nak is van ilyen funkciója..
(#) zombee válasza kadarist hozzászólására (») Ápr 22, 2012 /
 
A meddő teljesítmény visszatöltése csak induktív terhelésnél működik?
Kapacitív terhelésnél jó az elgondolás hogy a meddő teljesítményt elfűti?
(#) kadarist válasza zombee hozzászólására (») Ápr 22, 2012 /
 
Milyen meddő teljesítmény? Én arról beszélek, amikor a kerekek hajtják a motort, ami ettől generátorrá alakul. Az ilyen módon indukált energiával kell valamit kezdeni egy ilyen rendszerben.
(#) gulyi88 válasza zombee hozzászólására (») Ápr 22, 2012 /
 
Szerintem jól gondolod, kapacitív terhelésnél nincs ami kikényszerítse az áramot.
De tejesítmény így sem megy kárba.
Tiszta, vagy majdnem tiszta kapacitív terhelés a gyakorlatban nem alkalmazott, az első kaplcsolásnál kinyírná a félvezetőket.
Tehát egy RC re kell levezetni, ahhol a kondi töltődése alatt at R adja le a Wos teljesítményt, és a C kisülése alatt is az R adja le a wattos teljesítményt, a teljesítmények áramlása más mint induktív esetben, de a híd kimenetén kapacitív áram és feszültség mérhető.
(#) zombee válasza kadarist hozzászólására (») Ápr 22, 2012 /
 
Egyedül arról szerettem volna megbizonyosodni hogy a lényegesen egyszerűbben számolható kapacitív terhelésnél kiszámolt részek átvihetők-e induktívra, vagy mindent újra kell számolni. Már kezdem belátni hogy
itt tévedtem, mert amíg egy tisztán kapacitív terhelés fűti/kinyírja a tranzisztorokat, induktív terhelésnél a felvett meddő teljesítményt visszatöltheti a diódákon keresztül.
(#) kadarist válasza zombee hozzászólására (») Ápr 22, 2012 /
 
Kondenzátort nem szokás frekiváltóra kötni, mert a több kilohertzes kapcsolófrekvencia miatt jó nagy áramok folynának a kondiba. De miért is akarunk egy váltakozóáramú kimenetre kondenzátort kötni?
(#) JZoli válasza zombee hozzászólására (») Ápr 22, 2012 /
 
Ugyan én ennyire nem értek ezekhez a frekvenciaváltókhoz mint az előttem szólók, de viszont már vagy negyven különféle gyári frekiváltót kötöttem be! A gond a legtöbbel az alacsony fordulatszámon leadott indítási (forgató) nyomatékkal volt. Hiába állítottuk minden ehhez tartozó paramétert maximumra, a forgató nyomaték mindig kevésnek bizonyult, főleg ha nagy tömegű volt a hajtott mechanika. Csak azért írok, hogy előfordulhat ez nálatok is, hogy egy ilyen sima aszinkron motor indulásnál kicsit lomha lesz! Nálunk a gondot sima egyenáramú motorral sikerült megoldani, mert annak komoly forgatónyomatéka van alacsony fordulaton is. Sőt mostanában a kefe nélküli Brushless Motorokkal sokkal jobb eredményeket lehet elérni, igaz ezek a motorok azért drágábbak mint a sima aszinkronok!
(#) kadarist válasza JZoli hozzászólására (») Ápr 22, 2012 /
 
Ez pontosan így van! Már akartam említeni, hogy járműbe nem való aszinkron motor, persze kísérletezni lehet.
(#) zombee válasza kadarist hozzászólására (») Ápr 22, 2012 /
 
Természetesen nem akarok kondit kötni, csak az elméleti tudásomban lévő foltokat szeretném betömni.

Idézet:
„Kondenzátort nem szokás frekiváltóra kötni”

Ezt így ebben a formában nem olvastam még sehol, csak elképzeltem/kiszámoltam hogy ez nem jó ötlet.
És azt szerettem volna megtudni hogy valóban jól számoltam-e vagy nem.

Visszatérve az aszinkron motor frekiváltós hajtásához:
Ha a meddő teljesítményt elfűtené akkor nagyobb akku kapacitás, bonyolultabb elektronika, vagy más rendszerű(pl. egyenáramú) motor kellene ahhoz hogy az igényeimet kielégítse.

A fékezéskor nyert energia visszatöltése a másik része, de ugye jól gondolom hogy ha a meddőt
vissza tudja tölteni akkor a frekvencia csökkentésével nyert többletteljesítményt is alapból
visszatölti a pufferkondiba? Innen egy Buck-konvertert alkalmaznék ami az akkuba tölt vissza,
illetve az IC által vezérelt ellenállásfékezőt is igénybevenném ha mondjuk a Buck rész nem működne.
Ez az utóbbi rész ugye csak akkor lép működésbe ha a feszültség elér egy határértéket?
(#) JZoli válasza kadarist hozzászólására (») Ápr 22, 2012 /
 
Én nem mondom, hogy nem lesz jó! Csak gyorsításnál nem biztos, hogy meg lesznek elégedve vele.
Következő: »»   17 / 103
Bejelentkezés

Belépés

Hirdetés
XDT.hu
Az oldalon sütiket használunk a helyes működéshez. Bővebb információt az adatvédelmi szabályzatban olvashatsz. Megértettem