Fórum témák
» Több friss téma |
Szeretnék egy időzítőt építeni NE555-el, amit meg is tudok oldani, de annak a vezérlésében akadt egy kis problémám, ezért kérném segítségeteket.
Probléma: Nyitott ajtónál (Reteszgomb felhúzva) Testet kapcsol a központizár, ami Zárt ajtónál (Reteszgomb lent) megszűnik (se test, se 12V) Zárt állapotban kellene az időzítőt kb 20 mp.-ig működtetnem. Relével (2 morzés) meg tudnám oldani, de akkor nyitott (vagy zárt) állapotban folyamatosan behúzna a relé. Szóval amikor test van ne működjön, de ha nincs semmi, akkor működjön. Remélem érthetően le tudtam írni. Segítségeteket előre is köszönöm!
nem teljesen értem, (3*elolvastam), de szerintem egy felhúzó ellenállás megoldja a problémát. Ha az nem akkor egy felhúzó ell. és egy pnp tranyó.
Asszem értem, tehát amikor nincs test akkor te 12V ot szertnél látni a vezeték végén? És ugye arra megy az 555. Ha igen akkor raksz oda egy felhúzó ellenállást és ennyi. felh ell.: azt a vezetéket amiből a test jön nyitott ajtónál 1*űen összekötöd a 12V-al egy ~ 4,7kOhmos ellenállással.
itt a kapcsrajz ami neked kell! 100%jó. még a 555 is időzítve van 20secre. 555 utánra csak a relé+védődióda kell ami működteti az ablakot.
az a kapcsoló a rajzon nem érdekes az csak az a valmi ami a testre kapcsolja a vezetéked amiből nem tud jönni más cak test. pontot hogy kapok? mer át lett helyezve...
Pontot majd kapsz, ha válaszod kielégítő gülének.
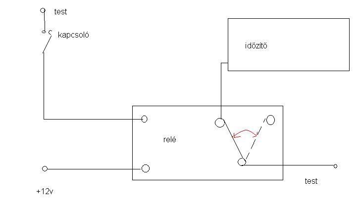
Lerajzoltam mit szeretnék.
A kapcsoló testet kapcsol relére, ami behúz és az időzitőre nem kerül semmi. a kapcsoló nyitott állapotában viszont testet kapcsol a relé az időzítőre, ami kb 20 mp-ig üzemeltet egy relét. Na ez kellene félvezetővel! Légyszives írj vissza jó-e az előbbi ábrád erre! Köszi!
Az, hogy az 555-öt
mivel működtetem (tset vagy +12v) tök mindegy, csak működjön!!!güle
(nem voltam gépnél eddig) naszóval:
ami itt van kapcsrajz: ha negatív van rákapcsolva akkor nem történik semmi, de ha eltűnik a vezetékedből a test (ez ugye akkor van mikor bezárod a kocsit) akkor a relé 20 másodpercig húz. újrajz:
Holnap megépítem és visszajelzek jó lett-e!
Köszönöm a segítséged! ui: Az időzítő utáni vastag szaggatottal bekeretezett részt érdemes megcsinálni?
várjál! ne építsd meg, mert van benne egy kis hiba, ma már nem, de holnapra kijavítom, sorry!
naja az a bekeretezett rész is rajta lesz majd az újon
itt az új, hibátlan!
a 182k-s elenállástól és a 100µF-os konditól függ a relé zárási ideje. Ha csökkented az ellenállást vagy a kondit akkor csökken az idő.
tranyók nem fontosak, hogy azok legyenk ami a képen van, szinte bármilyen npn tranyó jó.
Remélem nem építetted meg a rosszat....
Én is megkérdezném, hogy hogyan működhet ez, ha az NPN tranzisztor kollektora a földön van???
Megépítettem és tényleg nem működött, aztán beraktam am két 10k-s ell-t + egy 40n-s kondit (ahogy az új rajzon van) és jó lett! szentségeltem először, de hamar rájöttem mi a baj...
![]() Köszi szépen ! Sokat segítettél
Akkor azt hiszem most jogosan jár Báddzsónak a pont.
az NPN tranyó tényleg fordítva van, de attól függetlenül működik
PNP tranyó jobb lett volna? szerintem nem, mert a 555-nek egy - impulzus kell, hogy beinduljon.Egyébként most, hogy nézegettem az 555 adatlapját lehetett volna csinálni "positive pulse-triggered" kapcsolást amivel 1*űsödik az egész kapcsolás... Pontot köszönöm!
Szerintem is jár a pont Báddzsónak!
(Bár , mivel új vagyok a fórumon fogalmam sincs mire jó) Újabb problémám merült fel sajnos. Mivel próbalámpával "mértem" a "szakadást", sajnos nem szakadás a szakadás, hanem 2Kohm testhez képest. Így nem történik semmi a zárás pillanatában. Tehát, ha 2Kohmot kötök sorba a Testtel, akkor kellene aktiválnom az időzítő kapcsolásomat. Erre szeretnék valami okosságossárot. Előre is köszönettel! güle
próbáld ezzel, leszimuláltam, müxik.
Szia !
Biztos hogy működik ? Az a relé a + ágban van és a két lába közt a diódán 0.7 - 0.x feszültség esik.
hát jah kicsit fura megoldás... 3-aslábra relét rakni?
tranyóval esetleg...
bipolar 555 200mA-t bír, egy relé nem eszik annyit, tehát elbírja az 555. Ha cmos 555-öd van akkor kell tranyó, mert az nem bír annyit. De a bipolároshoz is rakhatsz tranyót a biztonság kedvéért, de szerintem nem kell.
leszimuláltam, müxik.
Idézet: és?„Az a relé a + ágban van és a két lába közt a diódán 0.7 - 0.x feszültség esik.”
hát a két oldalról kapot tápfesztől
:yes: :yes:
szerintem is... az ilyen elektromos dolgokkal már csak így van...
Idézet: „Az a relé a + ágban van és a két lába közt a diódán 0.7 - 0.x feszültség esik.” Nem. A dióda záróirányban van előfeszítve, tehát nemvezet! Vezetni akkor fog, amikor a relé kikapcsol, és ezáltal vegvédi az IC tranzisztorait (és egyéb félvezető elemeket) a kikapcsoláskor keletkező nagy feszültségcsúcstól ami "esetenként" tőbb száz volt is lehet... |
Bejelentkezés
Hirdetés |




erre inni kell
mer át lett helyezve... 

mivel működtetem (tset vagy +12v) tök mindegy, csak működjön!!!









