Fórum témák
» Több friss téma |
kitöltési tényezőt, hogy lehetne kijelezni ledsoron
freki állandó.
hali,
Én ugyan nem bringát szeretnék építeni, hanem robotot - de nagyon jóljönne egykis segítség: tehát 4 kerekű masina lesz, maximum 25-30 kg és érdekelne, hogy mekkora teljesítmény röpítené a kütyüt kb. 50 km/h sebességre. Van kilátásban egy 4x50W-os hajtás, így 2db 12V 7Ah bírná közel 2óráig. Vagy arra is gondoltam, hogy valami fúróból szednék ki motrot, Tesco-ban már 2-3ezerért adnak 500, sőtt 900 Wattos fúrókat. Ezek ugye kommutátoros motrok, amik mennek egyenről is, így "könnyen" lehet hozzá konvertert építeni. (minden megoldás érdekel amit a nyári meló fedezni tud) Szerintetek a 200W mire lenne elég? (a cucc nem lenne több 30 kilónál ) esetleg 1000W?
Szia! Attól tartok, nagyot tévedtél. Itt és most nem az a lényeg, hogy sportolunk, hanem alkotunk "valamit" amivel A pontból átjutunk B -be. Te kajálsz, energiát viszel be, az pénzbe kerül, én meg csak kitolom a bringám a napra, a napelem feltölti, és "ingyen" elvisz. Elöbb utóbb eljutunk arra, hogy próbáljunk takarékoskodni a pénztárcánkal. A világon több ezer ember dolgozik ezen, de bárkinek van esélye, hogy valami eredeti ötlete legyen. És azért bicigli, mert az olcsó, és mégsem kell a kocsim motorját kicserélni egy metrókocsi motorjára, ami igen energiatakarékos. Ha belegondolok, hogy átlagosan 5A és 600V, ami 3kW -ból megy azzal a brutális sullyal, az elgondolkodtató. Ha visszaosztom a tömeg/energiafelhasználást, akkor egy autónak csak pár száz Wattot kéne csak fogyasztania. Tehát szerintem csak próbálkozzunk csak, hátha elöbb utóbb a kocsink is ingyen fog menni.
Mi?
A metró csak 3kW-ot fogyaszt vagy mi?
Sziasztok! Most ahogy olvasgattam a h.sz-eket gondoltam én is belevágok ebbe az elektromos binyóba! Van itthon egy 20"-as bringám! Ez régebben váltós monti volt! Én arra gondoltam hogy a hátsó hajtást meghagyni a racsnisat és a láncot meg a váltót is!És az első hajtóművet leszerkeszteni róla és oda felrakni a motort! És a váltás úgy történne hogy addig nem húzod a gázt amig nem váltottál lentebb vagy fentebb! és utánna gázt neki! és így akkor az áttételt is lehetne szabályozni meg a nyomatékot! De ez is csak egy 5-let! A gondolatot lás a kép szerint!
Én most fejeztem be egy triciklihez hasonló szerkezetet. A motorja egy 24V-os 1200W-os indító motor volt. Ha lesz fényképezőm akkor majd csinálok róla képet is. Csak még a vezérlést nem tudom hogy hogyan csináljam meg, van hozzá egy 100Amperes tirisztorom csak azt nem tudom hogy azt mivel lehet meghajtani, hogy jó is legyen a hatás foka. Esetleg ha valaki tudna valamilyen kapcs rajzot tirisztoros szabályzóhoz azt feltehetné ide.
Teljes mértékben igazad van, csak feltámadt bennem a nagy "lusta ember, nem ember" című dolog, bocsesz.
Nade most megint szöget ütöttem a fejembe ezzel a e-bringás dologgal, áhh nem jó ez így kresz tanfolyam közben .
Az inditó motor szakaszos üzemű nem szereti a fojamatos járatást.Egy ekkora inditó motor állóhejből inditva simán megkajol 300A-is.
A kimenőfeszt szűröd, aztán ráraksz egy 10 ledes UAA vagy hasonló IC-t , bekalibrálod max kimenőnél a 10. ledet (poti a bemeneten).
Így 10%-os felbontással megy a téma. Igazi egy 2 digites feszmérő, 99-ig mutatná a %-ot ugyanígy.
Ha megnézed Sebi beírását, ott a válasz.
A baj az, hogy a tirisztor típusa kényes, a hálózati (50 Hz-es) nem jó ide - olyan kell, ami bírja a több kHz-es tartományt is. Ugyanez érvényes az oltókondira is. Az induktivitás ( tekercs ) sem egyszerű kivitel. Kísérletezni veszélyes vele direktben, mert ha a kioltás egyszer is kiesik, akkor max sebesség és a reflex gyorsasága ment meg...
Akkor ez a tirisztor kilőve mert ez 50Hz-es. esetleg nem tudsz valami izmosabb FET-nek a típusát, amiből meglehetne csinálni?
Kereshetsz a linken eleget, csak bolt is kell hozzá...
( Pl. IRFN1010N, de nagyobb feszültségű jó csak, ez 85 amperes)...meg pénz.Bővebben: Link Pár darab kell belőlük.
.vagy lomex.hu....... ott találsz sokfélét árral együtt.
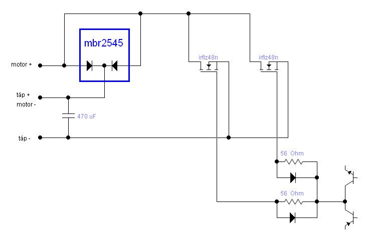
Felrakok két vezérlő rajzot, mindegyik működik.
Ha nem sikerül, nem engem szidj, akkor nem jól raktad össze... A táp oldalban a piros szaggatott alatt EBBEN az ESETBEN jó a 7812 is. A fojtó 20-30 menet ~0,4 mm-es zománchuzal ~1cm2-es ferritdarabra, fél fazékra vagy pici lemezelt I-vasra, stb... A frekit 4-500 Hz-re lődd be a kondival az IC-nél. Ha 555-tel csinálod, a 47k-s timmer két végén beteszel két 10k-s trimmert, belőni a max és min fordulatot ( ha kell..), majd ellenállást a helyükre (piros pöttynél). A két ZPY a feteknél UDR max-10 volt legyen összesen.
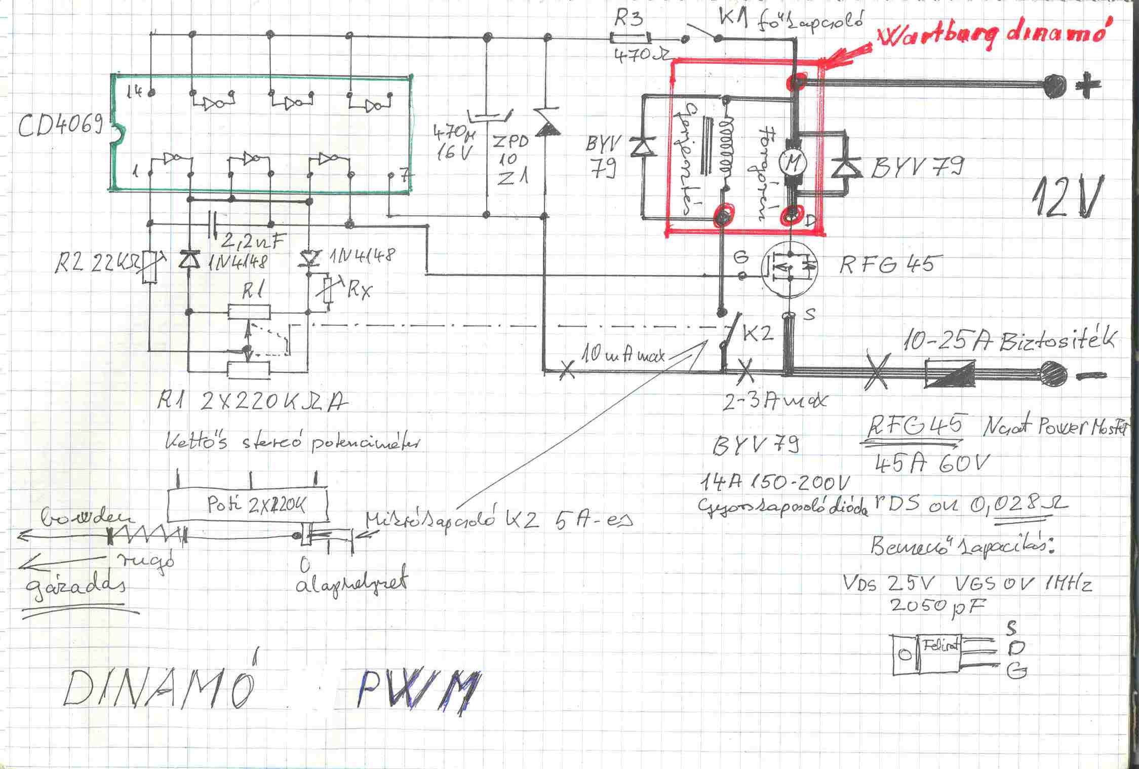
Sziasztok, ahogy igértem, hát jöjjön a PWM.
Szia! Ahogy a metró újra megindul, pontosan felírom. Szerintem nem sokat tévedtem, mert azÖrsig bámultam a csodát. Gyorsításkor kb 20mp -ig 30-50A -t vett fel, majd beállt kb 5A ra és fékezéskor visszatermelt kb 10-15mp -ig kb 20-30A -t. Azon gondolkoztam, hogy egy szobai olajradiátor is 3kW-ot fogyaszt. Persze tudom, hogy az alagutat trükkösen építették meg, Ők mondták, hogyha nincs áram akkor is be tudnak menni a következő állomásra. Azért a Baross tér és a Népstadion között átlagos 5A elgondolkodtató...
Az lehet hogy egy metró sokkal nehezebb mint egy autó de itt azt is számításba kell venni hogy a metró sineken fut és a súrlódás sokszorosan kisebb mint egy autónál! Ha az a metró egyszer megindul a tömege is beviszi a következő megállóba.
Köszönöm ezt a gyors választ, lehet hogy holnap ki is próbálom.
A metró hány volton veszi fel a 20-30 ampert ez a nem mindegy.Ha az othoni 220 hoz számolod ugy tényleg nem sok de ha a nagyfeszhez akkor szorozd be 200-al.
off
Metro nem 1 motorral viszi a szerelvényt ! lásd : http://www.bkv.hu/galeria/met_page02.html *** tengelyek száma 4 ** motorok száma 4 Az a 20-30 ill 5 A motoronként már jobban hangzik
Most gondoljatok bele hogy milyen erő kell egy ilyen 30tonnás szerelvény megmozdításához, főleg úgy hogy áttétel nélkül van rajta a soros gerjesztésű villanymotor.
Ez annyira jó, hogy nem is lehet igaz.
De azért egy korrekt adatlapot csatolok.
A légmentesen lezárt (zselés) akkukról.
Hát igazad lehet, ez már brutál motor. Megoszanád velünk hogy mi is ez, hogy néz ki, hogyan tudtad a fordulatszámát az elviselhetőre csökkenteni? De miért is nem írsz róla semmit, szerintem mindenkit érdekel hová is jutottál.
Van egy ilyen:
EL-GO moped -em Ez maga 80 kiló 2db 36AH 12V és 500W -os motorja van, naivan (akkor még) mondván a vezérlése fogja vissza 8km/h-ra a max sebességet, ezért gondoltam csinálok hozzá sajátot. 1 -2 darab FET elment a P-N mezőre, de hát ez ezzel jár, aztán egyszer elszabadult a gép, neki a falnak majd (nem tört össze meg semmi), két kerékre ált, ekkor a két irfz44, megint P-N átmenetes lett, így visszaraktam a gyári vezérlését, ami H-hidas 4 db 200A/80A -s FET., uC lásd első kép. Kicsit elnapoltam a témát. Most, hogy tudok hegeszteni, jó még nem profi, de nem lyukat csinálok, hanem varratott ![]() És közbe lett véve bolhapiacon: roller. Az El-go lassú, a rollerrel nem lehet szinte semmit cipelni, pl. a szatyor a kormányon. Ezért, úgy döntöttem, készítek saját vázat, saját vezérléssel* aminek lesz KB 40cmX60cmX40cm -es csomagtartója és maga a gép nem lesz nagyobb, mint 110cm hosszú, 60cm széles. Kap 3 db 12" "acél" felnit. Roller hajtásláncot kapja meg, így elvileg marad a 25km/h max speed. "saját vezérléssel*" roller eredeti vezérlését vissza fejtem (folyamatban), kicsit bikázva fogja megkapni. Röviden ennyi. :pias:
Valaki, aki valóban tudja, megmondaná, hogy az autókban található generátor használható motorként, úgy mint a dinamó?
|
Bejelentkezés
Hirdetés |





. 









