Fórum témák
» Több friss téma |
Fórum » Labortápegység készítése
Az a resz ha jo rajzot nezzek (R5; C4; D3;D4; Z2; C3; R18) hivatott az a -5V eloallitasara, ami azt a celt szolgalja, hogy a feszultseget egesz 0V-ig le tudjuk szabalyozni.
Heló!
Ezzel a labortáppal szimpatizálok, ennek a megépítésében gondolkozom. Viszont kérdések merültek fel az áramkörrel kapcsolatban. 1.) Az IC1 erősítőnek a negatív tápfesz lába miért a árammérő ellenállások után van kötve? Mert magának az IC-nek is van fogyasztása. Nem lenne célszerűbb az IC lábát az árammérő ellenállások elé bekötni. Vagy ekkor a kimeneti feszültség stabilitása romlana? 2.) Ennek az oldalnak a végén felvetnek egy hibát az áramkörrel kapcsolatban, mégpedig hogy az IC-k max 36V-ot bírnak el, ezzel szemben ettől többet kapnak, ami miatt meghibásodhatnak. Valakinek volt már ezzel problémája? Érdemes lenne betenni egy zenerdiódás feszültség stabilizátort az IC-khez? (mint a PIONEER és ALKOTÓ labortápjában) 3.) A 2N3055 helyett lehet BD249-et használni? A válaszokat előre is köszönöm!
De a D3-D4 is egyenáramot állít elő, azaz ami utána van azt már lehet egyenáramrol használni(ha ugy van ahogy gondolom). Vagy mégse?
Sziasztok!
Láttam, hogy rengeteg hozzászólás volt már a témában, ezért kérem a segítségeteket. Szeretnék építeni egy állítható áramkorláttal rendelkező labortápot. Találtam egyet itt, a hobbielektronika oldalon (Labortáp 0-30V, 2mA-3A), de hátha tudtok ajánlani valami jót, ami nagyon bevált nektek. üdv, Kiwy
Szia!
Ha vegig bongeszted a topikot, akkor lathattad te is, hogy rengeted jo rajz szerepel benne. Szerintem minden rajznak van is megepitett mukodo reprodukcioja. Ahogy mondani szoktak: "Kinek a pap, kinek a papne." Valakinek Attila86 vagy Prolli s van kinek az Alkoto fele tapegyseg nyerte el tetszeset. [a sorrend a teljeseg igenye nelkuli felsorolast tukroz! Sorry ha valakit kihagytam] Az en valasztasom 6 hsz-el feljebb lathato. De ha egy kicsit nagyobb igenyeid lennenek akkor itt is talalhatsz egy leirast egyrol. Remelem tudtam segiteni
Amit linkeltél az szinte pontosan a "Proli007" féle tápegység, csak terveztem hozzá egy másik panelt, ami TO3-tokos tranyókat fogad. Valamint kicsit magasabbak a határok, mert opcionálisan van hozzá egy relés előválasztó is, ami nem szükségszerű.
A felsorolásból Pioneert hagytad ki, aki szintén elég népszerű tápot tervezett, és amihez szintén van Alkotós panelterv (ami remélem hozzájárult a népszerűségéhez)
Szia Alkoto!
Tudtam, hogy kihagyok valakit elnezest kerek erte Pionner!es elnezest Alkoto. Sok-sok kapcsolast mentettem le, tobb verzioban es nem mindig a megfelelo nevvel, tudjuk be ennek a dolgot. ![]() Akkor en most elhallkulok egy idore, mielott a moderatoraink "dijesovel" jutalmaznak.
Üdv.
Alkotó lenne egy kérdésem az előválasztóval kapcsolatban. Mint írtad,hogy a bemenetének a GND-je a labortáp + pontja. De ha jól értelmezem akkor v3.0-ás változatnak a bemenete szabadon variálható? Tehát alkalmaztató - GND-s táphoz is?
Hello
Segítségeteket szeretném kérni. Megépítettem az oldalon található labotápot: http://www.hobbielektronika.hu/kapcsolasok/stabilizalt_labortapegys...a.html (Stabilizált labortápegység 0-30V 2mA-3A) az oldalon található nyák tervel. Az a hibám lenne hogy, ha valami terhelést (ventilátor, led) ráteszek a kimeneti feszültség leugrik 2,7 V-ra és 0-tól 2,7V-ig tudom állítani a feszültséget. Áramkorlát tökéletesen működik. Aki tud segíteni kérem írjon.
Üdv, valószínű tul gyenge trafót raktál bele, próbáld meg másikkal.
Eloszor en is ezt gondoltam.
De egy LED fogyasztasa nem egy egetrengeto nagysagu valami. Ha az aramkorlat ugyvan beallitva akkor lehet, hogy az szabalyoz le, es ezert merhetsz 2.7V-ot a kimeneten. hisz hiaba allitasz be pl 19V kimeno feszt, ha az aramkorlat 20mA-ra van allitva, akkor a LED csatlakoztatasakor a szabalyzokor lekapja a feszultseget arra az ertekre amit a beallitott aramhoz tartozik. szerintem.........
De ő azt is írta hogy:
Idézet: Lehet hogy igazad van de én tapasztalatbol mondom: volt egy kis minidrill tápom(trafó nélkül), rákötötttem a nagy trafót(tudod a videóbol) és ugyanez történt. még csak egy analóg voltmérőt se hajtott meg. De ne bízz csak a tapasztalatban a tudás is sokat ér. „Áramkorlát tökéletesen működik.”
Ezzel a hozzászólással(vagyis a közben keringő ötlettel) megoldottam a saját problémám is: miszerint nincs táp a labortápomhoz, de van! a minidrillem tápja lead DC 25-26V-ot egyenirányítást kikapom belőle és jó lesz(remélem) és még teljesítménye is van. Köszi mindenkinek a segítséget!
Idézet: „De ne bízz csak a tapasztalatban a tudás is sokat ér.” En mind kettovel hianyban szenvedek ![]()
Az áramkorlátot maximumra feltekertem, most fogom kipróbálni nagyobb trafóval. Csak az egyenirányításnál észrevettem egy kis hibát és most újra indítom.
Esetleg mindkét funkció mehet róla, mert elég valószínűtlen, hogy egyszerre kelljen fúrnod is, meg labortápozni is.
Köszi a segítségedet tib12
200wattos trafót tettem rá 24V-os 32 voltig kipörög terhelve most minden müködik.
Gondolkoztam rajta és eszembe jutott valami, ugye az egyenirányítás dob rajta pár voltot, azaz AC26V bemenettel DC30V a max kb AC22V bemenettel DC26V kimenet, ez nekem tökéletesen elég(ugye az analóg műszer: 0-25V).
Ja és: DöDö12345 szivesen.
Hali.
Keszulgetek a labortapal es az a kerdesem hogy az R13,14,15 es az Rx1,2,3 nagyobb erteku ellanalas lehete? S amugy milyen a nyak?
A szimmetrizáló ellenállások nem kritikusak, de az RX-eket ha megváltoztatod, akkor utána kell állítani az áramfigyelést. De miért kéne megváltoztatni? (Egyszerűen nem fér a fejembe, miért kell mindig valami más? Itt aztán már tényleg nem igaz az anyagi oldal, hiszen az ellenálls ára nem változik attól, hogy 0,22R vagy mondjuk 0,47R. Az amatőr megírja a kis rendelési listáját, elküldi Emailben, és már jön is a csomag. Mi lehet ettől egyszerűbb?)
Milyen nyákról van szó? Ehhez én már terveztem egy eléggé életképes panelt.
Érzek két kis apró zavart.
1. Az egyenirányítás nem "dob rajta pár voltot". Sőt a diódákon esik egy kis feszültség. Inkább arról van szó, hogy a műszer effektív értéket mér, ami a "görbe alatti" terület nagyságával azonos. A váltófeszültség az színuszos, amit az egyenirányítás "egy oldalra forgat", de még mindig hullámos. Aztán jön a varázslat, a puffer. Ez csúcsértékre próbál töltődni, és ezért valóban növekszik az egyenszint, elvileg éppen gyök2 szeresére az effektív értéknek. De az élet nem ideális, meg a pufferek sem azok, illetve meghatározó a terhelés nagysága, amitől már az AC is esni fog, tehát azért van egy kis eltérés de nagyjából 1,35-el lehet számolni. Ebben a hozzászólásban van egy leírás, amiben van egy-két ábra éppen erről a 2. és 3. oldalon (csak bele kéne olvasni). 2. már másodszor említed a "25V-os" műszert. Ez akár igaz is lehet, de egy műszer méréshatárát (főlfelé) nagyon egyszerű megváltoztatni, csak egy sima osztó kell elé. Aztán már nincs is más teendő, mint a skálát átrajzolni, amire a mai öntapadós matricák számos lehetőséget kínálnak. (Lefelé is könnyű a dolog mindaddig, míg nem akarunk az alapérzékenység alá menni, csak ki kell venni a benne lévő osztótagot. Egyébként növelésnél se árt kivenni, és berakni helyette azt, ami neked kellő feszültségre fogja "kalibrálni" a műszeredet.)
Ezek szerint félre értelmeztem valamit(már nem tudom mit) és az alapján godolkodtam. Az a műszer jol van ahogy van nem akarok hozzányúlni. Amugy is elég az a határ, ugyse tekerem 30V közelébe vagy ha mégis 25V-tol multival mérem. Azért köszi a felvilágosítást.
Gratulálok, "érzed" a dolog lényegét.
A boltot levágtam, de még így se fognak nekem itt örülni. (A többség úgyis tudja hol vásárolok.) Kicsit se mindegy mit és hol vesz az ember. Nézd meg tüzetesen az értékeket és az árakat, láthatóan egyformák, nem függnek az értéktől ebben a tartományban. Az árak bruttóban értendők. Ide 2W-os kell, nem pedig 5W-os!
Hali! Hol vásárolod a kétwattos ellenállatokat ilyen "olcsón"?
Egy elég kezdő kérdésem lenne. Nincs itthon ilyen szép nagy trafó, ami jó lenne tápnak viszont vannak szép nagy kapcsolóüzemű fénymásoló tápjaim, 2-3A 24V-on vígan elvinnének, ennél nagyobb teljesítmény nem is kéne, csak a 15V 1,5A bolti kistápot kinőttem főleg feszültségben. Az lenne a kérdésem, hogy ehez a 24V DC feszhez lehet-e (érdemes) valamilyen feszültség szabályzó és állítható áramkorlátos kapcsolást építeni, hol lehetne találni vagy az itteniek közül melyiket lenne a legegyszerűbb átalakítani?
Köszi a gyors választ, nem ismertem őket.
Csak vissza kellet volna olvasnom
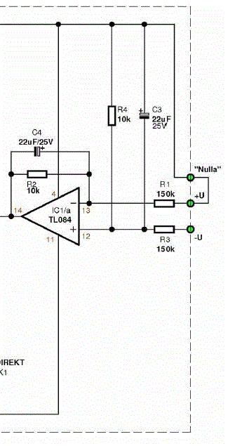
.Nos mindegy,de a kérdésem még mindig él. Ill. akkor mire szolgál a "nulla" kivezetés a kapcsolásban?
Az elméleti részét Poli007-nek címezd, ő a teremtője a kapcsolásnak.
A műveleti erősítő két bemenetének kivezetése, illetve a "nullának" nevezett GND (ami itt most éppen a + polaritás), az univerzalitást szolgálja. De ettől főggetlenül is lehet bármilyen másik labortáphoz is csatlakoztatni, csak kell egy külön tekercs a trafón az előválasztónak.Itt csak azon ment a variálás, hogy a labortáp segédfeszültségével közös tekercsről lehessen járatni, de ha van külön szekunder, akkor mindegy a polaritás, hiszen nincs galvanikus kapcsolat.(Nálam is külön tekercsről megy, mert a trafón volt ilyen, ezért kihasználtam, illetve így nem jelentkezik az áramfigyelő söntön eső -jelentéktelen mértékű- hiba feszültség hatása sem) |
Bejelentkezés
Hirdetés |




elnezest kerek erte Pionner!








