Fórum témák
» Több friss téma |
Fórum » H-híd hiba
Problemám a következő kaptam egy kedves olvasótól levelet, hogy ez a híd +12V-os motorfesszel rövidre zár, mert a PNP bázisokra adott +5V még kevés és így meglesz a nyitófesz... Nekem ez a kapcs ment próbapanelen, de elbizonytalanodtam. Várom a hozzászólást !
Szóval szerinted is rossz... hm, hát aszem akkor mindenkitől elnézést, holnapig kijavítom a hibát, addig senki ne építse meg, mindenkép újra megcsinálom próbanyákon és most le is mérek mindent... fury. Persze mondjuk rövidzárvédett tápom van , és lehet, hogy nem vettem észre, de hát a motor akkor se pörgöt volna... Bocsi mindenkitől és köszönöm, hogy észre vette aki észre vette, aztán holnap felülvizsgálom a kérdést. (van még mit tanulnom
)
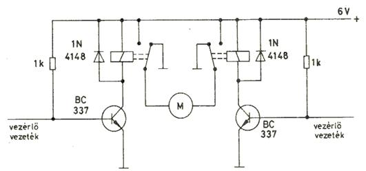
Nagyon elegáns megoldás a kereszvezetés kiküszöbölésére!
Igen, kénytelen leszek tudomásul venni, hiba van, de azért az opto csatolót túlzásnak tartom, de még 4 darab tranyó kell úgy érzem, de talán bázis elé elég lesz már csak 4 darab 182... fene, holnap javítom, addig remélem senki nem építi meg
![]() Mód. Még mindig nem tudom mi lenne a jó megoldás, de nem akartam optocsatolni, és még mindig nem értem, hogy ment... fene, most feladtátok a fejtörést...
A pnp kapcsoló helyett ellenállásként viselkedett jutott a motornak is áram meg a test felé is csordogált. Próbáltad a motort terhelni?
Meg az npn sem nyitott rendesen (kevés bázisáram), ezért nem korlátozott a tápod. A motor kapcsokon a tápfesznél kevesebb delejt lehet mér ni. BOCS A SZÓCSÉPLÉSÉRT!:guluszem1:
Helló! Nekem lenne 2 megoldásom is a H híd problémára. Mellékeltem a képeket.
A tranzisztoros változatot én kisebb teljesítményekhez ajánlom. a MOSFET-es viszont igen tetemes áramokat is tud vezérelni.
Nekem az a gondolatom támadt mi lenne ha a két irányt nem egy inverterrel határoznánk meg hanem előtte valami logokai fügvénnyel és akkor lehetne féket is rakni bele.
Ebben az esetben az összes (4db) tranyó kinyitna és rövidre zárná a motor önindukciós fezsültségét. Ami a tápot kapcsolja az szigorúan zárva van!
Kedves mspike!
A közölt kapcsolás több sebből is vérzik. 1. Ha a U(H2)-U(H4) > 1V, akkor a felső PNP tranzisztorok állandóan nyitva vannak. Ez okozza jelzett problémát, amit Ön a topic-indítóban ír. 2. Ha U(H2) = U(H4) = Ut, még akkor is előállhat zárlat, ha impulzus-szélesség modulált (PWM) jellel hajtjuk meg az áramkört. Képzeljük el, hogy az inverter kimeneti feszültsége éppen átvált Ut-ből 0-ba, vagy fordítva. Ez a jelváltás mindig véges ideig tart. Az átmenet jó közelítéssel lineáris. Soha nem ugrásszerű. Most képzelje el hogy az inverter kimeneti jele éppen csökken Ut-ból 0V irányába valmilyen sebességgel. Ut/2 bázis-feszültség környezetében olyan eset áll elő, hogy az alsó NPN tranzisztor még nem zárt le de a felső PNP már kinyit. Ezzel előállt egy kínos sinzárlart a H2 és a H5 pontok között. A zárlat addig áll fenn, amíg az inverter kimeneti jele tranziens (átmeneti) állapotban van, tehát a zárlat ideje a jel megváltozási sebességétől (slew rate) függ. S (slew rate) = max ( d(Uki)) /d(t) ) lineáris jelváltozásnál: S = delta(Uki) / delta(t) Ha a jel elég gyors változású és ritkán van átkapcsolás, ez a probláma akár tünetmentes is lehet. Viszont ha PWM jelet kapcsolunk a H1 bemenetre, akkor már lehet gond. Manapság a PWM frekvencia 1kHz-20kHz, ami azt jelenti hogy ez az átkapcsolás másodpercenkét 1000-20000 alkalommal megy végbe, ugyanennyiszer okozva a fent leírt rövid idejű zárlatot. Ez már rendesen meg tudja izzasztani a tranzsiztorokat, ami akár a tönkremenetelükhöz is vezethet. Ha mindenképpen diszkrét tranzsitorokból akar teljes négy-negyedes hídkapcsolást építeni, akkor keressen olyan megbízható kapcsolást, amiben a telejítmény elemek mind NPN tranzsitorok. PNP teljesítmény tranzsitorokat az igényes teljesítmény elektronikai kapcsolásokban nem alkalmazunk, sőt ma már bipoláris tranzisztorokat sem alkamazunk, ugyanis a korszerű N-csatornás MOS-FET-ek olcsók, vezérlésük egyszerű. pl: IRF540 (100V,30A,150Ft) Ha mindenképpen ragaszkodik a PNP bipoláris tranzsitoros megoldáshoz, akkor a megoldás a következő lehet. Alul vannak a PNP tarnzisztorok felül az NPN tranzisztorok. Ilyenkor a PWM vezérlésnél történő összenyitás kizárt, mert Ut/2 bázisfeszültség esetén mind a felő, mind az alsó tranzisztor zárva van. Az egyes hídágakban a PNP és az NPN tranzisztorok bázisát össze kell kötni, és egy megfelelően méretezett elennállással fel kell húzni Ut-re. Az így összekötött közös bázist egy kis teljesítnényű NPN tranzisztorral, vagy nyitott kollektoros logikai áramkörrel lehet meghajtani. pl: 74LS06, 74LS07 (az egyik invertál, a másik csak sima meghajtó. Ezzel a megoldással a topikindító probléma is megszűnik. Ennél a megoldásnál sem hagyhatók el a szabadon futó diódák!!! A kapcsolásnál közölt szövegből úgy tűnik a számomra, hogy ezeknek a diódáknak a szerepe nem világos, ezért tömören leírom a lényeget: Induktív fogyasztók árama nem változtatható meg ugrásszerűen. Kérdés: mi van akkor, ha ezt az ugrásszerű áram-változást én mégis kikényszerítem úgy, hogy megszakítom az induktív áramkört? A Faraday-féle indukció törvényből levezethető az induktivitások indukált feszültsége: Ui = L * ( d(I) / d(t) ) közelítőleg: Ui = L * ( delta(I) / delta(t) ) Kikapcsolás esetén: delta(t) = kicsi, így az indukált feszültség: Ui = nagy pl: delat(I)=2A, delta(t)=10ms -> Ui=200V Ez feszültség kapcsolódik rá közvetlenül az áramot megszakító kapcsoló elemre, jelen esetben a tranisztor kolektor-emitter lábira. Belátható, hogy ez feszultség a tranzisztort rövid úton nyugdíjazza. A szabadon futó diódák nem engedik az áramot megszakadni. Ameddig az induktivitás enrgiája ki nem merül, addig elvezetik az áramot a hidat tápláló telep felé. Ilyen helyzet alakul ki, ha egy villamos hajtású jármű (pl golf-autó) fékez. A fékáram a szabdon futó diódákon keresztül az autó akkumlátorát tölti. Ha a hidat nem telep vagy akku hajtja meg, akkor körültekintően kell eljárni. A visszáram ugyanis ebben az esetben a puffer kondenzátort tölti, aminek a feszültsége villámgyorsan meg tud emelkedni az áramgenerátoros töltés miatt. Ha a motorral fékezni is akar (vallamos féküzem), akkor erre figyelni kell, és ún. fék-chopper kegészítő áramkört kell készíteni. Ebbe azonban már nem bonyolódnék bele, a kis teljesítményű (modell) hajtásoknál ez nem valós probléma. A fent leírtakból talán már látszik, hogy az ön kapcsolásában a négy dióda túl sokat nem számít, ugyanis a Q3 mellől hiányzik a szabadon futó dióda, így nem tud kialakulni a visszáram, még akkor sem, ha a Q3 nyitva van, ugyanis tranzsitoron mem folyhat emmitter-kollektor irányú áram. A másik kifogásom, hogy ön 1N4001-es diódákat alkmaz. Ezek viszont lassú egyenirányító diódák. Annyira lomhák, hogy alig számít, hogy ott vannak-e, vagy sem. A szabadon futó diódának gyorsnak kell lennie. Ettől függ a tranzsitor élete... pl: BYV27 (reverse recovery time: trr < 25ns) 3. Gyártanak integrált áramköri hidakat is, ezek használata egyszerű és gazdaságos. Egy tokkal négy félhíd, vagy két teljes híd alakítható ki. Dióda ezekhez is kell. L293 (36V,1A,300Ft) L298 (46V,4A,1300Ft) 4. Általában a honlapról: A honlapon sok olyan információ található, amelyeknek a szakmai megalapozottsága erősen megkérdőjelezhető. Ahogy a topikokat olvasgatom, a honlapot főleg középiskolások vagy kezdő mérnök-palánták olvassák/írják/szerkesztik. Az én figyelmemet is egy főiskolai hallgató hívta fel a honlapra, aki utánépített egy PIC-es kapcsolást, amely működött ugyan, de mind hardveres, mind szoftveres szempontból erősen kritizálható volt. Én azt tanácsolom, hogy ezeket az ötleteket a közzététel előtt nézessék át szakemberrel. A szakközépiskolák, technikumok műhelyeiben még megtalálhatók azok a jó-öreg szakik, akinek a kisujjukban van a szakma, és a mai, értékrendjét rohamosan vesztő világban örömmel válalják a jövő mérnökgenerációjának szakmai segítését. Remélem segítettem. A regiszrációnál fake email címet adtam meg. Ha írni akar nekem, a lenti honlapon működő email címet talál. Üdvözlettel: Lamár Krisztián főiskolai adjunktus Kandó - Automatika Intézet [link=http://www.aut.bmf.hu]http://www.aut.bmf.hu[/link] [link=http://www.lamar.hu]http://www.lamar.hu[/link]
Zaszta. Na ezt jól megkaptam. Nos, akkor nem tudom mit kezdjek a cikkel ? Nekem ez már kicsit erős
Majd esetleg 2 év múlva... A pwm-et én az alsó tranyóra képzeltem el... tehát akkor nem számít az inverter kapcsolási ideje nem ? Ezek szerint használjak diódát az alsó tranyónál is ? Engem érdekelne ez a fékezés dolog. Még ha erre jár írhatna ! Köszönjük a kritikát és az észrevételt !
miután egyre több hiba derül itt ki, lezárom egyenlőre a cikket, aztán meglátjuk, írtam emailt Lamar-nak. Reméljük válaszolrá, aztán meglátjuk...
Egyébként ha minden tökéletes lenne a honlapon, és nem lenne megkérdőjelezhető pár dolog, akkor természetesen nem is lennének kérdések, és meg is halna az oldal. Egyszerűen mindenki tökéletesen utána tudna építeni mindent, és nem lennének topikok az okosabbak-butábbak tanácskozására.
A másik meg: hát persze, hogy középiskolások szerkesztik az oldalt. Hiszen mi vagyunk az a korosztály, akik valamennyire már érettek ahhoz, hogy felfogják: valamit kezdeni is kellene a tudással ahhoz, hogy a későbbiekben esetleg jobb és okosabb emberré váljunk, valamint mi vagyunk azok, akik valamicskét próbálnak tenni azért, hogy egyesekben felébresszék a tudás utáni vágyat, illetve, hogy segítsünk embertársainkon, HA éppen az elektronika egy témájában segítségre szorulnak. Egy végzős főiskolásról, vagy már végzett főiskolásról, diplomásról valahogy nem tudnám elképzelni, hogy egy ilyen oldalt kompletten megalkosson, szerkesszen és vezessen. Mert aki dolgozik, annak ugye nem lenne ideje ilyenekre. Aki pedig nem dolgozik, az legtöbbször azért van, mert lusta vagy fantázia- és tudásszegény, hogy ilyet létrehozzon. És a lustaság ugyancsak nem fog ilyen oldalt világrahozni. Harmadrészt ez az oldal nem vérprofi jelleggel működik, nem kizárólag diplomás mérnökök cseverésznek. És ez így van jól...ide bárki bekerülhet mindendéle "előítélet" nélkül, ha van egy kis esze (meg persze notesze ).
Szép volt Norberto! Szívemből szóltál!
Csak +jegyem, szinte zárójelben, hogy jómagam sem főiskolás nem vagyok, sem középiskolás diák, tekintve, hogy erősen 40 felé járok, mégis szívesen járok ide, és olvasok/írok!
Kedves Norberto!
Nagyon sajnálom, hogy Ön félreértette azt, amit írtam. Ez ugyanis elsődlegesen egy szakmai hozzászólás lett volna, éppen csak a végére írtam oda egy kis kritikát, ami szerintem sem bántó, sem pedig igszságtalan nem volt. NEM írtam, hogy a HE honlap rossz vagy fölösleges, NEM íratm, hogy középiskolásként szakmával foglalkozni butaság. Éppen ellenkezőleg, az a vélemelényem, hogy -nagyon jó, hogy van HE honlap, -nagyon jó, hogy a vannak középiskolások, akikben szakma iránti tisztelet olyan nagy, hgy létrehozzták, és életben tartják ezt a honlapot. Csak így tobább! Én általános iskola 6. osztályban kezdtem el elektronikával foglalkozni. Akkoriban semmilyen szakmai fórum nem volt, csak a "Rádiótechninka" című újság. Nem sokkal később beiratkoztam egy rádióamatőr klubba. Ott megismerkedtem egy "öreg" szakival, akivel atyai jóbarátságba kerültem. Ő lett a szakmai mentorom, a középiskolás éveim alatt többet tanultam tőle, mint előtte és utána bármikor, bármilyen iskolában. Amikor megépítettem egy áramkört, és nem működött, akkor ő segített a hibát megkeresni, én pedig ellestem tőle szakmai fogásokat. Én abban a rövid megjegyzésben - ami Önt anyyira megbántotta - csak arra próbáltam célozni, hogy mindenkinek kell egy mentor, akitől ellesheti szakmai fogásokat. Miért ne lehetne egy honlapnak is mentora? Akár több mentora is? Olyan emberekre gondolok, akik hajlandók az ilyesmire időt szánni. Nem az agyonhajszolt okostojásokra (mint amilyen én vagyok), hanem a kiegyensúlyozott szakikra. Az én mentorom sem a BEAG főmérnöke volt, hanem egy lelkes rádióamatőr. Az utolsó mondatotomat szó szerint másolom ide, mert ennek minden szavát vállalom most is, és magyarázatra nem szorul: "A szakközépiskolák, technikumok műhelyeiben még megtalálhatók azok a jó-öreg szakik, akinek a kisujjukban van a szakma, és a mai, értékrendjét rohamosan vesztő világban örömmel válalják a jövő mérnökgenerációjának szakmai segítését." Köztük kell a metort (mentorokat) kersni. Remélem sikerült tisztázni a félreértést. Üdvözlettel: Lamár Krisztián
Tisztelt Lamár Úr!
Nem értettem félre egyáltalán, csak én is ugyanolyan egyszerűen véleményt nyilvánítottam, mint azt Ön tette korábban. És egyálalán nem vettem rossz néven, hogy írt a fórumba, sőt. Ezt kifejezetten jó dolognak tartom, hogy egy "profi ül közénk" és próbálja meg elmagyarázni a H-híd hibáit. És én se gondoltam, hogy Ön azt gondolta, hogy a lap fölösleges. Az építő jellegű kritikákat meg külön köszönöm a társaság nevében ![]() És én sem azt említettem, hogy utálatos dolog, ha ide idősebb szakik is ellátogatnak és úgymond tanítanak minket, de tapasztalatok alapján erre nem nagyon fog sor kerülni a közeljövőben. Persze nem kizárható, de ez így van. A technikumokban leledző szakik és mentorok pedig szépen tanítanak az iskolában, gyerekeket, egymást és így sorjában. Iskolaidőben valószínűleg nem fog nekünk a fórumra írni (persze örülnénk, ha lenne ilyen...), ha meg hazaér az adott illető, akkor nagy valószínűséggel a családjával fog foglalkozni, és nem a neten tölti az idejét egy nem túl vérprofi oldalon, ahol teljesen más gondolkodású, szakközépiskolás fiatal, néha hülyéskedő-bohóckodó egyének lézengenek vagy épp törik a fejüket valami nagy ötleten. Nekem ilyen jellegű iskolában volt szerencsém tanulni 5 évig, de ott valamiért egyik tanárról se volt elmondható, hogy annyira szívesen beszélgetnének olyan dolgokról, amiből még akááár tanulhattunk is volna valami nagyon hasznos dolgot...esetleg többet. És nem azért, mert én a rossz diákok közé tartoztam. Nem, sőt...talán én voltam az egyetlen az iskolában, akit legmélyebb gyökerekig is érdekelt a téma. És az ilyen tanároktól/szakiktól mit várjon el az ember, kérdem én? Néhányuk még az internetet sem tudja használni sajnos. Pedig nekünk az milyen jól jönne sokszor. Nem megalázás címszóval írom ezt le, ezek a tények. Az internet egyébként azért is jó, mert azonnal kaphatunk választ a kérdésekre. Ha teszem azt, bemennék a volt sulimba, megkérdezni egy volt tanáromtól, hogy ezt és ezt hogyan oldaná meg, valószínűleg tudna rá megoldást modani. De ez csak valószínű. A másik dolog az internet gyorsasága. Míg a tanáromhoz eljutok (1 óra legalább), addig ide a fórumba már esetleg több tízen beírják a helyes választ. (És ugye ha gyorsabban kapok választ, gyorsabban és gördülékenyebben megy akár a fejlesztés). Az internet sokkal nagyobb területileg is (mind tudást, mind személyek számát tekintve), mint amit a volt sulimban a tanárok képviselnek. Sokkal nagyobb itt a valószínűsége annak, hogy pl. egy audiotechnikában sokkal jobban jártas emberrel "összefussak", mitha az iskola 3-4 komolyabb tanárától kérnék segítséget. Ezért gyűltünk mi itt össze jópáran, mert ilyen jellegű komoly segítségre nem igazán számíthatunk, és ezért próbálkozunk saját magunk némi kis fejlődését célba venni. Önerőből. Mert ugye más nincs. Még. Idézet: „Én azt tanácsolom, hogy ezeket az ötleteket a közzététel előtt nézessék át szakemberrel.” Ez az, amit a föntebb említett okok miatt nem tudunk elvégezni...másrészt meg a naponta felmerülő akár több tíz teljesen különböző problémát hogyan nézessük át egy szakemberrel? 1.) Valószínűleg nincs olyan ember, akitől minden témaágazatban várhatunk tökéletes és megbízható eredményt/választ. 2.) Ha lenne is ilyen ember, akkor őt külön tartsuk fent a honlapért? Ha él egyáltalán valahol ilyen ember, valószínűleg van sok száz más problémája, nem hogy minden egyes nap több tíz kérdésre válaszolgatni érthető módon több oldal terjedelemben. De ezen akár még Ön is segíthet, ha a korábbihoz hasonló hozzászólásokkal örvendeztet meg minket, amiből valóban tanulhatunk valamicskét. Ha volt félreértés, akkor tisztáztuk, ha meg nem volt, akkor nem is volt mit tisztázni
Úgy látom, hasonló utat futottunk be, bár én nem lettem tanár, maradtam pákaforgató. Bár a hibákat azonnal konstatáltam, idő hiányában nem tudtam újratervezni. 40év készüléképítés után is örültem a pontos hibafeltárásnak.
Most látom, hogy eSDi (#10135) már közölt egy tranzisztoros kapcsolást, ami majdnem olyan, mint amit én leírtam.
A következő módosításokat javaslom: -TIP130, TIP131 helyett valami könnyebben beszerezhető darlington párt tennék -1N4001 helyett SCHOTTKY diódát tennék pl: 1N5819 -A BC546-ok bázis áramköréből hiányzik a soros ellenállás, én 1k-t tennék. -Az invertert elhagynám, a két hídágat külön vezérelném egy PIC MCU két portjáról. Azért én még nem adnám fel, hogy az "L293" integrált híd mellet agitáljak. Most néztem utána, hogy az újabb változatokban már benne vannak a szabadon futó diódák is. Ezek "L293D" néven kaphatók a LOMEX-nél 300 Ft körüli áron. Van neki tiltó (INH) bemenete, ez hasonló funkciót lát el, mint MSpike kapcsolásában a Q3-as tranzisztor. TTL jelszinttel közvetlenül vezérelhető. Négy félhíd egyetelen DIP tokban. Olcsó, kicsi NYÁK, all-in-one. Csatoltam az adatlapját. Csatolok továbbá egy AppNote-ot is. A DC motorok vezérlése 3-5 oldalon van leírva. A tejes híd a 4. oldalon kezdődik a Fig.6. ábrával. Remélem segítettem. Üdvözlettel: Lamár Krisztián
Hát úgy látom ez megoldódott a megtévesztő cikket leszedtem, sajna úgy látom ez kicsit meghaladja a képességeimet, de ha van rá cél IC akkor minek is vacakoljunk vel
Köszönöm a segítséget, remélem rendszeresen fogja látogatni honlapunkat és hasonló hasznos tanácsokat ad ! Viszont egy dolgot én is javasolnék ha nem sérti önt, szerintem nyugodtan tegezzen mindenkit itt... mert itt a 100 évestől a 12évesig mindenki tegeződik és iszonyat fura magázódni... Remélem nem voltam pofátlan !
Pontosan ugyan ezt szerettem volna javasolni... Lásd pl.: Csapajev tanár úr, doktori címével, hatalmas szakmai hátterével épp olyan könnyedén társalog, mint bármelyikünk.
És külön köszönet a H-híd-dal kapcsolatos felvilágosításért! Ps.: mspike! Emiatt ne bosszankodj, Te sem vagy mindenható, és nem tudhatsz mindenről! Ezért (is) van ez a fórum! A szándékod pedig kimondottan dicséretes!!!!
Csatlakozom!
Nekibuzdulás és harci kedv nélkül nem lennének fejlesztések! Tehát igenis nagyon jó volt, hogy felkerült az a bizonyos cikk, és az is kiderült, hogy többen figyelnek a részletekre! Mégegyszer: csak így tovább mspike!!
Üdv! Megtudná mondani valaki mivel tudnám a BA6208 típusú motorvezérlő IC-t helyettesíteni, mert a boltban ahová járok ott nem tutdak mondani semmit, csak azt hogy már nem gyártják és ezért nem szerezhető be. A tranyós dolgot csak végszükség esetén akarom megcsinálni.
a tranyót lehet helyetesíteni diszkréten is ugyebár..
nekem, H-hídba kellene 2 amperes motort kapcsolgatni. 1-1 tranyó helyet mehet 2 db 1N5408 -a ??
2 dióda nem lesz tranzisztor!Sok éve volt hogy megszívatott egy PWM-táp, amiben akkor először láttam a SOT23 tokokat, amiben létezik kettősdióda úgy, hogy - az egyébként bázisnak használt lábon - a közös anódjuk van kivezetve. Műszerrel mérve tranzisztornak gondolhatja az ember, de erősíteni, kapcsolni nem tud.
Ez igaznak igaz, de csak elméletben. Gyakorlatban inkább OR(VAGY) kapuként működnek ha így vannak bekötve.
melyik a jobb, stabilabb stb ??
relésnél milyen relé kell
Mind a 2 működőképes, a tranyósnál 2-2diódával kell védeni a tranyókat a motor önindukciója ellen.
A relésnél meg olyan relé kell ami elviszi a motor áramát és kész.
Sziasztok! nekem eggy olyan kérdésem lenne hogy H-híddal hogy tudnám azt megoldani leg egyszerübben hogy a poti középálásában van akkor áll a moci, poti irányátol fügöen pörögne a moci a két iányba és a sbeség ugy változna ahogy a potit tekerem? előre is köszi a segítséget!!!
|
Bejelentkezés
Hirdetés |




)


Köszönöm a segítséget, remélem rendszeresen fogja látogatni honlapunkat és hasonló hasznos tanácsokat ad ! Viszont egy dolgot én is javasolnék ha nem sérti önt, szerintem nyugodtan tegezzen mindenkit itt... mert itt a 100 évestől a 12évesig mindenki tegeződik és iszonyat fura magázódni... Remélem nem voltam pofátlan !







