Fórum témák
» Több friss téma |
Sziasztok!
Az oldalon közölt kapcsolással kapcoslatban kérdeznék egyet : A nyákon megfelelő szigetelőtávolásggal alakíthatok ki én 'autognd' területeket,amiket a védővezetőre kötök? Vagy ez nem szabályos? Egy fém házba lenne építve,a ház rá lenne kötve a védőföldre. Kicsa
Szia!
Rendben van,köszönöm szépen! Üdv Kicsa
Miért ne?
Más kérdés, hogy minek? Szerintem a lényeg, hogy figyel a megfelelő szigetelési távolságokra... és ezt be is tartja.
Készül már a nyák,majd teszek fel egy képet a végeredményről!
Szia! Azért legyenek a vezetősávok a lehető legmesszebb egymástól, mert az ördög sosem alszik: Bővebben: Link Bővebben: Link
Szia!
Igyekeztem betartani,minnél szélesebb és minnél messzebb egymástól. A panel két oldalán fut a nulla és a fázis,csak a sorkapcsoknál találkoznak. Már ázik a panel...
Sziasztok!
Az lenne a kérdésem, hogy egy számítógépes gépterem esetén hogy lehet megoldani a főkapcsoló felkapcsolásakor, hogy ne csapja le a 25 amperes automatákat? Szerintem a tápokban lvő kondik miatt megy le az automata, mert ugye egy pillanatra zárlatot csinál, és ugye egyszerre 10 gép-re kapcsol tápot a főkapcsoló. Valaki tud segíteni ebben? üdv PIXI
Szia!
Ki kell cserélni a kismegszakítókat "C" vagy "D" típusúakra. Ezek lassabb kioldásúak.
Hali!
Megnéztem és c 25-ösök vannak felszerelve!
Ebben az estben érdemes lenne valamilyen késleltetéssel indítani az egyes számítógép-csoportokat egymáshoz képest. De ehhez valószínű, hogy át kell kicsit alakítani a hálózatot a számítógépek körül. Ilyen célra építeni kell egy "szekvenszert", amely ellátja ezeket késleltetett kapcsolásokat.
Hát sajna ez nem kivitelezhető! Így is 3 fázisra van osztva a 26 gép, és ebből a 3-ból 2 mindig lemegy ha felkapcsoljuk a főkapcsolót!
Akkor cseréld 32A-es-re az automatákat, aztán hagy szóljon.
Vagy egy ellenállásos lágyindítót készítesz, mágneskapcsolós áthidalással, időzítővel.
Megépítettem a Bővebben: Link lágyindítót. Már többször is használtam ezt a kapcsolást, mindig tökéletes volt, de most van egy kis problémám.
Sorra vágja ki magából a 10 Ohm-os ellenállásokat. Kétszer egymás után tette meg. Mi lehet a gond? Először arra gondoltam, hogy gyári hibás volt az ellenállás, de most egy másikat is elrontott. A kapcsoláson a relé fajtája változott, ugyanúgy 24V-os, bár a tekercs ellenállása 800 Ohm. És a C2-C3 kondik helyett egy 1000µF-os 40V-os kondi lett használva, minden más változatlan. Lehet ez azért, mert bizonytalanul húz meg a relé? Mit módosítsak? Mi lehet a baj?
Ezen az oldalon is találhatsz egy egész picit eltérő lágyindítót. Le van írva az is, hogy miért más, érdemes elolvasni....
A 10 ohmos ellenállások helyett betehetsz egy vagy több NTC-t is azok biztosabban bírni fogják....
A lágyindítót sem árt éleszteni. Elsőre mindig izzót kötök elé. Ellenőrzöm, hogy a relé tekercsén a névlegeshez közeli feszültség van-e. Szükség esetén módosítom a kondenzátor értékét. Közben kiderül van-e panelzárlat. Hallható a relé kattanásából, hogy 1-2 mp-e a késleltetés.
Ekkor kötöm csak rá a fogyasztót. Az első éles bekapcsolásnál az izzó átkerül az ellenállásokkal párhuzamosan. Helyes működés esetén az izzó egy enyhe villanás után kialszik. Ha az izzó a relé behúzása után is világít, akkor relé nem zárta rövidre az indítás lágyítót. Gyorsan le kell kapcsolni, mert ilyenkor égnek el az ellenállások.
Szia!
A 24V / 800 ohm-os relé névleges árama 30mA, és ehhez úgy számoltam, hogy 415 nF környékén kellene C1-nek lennie. (A pontos értéket már próbálgatással és a tekercs feszültségének mérésével tudod belőni.) Az eredeti kapcsolásban jóval kisebb van (gondolom a relé is más), aminek nagyobb az impedanciája, így kisebb árammal tudja meghajtani a relét. Ezért az lassabban és kisebb erővel húz be, mint azt kellene tennie. Emiatt az ellenállások biztos hosszabb ideig vannak terhelve, mint azt szeretnék. (itt és itt írtam le hogy számoltam. )
Köszönöm, ezt kipróbálom, és persze a többi ötletet is végigjárom.
Az előttem szólok a legvalószínűbb okokat már leírták. Én az alábbit tenném hozzá.
Az ellenállások azért mentek tönkre, mert a relé nem húz be kellő időben, vagy egyáltalán nem. Ennek oka a C2-C3 kondenzátorok lassú töltődése. Ezt előidézheti, a relé tekercs kisebb ellenállása, vagy a C2-C3 értékének növekedése, vagy C1 csökkenés, vagy a R3 növekedése. Mivel C2-C3-t 1000µF-dal helyettesítetted, ezért ezt elvetném. Szerintem először terheletlen állapotban kösd rá a 230V-os hálózatra, és figyeld meg a relé kattanási idejét. Az is lehet, hogy egyáltalán nem húz be. Ekkor elképzelhető, hogy valamelyik alkatrész (C1,R3,Gr-híd) valamelyik lábát nem sikerült jól bekötni. Mérd le a C2-C3 kondenzátorok feszültségét az idő függvényében figyelve. Mutatós mérő jobb, mint a digitális, mert azzal folyamatában lehet követni. Vigyázz a méréssel, mert jelen van a 230V, ami életveszélyes.
Átnéztem a panelt, és a graetz-híd hibás volt.
14V-ot mértem a relé kapcsaim. Kicseréltem, a c1-et 470nF-ra de ezzel is csak 16V-ot mérek, és a relé nem húz meg.
A relé tekercs ellenállása névlegesen 800 ohm, vagy mérés alapján?
A két másik lehetőség: most is hiányzik egy dióda a hídból vagy a 470nF kondi kisebb mint a névleges értéke.
Kiméregettem az alkatrészeket.
A relé tekercse 795 Ohm. Az ellenállások és a kondenzátorok értékei jók. Nem értem mi lehet a baj. Ha a relét kiveszem, akkor a feszültség majd 30V, de ahogy bekerül a helyére, leesik a feszültség 16V-ra.
Szia! Akkor kicsit mélyebbre kell ásni. Mint írtad "Ha a relét kiveszem, akkor a feszültség majd 30V". Ez helyesen megépített panelnél lehetetlen. Relé nélkül a C2, C3 kondenzátorok elkezdenek 310V-ra töltődni és valahol fél úton megsemmisülnek. Kérlek mérd meg, hogy a kivett relé helyén van-e ohmikus ellenállás.
Egyetértek reloop következtetéseivel.
Annyival egészíteném ki, hogy előfordulhat, hogy a C2-C3 1000µF-os elektrolit kondenzátor is vezetővé vált a korábbi dióda hiba miatt, és ezért nem megy feljebb a feszültség 16V-nál. Próbaképp kicserélhetnéd egy nem elektrolitra, és persze kisebb kapacitásúra, nagyob feszültségűre. Ennek hatására a relé feszültsége hamarabb fut fel. Ha így már eléri a 24V-t, akkor a kondenzátort kell egy másik 1000µF-osra cserélni. Arra vigyázz, hogy ha relét kiveszed, akkor ahogy reloop is írta, megugrik a feszültség, szerintem akár 400V-ra is. Tehát a próba kondenzátor ennél magasabb feszültségre legyen méretezve, pl. 630V-ra. Arra figyelj, hogy a feltöltött kondenzátort áramtalanítás után sem szabad megérinteni, mert életveszélyes. Így aztán megmérheted ugyanúgy relével és relé nélkül is a feszültséget. Az eredményből következtethetünk arra, hogy az 1000µF-os kondenzátor volt-e a hibás.
Szia! Bízom benne, hogy a hibás kondinak a relé nélkül mérhető ellenállása lesz. A relé nélküli kísérlettől kicsit berzenkedek. Jó lenne a relé helyén egy 24V zener. Én alapból be szoktam építeni.
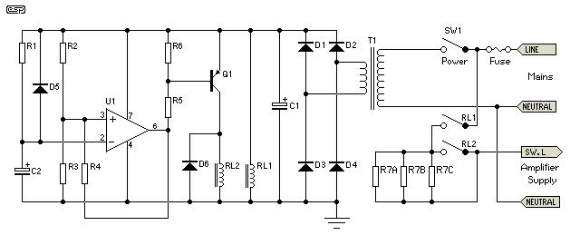
Álljon itt egy másik lágyindító kapcsolási rajz. Megépítése drágább, plusz trafót is tartalmaz, de a bekapcsolása megbízhatóbb. Ráadásul a bemérése nem olyan veszélyes, mert az időzítő kisfeszültség alatt működik. Sajnos alkatrész adatok nincsenek. A teljesítmény ellenállásokat is relé kapcsolja, ez talán túlzott óvatosság, de így a kapcsoló biztos nem terhelődik túl. A kapcsolást "soft starter"-re keresve találtam.
A teljes cikk: Bővebben: Link
Köszönöm a linket. Sajnos az alkatrész értékei ezen sincsenek feltüntetve. Mindenesetre az elv a lényeg. Én egy ilyet szeretnék, de azt szeretném, hogy a fogyasztón lévő kapcsoló bekapcsolására automatikusan induljon be a lágy indító.
Azért is ajánlom a cikket mert segít a teljesítmény ellenállások méretezésében. Nem kell a 4x10 ohm -hoz ragaszkodni.
Sziasztok!
Ezt nyugodtan használhatom lágyindítónak a toroid trafómhoz? Ha igen akkor ugye a C1 az 330 nF X2 fólia kondi igaz? - Válasz: Igen. - Hali! Itt kéne a kérdést felvetni. A 12V relédnek mennyi a tekercsellenállása? - 265 Ω az ellenállás.Bővebben: Link |
Bejelentkezés
Hirdetés |





