Fórum témák
» Több friss téma |
Az R2-t növelésével az érzékenység csökkenthető. 10 ohm -nál már lehet, hogy gerjedni fog. Próbáld ki ezt a módszert, ha nem vezet kellő eredményre akkor marad a bemeneti feszültség osztó, vagy poti.
Értem, ki fogom próbálni mindenképp mert nem akarom kukába tenni a nyákot. Remélem jó lesz.
Köszi a segítséget!
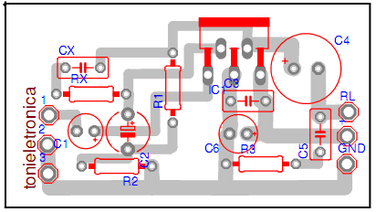
Én most ezt dobom össze:
http://www.youtube.com/watch?v=ZrGlU-ZNnW0&feature=grec_index 600 Ft az egész, ráadásul a nagyrésze van itthon is, valamint 9V-ról elvisz egy MP3-at órákon át max hangerőn, Unitek SP-288-nak a hangfalain...ez mono...nekem majd az lesz, h megcsinálom duplán...az bemegy 1 dobozba...a bemenet helyére megy mind2-re 1-1 RCA aljzat, kimenetnek meg szintén...bemeneti dugónak, egy 2RCA-3.5Jack átalakító...kimenetnek meg a hangfalakból kijövő RCA dugók...Ennyi...csak annyit segítsetek nekem...erre kell hűtés is...hogy lehet megoldani a hűtést, a hangerőszabályzást, és az "üzemben van" világítást?...úgy, hogy ne kelljen panelt használni?...csak ezt a kábeles-elosztósat?...
Olcsó,meg jó is...aki beéri kis teljesitményel
Ja és ne feledd a hütötestet lemaszázni,vagyis aarra is ráadni a -minuszt.. különben inditáskor lessz hogy csak plattyan egyet.....tapasztaltam...
kis teljesítmény-kis teljesítmény...ismered a Unitek SP-288-ast?...most csináltuk meg így haverommal azt amit leírtam...hangosabban, szebben, torzítás és hiba nélkül szól az eredeti erősítőjéhez képest, pedig ennek elég 9V 2,5 órán át folyamatosan max hangerővel...az eredeti erősítőjével meg 12V/56Ah kellene neki...de itt hogy lehet megoldani, az "üzemben van" ledvilágítást, és a hűtést?...egy lényeges pont...no panel...csak ez az elosztós megoldás...
Sziasztok!
Az előzményben megjelölt hozzászólás kapcsolása használható minden átalakítás nélkül egy 12 voltos akkuról? Egy hangdobozba szerelném be, így egy hordozható erősítőként használnám az MP4-emhez. Tudom, hogy nem nagy teljesítményű, de ehhez elég (maga a hangszóró is csak 10W körül van), és legalább nem lesz túl nagy a fogyasztása.
Szia! Mehet 12V akkuról, a 8-18V-ba belefér
Rajz.
Összeraktam a rajzon szereplő kapcsolást, ezzel a nyáktervvel. Kicsivel nagyobb alkatrészeim vannak, így a szerelés kicsit nehézkes volt, de átnéztem, nincs zárlat sehol. Ennek ellenére ha a tápot bekapcsolom (akku még nincs meg), elkezd berregő, zúgó hangot adni. A bemeneti jelből én nem hallottam semmit, pedig rendben be volt kötve az is. Mit érdemes ellenőriznem (fordított táp/elkó kilőve, megnéztem..)?
Egyelőre egy 1,5-től 12V-ig állítható stabilizált adaptert használok, később 12 voltos akkuról szeretném használni hordozható erősítőnek, hangdobozba építve. Ami még eszembe jutott, a hűtőfelületet jól tudom, hogy le kell testelni? Vagy emiatt lehet a zaj?
Halihó?! Kellene egy segítség az erősítőmhöz (TDA2003), amit kibővítettem egy hangszín-szabályozóval. Viszont az Istennek sem akar normálisan működni. 17 V-ot kap, ill. fog majd kapni, de a labortápegységemmel csak 5V-ig tudom emelni a feszültséget. Ez felett nagyon búg, morog kinek, hogy tetszik.
Vetnétek egy pillantást a kapcsolásra? Köszönöm. UI. A TDA2003 hangszín-szabályozó nélkül szépen működik.
Hali!
A test (a rajzon mínusz) jó kuntaktusban van a két fokozat között? A hangszín + tápjába beiktatnék egy 100ohm ellenállást és utána 100µF kondival szűrnék.
A test príma, nyákon van. Leföldeltem most, javult. Bár a morgás 5 V-ig nincs csak. Betettem a javasolt RC-t bár semmi változás.
A hangszín szabályozó kicsit sokat emel és hamar begerjeszti.
A szűrést a gerjedés miatt ajánlottam. Érdekes, hogy ennyire feszültségfüggő. A potik állásától sincs változás?
A csatoló elkók valamelyike nem kap fordított polaritást esetleg?
A mélyemelő poti nagyon érzékeny, arra nagyon brummog , ha feltekerem, a másik poti az jól működik, "hozzáteszi-elveszi" a magasat.
Ha érdekel valakit, egy kis módosítással elkészült a 2.1-hez a mélynyomó TDA2003-sal és hozzá egy hangszínszabályozóval. Ha valami nem egyértelmű, írjatok! B-) A nyákot nem kell tükrözni! Kinyomtat, felvasal, lemarat, kifúr beültet.
Sziasztok! Véletlenül nincs valakinek egy nyákterve ennek az IC-nek a hidalt változatához? Köszönöm!
Hehe, MEV IC!
És még egy primitív kérdés. Ha 2 TDA2003 van egy hűtőbordán nem hídba kötve, tehát 2 mono. Szigetelni kell külön?
Oké, köszönöm! Az IC adatlapján is mint ha, de nem voltam benne biztos.
Egy érdekes jelenség van még. A két végfok egy nyákon van, a tápot áthidalással oldottam meg, az egyik oldal tökéletesen szól, míg a másik csak kis hangerőn, majd elkezd torzítani. Az alkatrészek újak, potit is cseréltem már. Tippet kaphatok valakitől?
Jó lenne ez a hidalt verzióval is.
A kondik polaritása rendben van ?, nem árt ellenőrizni őket mégegyszer a rajz szerint.
Igen rendben van, teljesen egyforma a két panel ill. az alkatrészek, és azok beültetése is. Lehet, hogy az IC? Az egyiket valamiből bontottam, de előtte működött. Köszönöm!
Szia.Ha bontott akkor elképzelhető. 2003 sal jártam már én is így. Bontás előtt még jó volt de mikor bekerült az új helyére már nem akart működni pedig előtte akkor ott működött. Talán a kapott hőt nem viseli annyira ez az ic amit a ki és beforrasztáskor kaphatott.
Sziadztok!
Nem szoktam ilyet kérni de ehhez a kapcsoláshoz tudna valaki nekem nyák tervet csinálni ez az egyszerű kapcsolás ki fog rajtam a tervezésben valaki segítene?Bővebben: Link |
Bejelentkezés
Hirdetés |




A hangszín szabályozó kicsit sokat emel és hamar begerjeszti. 







