Fórum témák

» Több friss téma
Fórum » Erősítő mindig és mindig
Mielőtt kérdezel, a következő két dolgot ellenőrizd! I. A helyes tápfeszültségek megléte. II. A kimeneten van-e egyenfeszültség. Élesztés.
Lapozás: OK   862 / 2580
(#) storm válasza koncsik03 hozzászólására (») Júl 22, 2011 /
 
Ő lenne az.
(#) reloop válasza storm hozzászólására (») Júl 22, 2011 /
 
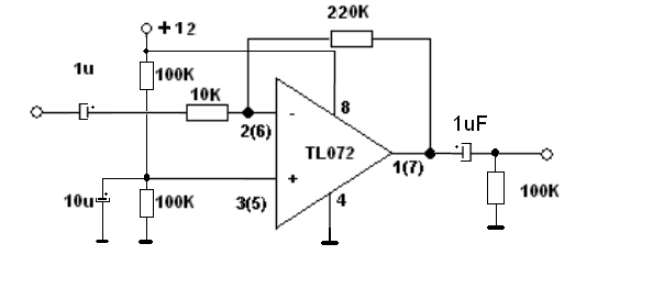
Teljesen jó az elv. Az 1 µF legyen fólia kondi. Az erősítés 220k/10k szoros, kevesebb is elég lehet. A végfokhoz ajánlom a koppanásgátlót.
(#) storm válasza reloop hozzászólására (») Júl 22, 2011 /
 
Köszi! Igazából egy A osztályú fejhallgató erősítőbe fog kerülni, csak amikor az ISIS-el leszimuláltam, nemhogy erősített, hanem inkább tompított, és a jel alja is eltűnt. Az erősítésre van valami képlet, ami alapján lehet számolni ennél a kapcsolásnál?
(#) reloop válasza storm hozzászólására (») Júl 22, 2011 /
 
Az erősítés a visszacsatoló (220k) és a bemeneti (10k) hányadosa. A rajz szerint 22x -es. Bementi ellenállásnak 47k -t javaslok. Ekkor már csak 5 -szörös az erősítés, de ettől nagyobbra ritkán szokott szükség lenni.
Az A osztályú erősítőnek kevés az erősítése, vagy a terhelésnek nagy az impedanciája, esetleg a jelforrás ad szokatlanul alacsony jelet?
(#) storm válasza reloop hozzászólására (») Júl 22, 2011 /
 
Aha így már értem. A terhelő impedacia 32ohm lesz, a bemenő jelnek még csak sz.gépet használtam, az szépen kivezérelte, de nem csak géppel fogom használni, úgyhogy az a biztos, ha van ott egy műv.erősítő. Köszi a segítséget
(#) reloop válasza storm hozzászólására (») Júl 22, 2011 /
 
Szívesen. Egy ellenállást és egy kondit rajzoltam a zavartalanabb működés érdekében.
(#) storm válasza reloop hozzászólására (») Júl 22, 2011 /
 
Igen azt a 22pF-ot hiányoltam is onnan Viszont én a bemenetre gondoltam egy 22K-s potmétert.
(#) reloop válasza storm hozzászólására (») Júl 22, 2011 /
 
Az egytápos előerősítő bekapcsoláskor egy feszültséglökést állít elő ami kárt tehet a hangszóróban. Ezt a mögé rakott poti valamelyest leosztja.
Az A osztályú erősítő erősítését nem lehetne megnövelni?
(#) reloop válasza storm hozzászólására (») Júl 22, 2011 /
 
A fejhallgatós topicban nincs meg véletlenül az erősítőd rajza?
(#) storm válasza reloop hozzászólására (») Júl 22, 2011 /
 
Igazából az én tervem az volt, hogy lm1036n annak a kimenete a fejhallgató erősítő bemenetére. De a 1036n topikjába azt mondták, hogy nem árt elé egy műv.erősítő. Szóval most a lehetséges végleges terv: ne5532> lm1036n> fejhallgató erősítő.
(#) skero válasza storm hozzászólására (») Júl 22, 2011 /
 
Biztos ,hogy opamp -ot akarsz rakni egy A osztályú erősítő elé?
(#) storm válasza skero hozzászólására (») Júl 22, 2011 /
 
Miért mi baj lenne belőle? :whatever:
(#) skero válasza storm hozzászólására (») Júl 22, 2011 /
 
Baj nincs ,csak A osztályhoz nem raknék. A DOZ is adhat ötleteket. A nagy visszacsatolás sem mindenható akárhová nem raknék ME -t.
(#) storm válasza skero hozzászólására (») Júl 22, 2011 /
 
AZ erősítőt, már tervezgetem egy ideje, mostmár elég kiforrt állapotban van, az lm1036n-t azért akarom beletenni, mert elvileg ott nem hallatszik a poti recsegése plusz hangszínszabályzó is egyben. De ha kis jelszintű jelforrásról használom, nem biztos, hogy lesz elegendő kimenő teljesítmény, úgyhogy most átterveztem az előfokot. Jövőhéten összerakom tesztelésként, sokat nem veszítek vele, max megy az ötlet a kukába
(#) bajtaig válasza storm hozzászólására (») Júl 22, 2011 / 1
 
Bocs hogy bele vau-vau ,de én az lm1036 ot max a kukába raknám olyan rossz minőségű,hasonlít a tda 1524-re.
(#) reloop válasza bajtaig hozzászólására (») Júl 22, 2011 /
 
Mit ajánlanál helyette? Most építek belőle, de egy jobb kedvéért tennék egy próbát.
(#) bajtaig válasza reloop hozzászólására (») Júl 23, 2011 /
 
Mindenképp dc kontroll kell? Távirányítani akarod,vagy digit vezérelni?Ha egyik sem, akkor a hagyományos opamp-os megoldást ajánlom.
(#) storm válasza bajtaig hozzászólására (») Júl 23, 2011 /
 
Miért is rossz minőségű? Nekem tökéletesen vág/emel, szerintem ha rendesen meg van építve nincs vele gond.
(#) bajtaig válasza storm hozzászólására (») Júl 23, 2011 /
 
Nekem meg zajos,de ez szubjektív.
(#) jdani hozzászólása Júl 23, 2011 /
 
Hali. Ebbe a topicba foglalkoznak javítással? Lenne egy erősítőm, ami valamikor 100%ra működik, valamikor meg bekapcsolom, csak búg, a kimeneten 30Vkörül. MI lehet a gondja?

DSC07495.JPG
    
(#) laccy88 hozzászólása Júl 23, 2011 /
 
sziasztok! van egy kicsikét régi aktív szub-om(heco acterior sub 9000), ami a bemenetére közvetlenül a hangszóró jelet kéri. Nekem az a gondom, hogy van egy házimozi erősítőm, aminek az szub kimenete alacsony szintű(erősítettlen).
A kettőt szeretném valahogy csatolni, de fontos lenne, hogy a házimozi erősítőm szub jelét adjam neki oda. Kérdés, hogy milyen módon. Valaki aztmondta, az aktív szub itt úgy működik, hogy a hangszórójelet, amit megkap, visszaalakítja kis jellé(talán leellenállja) és ugye azt erősíti magának. Van arra mód, hogy ezt a bemeneti jelátalakító részt megkerülve, rögtön a kis jelet adjam neki? Csatolok 1-2 képet. A nyák jobb alsó sarkában van a bemenet.
(#) Grindi hozzászólása Júl 23, 2011 /
 
Üdv
nekem van 2db mono 400Wos erősítőm kellene hozzá trafó 2x65Vos de hány wattos lenne elég neki? az erősítő kb 5A vesz fel 65V ról.
(#) Grindi válasza Grindi hozzászólására (») Júl 23, 2011 /
 
2db 400Wos megfelel?
(#) bajtaig válasza Grindi hozzászólására (») Júl 24, 2011 /
 
Min.630 VA.
(#) reloop válasza laccy88 hozzászólására (») Júl 24, 2011 /
 
Szia! Az alkatrészek elrendezéséből feltételezem, hogy a bemenő jelet közösíti, és leosztja. Mivel a panel vezető sávjai nem látszanak, jó lenne egy vázlat, hogy milyen értékű ellenállások vesznek ebben részt.
(#) deadlyroberta válasza Grindi hozzászólására (») Júl 24, 2011 /
 
Jó lenne Tudni a nevét,hogy milyen osztélyba dolgozik, (de oldalanként minimum 600 wattos szerintem kell oda.)
(#) bandyta009 válasza Grindi hozzászólására (») Júl 24, 2011 /
 
Udv kapcs rajzod ninvs rola?
(#) David 3g hozzászólása Júl 24, 2011 /
 
Üdvözölek titeket Az lenne a kérdésem hogy a A210e-s IC-ek hogy van a lábkiosztása ? honan kezdődik az 1. láb ? csak kapcsi rajzot ,de képet nem találok róla és nem tudom hogy honan kezdődik ?
(#) laccy88 válasza reloop hozzászólására (») Júl 24, 2011 /
 
próbáltam használhatóbb képeket készíteni. Tudom így a távolból elég nehéz akármit is mondani, de azt is tudom, sok sok hozzáértő emberke van itt
(#) J-O-E válasza David 3g hozzászólására (») Júl 24, 2011 /
 
Kevés az infó A210e lehet gyártói kód egy adott termékhez egy nagy megrendelőnek gyártott egy kínai sufni pár ezret vagy többet, de valójában nem ez az IC pontos neve. Ha van képed róla miben van, vagy kapcsolásod amit említettél, akkor talán kitalálható miről is van szó. Kapásból ilyeneket találtam Schottky dióda aminek ez a neve, de található VHF adókészülék IC A210E névvel.
Következő: »»   862 / 2580
Bejelentkezés

Belépés

Hirdetés
XDT.hu
Az oldalon sütiket használunk a helyes működéshez. Bővebb információt az adatvédelmi szabályzatban olvashatsz. Megértettem