Fórum témák
» Több friss téma |
Fórum » Csöves erősítő készítése
Ne feledd betartani a fórum viselkedési szabályait, és a topik megmaradásának feltételeit. [link]
A téma átmenetileg fagyasztva lett, hozzászólni nem tudsz!
Szia,
Irodalom ide-oda, max. berakok egy kapcsolót, biztos ami biztos. Köszi
Köszönöm szépen a segítséged!
R10 meg az anódáram rendben volt, a trióda anódján viszont nem volt normális feszültség, C1 zárlatos volt. Elkerülte a figyelmem...
Ha 100W-ot kell tudnia, akkor az egész sec(ez így egy tekercs két félből) 100W-ra méretezendő, kétutasban a PY88 sajnos kevés, mert egy-egy félperiódus alatt csak az egyik cső dolgozik. Ha ragaszkodsz a PY88-hoz, akkor csak Graetz-el lehetséges, persze 4 db.csővel.
Köszönöm. Sajnos ettől tartottam, hogy kevés lesz a PY88. Esetleg valami olyan dióda vagy dupladióda csövet nem tudsz ami tud 500mA-t? Köszönöm!
Van, de piszok drágák(e topicban is jópár szerepel), ha nem akarod 4 db. PY-al(ami pedig nem igazán drága megoldás, csak kissé macerás)), akkor Si-diódák- bagóért.
Van vagy 20 darab PY88-am, csak kicsit macerásnak tartom a dolgot. De inkább csinálok PY-okból graetz-et, minthogy vadásszak csövet (felénk az elektrós boltban azt se tudják mi az az elektroncső), meg így legalább nem kell több leágazású trafó (és talán még a hangzás is jobb lesz). Még egy olyan kérdésem lenne, hogy kb hány V "esik" a graetz-en? 300V-nak kellene lennie az egyenirányítás és szűrés után. Ennek függvényében tervezném a trafót.
A kondenzátorok ebben az esetben csúcsfeszültségre töltődnek, tehát nagyobb feszültségű kondenzátor kell.Lásd JLH idézet.
Arról nem láttam még semmi kalkulációt, hogy mennyivel csökken a csövek élettartama , ha nem késleltetünk.Ezt is jó volna tudni. Eszmefuttatás:ha már korrektül, de nem takarékosan akarjuk megoldani: Csöves egyenirányítás, plusz késleltetés. Bekapcsoláskor az erősítő csövek felfűtenek, ezután rákapcsoljuk váltót az ei csőre.És minden feltételnek megfeleltünk. Igaz jól meg van bonyolítva. ![]() És mi a helyzet az ei csővel?ott nem kell késleltetni?Az is azonnal megkapja a teljes feszültséget a trafóról, még felfűtetlen állapotban.
Pontosan, én is ezért késleltettem egy erősítőmben, mert 350V os tápkondikon üzemben volt 348V, ha a két végcső anódárama még nem terheli a tápot akkor 450V körüli csúcsra töltődne...
Én az anódáram nélküli fűtéstől félek... A csöves táp is előbb felállhat mint a végcsövek-előfokcsövek. (valaki írta is a 15s már 5u4g nél elég is)
Biztos ez?
A közepe logikusan előbb fűt de mennyi ideig? 6Sz19P és 6E5P (mindkettőben látni a katódot mert teljesen nyitott csövek) felfűtöttem őket, hát nemigen látom, hogy középen előbb fűtene...miért csinálnák olyanra a fűtést, ha lehet egyenletesre is? A felfűtött állapotban is a közepén tud a legkevesebb hőt leadni, a végein a legtöbbet, azaz a végeit jobban kell fűteni, én egyszerűen a fűtőszálat középen nagyobb menetemelkedésűre tekerném...gondolom agyárban is ezt teszik. Szóval miért kell a késleltetés? (kissebb határfesz adatok miatt megértem, de a csöveknek miért kellene?) Miért nem tettek a csöves korszakban semelyik készülékbe? (mert ugye a tápcsövek elöbb kész vannak?, azaz sehol sincs a csöves korszak kapcsolásaiban, a kívétel, ha van erősíti a szabályt, miszerint utánna sem tettek mindenbe...)
Ha minden kondenzátor túl van méretezve (Bekapcsoláskor 400 Voltos csúcsfeszültség esetén 450 Voltos kondikat használunk) akkor miért kellene késleltetés? Egyenirányító csövek esetén is megjelenik a csúcsfeszültség, mert hamarabb fűt fel mint a többi cső, még se használnak ott anód késleltetést.
Beag erősítőkbe sose raktak, szilícium diódás egyenirányítás esetén sem. Neves erősítő gyártók se alkalmazzák sok esetben. Nem beszélve a "Katódmérgezésről" ami akkor jön létre ha nem folyik anódáram. Rengeteg érv van a mellett, hogy miért ne késleltessünk. Természetesen megértem, hogy ha valaki azért késleltet mert üzemi feszültségre méretezett alkatrészeket használ, s a csúcsfeszültség sok lenne neki.
Én most azon agyaltam, hogy ha egyenirányitó cső után 47µF-t alkalmazok (most 5u4gb a köv verzióban GZ34S), akkor ha követi 20 henry, mekkora kondit merjek berakni? 2200µF belefér még?
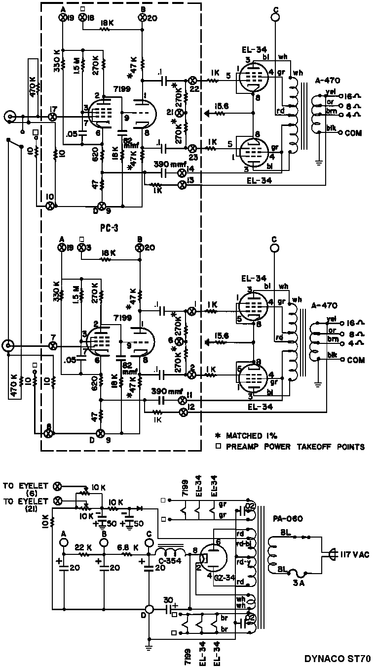
Az sok, nekem a Dynaco erősítőmben a GZ34 után és a fojtó után is csak 20+20 µF van.
A mostaniba is kellett még a 20H-220µF után még 100R-47µF RC, hogy teljesen elhallgasson, ezért akarom komolyra megcsinálni.
A késleltetett anódfeszültség-bekapcsolást a korabeli elektroncsöves készülékek egy részénél valóban nem alkalmazták. Ennek több oka volt, többek között az, hogy a csövek napi gyártásból, könnyen beszerezhetők voltak, a konstrukció egységét a késleltető segédáramköre nem bontotta meg... De nem szabad megfeledkezni az ipari célú/nagyteljesítményű csövekről, a higanygőz egyenirányítókról meg az adócsövekről... Itt már alkalmazták a késleltetett anódfeszültség bekapcsolást, érdemes és szükséges volt az élettartamra odafigyelni :yes:
Manapság már egyre jobban érdemes odafigyelni arra, hogyan tudjuk az általunk használt elektroncsövek élettartamát a lehető leghosszabbra kitolni... Lehet, hogy ez csak a saját véleményem, én mindig felfűtött csövekre adok anódfeszt... Érdemes a csatolt dokumentum középső, általam aláterített részét bogarászni...
A túlságosan nagy kapacitású kapacitású szűrőkondenzátor nem feltétlenül előnyös, hamar elbánik az ei meg a végcsővel is, és a hang is laposabbá válhat tőle... Szerintem 180 µF-nál nagyobb semmiképpen se legyen... Ha ekkora kondival még jelentős a brumm, fennállhat a fojtó telítődése...
Sok lesz a 2200, max. 220 µF-et javaslok, a szűréseddel lesz gond, ha így is brummos. Mint mondottám a Dynaco ST70-ben sincs több 3x20 + 30 µF-nél.Üdv
Az ipari és higanygőz egyenirányításnál azért kell késleltetni, mert ha nincs a higany.cső előfűtve, az zárlatként viselkedik! Nálam egy 6NO90t a késleltető "áramkör"
Ipari csöveknél se az élettartam számított, hanem az a hatalmas feszültség, ahol már nem igazán lehet hova túlméretezni a kondikat…
Te tudod... Nem biztos, hogy a kondikra gondolt alább a GU50 doksi 1 perces késleltetés-ajánlása...
Csak azért mondtam, hogy ezeket ne keverd bele… A higanygőz-egyenirányítókat nem is lehet másképp használni, az ipari csöveknek meg a lehető legoptimálisabb körülményeket biztosítják így is úgy is, hogy minél hosszabb élettartamot tudjanak…
Továbbá érdekes, hogy csak a csőhöz csomagolt adatlapon találták ezt a 1percet fontosnak, az eredeti orosz/angol adatlapon már nincs feltüntetve (ahogy bármelyik másikon sem). Kicsit utána nézek ennek, mert érdekes
Nem volt jelentős, csak egyszerűen túl kényes vagyok, és szeretem ha belehajolva a hangszóróba sem hallatszik semmi, ami ráadásul 90dB/W feletti érzékenységű...
Mod: 50mVpp-t mértem az elkó sarkain akkor.
Sziasztok!
Egy kis segítség vagy ötlet kellene a mellékelt tápegységgel kapcsolatban. A táp a 2008-as RT Évkönyvben megjelent Plachtovics-féle sztereó EL84 PP-t hajtja. Az erősítő maga tökéletes, korábban már megépítettem a saját, túlbonyolított egyenáramú fűtéses agyonszűrt tápommal és azzal nincs is gond (azon túl hogy a táptrafó kicsit izzad...). Most megcsináltam ezzel, de bekapcsoláskor mintha begerjedne a táp: olyan 2 Hz körül pulzál a teljes tápfesz, a hangszórók membránja majd kiugrik, és ez olyan 30 mp-en keresztül tart. Olyan mintha az anódkésleltetés csinálná, mert ha feláll a táp utána minden ok 2 dolgot leszámítva: - a 310V-os végcső-anódfeszültségen olyan 2,6Vcs-cs brumm van folyamatosan - a 2. glimmlámpa folyamatosan pislog, és a mellékelt alacsonfrekvenciás zaj mérhető rajta A kapcsolást ugyan úgy építettem meg mint a rajzon látható, annyi különbséggel hogy én 2db 220µF/450V puffert raktam be az 1db helyett, mert volt itthon A trafó az RT évkönyben leírtnak megfelelő, szóval az OK. Mi lehet a baj?
Gyanús a T1 áramköre, átvezethet a tranyó, vagy betehetsz B-E közé egy 10 kOhmot... A 310V nincs stabilizálva, némi brummot mindenképpen láthatsz a kimenetén, végülis a PP kioltja ezt, lényeg, hogy az UG2 stabil és brummentes legyen...
Néhány szóval visszatérve a bekapcsolási késleltetés szükségességére/szükségtelenségére... Gondolhatunk pl. arra, hogy felfűtés közben a katód erősen aláfűtött állapotban van, ez pedig biztosan nem tekinthető normális állapotnak. Mindeközben a pozitív feszültségű elektródák az üzeminél sokkal magasabb feszültséget kaphatnak az anódkésleltetés alkalmazása nélkül
Párhuzamosan kötve a 3x20uF? Esetlegesen jobb lehet mint egy darab 60uF?
Gondolkodom a kisebb, de jobb minőségű kondikon is, abból 2x100µF fér el.
Van egy pár eredeti csőkatalógusom ipari, hosszú élettartamú csövekről, egyikben sincs említve az anódfeszültség késleltetés szükségessége, de a fűtőfeszültség tűrése paraméter.
Véleményem szerint kis teljesítményű csövek esetén, kis (3 - 500 V) anódfeszültségig nem gondolom hogy számottevő probléma lenne. más a helyzet a nagy teljesítményű adócsövek esetén, ahol egyrészt igen nagy (több 10 kV) anódfeszültség és a jelentős fűtőteljesítmény miatti sokkal lassabb felfűtés miatt okozhat gondot. Ilyen helyen alkalmazzák is az anódfeszültség késleltetett bekapcsolását. (a GU 50 végül is adócső, a fűtőteljesítménye sem kevés 10 W, és a max anódfeszültsége 3 kV, és szerintem ez már határesetnek tekinthető) Meghát az élettartam szempontjából sokkal fontosabb az üzemóra, mint a néha néha történő egyszeri bekapcsolási stressz. A sűrű ki/be kapcsolgatás nem tesz jót neki, hasonlóan az izzólámpákhoz.
Nyilván különösebb "óvatosság" nélkül elérik a csövek a névleges élettartamot, de ha odafigyelünk... Nagyon sok orosz oktál vevőcsőre 500 óra élettartamot garantálnak... Ezzel szemben az első pár 6C4C-met használtan kaptam, nagyon sokat használtam én is, végül elajándékoztam egy barátomnak... Nem tapasztaltam semmi paraméterromlást, persze minden erősítőben volt anódkésleltetés...
Inkább mutatom a képmellékletben, gyakorlatilag nulla a brumm.
Ja hogy PP, így könnyű
![]() Így már mindent értek.
Ebben a kérdésben sose érnénk a vita végére, mert mindenki tud érveket, és ellenérveket is felhozni. Az azért egyértelmű, hogy a felfűtés ideje alatt a cső "átmegy" azon az állapoton is, mikor már jelentős áramot képes a katód emittálni, de még nem elég magas a hőmérséklete. Ezt ahhoz hasonlítanám, mikor a dízelmotorra teljes töltést állítunk, terheljük, de még nem pörgött fel a turbó, és "fuldoklik" a motor, a következmény pedig ez. A füstokádás itt sem tart sokáig, de "megúszható" volna, ha a terhelést csak az állandósult állapotnál kapta volna a motor.
A JHL könyvben tárgyalják a katódmérgezést is. A csöves rádiókban az FM vételhez alkalmazták az ECC85-ös csövet. Ezek csak akkor kaptak tápfeszültséget, ha a készülék FM adásokat vett. Ha valaki éveken át csak AM adások vételére használta a készüléket, akkor az ECC-t teljesen feleslegesen fűtötték (sőt, ha lemezjátszót erősített a tulajdonos, az összes rádiófrekvenciás csövet, és a hangolásjelzőt is). Egyetlen készülékben sem volt megoldva, hogy ilyen esetekben szükségtelenül ne fűtsék a csöveket, de tápfeszültséget nem feltétlenül kapott. Láthatjuk tehát, hogy akkoriban a kommersz készülékekben egyáltalán nem foglalkoztak a csövek élettartamának a lehetséges meghosszabbításával, volt belőlük elég. |
Bejelentkezés
Hirdetés |




Ipari csöveknél se az élettartam számított, hanem az a hatalmas feszültség, ahol már nem igazán lehet hova túlméretezni a kondikat… 



