Fórum témák
» Több friss téma |
Sziasztok!
Van egy trafóm 230/9V spitznagel gyártmányú, kivezetéseket nem tudom hogyan vannak,azt írja h prim. 230 pin 1-5 sec 9 pin 7-9, képet mellékelek.Melyik a 230-as fele melyik a 9 V-os fele?
Helló, találtam egy kissebb nyákot egy monitorban. Említésre méltó alkatrészek: 2db IC: 74HC4538AP és 74HC14AP És mind a kettő Toshiba, van még rajta egy relé, és egy B857 hűtéssel, azt szeretném kérdezni valaki tudja-e mi volt ennek a nyáknak a feladata, azt hiszem valami nagyobb feszültséget kapcsolt. Képek mellékelve... Válaszokat előre is köszi.
És ha lehet impulzusállót
Üdv mindenkinek.
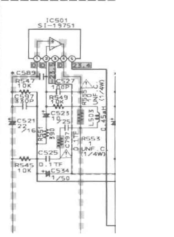
ERősítőmbe van egy érdekes végfok. 5 lába van és 18751 felirat rajta. Meg talán SB előtte. Az erősítő meg LBT-V202 Köszönöm ha valaki segít.
Szia!
Rajz az IC-hez. Kettős szimmetrikus tápfeszültséget igényel.
Sziasztok
bhkv uni 100/40-80 akkutöltőbe találtam 2Sh20 gr jelü valamit ..... Mi lehet ez?A gogli egész más igbt hoz ki rá. to-18-as tokban van. valami ötlet? üdv mazsola11 ???esetleg rajz valakinek?
Üdv.
Ma találtam valamit, egy olyan kis fémlapon mint egy tranzisztor-hűtőfelülete. Én hőszenzorra vagy nyomásérzékelőre tippelek. Mértem milyen ellenállása van, alapbol 1,3 , mikor megérintettem mutatott egy kis változást(100-200 Ω) amikor erősebben megnyomtam akkor hirtelen felkúszott ez ellenállása, de a felfogatása alapján hőmérsékletet mért egy hűtőbordán. Kép mellékelve. Köszi a választ előre is.
Szia! Ilyen nekem is van, és ez egy páraérzékelő.
Köszi a választ. Erre még csak nem is gondoltam.Kapcsolásod esetleg nincs hozzá?
Én régen LM317-es kapcsolásban próbáltam ki úgy, hogy a referenciát állító potméterrel sorba kötöttem és ahogy rálehelltem annak függvényében gyorsult illetve lassult az IC-re kötött ventilátorom.
Hali mindenkinek!
A képen látható egy egy 40W-os illetve egy 20W-os fénycső armatúrának az elektronikája. Javított e már valaki ilyet? Nem működik! Szerintem az egymás mellett lévő két fekete alkatrész halt meg, de mi lehet ez? Gondolom jól olvasható a képről, ami rá van írva. Ami gyengébben látszik, JGTIP7 X13003D
Üdv Lokátoros!
Hadd kérdezzem meg: mit írtál a gugliba? Én több variációban is beírtam, de semmi! Volt rajt Philips jel, úgy is próbáltam. Üdv: Kálmán
Hello!
Ez a MOTOROLA MJE13003 Nagyfeszültségű kapcsoló tranzisztora, csak álcázza magát, kínai színekben. Szinte minden takarékos fénycsőben ez van. A kisebb teljesítményűekben TO93 (kis BC) tokban. a 20W felettiekben TO126 tokban mint ami a képen látható. Bevásárló központok hulladék izzó gyűjtőjében könnyedén kukázható.. (A teljesítményt, és azt kel nézni hogy ha törött a cső. Akkor várhatóan az elektronika jó..) üdv! proli007
indesit wt80-as mosógép panelje beadta azunalmast .
2db tranzisztort találtam kisülve,amire az van írva:z0607.Hol találok ilyet?
A felirat így teljes:e
z0607 ma 75 443
Sziasztok,
Tudna valaki segíteni a mellékelt alkatrészek felismerésében? Az egyikre ezt találtam, de nem vagyok meggyőződve róla, hogy valóban ez az. A másikról gyakorlatilag semmit sem sikerült kiderítenem. Egy mosogatógép (Fagor 1LF-455IT) elektronikában vannak, próbálom kideríteni, hogy mi micsoda, de még rajzot sem sikerült fellelnem hozzá. Igazából kapcsolási rajz kérdésben is jól jön a segítség. Hátha valakinek az ismerőse látott már ilyet... Az egyetlen, ami legalább közelít és van, egy 453IT blokkséma és robbantott ábra, az majdnem ua. gép, mint a 455. Köszönöm.
sima tranzisztornak nézki de én sem találok ilyen alkatrészt
Most meg mézem,hogy nincs-ekapcsolási rajz valahol.
Igen sima tranzisztornak néz ki, de ez triak lesz. Nem egy mosógép vezérlőt láttam már és javítottam, ezek rendszerint triakok. Ezek vezérlik a mágnesszelepe(ke)t, szivattyút, meg ami hasonló kis teljesítményű dolog van bent. Ha a nyákon visszaköveted a lábait, akkor hamar rájössz, hogy tényleg hálózati feszt kapcsol.
Segítséget kérek egy alkatrész azonosítása és helyettesítése céljából. EC277 102805, egy hűtővent-ben lévő IC. Kösz: Sárosi
Sziasztok,
a barátnőmnél tönkrement a csengő kapcsolója és szeretném megjavítani, de sajna a NYÁKon nem tudom az egyik alkatrész mi lehet. Segítene nekem valaki légyszi kitalálni mi lehet az a CH1 alkatrész? (képeket csatoltam) A segítséget előre is nagyon szépen köszönöm!
Szia!
Ezt a rozsdás panelt dobjátok el és vegyetek egy új csengőt.
heló
A ch1 az 1 es csatlakozót jelenti. Itt már nincs benne a csatlakozó hanem a vezeték simán rá van forrasztva a panelra. Tehát ott nincs alkatrész. Gondolom 2 fekete vezetéken van a tápegység, és ha megnyomod a gombot akkor világit....
Tudna nekem valaki segíteni orosz tranzisztorban?
M217 van ráírva, mármint gondolom p217 Pontosabban a helyettesítése érdekelne csak sajna nincs orosz katalógusom ): |
Bejelentkezés
Hirdetés |








Mi lehet ez?











