Fórum témák
» Több friss téma |
Fórum » Csöves erősítő készítése
Ne feledd betartani a fórum viselkedési szabályait, és a topik megmaradásának feltételeit. [link]
A téma átmenetileg fagyasztva lett, hozzászólni nem tudsz!
Sziasztok!
Nagy örömömre sikerült a mai nap megszólaltatnom az EAG AE211 erősítőmet. Kicseréltem az elkókat, csatolókondikat, a tápegységben az ellenállásokat és a puffereket. Megérte ráfordítani az időt. Egyenlőre még halkan és csúnyácskán szól a 4ohmos hangfalon, de remélem, hogy a kimenő átkötése után javul a helyzet.
Hú, most van a kezemben egy AE782a. Ezek szerint ennek át lehet kötni úgy a kimenőjét, hogy 15ohm helyett 8 körül legyen?
Természetesen, a folyamatot így is lehet magyarázni, ahogy írod, azzal semmi bajom nincs. Az eredeti nevével sincs (SBA), mert pontosan fedi a működését, minthogy soros, kiengyenlített szabályzású.
A vezérelt áramgenerátor, (véleményem szerint ugyanaz, mint a vezérelt aktív munkaellenállás) meg nem ördögtől való fogalom, (minthogy más helyeken használják is) de akkoriban ezt a kifejezést nemigen használták. A sönt szabályzás kifejezéssel az a gondom, hogy ahhoz legalább két áramút kell, mert a sönt szabályzás azt jelenti szerintem, hogy az egyik áram csökkenését, a másik áram növekedése kompenzálja, így a két áram összege mindíg ugyanaz, itt pedig csak egy áramút van. Azt pedig, egy percig sem állítottam, hogy ez az áram állandó. Az úgy van, ahogy írod is, hogy a statikusan beállt fél tápfesz körül van a dinamikus változás, (váltóáramú jel) amihez nyilvánvalóan a két cső ellenfázisú működése szükséges. És itt jön, a push-pull kérdése, amire Te is írod, hogy szerű "(push-pull jelleg)". Természetesen ellenfázisú üzem ez is, de a push-pull -nál egyidőben egy félperiódusban csak az egyik oldal működik, a másikban a másik, (tipikusan B osztályú beállítás) az SBA esetében a teljes periódus időben működik, mind a két cső, csak ellenfázisban. (A osztályú beállítás)
Sziasztok!
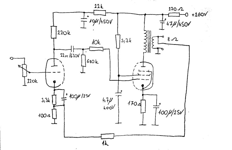
Lett egy sztereó ECL86 SE erősítőm, és a tanácsotokat szeretném kérni a rajzával kapcsolatban. Az a gondom vele, hogy egyedül a 3 utas basszreflex vidi hangfalakkal szól normálisan. Bármi mást kötök rá, gyakorlatilag nincs rendes mély. A középtartomány túl hangsúlyos, a magasak rendben vannak de a mély nagyon gyenge. Persze minden kipróbált hangfal 8 ohmos. A kimenők szerintem rendben vannak. Jó lenne négyszögjellel vizsgálni, de nincs generátorom; a hangkártya kimenete meg már eleve túllövéses, meg tetőesése van...
Vannak részek, amiben nem teljesen értünk egyet.
Idézet: „A vezérelt áramgenerátor, (véleményem szerint ugyanaz, mint a vezérelt aktív munkaellenállás)” Jelen esetben a vezérelt aktív munkaellenállás nem jelent egyértelműen vezérelt áramgenerátort is. Attól függ, mi lesz a fő áram. Ha az SRPP-n sorosan átfolyó áramot tekintjük fő áramnak (terhelés elhanyagolható), akkor a felső cső nem áramgenerátor, mert hol az alsó cső, hol a felső cső korlátozza a kör áramát (nem pedig a felső cső egyedül a vezérlés függvényében). Ha a fő áram leágazik a felső cső katódjáról (telejesítmény katódkövetőként használva a felső csövet), akkor vezérelt áramgenerátor lesz, mert a terhelésen folyó áramot a felső cső fogja meghatározni a vezérlése fügvényében. Idézet: „Természetesen ellenfázisú üzem ez is, de a push-pull -nál egyidőben egy félperiódusban csak az egyik oldal működik, a másikban a másik, (tipikusan B osztályú beállítás) az SBA esetében a teljes periódus időben működik, mind a két cső, csak ellenfázisban. (A osztályú beállítás)” A push-pull szerintem nem jelent B osztályt, nem következik a nevéből az ellenütem (húz-tol, tehát akár A, vagy AB osztályra is ráhúzható). Ha már a ronda "ellenütem" kifejzést firtatjuk az "ellenfázis" helyett, megjegyezném, hogy impulzusszerű jeleknél (pláne ha még nem is ismétlődnek), nagyon falábakon áll az ellenfázisú kifejezés is. Az ellenfázisú kifejezés leginkább harmónikus jeleknél értelmezhető korrekten, a zenében pedig számos (térhatást, a hangszerek sajátosságait meghatározó) impulzus jellegű hang öszetevő is van.
Szia, szerintem a 22nF-os kondit cseréld nagyobb kapacitásúra (10x vagy 20x).
Üdv.
Köszi, megpróbálom egy 100n-sal.
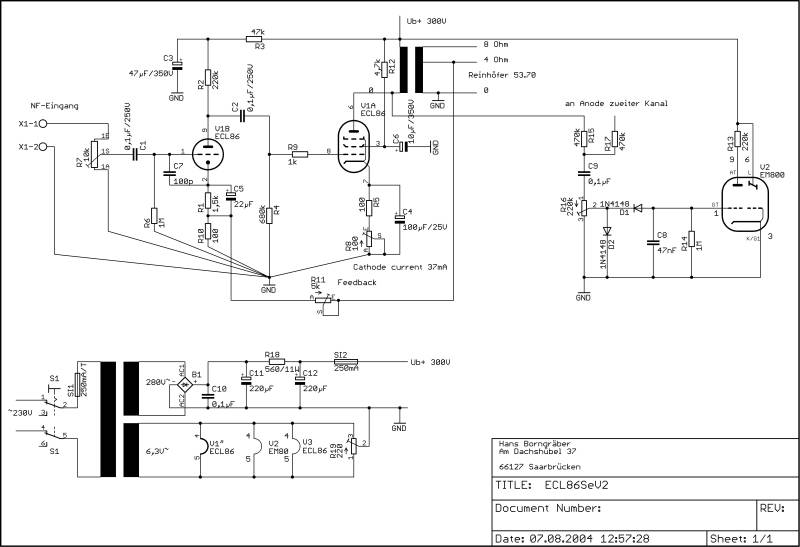
Itt a fórumon volt egy mindenki által dicsért PCL86 kapcsolás, de most hogy átnéztem a fórumképeket, hármat is találtam. Kié lehetett az?
Többen is építettek mert közkedvelt s olcsón kivitelezhető.
Üdv.
Tudom, én is próbálkoztam a lenti rajzzal, és nagyon tetszett a hangja, pedig csak vidi tv kimenőim voltak.
Most van két normális kimenőm, ezért szeretném a lehető legtöbbet kihozni belőle. Legszívesebben átalakítanám erre mert egyszer már bevált, de annyira nem értek hozzá hogy magamtól eldöntsem, melyik lehet jobb
Szerintem a mostani verziód is jól fog szólni, ha nagyobb értékű csatolókondit használsz.
Kipróbáltam 100n és 220nF-os kondikkal, a 100nF-os bevált!
Végre normális telt hangzása lett, viszont megjelent egy nagyfrekis szinuszos zaj, ami kicsit "kiszőrözi" a jelet. Nem jelentős, de a 22n-val nem volt.
Milyen feszültség értékűt raktál be? Illetve a kondi minősége is befolyással lehet rá, ha korábban nem volt ott a "zaj".
Több ponton mérni kellene, honnan is jön.
Visszatérve a "hitvita" után az eredeti kérdésekre... Ha egy előmágnesezetlen trafót túlgerjesztünk, úgy gondolom, páratlan torzítási komponensek keletkeznek a szekunderen, vagyis belapul a szinusz alul-felül... Mint a PP-ben túlvezérlés esetén... A trafó impedanciára visszatérve... A guruk majd biztos megmondják a tutit, én 10-12 kOhmmal kezdenék
250V AC, X3 osztályú Remix
![]() Az a nagyfrekis zajféleség szerintem gerjedés, vagy a hálózatból szedi össze mert rövidre zárt bemenetekkel is jelen van, hangerő poti állásától függetlenül.
Hálózati zajokat könnyedén tudod orvosolni, néhány kondival. A gerjedés ellenőrzéséhez viszont szükség lenne legalább egy szkópra.
8 Ohmra nem, csak 4-re.(Párhuzamosan kötött szekunder tekercsekkel.)
Üdv mindekinek ! Kezdő csöves erősítő építő vagyok és kapcsolási rajzot keresnék ecc83 vagy el84-es erősítőhöz egyet találtam amiben mind a kettő benne volt de az nem működött
Eddig elkészítettem egy varázsszemes kivezérlésjelzőt még erősítőre lenne szükség
Szia, ha már belekezdtél valamiben amiben el84 és ecc83 van, így azt gondolom, hogy azon a vonalon akarsz tovább menni. (Mivel ilyen csöveid vannak.) Szükségünk lenne a rajzra ami nem működött, hogy hol kellene módosítani rajta. Pár kép se ártani a jelenlegi projektedről.
Üdv.
HÁt a projekt szétszedődött
Bővebben: Link ezt próbálltam megépíteni de nem működött 2 db ecc83 és 2db el84 van éppen azért mert így ez egy sztereó erősítő lenne a kapcsolás alapján! ezen kívül ECH81 es csővem van még aztán Em 80 meg Em84 ! Ezeken kívül semmi ezt is úgy kaptam.
Szia, látom mi a hiba.
A csövek lábjelölései nem jók, valószínű, hogy ezért nem működött. Üdv.
Akkor azért lehetett az amikor áramot kapott hogy csak zúgott a hangszóró halkan?
Meglehet, de ha szerencséd van megúszták a csövek.
Azt láttam énis
És például te nem, tudsz mutatni egy olyan kapcsolást amit megépítek és működik is ![]() Meg itt is az ecc 83 nál a 2-7 hova csatlakozik azt se tudom
Alapjaiban jó lesz az a kapcsolás, ha helyesen lesznek bekötve a csövek. A 2es és 7es a vezérlő rács (a hangerő poti közepe).
Üdv.
Hát ugyan azt csinálja mint eddig
átnéztem a bekötést mindent de csak zúgás
Ezeket nézd át: ECC83: 1,6 anód (rajzon felül, +táp van rajta), 2,7 Vez. rács (rajzon középen, poti közepe), 3,8 Katód (Rajzon alul) 4-5 összekötve és 9-el 6,3V a fűtése.
EL84: 7 anód (rajzon felül, +táp van rajta), 9 g2 rács (rajzon 1K-val kimenő trafó leágazására kötve), 2 vez rács (220nF kondin keresztül vezérelve), 3 katód (150 Ohm-os ellenálláson keresztül földelve), 4 és 5 között a fütés 6,3 Volttal. Vizsgálandó: Tápfeszültségek, fűtőfeszültségek. Ha minden a leírtak szerint van bekötve, s a feszültségek is jók, el kell gondolkodni azon, hogy a rossz bekötés miatt lehet repültek a csövek melegebb éghajlatra. |
Bejelentkezés
Hirdetés |









