Fórum témák
» Több friss téma |
Mielőtt kérdezel, a következő két dolgot ellenőrizd!
I. A helyes tápfeszültségek megléte.
II. A kimeneten van-e egyenfeszültség.
Élesztés.
Szia ez lenen az amit te mondtál a Conductor 130w-os változat? Ez mehetne folyamatosan 4ohm-ról? Akár teljes kivezérlésben? (természeten a megfelelő hűtéssel és minden egyébbel)
A Conductor egyszerűbb ennél, de mégis inkább gyakorlott építőnek ajánlanám.
És ez a "cucc" birja a strapát? Mármint max kivezérlést mert tervezek hozzá majd nagy hangfalakat.
Sziasztok Mesterek! Vételeztem két erősítő végfok részét és keresnék hozzájuk kapcsolást de nem igazán találtam biztos vagyok benne hogy van csak vagy nem tudtam megnyitni vagy nem az volt amire számítottam.Az egyik egy ONKYO TX SN373-as,a másik egy YAMAHA DSP-E390-es a segítséget előre is köszönöm.
Az ST151 megérdemli az "elnyűhetetlen" minősítést. A kimeneti rövidzárlatot jól tolerálja. A végtranzisztorok a biztonságos működési tartományon (S.O.A.) belül kellő rátartással vannak méretezve. Mindössze a teljesítményhez illő hűtésről kell gondoskodnod.
És te melyik végtranyóval ajánlod megépiteni?
A BD-val vagy a TIP-el?
Nem egészen ide tartozik de új témát nem akarok nyitni, stúdióra milyen hangszórót? én akarok doboz éppiteni stb? Egyutas vagy több utasat?
Quad 405 egyértelműen... félkezdőként elég könnyen összetettem, és közbe még fejlődtem is. Mellesleg jó a hangképe,steril és túrja is a hangerőt bőségesen, Urbántól vett egy ismerősöm aztán később családja lett stb... odaadta félkészen. Én megcsináltam.
Mindkettőt próbáltam, nálam ne tűnt fel különbség. Döntsön az ár, vagy a beszerzés egyszerűsége. Nézd át a topicját.
Aha, értem én kérdeztem egyik haveromat ő azt mondta hogy jobban ajánlja a TIP szériákat mert, azt nem annyira hamisitják, és még olcsóbb is. Már a topicját átolvastam elejétől végéig, és nagyon megfogott, az alkatrészeket is mindent betudok hozzá szerezni. Úgyhogy szerintem belevágok
Ezzel a félvezető készlettel a terheletlen táp ne haladja meg a +/- 50V-ot. Ez a gyakorlatban maximálisan 2x36VAC szekunder feszültségű trafót jelent.
A hamisításról szóló híreket hallottam, eddig szerencsére nem futottam bele.
Üdv!
Idézet: „én akarok doboz éppiteni stb?” A kérdésben a pontos válasz is megfogalmazódott
Nem lesz nagyobb mert amin a zenét fogom hallgatni az 2*28V AC lesz, de amiről a subb fog menni az 2*30V AC fesz mert arra van itthon trafóm.
Így már értem a kérdésedet. A 2x30VAC trafód az egyenirányítók nyitófeszültsége és a nyugalmi áram terhelése miatt +/- 40VDC körüli tápot fog szolgáltatni. Nyugodtan használhatod.
Csináltatni akarok, egyutast csináltassak vagy több utast? Kikötésem az hogy 40 cm magas legyen.
Bővebben: Link
Ebben a kapcsolásban milyen az ic tipusa?
A cikkben benne van:
Idézet: „...U1 can be a very basic (and very cheap) LM1458 dual opamp or similar.” Az LM1458 a 741-es dupla valtozata, de lehet 5532-es vagy barmi mas alap op-ampot is hasznalni.
Oké köszi a segtiséget.
Néztem az LM358-at és az is az, és az van is nekem itthon, úgy hogy avval épitem meg.
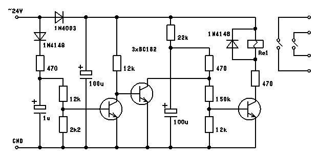
Sziasztok,
A készülő erősítőmhöz szeretnék építeni egy koppanásgátlót. A neten találtamegyet, de ez ~24V-ról működik. Az lenne a kérdésem, hogy átalakítható-e ez úgy, hogy ~12V-ról vagy vagy 12-16V DC-ről múködjön? Segítségeteket előre is köszönöm.
Szia!
Van neki topic -ja: Bővebben: Link Amúgy itt egy 12V -re.. én ezt 3 helyen is használom. Bővebben: Link
Köszi a linkeket. Amit te építettél annál az R1-es ellenállás hova van bekötve?
Köszi előre is.
Helló!
Amiről írtam a Hiraga Le monstre végerősítő nyákját odaadtam egy barátomnak ő kinyomtatta kivasalta és kimarta de le is tükrözte de nem kellet volna szóval most van egy panelom de fordítva van.Valami tippet tudnátok adni hogy hogyan kéne forrasztani hogy rendesen működjön?
Az R1 -re a végfok kimenete megy...
Hátha igy átláthatóbb: Bővebben: Link
Leginkább felülről kellene forrasztani
szerintem új panel marás lesz a legnormálisabb megoldás.
Én azon gondolkodtam hogyha a tranzisztorokat fordítva forrasztom be az úgy jó lenne?
ki lehetne sakkozni nyilván, de mindennel aminek több mint 2 lába van nagy "szívás" lenne... ha valamit a végén elkötsz akkor aztán nézegetheted naphosszat a panelt mire rájössz, hogy mivel van a baj.. én ilyenekkel nem szenvednék, egy panelt újra kimarni nem valami nagy dolog szerintem.
Én mondjuk rajzolgatom a panelt és a nyáktervet tükrözni kéne.A pdf fájlokat hogy lehet tükrözni?
|
Bejelentkezés
Hirdetés |





szerintem új panel marás lesz a legnormálisabb megoldás. 




