Fórum témák
» Több friss téma |
Fórum » Autóelektronika
Témaindító: sufni-tunning, idő: Ápr 19, 2008
Témakörök:
Helló. Az aksiból nem épp 300mA távozik a stabilizátor felé. Nem lehet, hogy ez a gond?
Használd valami másra, mert a motorra a gyári világítás való.
Az a 300mA nem a kimenő ágra vonatkozik? Gyárilag is arra való, hogy az aksiból jöv feszültséget csökkentse. Közbe már beszéltem hozzáértővel és el mondta mi lehet a gond. A motor világítótekercsről világít és én oda kötöttem nem aksihoz. Amikor kikapcsolom elvileg túláramot kap. Az ütötte ki. Egy dióda kellet volna elé vagy mi...
A gond az, hogy a világítótekercs váltófeszt ad ki, ez meg egyenfeszről menne... tehát jól tönkretette a váltófesz az egész ketyerét. Egyébként meg ugye ezzel így forgalomba nem akarsz kimenni?
Sziasztok!
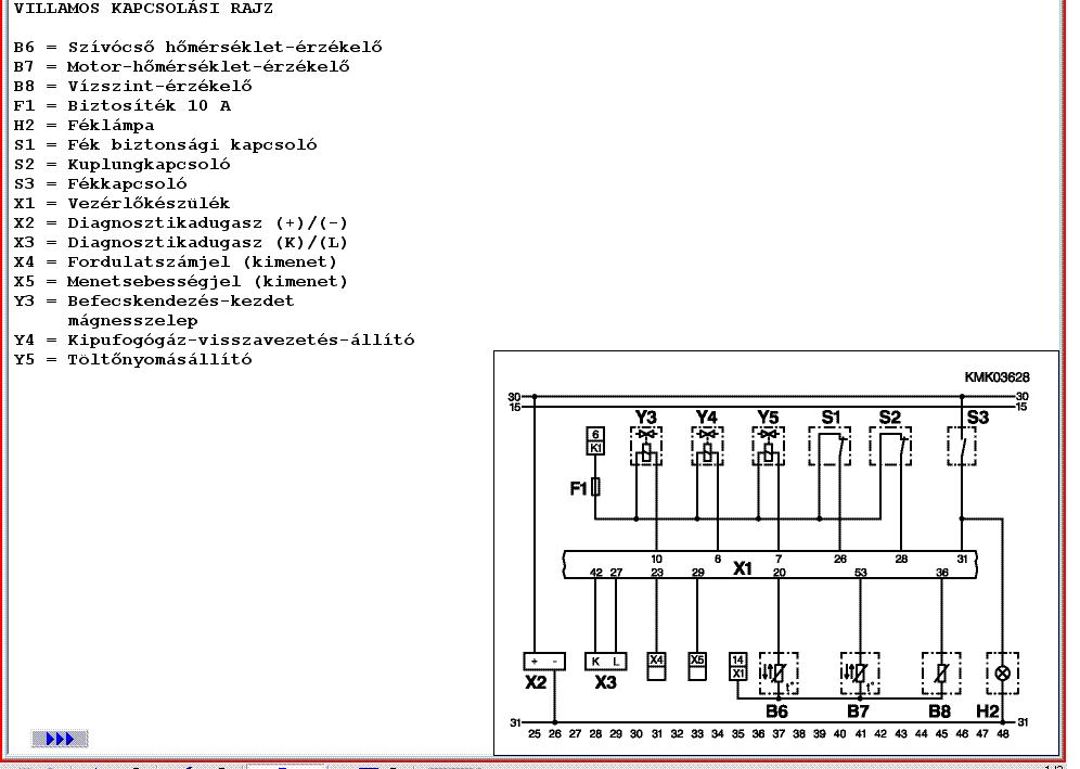
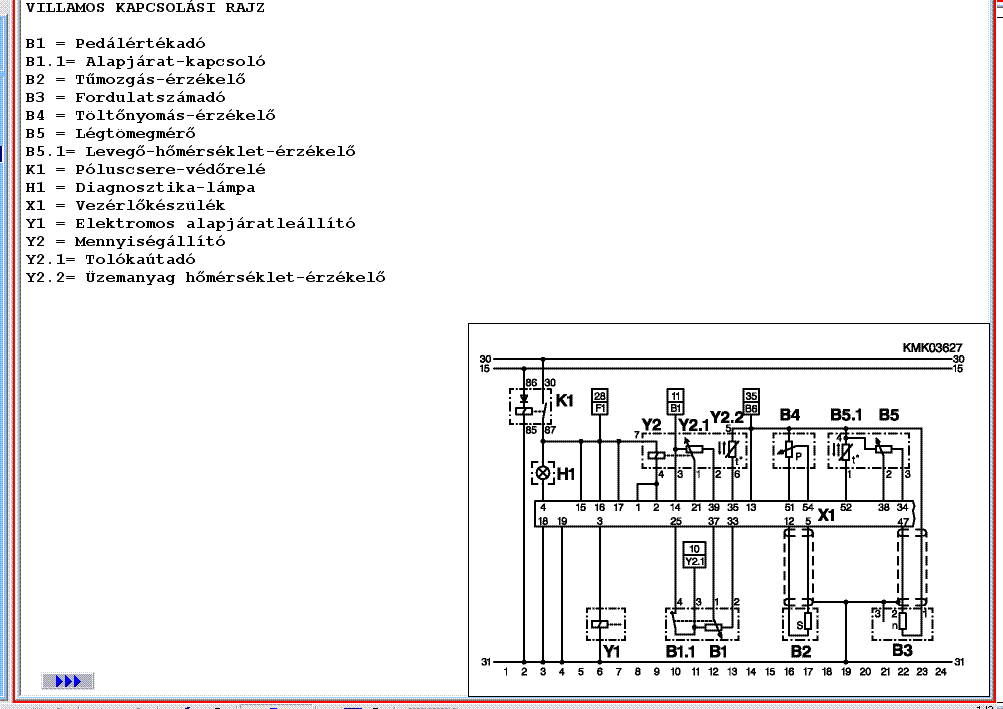
Lenne egy kérdésem! Audi 80-ba építünk át Passat vezérlőelektronikát kábelköteggel együtt és a légtömegmérő, illetve az elektromos gáz pedál csatija nem egyezik! Nem tudjátok véletlenül, hogy a vezetékek színe szerint át lehet-e kötni, avagy kell vennem hozzá pedált és légtömegmérőt? Ha csak az egyik stimmel, már boldog leszek!!! A gáz pedál csak egy barna (test) kábelben különbözik, a légtömegmérő viszont teljesen ugyanaz, csak a csati formája más. Még annyit, hogy az Audi nem ABS-es a vezérlő viszont igen. De a kábelkötegen nem találtam hozzá csatit. Akkor gondolom nem. Ja és még az immo. Ha jól gondolom (mivel nincs meg hozzá semmi!) egy relét húz be, de az sincs meg. Vagy a főrelének adna vezérlő jelet? Ha valaki tud segítsen már legyen szíves, mert ezzel járok/járnék dolgozni és így hogy le van bontva az egész autó elég nehéz! Üdv Jani
Üdv!
Motortérfogat,valamint teljesitmény egyezik-e?Ha ez nem stimmel ne is fogjatok hozzá.Ha ugyanaz akkor légyszi több adatot,mint:évjárat,motorkód.
Igen az lemaradt! Audi 80 1.9 TDI 92év eleji, 1Z motor, a Passat ugyanez, csak 94-es B5-ös. Sajnos azt nem tudom, hogy a malac vagy nem. Az előző autó (amiben volt az ECU és a kábel, az 94-es Audi 80 Avant) az adagoló Golf 3, ez csak érdekesség. Amúgy az adagoló körcsatisra van átmókolva! Az eredeti kocka volt! De működött. Nem semmi!
Helló! Én is szeretem a nagy fákat, de amibe te fogtál az igen komoly. Nem csak a vezetékkel lehet gond. Pl audi gázpedálja más tartományban mozog mint a passat vezérlőegysége. Nézek majd én is neked rajzokat, csak erről a kettőről kell?
Azért mertem belefogni, mert egy másik 80-as Audiban ez már működött és gondoltam nincs olyan nagy különbség a két Audi közt! De van... Rajzok nekem is vannak csak nem tudom őket igazából értelmezni. Teszek fel egy pár képet hátha az segít.
A Passatról. Még azt a K-vezeték, illetve Kickdown kábelek mire valók?
A legszebb, amikor egy ilyen mókolt autóhoz kell alkatrész, bemondják a forgalmiból az adatokat...aztán néznek, hogy nem jó, ebben másmilyen van, a következő sem, semmi nem jó hozzá...1 hét múlva beköpik, hogy ez át van alakítva...akkor mondjátok meg, hogy mihez mi kell, és minta!
Volt egy konkrét, amikor egy kombihoz kellett hátsó ajtóteleszkóp...megjön, nem jó, a mienk hosszabb...???...mondják a méretet, olyat nem hoz a program ehhez az autóhoz...bejönnek, behozzák a mintát...fekete nagy autó.... ...halottszállító, banyek, ami a temetésen az utolsó úton viszi az elhunytat... Persze ezek verziók nincsenek semelyik programban...Üdv Inhouse
Üdv.
Az a gond, hogy az én Audim 92 év eleji és akkor volt valami váltás náluk és ritka mint a fehér holló hozzá az alkatrész! Az adagoló fejrésze magában kerül 158 eHuf + áfa és utángyártott! Ezért kezdtünk bele ebbe a "nagy átalakításba". A probléma adott, meg kell oldani.
A Gázpedál érzékelőt nem lehet átbuherálni. Audi 4 vezetékes, míg a passat 6. Nézd meg az audiét, ha szerencséd van abban is ott van a 6 tüske, csak nincs bekötve! Légtömegmérőt holnap megpróbálom kisakkozni.
Ha így nézed persze horror az adagoló fejrésze, node 45.000-ért meg kapsz egy teljesen elújított komplett adagolót, amire van 1 év gari, és elmegy jópár évet. (Formex Bt.)
Sziasztok!
Most akarok tempomatot építeni az autóba és valami olyasmit szeretnék még beletenni, hogy kb 100-200-300-400-500 és 1000 m-es beállításoknál automatikusan kikapcsoljon a tempomat. Egy egyszerű parkolóradart fel tudok turbózni úgy hogy ilyen távolságokra is lásson? ill, hogy ne kapcsoljon ki akkor is ha mellettem megy el egy autó, hanem csak akkor ha előttem van.
Szia, az egyszerű tolatóradart biztosan nem tudod ilyen távra használni, max. egy jobb lézeres távolságmérővel, de több 100 méterre???
Erre a parkolóradar nem alkalmas. Semmi módon nem tudod 10-20méternél nagyobb távolság észlelésére bírni. Mi olyan autómárkát javítunk, amelyikben előfordul ilyen berendezés, abban a távolság figyelő radar egy körülbelül 15x5cm-es mozgó antenna egy dobozban.
Erre a célra mikrohullámú radarokat használnak, ami együtt működik az autó vezérlésével. Fura érzés amikor autópályán kielőz eléd egy lassabb jármű.
sziasztok
Nekem egy opel astra f 1.6 8v autom van és olyan problémám van hogy ráadom a gyujtást és el kezd zizegni az inditágátlo jeladó az anyosülésnél. Okos ötleteket türelmessen várom
Hali. Megnéztem és a Passat 6 érintkezős de csak 5 van bekötve, ráadásul csak egy barna (test) kábelben különbözik, amit az Audi a felfogatási ponton keresztül kapja. Színek szerint viszont ugyanaz. A rajzokat amiket mellékeltem, azokon is jól látszik, csak a kapcs. rajz szerint különbözik egy kicsit. Megnéztem a pedált és azon viszont 5 kivezetés van, ráadásul tök úgy néz ki, mint a passat-é. Megnézem még az Esi-ben mit ír, ha hibás. Így ki lehet méregetni az ellenállásokat, ha jó, akkor egy próbát megér.
Szia.
Az a gond, hogy az enyém még a potméteres fedéllel rendelkezik és olyan nincs nekik, sőt senkinek. Ezért lett elegem ebből a motorból, hogy nem lehet hozzá kapni semmilyen alkatrészt. Így lesz egy hibridem és csak nem felejtem el a boltba, hogy mit kell hozzá venni. Hidd el, megkérdeztem mindenkit aki ezzel foglalkozik és mindenhol azt a választ kaptam, hogy jobban járok ha lecserélem. Az adagolósok is azt mondták, hogy ez a fajta adagoló jóban már nem igen van. Az hogy ilyen formában teszem, az pedig a pénztárcám szabályozza. Tehát amit ajánlottál volna az is jó, de akkor is kell Ecu-t cserélnem,stb,stb... Ez pedig "kéznél" volt és ezért esett rá a választás.
Üdv.
Elgondolkoztam azon amit mondtatok és most azon agyalok, hogy elfelejtem a Passat vezérlőt és kábelt, de akkor helyette kéne keríteni valami mást. Az adagolóm már megvan és ehhez kellene olyan vezérlő ami nem Abs-es, nincs immo, és jó az én régi 92-es Audimba. Akkor nem kellene pedál, légtömegmérő, stb... Ráadásul maradna a "régi" konstrukció, csak a vezérlés cserélődne. Gondoltam első körben az Avantokra, illetve sedan-ra, csak az a baj hogy az autós progik nem különböztetik meg a Abs-es és nem Abs-es vezérlőket. Tehát Hdk-s adagolóhoz, Abs, immo mentes vezérlőt keresnék 92-93 évjárat körül kábellel. Ha ebben tudna valaki segíteni... Azt megköszönném.
Sajnos még ennél is nagyobb kavar van néha, olyan érzés, mintha a nagy autógyárak állandóan kísérleteznének és alig valami különbséggel inkompatibilis cuccokkal oldanák meg ugyanazt, adott autón és típuson belül, akár hónapokon belül is...kész káosz. Bár lehet, hogy kiseprik a raktárakat és ami van, azt építik be, de tényleg olyan kitolás érzése van az embernek, hogy csakazértis ne legyen egyszerű javítani...
Egyébként minden tiszteletem az elszántságodért, és nem esélytelen a dolog, de nem lesz egyszerű... Üdv Inhouse
Köszönöm! Ez jól esett! Tudom, hogy nem esélytelen, csak meg kell találnom a megfelelő alkatrészeket és akkor reményeim szerint működni fog a dolog. Annyi ilyen tuningos oldalt nézegettem már, hogy csak ámulok mit meg nem tesznek az emberek egy kis plusz lóerőért. Nekem elég lenne a 90 is, csak járnék már ott.
Beszéltem egy két "hozzáértő" emberrel és ők is azt mondták, hogy meg lehet, illetve kell oldani ezt a gyár által elszúrt hibát. Nem is sokáig gyártották ezt a fajta adagolót, mert szerintem rájöttek, hogy nem vált be és egyből újítottak is. Remélem valaki hozzáértő csak el olvassa és tud ebben segíteni. Az a baj, hogy hiába van több autós programom, ha nem tudom mit kell nézni, illetve hol.
Sziasztok!
2005 ös Citroen C4-esemben akkumulátort kell cserélnem. A Bosch katalógus egy 44 Ah 470 A es akkut javasolt 0092S40020 (ilyen volt az eredeti aksi is, ami mostanáig jó volt, azaz 6 évig...pedig inkább városban használtam, igaz 50 ezer km ig csak) A szaküzletben azonban egy erősebb, 52 Ah 520 A-es aksit is figyelmembe ajánlottak: 0092S50010 a furcsa csak az hogy először a telefonban, mikor érdeklődtem, azt mondták, hogy a generátor úgyis csak a kisebb aksi töltésére képes eleve, ill. hogy a nagyobb erejű aksi bajt is okozhat, de az üzletben már erről nem esett szó- lehet h a gyengébb is jó lenne de a drágábbat akarják eladni? Mindkét aksi egyforma méretű- tehát a méret nem gond. Kérdéseim: 1.A gyári generátor tényleg nem tölti fel a nagyopbb aksikat? 2. Erősebb aksi tönkre teheti-e az elektronikát az autóban? Köszönettel várom a véleményetek
Semmi problémát nem okoz az autónak a nagyobb aksi. A generátor feltölti és az elektronikában sem fog kárt tenni. Ha keveset használod, még jól is jöhet az a kis tartalék kapacitás. Hosszabb állás után biztosabban indul.
Köszi szépen! A beépitett generátoroknak tehát mindegy, mekkora aksit tölt?
Vagy ez függhet attól, milyen sokat "gurul" az autó? Azért kérdem, mert én általában csak rövid utakat teszek meg, de azt is sokszor dugóban, döcögve, lassan, alacsony fokozatban. Amugy érdemes a generátort hosszú távoln szintén cserélni valamikor?
Ha nagyobb az akku, akkor az annyit jelent, hogy lassabban fogja a generátor teljesen feltölteni. Viszont a nagyobb kapacitás miatt lassabban is merül le, tehát több ideig fogja bírni szusszal, mint a kisebb.
Ha nem mész csak döcögősen, akkor teljesen mindegy mennyivel van nagyobb generátor, az úgysem tölt többet. Ha hosszabb távon mennél, csak akkor lenne jelentősebb, bár akkor meg lenne idő a töltésre.
A generátornak teljesen mindegy hogy 44 vagy 52Ah-s akkut tölt, a pénztárcádnak nem lesz mindegy mert a nagyobb akku drágább is. Egy olyan motornak ami teljesen rendben van nem kell 44Ah-nál nagyobb akksi még télen sem. Ezt az is bizonyítja hogy a legtöbb 1.4-es autót 36Ah-s akkuval adják (+spórolnak) és elmegy vele 4-5 éves koráig. A generátort miért kéne cserélni?
Ha a pénzből sok felesleged van inkább add a rászorulóknak. |
Bejelentkezés
Hirdetés |










...halottszállító, banyek, ami a temetésen az utolsó úton viszi az elhunytat...
Hidd el, megkérdeztem mindenkit aki ezzel foglalkozik és mindenhol azt a választ kaptam, hogy jobban járok ha lecserélem. Az adagolósok is azt mondták, hogy ez a fajta adagoló jóban már nem igen van. Az hogy ilyen formában teszem, az pedig a pénztárcám szabályozza. Tehát amit ajánlottál volna az is jó, de akkor is kell Ecu-t cserélnem,stb,stb... Ez pedig "kéznél" volt és ezért esett rá a választás.
Ha a pénzből sok felesleged van inkább add a rászorulóknak. 