Fórum témák

» Több friss téma
Fórum » Inverteres hegesztőtrafó
 
Témaindító: Gabi, idő: Aug 12, 2005
Lapozás: OK   221 / 565
(#) Tubi56 válasza erdgab hozzászólására (») Aug 22, 2011 /
 
Mondtam, hogy hasonlítunk egymásra még ebben is!
Én el sem mondom mim ment tönkre vagy inkább mim maradt! Részvétem Gábor!
(#) Temela válasza mpisti hozzászólására (») Aug 22, 2011 /
 
A fojtó kérdés érdekes...

Korábban írtam a STRAUS gép esetét - szerintem semmi logikus válasz nincs annak kapcsán. Mint írtam tökre megegyezik a gép Phile80 által feltett TIG200 rajzzal és a kisebb starusban nincs fojtó és csak az alkatrész kevesebb (ugyanabba nyákba nincs minden beforrasztva), - na ilyenkor jut eszembe az igazi orosz technológia a csoróság meg a találékonyság időnként meghazudtolják az addig felállítot szakmai szabályokat úgy működnek néha dolgok, ahony nem volna szabad-
A fojtó a strausban ferritgyűrűn néhány menet aránylag vékony drótból.

Régebben kérdeztem, hogy a MACI lehetne-e táp egy másik gépnek (TIG projekt)- igen! - Hiszen a samopol orosz oldalon lévő kombigép pont így megy, nemde? - ehhez érdeklődtem az AC szaggató(végfok) vezérlés iránt.

SAJÁLOM ÉN IS A BEÁZOTTAKAT! Hátha lesznek még szebb időszakaik is! :no:

S7000656.jpg
    
(#) dara válasza Tubi56 hozzászólására (») Aug 22, 2011 /
 
Szia Tubi.Ha bárminemű elektronikai dologban tudok segíteni,akár erös áram?
(#) Wegg válasza mpisti hozzászólására (») Aug 22, 2011 /
 
Valamikor felraktam ide a fórumra a Gysmi-130 nak a rajzát . De a valóságban sincs a panelon csak az oszci trafó és a főtrafó .Egy orosz oldalon találtam meg .
Tehát semmi fojtó.
(#) Wegg válasza mpisti hozzászólására (») Aug 22, 2011 /
 
Vissza lapoztam és itt található a válasz .#927875
p_istván barátunk jóvoltából .Feb 21, 2011 én íródott.
(#) mpisti válasza Wegg hozzászólására (») Aug 22, 2011 /
 
Köszönöm hogy megkerested. De ettől függetlenül én kissé szkeptikus vagyok a kábel induktivitásával kapcsolatosan. Mert képzeld csak el kiegyenesítve majd feltekerve. Jelentős a különbség. Én úgy gondolom, a trükk valahol másutt van.
(#) kralikandras hozzászólása Aug 23, 2011 /
 
Erdgab,Tubi! Együttérzek veletek.A Dunakanyarból mit tudnék segíteni?Szóljatok nyugodtan!(mindent ki a napra 4-5 nap kiszáradnak a berendezések a műhelyeket nagy ventillátoral száritsátok-jóidőt igérnek)Ne csüggedjetek !
(#) kovacs.zotya hozzászólása Aug 23, 2011 /
 
Tegnap csináltam egy ilyen FET tesztert.
Használta már valamelyikőtök ezt a kapcsolást?
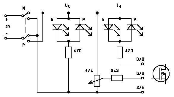
(#) Ge Lee válasza kovacs.zotya hozzászólására (») Aug 23, 2011 /
 
Ezt használom, szerintem jobb. A kapcsolóval ki tudod válsztani hogy P vagy N csatornásat akarsz vizsgálni amit jelez is egy LED, a potit tekerve pedig a másik LED fényén látod hogy hol nyit ill. zár. Ha teszel rá egy műszert még a nyitófeszültséget is tudod mérni ha esetleg válogatni akarod őket.

fetmeter.jpg
    
(#) erdgab válasza Tubi56 hozzászólására (») Aug 23, 2011 /
 
Részvétem Barátom,ha tudok valamiben segíteni szólj.
Venni fogok egy lottót s talán nyerek is s Te majd követni fogsz,mert mi valóban rokonlelkek vagyunk,szinte ikrek,mert ha valahol beüt a ménykő az a másiknál is megtörténik.
(#) erdgab hozzászólása Aug 23, 2011 /
 
Minden Tisztelt fórumtársnak írnám!
Sikerült kiszárítanom szinte mindent,a Maci is megmenekült.Egyetlen gagyi 1000 forintos műszerem pusztult el (IC cserével javítható) ,nem is tekintem igazán kárnak.Nagyon jó érzéssel tölt el,hogy itt mindenkire számíthatok baj esetén, Tisztelettel köszönöm néktek.
(#) Tubi56 hozzászólása Aug 23, 2011 /
 
Én is köszönöm mindenkinek a segítő szándékát! Takarítás van az értékeimet, ami asztal felett volt azokkal nincs baj fel vittem a lakásba! Az asztal alattiakkal majd meglátom mi lesz. egyenlőre az a baj, hogy borzasztó nagy a pára a műhelyemben ezért mindent próbálok menteni aminek árthat a vízpára!
Még egyszer köszi srácok, baromi rendesek vagytok!
Bocs az off-ért
(#) Tubi56 válasza erdgab hozzászólására (») Aug 23, 2011 /
 
Neked nem is tudom mit mondjak! Tényleg úgy van, ahogy mondod! Vigyázz magadra nagyon, mert különben nekem is bajom lesz!
Úgy néz ki, hogy a CO gépemnek annyi meg a lézer nyomtatómnak 10cm sár van bennük!
(#) mpisti válasza Tubi56 hozzászólására (») Aug 23, 2011 /
 
Azzal Co-val nem lesz baj. Kiviszed a kerti csaphoz és kimosod vízzel az egészet. Az előtolót szétszeded, és úgy szárítod ki. Az egészet kint hagyod a tűző napon, fél nap alatt simán kiszárad. A trafónak lehet hogy kell egy nap hogy kiszáradjon,de ha mosás után segítesz neki egy kicsit sűrített levegővel,akkor gyorsabban megszárad. Volt olyan Co gép, amelyiknek a trafóját nagynyomású mosóval takarítottam ki,olyannyira volt retkes. Persze a papír és a selyem szigetelésű huzallal vigyázni kell, azt nem lehet gőzborotválni. Hát, a nyomtatónál az imént vázolt módszer nem valószínű hogy beválik.
(#) Tubi56 válasza mpisti hozzászólására (») Aug 23, 2011 /
 
Kösz a tippet, megpróbálom kiszárítani mosás után a trafót( selyem szigetelésű)!
Különben át szeretném alakítani inverteresre( kisebb doboz, könnyebb) Froniussal már próbáltam korábban és nagyon jól működött. Csak feszültséggenerátoros áramkör kéne hozzá! Azt hiszem a CO hoz az kellene!
(#) dobo válasza Tubi56 hozzászólására (») Aug 23, 2011 /
 
Hagyd kiszáradni a hegesztőt vedd le az oldalát és száritsd ki aztán ecsettel seperd le a rászáradt sarat.
Feltételezem hogy csak egy vékony réteg saras víz maradt az incidens után.
Száradás és leseprés után én még pár nap napon szárítás után beengedném egy híg lakkal az esetleges sármaradványok rögzítése miatt.
Ugyanis ha elkezd a huzal rezegni valahol akkor a sárszemcsék könnyen kidörzsölik a szigeteléseket.

Ha ez nem segít akkor még mindig ott van a vizes mosás mint lehetőség csak a szárítás macerás mert a selyem igen jó vízfelszívó képességű.
(#) mpisti válasza Tubi56 hozzászólására (») Aug 23, 2011 /
 
Ha a gép gyári,akkor a selyem lakkal van itatva. Ha nem régi,akkor talán nincs megrepedezve a lakkozás. Ha megrepedezett már,akkor csak tömlővel szabad mosni, nagynyomású mosóval nem. A lényeg a sár fellazítása és kimosása, tehát ne félj a víztől. A kiszárítást pedig nyugodtan bízd a napra. Ha az elázott villanymotorok kiszáríthatók, akkor a trafók is. A lényeg,hogy a napon minél jobban tudjon felhevülni. Annál gyorsabban fog a víz eltávozni belőle. A Co-hoz valóban feszültséggenerátoros üzemmód dukál,de van aki sima MMA hegesztőből épített Co-t. Azt mondja jól működik. Bár nekem kétségeim vannak, de vannak még csodák. Éppen most fogok javítani egy inverteres Co hegesztőt, a szabályzókártyát elnézve nem sokban hasonlít a klasszikus MMA inverterhez. De javítás után talán több információm lesz erről a technológiáról is, akkor majd megosztom veletek.
(#) Tubi56 válasza mpisti hozzászólására (») Aug 24, 2011 /
 
Kösz az infót! Én is erre gondoltam! A CO-t magam építettem már ezerkilencszázigenrégen. Én próbáltam a mi általunk épített inverterrel is a co-t, de a jelenség az volt, hogy felizzította a huzalt nem olvasztotta le.
kellene valamilyen feszültséggenerátoros kapcsolás ehhez. Ha tudsz majd valamit írd meg!

A gépet kimostam nem is nagyon látszik rajta, hogy árvízkárosult lett. Mindent vissza szereltem bele! Ha majd kiszáradt és kipróbáltam, hogy jó-e utána befújom lakkal.
(#) Tubi56 válasza dobo hozzászólására (») Aug 24, 2011 /
 
Köszi a tippet! Már rajta vagyok!
(#) Phile80 válasza Tubi56 hozzászólására (») Aug 24, 2011 /
 
Én egy kínai 140A-es invertert kötöttem rá és tökéletesen működik vele, gyönyörűen hegeszt!!! A co gépek munkapontja 14+0,04×I, na ettől kb 0,5 V-al volt több az ívfeszültség, de ez nem jelentett problémát.
(#) Ricsi89 válasza Temela hozzászólására (») Aug 24, 2011 /
 
Ha érdekel, akkor találtam egy rajzot, állítható freki és kitöltési tényező. A DC-AC konverter elé be is építhető. Bővebben: Link
(#) Cavalier válasza Tubi56 hozzászólására (») Aug 25, 2011 /
 
Küldök egyet, ami az időközben megszűnt ruszki oldalon volt, nem tudom, ismered-e?
Sprint layout, sPlan nézőke kell hozzá.
Bár, ha az MMA funkció nem kell, egyszerűbben is megoldható lenne gondolom.

mma-mig.zip
    
(#) mpisti válasza Cavalier hozzászólására (») Aug 25, 2011 /
 
Köszönöm a rajzokat a többiek nevében is. A kapcsolási rajzon valamilyen számomra ismeretlen írásjelek vannak betűk helyett. Ha cirill betűk lennének,azt még el tudom olvasni,de ezeket sajnos nem. A te számítógépeden is így jelenik meg?
(#) Cavalier válasza mpisti hozzászólására (») Aug 25, 2011 /
 
Csatolom PDF-ben is, pár felirat nálam is krix-krax. Sajna az eredeti oldal nincs meg, ott még volt egy csomó infó ha jól emlékszem az építésről is, szkóp képek, stb.
(#) mpisti válasza Cavalier hozzászólására (») Aug 25, 2011 /
 
Köszi.
Az ember ilyenkor jön rá,hogy néha jobb lenne a kapcsolási rajz helyett az egész oldal tartalmát lementeni, mert nem biztos hogy a következő nap is megtalálható lesz az információ.
(#) Tubi56 válasza Cavalier hozzászólására (») Aug 25, 2011 /
 
Köszi szépen a többiek nevében is! Nem ismertem ezt! Remélem kitudjuk hámozni belőle a lényeget!
Ezt egy CO val foglalkozó orosz oldalon találtad?
(#) Temela válasza Cavalier hozzászólására (») Aug 25, 2011 /
 
Üdv!
Ez a rajz már meg jelent e fórumon, de nem ilyen jó minőségben! Köszi!
(#) Temela hozzászólása Aug 25, 2011 /
 
Csak néhány apró kérdés a fenti géppel:
-gázvezérlés,
(- a két hegesztési mód között nincs fesz külmbség?, azonos főtrafó)
- MIG üzemben mi kapcsolja be a tápfeszt(310V)?
- .... amúgy MACI...
- ... szerintem a fórum nagyjai ( ) simán feltudnák spékelni a MACI-t mindenféle gépnek - tetszene...
(#) mpisti válasza Temela hozzászólására (») Aug 26, 2011 /
 
Az összes multi gépben ugyan az a főtrafó és a meghajtó minden funkcióhoz. Csak a szabályzás más és más funkciónként. Mit ahogy a Cavalier által feltett gépnél is.
Egyébként az általad felvetett kérdések jogosak. Az is lehet hogy a kérdéseidre a válasz a leírásban volt. Az viszont nincs meg.
(#) Ge Lee válasza Temela hozzászólására (») Aug 26, 2011 /
 
Ezekkel az egyszerű vezérlőkkel is lehet az áramszabályozás mellett feszültséget is szabályozni (gondolom ezt kapcsolják be olyankor pluszban csökkentve a kimenet feszültségét). Ezt már egyébként ki akartam próbálni az enyémen is, az UCC-vel ez nagyon egyszerű legalábbis az adatlapja szerint. MIG üzemben pedig gondolom nem a tápfeszt kapcsolgatják csak a vezérlést állítják le és indítják újra.
Következő: »»   221 / 565
Bejelentkezés

Belépés

Hirdetés
XDT.hu
Az oldalon sütiket használunk a helyes működéshez. Bővebb információt az adatvédelmi szabályzatban olvashatsz. Megértettem