Fórum témák
» Több friss téma |
Fórum » PC táp átalakítás
A cikkek között fellelhető "AT-s pc táp átalakítása..." c. irományban találtam analóg áramszabályozásra példát:
http://www.hobbielektronika.hu/cikkek/at-s_pc_tap_atalakitasa_szimm...l?pg=4 Hogyan kell ezt bekötni pontosan? Van két leírás is egymás után, de zavaros... "A söntöt fixen beforrasztjuk az AT táp GND-jéhez." Szimmetrikus kimeneti feszültségek esetén ez a +/- közötti GND? Hogyan lehetne megvalósítani analóg módon a negatív ág áramszabályozását?
Nem mert itt kb. 50KHz van, a trafónál meg 50Hz...
Ha azt szeretnéd hogy a szimmetrikus kimenet mindkét ágának áramát figyeld és szabályozhasd, az ugye nem fog menni. Azért nem mert a szabályozó kör a primer oldalon szabályoz, azaz nem tudsz olyat csinálni hogy a + és a - ágra más áramhatárt állítasz be. Ez egy féle képpen működik, ha a két szekunder ágra külön teszel egy-egy analóg vagy kapcsolóüzemű szabályozót.
A cikk azért zavaros, mert ott sincs ez megoldva. A szerző feltételezi hogy mindkét ágban azonos áram fog folyni (pl. végfok). Ami igaz is egészen addig amig jó a végfok. De mi van ha a táp kimenete elbillen (pl. a végfok egyik tranyója zárlatos lesz és mondjuk a + ágban szinte nincs is terhelés vagy csak néhány mA, a - ágban pedig zárlat van vagy fordítva)?
Üdv!
Elolvastam 11. oldalig ezt a témát. Nagyon kis morzsákat tudtam csak összeszedni ezért lenne egy pár kérdésem: Kell vagy nem TL494 3 as lábáról földre kötni azt a kondit? A greatz és a trafó közé akkor kis vagy nagy értékű pufferkondi kell? A mellékelt képek végleges átalakítást mutatnak vagy mint írják kell e hozzá áttekerni a trafót? Azt tudom hogy 30 voltnál nem lesz nagyon stabil a táp de nekem nem is kell akkora fesz. Írtak még tranyó cseréről és egy beiktatott lm317 es kapcsolásról is. Ezekre az említett dolgokra szükség van? Az említett cikkben amiben Amarton alakítja át az lényegében a linkelt képeken látható módosításokat hajtja végre. Viszont akkor nem értem mi a helyzet az áram szabbal? Amarton opat használ míg a képeken simán osztóval van megoldva. Na egyenlőre ennyi.
Arra gondoltam én is, hogy egy lábra biztosan nem lehet csak úgy bekötni mindkét ág szabályzóját. Semmi sem tökéletes. Köszi!
Ez már nem a cikkben szerepelt, hanem itt az oldalon: "Ha a túláramvédelmet is ki akarod iktatni, megkeresed a kistrafót, amin van egy 1 menetes tekercs, majd ezt rövidre zárod." Itt van egy kép: http://www.hobbielektronika.hu/cikkek/files/293/at_tapegyseg_szamozott.jpg Ez a bizonyos kis trafó a 6-os számú lenne? Honnan tudom meg, hogy melyik tekercse 1 menetes, ha le van szigetelve sárga szalaggal?
Én azt tudom javasolni, hogy a cikkek között lévő leírás (Amarton) alapján indulj el.
1. TL494 4-es láb GND-re 2. 1-es lábon a feszültség osztó +5V-ról +12V-ra való kötése (+12V-os ágat figyeli majd és azt stabilizálja) (Itt megjegyezném, hogy találkoztam 2db táppal már, ami eleve a 12V-os ágat stabilizálta.) 3. Puffer kondik cseréje - 1.000-2.200µF elég, de 25V feszültségtűrése legyen a 12V-os ágba kerülőnek. Nézd át, ne maradjon 16V-os, mert elpukkan majd. 4. 1-es lábon a feszültség osztóval párhuzamosan 22k potméter (középső és valamelyik szélső láb). (A feszültség osztónak 1-2 ellenállása GND-re megy. Ezekkel párhuzamosan kell forrasztani.) 5. Ha a -12V-os ágat is terhelni szeretnéd, akkor diódák cseréje. Ehhez feltétlenül olvasd el a cikk ide vonatkozó részét! Ha van __339-es jelzésű ic is az áramkörben, akkor azt forraszd ki. Eltérések lehetnek, de nekem a leírtak 17-16 tápnál így működtek. (Szerintem a legegyszerűbb a JNC tápokat átalakítani. Könnyű hozzáférni minden alkatrészhez, átkötéseket is szépen meg lehet valósítani.) A negatív ágban lévő diódák cseréjére figyelj!
Üdv!
Ez egy codegen táp és nem találtam benne 339et. A cikket többször átolvastam. Köszönöm az összefoglaló leírást.
Szánj rá időt, olvasd inkább végig az egész topikot.
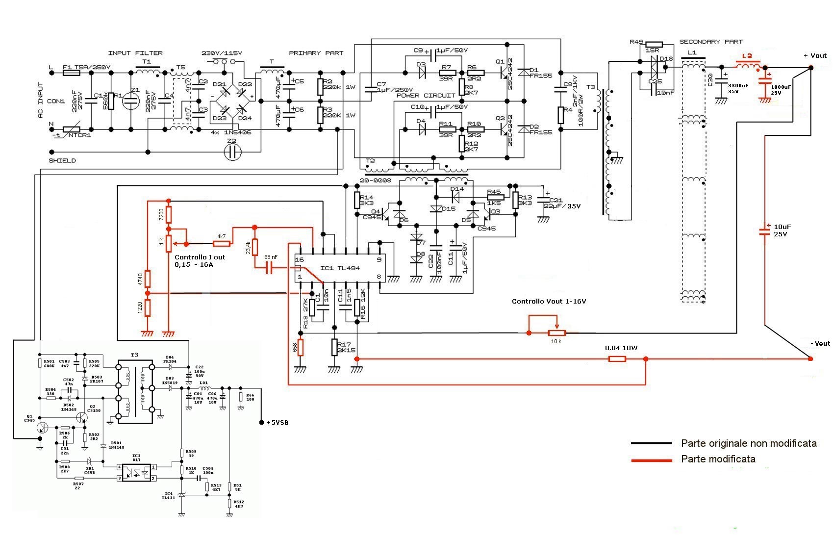
Kár hogy nincs erről az átalakításról egy átfogó cikk (részegységek működése stb.), egyből kevesebb kérdés lenne. Ha nagyon sok időm meg persze kedvem lesz majd írok egyet, de hát nem kis munka. Az az olasz vagy spanyol rajz amit csatoltál tökéletes. Ha 25V-nál nagyobb feszültség kell akkor aszerint építsd meg. Ha elég a 25V is, akkor aszerint amit csatolok. A kondi amiről írsz (3-as láb), nem kell. Nem tudom melyik pufferra gondolsz, a primer oldalra elég az ami benne van (330-470µF/200V) a szekunderre pedig bőven elég 1000uF, de a 470µF is, enyémben is az van. Semmilyen tranyót nem kell cserélni. Az LM317 a ventillátor miatt kellhet. Az ugye 12V-ról megy, ha viszont letekered a fesz potit mondjuk 2V-ra a ventillátor nem fog tudni a szekunder feszültségről menni. A ventillátor táplálásának 4 módja van: 1. Külön kis nyáktrafóról adsz neki 12V-ot 2. Rákötöd a Standby áramkörre ami a vezérlést is táplálja (ezt nem ajánlom mert ezek általában elég gyengék) 3. A kibontott apró diódákból (4148 is jó) csinálsz egy graetz-et, amit rákötsz a teljes szekunderre, így ezen ha teljesen felcsavarod a fesz potit lesz kb. 50V-od, ha teljesen lecsavarod akkor pedig kb. 2,5V, amit stabilizálsz a ventillátor számára. (Ennek a hátránya hogy csak akkor fog menni a ventillátor ha itt legalább 5V van vagyis legalább 2,5 vagy 5V a kimeneti feszültség attól függően hogy a 25 vagy az 50V-os átalakítást csináltad). 4. Simán a kimenet feszültségéről táplálod a ventillátort és abból stabilizálsz, a hátrány ugyanaz, 5V alatt nem fog elindulni. Az áram és a feszültség szabályozása is tökéletesen működik a csatolt rajz szerint, semmilyen plusz OPA beépítésére nincs szükség. Azt majdnem elfelejtettem hogy az alkatrész értékein módosítottam a szám íze szerint.
Nem. A szóban forgó trafó egy pici 8-10mm átmérőjű gyűrű szokott lenni. Ilyen a képen nincs és általában a tápok 80-90%-ban sincs.
Üdv!
Köszönöm a választ. Átolvasom az egész témát, szedegetek még ki információkat. Köszönöm válaszod.
Na akkor ha +-25v-ra tekerem át a trafót, akkor végül +- 36v kijön? (Az egyszerűbb tápknál egyenirányitás, pufferelés stb után a fesz novekszik gyök 2-vel itt nem úgy van? ) Találtam egy Tl494-es atx kapcsolást de az én trafóm 12v nál 372w teljesítményű összesen 480w. Bővebben: Link
A kérdés hogy hány menetet kell akkor tekerni? És a pufferkondikat 10.000µF 50 v ra kell cserélni? Egyébként a tápomnak van + és - kivezetése 12 v ra engem a szekunderen az 5 v nem zavar. A tápnak van 3,3v kimenete is.
Ha letekerem az összes szekundert és tekerek +-25v ot akkor végül a táp 480w os lessz ? vagy csak 372w ?
Nem. Itt nincs gyök kettő mert ez nem szinusz hanem négyszög jelet transzformál. A 25V-ra tekert trafó 25V-os egyent fog szolgáltatni legjobb esetben is, de mivel az IC nem tud 50% kitöltést ezért valamivel kevesebbet. Hogy mit írtak a tápodra az teljesen mindegy mert általában reklámadat (pl. ráírják hogy 12V-on 14A-t tud, közben a 12V-os ágon van egy 10A-es dióda
. Amit akarsz az végül is megoldható feszültségkétszerező egyenirányítással, ekkor nem kell áttekerni a trafót de nagyobb teljesítményre nem tudom mennyire lenne jó. Attól a trafó teljesítménye nem lesz nagyobb ha áttekered, az akkora amekkora. Az új tekercsé lehet nagyobb, ha nincs mellette másik ami a helyet foglalná. Az átvihető teljesítmény attól függ hogy mennyi (mekkora összkeresztmetszetű) huzal fél bele a trafóba. Ez javítható valamelyest azzal ha emeljük a táp működési frekvenciáját mert ekkor már arányosan kevesebb menetszám kell tehát lehet vastagabb a huzal.
Na akkor hány w os táp lesz? Én azt akarom hogy +-36v jöjjön ki . A tápba van egy LM339n és egy SDC 7500B. Én már autó ventilátort is tápláltam vele úgy hogy az 5 v -ot nem terheltem és ment. Azt nem tudom hogy mit kell átalakítani.
Akkor a trafót áttekercselem, és a pufferkondikat/ esetleg valami diódákat kell kicserélni ? De a trafót nennyi menetre és milyen vastagságó rézdróttal kell tekerni?
Valakinek ?ez nincs meg kiolvashatóbban ?
A szóban forgó trafó ugyanolyan, ~20*20*20-as szokott lenni, mint a vezérlőtrafó. (ferrit gyűrűmagosat még nem láttam) Leggyakrabban szabadon álló piros szigetelésű huzalból van rajta az 1 menet. Ha nem látható, mert zománchuzalból fűzték és leszigetelték, akkor is meg lehet találni. Az 1 menet mindig sorba van kötve a főtrafó primerjével.
Az előző hozzászólás rajzán pl. nincs külön trafó. A korlátozást a vezérlőtrafóra visszacsatolt áram végzi.
Néhányat visszalapozol (talán aug. 17.-ig) és megtalálod nagyobb felbontásban is. Nyomtasd ki ezt a rajzot, vedd magad elé és nézegesd. Ha már érteni fogod minden részegység működését akkor nem fogunk oldalakat teleírni kérdésekkel és válaszokkal.
Itt megtalálod RAR-ba tömörítve a jobb minőségű képet. Keresés: Bővebben: Link
Nekem máshonnan van meg, és érthető is, de ez a RAR-ban csodás.
Én is köszönöm.
Köszi szépen a kapcsolást.
Vegyél pl. 2 db ilyet és kösd párhuzamosan.
Oké, nagyából kész a módósítás, hogy állítható legyen a fesz. Kicseréltem a pufferkondikat, bekötöttem egy 15k-s lineális potmétert szabályzóként. Viszont 0,06 és 1k5- ös ellenálásokat még nem raktam bele. beforrasztottam vissza a hálózati csatlakozót és megmértem a kimenő feszt. A mérőműszer 1 v-ot mutatott miért van ez? A módositási rajzon látok valami olyasmit hogy egy tekercset el kel vágni a földtöl, de nemtudom melyik tekercset.
Beraktam az 1k5 ellenállást. Minél feljebb tekerem a fesz szabájzó potit annál zajosabb a táp. Ez normális? A tl 494 1-es lábáról a földbe vezető ellenállást az eredetit hagytam nem attól nincs fesz a kimeneten ?
Az 1-es lábon levő ellenállás értékét csökkenteni kell, a rajzon levő értékre.
Üdv!
Amarton cikkével kapcsolatban lennének ismét kérdéseim: A cikk 2. részében a fesz. szabályozásnál hogy érthető az hogy a negatív ágat ne terheljük? 50 K értékű az a potméter amit a 2es 14 es lábra és Gndre kötünk ha jól sejtem. Írja hogy 4 ampertől ne legyen nagyobb a biztosíték ez mért van így. A biztosítékot akkor hova is kell kötni, mert számomra nem egyértelmű és a cikk nem említi csak azt hogy kell. Ha jól értelmezem akkor a 22K s trimmerrel a maximum kimeneti feszt állítjuk be, az-az annál nagyobb fezs nem fog a kimenetre kerülni. A másik potival ami 50 K pedig a beállított fesz ig szabályzunk. |
Bejelentkezés
Hirdetés |





. 









