Fórum témák
» Több friss téma |
Fórum » LED-es kivezérlésjelzők
Témaindító: KeserűCukor, idő: Márc 27, 2006
Témakörök:
Sziasztok!
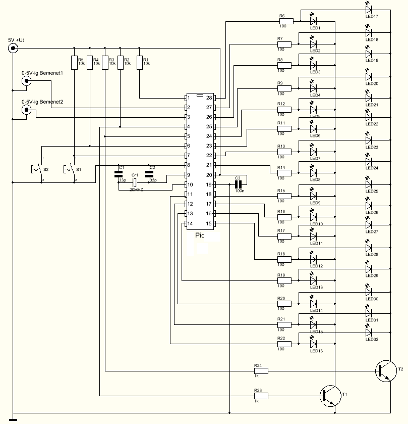
Remélem nem lesz baj belőle de egy kis összegzést csinálnék a kijelzőmhöz, hogy ne keljen keresgélni olyan sokat. Funkciói:6 üzemmód van. 1- vonal kijelzés 2- vonal kijelzés csúcsértékkel, 3-vonal kijelzés csúcsértékkel és visszaléptetéssel 4,5,6 ugyanezek pont kijelzéssel. Állítható logaritmus vagy lineáris kijelzés, állítható hogy mennyi ideig jelezze a csúcsértéket és azt is, hogy milyen gyors legyen a visszafutás, ha az van bekapcsolva. pic típus közkívánatra módosítva lett PIC16F873-ra a hex csatolva hozzá. kapcsolási rajz a kijelző részről mellékelve, 2 féle nyák verzió is mellékelve a 6-os smd alkatrészekkel, a 7-es smd nélküli a meghajtó panelen. a kijelző panelen hagytam az smd-t mivel oda egyszerű beforrasztani, de természetesen bárki átszerkesztheti a saját kedve szerint más led típusra és smd nélkülire is! előerősítő kapcsolási rajza és leírás róla megtekinthető itt. 1000 Köszönet simpi-nek és proli007-nek a rengeteg segítségért! És végül egy már más által elkészített működő darabról videó megtekinthető itt Köszi lajos1969!
Sziasztok: Kivezérlésjelzőt szeretnék késziteni, csúcsérték megtartót.Ha esetleg van ijen kapcsolási vagy nyákterv valakinek,nagyon megköszönném ha tudna küldeni.Üdv:Zsolt
Szia pont 1 hozzászólással előtted van amit keresel
Sziasztok! Én is szeretnék egy ilyen kivezérlésjelzőt építeni, csak nem tudom milyen alkatrészek kellenek hozzá. Linkeltem az általam választott VU métert, és nem tudom milyen tranzisztorok kellenek hozzá
Vannak s8550-es tranzisztoraim, azok jók lesznek-e? Esetleg valaki dobhatna egy msn címet is hátha még lesz kérdésem. Előre is köszönöm a válaszokat!
Heló! Nem lesz jó az a tranyó mert az PNP a kapcsolásban pedig NPN való. Egyszerű mezei npn tranyó elég ide
PL.:BC547 (nekem ez van benne és tökéletes) Nekem egyben van a ledsor és az áramkör is ha kell megkeresem.
Köszi az infót! Még nagyon kezdő vagyok elektronikában. Esetleg tudnál egy msn címet dobni?
Nagyon ritkán vagyok MSN-en. Én is kezdő vagyok, de ide írhatod amit nem tudsz és segítünk.
Akkor kérdezek pár dolgot
-Hova a legcélszerűbb ezt a szerkezetet bekötni? -Külön áramforrás kell a működéséhez?
monóba vagy sztereóba gondolkodsz?
Én az erősítőm után kötöttem( de amúgy nem tudom, hogy hova kell "hivatalosan") Igen elemről is mehet, vagy kis adapter a működéséhez.
Először egy monót szeretnék megépíteni. Tudnál pár képet linkelni a tiédről? Jó lenne látni közelről egy ilyet
Sajnos nincs a gépemen kép, de ha kell mindjárt előkeresem és lefotózom
Köszi
Hétfőn be is szerzem hozzá az alkatrészeket. Remélem sikerül összeraknom és nem csak pénzkidobás lesz. ![]() Még egy kérdés: Mit gondolsz az USB-ről való tápellátásról?
USB-ről nem lehet. 5V jön ki, ami nem is elég, mert ide azt hiszem minimum 12V-kell, meg amennyi áramot felvenne, annyit nem is bírna el. :yes:
Rázós lesz a megépítés... Esetleg egy alkatrészlistát tudnál dobni?
Á anyira nem lesz veszélyes
hát én csak ki szoktam nézni a kapcsolási rajzból
Köszönök mindent!
![]() Még egy kérdésem lenne: ennek a kapcsolási rajznak csak az utolsó részét kell megépítenem ugye? Vagy az egészet?
Ezt hogy érted? Mindet meg kell építeni csak úgy fog működni. nekem megvan 1 nyákon az egész.
Itt olvastam
Idézet: „ Ha megnézzük a nagyobbik képet láthatjuk, hogy 4 különböző részre lehet osztani a kapcsolást. Ballról jobbra haladva az első rész az egy erősítő rész. Ez erősíti fel a jelet nekünk megfelelőre. Mellette található Diódák kovácsolnak a hangfrekis jelből egyenáramot. A harmadik rész az ott található tranzisztor bázisát húzza a földre ha éppen nincs vezérlés ne lógjon a levegőbe. A 10 mikros kondi is oda tartozik ezt kisüti, hogy ha nincs jel, mert ha megtelik akkor az összes led világítana.” Szóval még egy erősítőt kell hogy építsek? :eek2: Szerk.: Mivel van erősítőm. Akkor az a rész kihagyható nem?
Nem ez már bele van építve a kapcsolásba. Bc547-es rész 4 ellenállásal.
Szóval akkor az egészet meg kell építeni. Értem. És összesen kb mennyibe kerülnek az alkatrészek? Mennyiből jött ki neked ez a kivezérlésjelző?
Azért jó lenne ha te is utána néznél dolgoknak.
Egy webárlistából kikeresheted az árakat, összeadni meg csak tudsz.
Jogos, de hátha tud fejből egy árat mondani
Már régen volt
kb5-600 de lehet hogy olcsóbban is kijössz attól függ hány ledet raksz bele és hogy hol veszed az alkatrészeket
Köszönök minden segítséget! Remélem innen már boldogulok!
Szivesen! Most küldte át haverom az alkatrészlistát.
csatolom. egy ezresből tuti nem fog kijönni. Maga a poti egy ezres. ![]() Szerk.: Ez is megteszi helyette? Idézet: ez csak 40 Ft „CA6H-STD 22K/25K Trimmer potenciométer - 6 mm-es”
Hol nézed?itt 1/3-aitt is 1/3 ár alatt kapsz vagy ha nem kell karositt.
Szerk.: igen az is megfelel ha nem akarod folyton állítgatni. |
Bejelentkezés
Hirdetés |





Vannak
PL.:



egy ezresből tuti nem fog kijönni. Maga a poti egy ezres. 




