Fórum témák
» Több friss téma |
sziasztok, megepitettem ezt a kis egyszeru kapcsolast, egy kis antennaval sikerult 70 m tisztan kihozni belole egy 9 voltos ellemel, azt szeretnem megtudni hogy mekkora feszultseget tudnek rakotni anelkul hogy elszalna. bc547 est hasznaltam. atolvastam a topikot rengeteg kapcsolas van amit nem szeretnek kiprobalni, tudna e valaki nekem ajanlani valami egyszerut es hasznalhatot. koszi
Sziasztok, az lenne a kerdesem hogy lehetne e ket radiofrekis tranyot parhuzamosan kotni, hogy nagyobb legyen a kimeno teljesitmeny egy fm kapcsolasban.
varom valaszotokat udv
Lehet. Ha egyforma típusúak. Az előző fokozatot jobban le fogja terhelni. pl.BFR91A -at jó eredménnyel használtam, egymásra forrasztva.
Nem nagyon szokás tranzisztorokat párhuzamosan kapcsolni, az RF technikában meg pláne nem. (tranzisztorok paramétereinek meglehetősen nagy a szórása) Nagyobb teljesítményű tranzisztort kell használni, és ehhez még elé egy leválasztó, és teljesítményerősítő fokozatot kell alkalmazni. A sok fokozat szelektív, és hangolást igényel. Ezzel meggyűlhet a bajod, és a kapcsolás sem lesz egyszerű.
Ez így igaz! Egyetértek az előttem szólóval.!
Sziasztok BC139 es tranyot lehetne e FM adoban hasznalni, a datashetben max 200 Mhz van megadva.
Varom valaszotokat
A BC182-es pl berezeg....
Nekem van egy par ilyen tranyom es azert gondoltam, hogy valyon menne e veleBC139
Persze, mindent lehet használni, talán. Vagy berezeg, vagy nem. Ezt a tranzisztort kb. 20 MHz -ig lehet használni eredményesen, de leginkább arra való, amire tervezték, hangfrekvenciás végfok meghajtónak, annak is viszonylag magas feszültségről. Aztán ha megépíted, jön a kérdések özöne, hogy mit csinálj vele, hogy működjön valahogy. Minden áramkörhöz az oda megfelelő alkatrészeket kell használni, mert különben az eredmény meglehetősen esetleges.
Ok koszonom
Használj 2n2368-t,és 2n3866,vagy BFW16-t.ezek kb.:1ghz-ig működőképesek.
Sziasztok!
Szerintetek az OIRT szabvány szerinti 66-73MHz-es sávot használják jelenleg Magyarországon, vagy az EU-ban bármire (pl. légiforgalmi irányítás, ILS stb...)? Mert Ukrajnában, és Oroszországban továbbra is használják a 87-108 MHz-es sáv mellett normál, kereskedelmi rádiós célokra, emiatt merült fel bennem, hogy vajon nálunk miért nem amikor a CCIR sáv már így is zsúfolt, ez pedig ott áll "üresen"? Adhatnának engedélyeket pl. kisebb, kisközösségi rádióknak ebben a sávban. Üdv: Laci
Ahhoz, hogy egy sávrészt más feladatra használjanak idő kell. Meg kell várni, míg mindenki (lakosság, gyártók) átáll az új helyre, és mikor már valójában "üres" a felszabadult sáv, (garantálható a zavarmentesség), akkor lehet az új felhasználásokra kijelölni. Ez azért nem kevés költséggel jár. Mivel ezek a kijelölések nemzetközi egyezményeken alapulnak, az átfutási idő elég hosszú, néhány év is beletelhet. Ha az történne amit gondolsz, soha nem lehetne a frekvenciákat újra rendezni. A digitális átállástól lehet várni újabb és újabb frekvenciák felszabadulását, mert azért beláthatod, hogy a mozgó szolgálatoknak nincs más lehetőségük, mint az alacsonyabb frekvenciák használata, az állandóhelyű szolgálatoknak (műsorszórás) meg mindegy.
Hogy melyik ország mikor hogyan áll át az is nemzetközi egyezményekben van szabályozva.
Tehát akkor azért került az EU-ban "kiürítésre" ez a sáv, mert a későbbiekben más célokra szeretnék használni, nem kereskedelmi rádiózásra amire eredetileg ki lett jelölve?
A digitális átállás véleményem szerint akkor jó, ha minél lassabban, vagy soha nem történne meg, mert attól kezdve nem lesz egy normális minőségben hallgatható rádióadó, mindenki spórolni fog, egyik sem fog 128kbit-es vagy annál jobb minőségben menni AAC+ -ban, hallgathatjuk majd a sz@rrá tömörített 32kbit-es "adókat". (Lásd az összes digitális TV szolgáltató példáját, még a nevesebb szolgáltatók is saját TP-eken igen rossz minőségben mennek, pl az MTV zenecsatorna létére az Astrán 192kbit-es hanggal, ami MP2-ben igen sovány...)
A tervek szerint 2012 re kell(ene) ezt a sávot kiüríteni.
Idézet: „H52 A 48,5–56,5 MHz és az 58–66 MHz sávokban földfelszíni analóg televízió-műsorszóró állomások üzemelnek várhatóan 2012-ig az 1985-ben és 2006-ban Genfben módosított 1961. évi Stockholmi Megállapodás alapján. A 48,5–66 MHz sávban új frekvenciakijelölés nem adható ki. H52A A 48,5–74,8 MHz és a 75,2–87,5 MHz sávok nem polgári célú állandóhelyű és mozgószolgálati alkalmazások részére előirányzottak.” A digitális átállás pedig nem ízlés dolga, hanem szükség, és önmagában nem korlátja a minőségnek. És nem csak az EU -ban, hanem az egész 1 -es körzetben, Európa, Közel kelet Ázsia, Ázsia északi része,(FÁK államok), Afrika
Köszi az idézetet, így már világos a dolog, ezt a sávot is elveszik a polgári célú felhasználástól...
A digitális átállás természetesen nem korlátja, DE egyértelmű, és biztos előidézője lesz a durva minőségromlásnak, egyik adó sem fog pl. 384Kbit-es MP2 tömörítéssel működni, hanem a szokásos idióta profitmaximalizáló felfogásuk alapján nagyon kicsi bitrátákon fognak menni, és akkor még nem is beszéltünk a megbízhatóságról, mert a legkisebb zavartól akadozni fog, mivel a hibajavítási eljárásokat is a minimumra csökkentik, annak érdekében, hogy minél több adót zsúfoljanak be egy multiplexbe. Ennél nagyobb hiba már csak az Egyesült Államokban bevezetett HD radio bevezetése lenne, amely a CCIR FM sávban működik, az analóg adások "mellett" erős zavarokat okozva, illetve technikai korlátai miatt igen gyenge (az analóg FM rádióadók minőségét bőven alulmúló, akármennyire is azt próbálják elhitetni, hogy jobb) minőségben. Ilyen problémákkal az analóg átvitel esetén nem kell számolni, mivel ott nem tudják a nagyobb haszon érdekében a minőséget feláldozni... A digitalizálás lényegében a rádiózás és a TV-zés halála... Még ha megfelelő minőségben mennének is adások, az eredeti varázsukat akkor is elvesztik, lásd a különbséget egy CD és egy igazi Vinyl LP között... Egyedüli szerencse, hogy a lakosság nem szeret pénzt áldozni a csili-vili digitális hulladékokra, így a legtöbb országban ahol bevezették a DAB-ot (vagy az HD radio-t), nagyon lassan fejlődik, vagy helyesebben haldoklik a rendszer. És a nemzetközi egyezmények, és az egyes országok szabályozásai is előírják, hogy a lakosság minimum hány százalékának kell rendelkezni digitális vételre alkalmas vevővel az analóg adók lekapcsolásához, mind a rádió, mind a TV adások esetében, ami remélhetőleg minél később teljesül. Én azt tartanám a legjobb, leg felhasználóbarátabb megoldásnak, ha még nagyon nagyon hosszú ideig párhuzamosan működne a két rendszer, és teljes leállításra az analóg sem kerülne sohasem, mint egy híradástechnika történeti emlékként néhány analóg adó működne továbbra is.
Sziasztok! Én a skori-féle fm adót szerteném megépíteni kis átalakítással, csak nem tudom, h. helyesen alakítottam-e át a kapcs. rajzot.
Ha valami hibát találtok benne, akkor szóljatok! Kösz! //Csatoltam az eredeti és az átalakított rajzot! ui.: Ha valaki tervezne nekem nyákot az átalakított kapcsrajzhoz azt nagyon megköszönném!!
Egy lényeges résznél abbahagytad az "átalakítást". A varikapra jön majd a moduláció is, és innen semmi. Nincs rajta sem a varikapot előfeszítő, (frekvencia) beállító feszültség, sem az arra jövő jel nagyságának beállítása (löket), sem amplitúdó, és sáv határolása, sem a premfázis. Szóval kellene a modulátor erősítő is. Így csak egy oszcillátor, ha meglenne a varikapot beállító stabil feszültség
Azért akartam átalakítani, mert nem mikrofont használnék jelforrásnak hanem egy MP3 lejátszót. Szerintetek többre mennék azzal hogy az MP3 lejátszó kimenetére kötök egy 10kohmos potit, és így kötöm a mikrofon helyére??
Mindenesetre, néhány alapvető feladatot ellát a skori modulátor erősítője, bár löket állítási lehetőség abban sincs. A jelforrásod, és a varikap közé kívánatos lenne egy korrekt modulátor erősítő készítése, még akkor is, ha különösebb erősítésre nincs is szükség.
A másik, hogy az eredeti áramkör mono kivitelű, az MP3 meg sztereo. Jobban járnál egy FM transmitter szerű áramkör megépítésével, pl. BA1404, ebben minden benne van, ami szükséges.
Ezzel a BA1404 IC-vel működő adó jele milyen messzire megy el? Köszi!
Ugyanannyira mint a skori féle változat.
Szia!
Igen,mit szeretnél kihozni az AET144 rádióból?145-174MHz között bármilyen frekire behangolható. Lajos.www.cbradios.5mp.eu
Hali! Egy ilyenem van: Bővebben: Link
Szeretném kicsit fejlesztgetni. A trimmerkondit kicseréltem egy másik típusra, amivel jobban lehet hangolni (csak a tekerője miatt), és felszereltem rá egy teleszkópos antennát a nagyobb hatótávolság reményében. A hangminőség nagyon jó, az eredeti 10K poti helyére beraktam egy 20K-sat, újabb típusút. A hatótávolságon szeretnék még javítani/kísérletezgetni vele. Lenne pár kérdésem: A teleszkópos antenna jobb mint a drótantenna? Befolyásolja a hatótávolságot? Érdemes kiönteni a tekercseket, attól kevésbé fog elhangolódni érintésre/mozgatásra? Sima gyertyaviasz is megfelelő? Ha a dobozt belülről bevonom valami árnyékoló anyaggal, az mit fog eredményezni? A rádió most több frekin is sugároz egyszerre, ezek megszűnnek tőle? Olvastam Skori oldalán, hogy úgy kell behangolni a rádiót, hogy mérjük a fogyasztást, és ott a jó, ahol a legkevesebb. Ez a hatótávolságot, vagy az adás minőségét befolyásolja? És mért pont a legkisebb fogyasztás a jó? Egy meglévő rádió teljesítményét hogyan lehet növelni? Újabb erősítőfokozatok beépítésével? Jó az új hozzászólás-író ablak, én most látom először.
Azon nem nagyon van mit fejleszteni, űgy jó ahogy van.
Antennakérdés: a teleszkóp antenna ugyanaz a kategória, mint a darab drót. A hossza meghatározza, hogy milyen frekvencián jó. Ha rövidebb, ha hosszabb, a sugárzás hatásfoka romlik. Azt tudni kell, hogy az antennában áram folyik, és ilyen szempontból a teleszkóp antenna a kontakthibái miatt nem a legjobb adóantenna. A tekercset mechanikailag is rögzíteni kell, az elhangolódás miatt, a gyertya viasz jó. Ha a rádió több frekvencián is sugároz, akkor nincs jól hangolva, ezen az árnyékolás nem segít. Az egész adó részt árnyékoló dobozba illenék szerelni, hogy a külső körülmények behatását meg lehessen szüntetni, ill csak az antennán keresztül sugározzon. Ez az árnyékolás egyébként az antenna része, a sugárzó dipól másik fele. Az adót úgy kell behangolni, hogy a fogyasztás minimum, a kimenő teljesítmény maximum legyen. Nem elég az egyik összetevőt figyelni. A rádió kimenőteljesítményét további erősítő fokozatokkal lehet növelni, de mindezt elimlnálhatod, ha az antenna rossz hatásfokú, és nincs hangolva. Egy 100 W -os adó akár 1 W -osnak is látszik, ha rossz az antennája.
pucuka hozzászólásával párhuzamosan még a következőket tudom hozzátenni:
Az antenna hossza valóban fontos kérdés. Állítsd be a frekvenciát oda, ahol használni szeretnéd az adót, és a frekvencia függvényében vágd méretre az antennádat, legalább pár mm-es pontossággal. A hatótáv növelésének legegyszerűbb módja az érzékenyebb vevő... Azt sem szabad elfelejteni, hogy az összeköttetés másik végén a vevő áll! Adó oldalon a tápfeszültség növelésével is lehet próbálkozni ésszerű határok között, valamelyest így is növelhető a kimenő teljesítmény. Egyébként ha lenne egy konkrét kapcsolási rajzod, az alapján lehet, hogy többet tudnánk mondani.
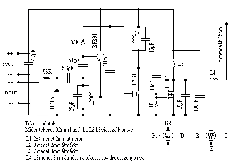
Köszönöm a válaszokat! Kapcsolási rajz: itt. (felül pdf) A tekercsek kiöntését holnap lehet hogy megcsinálom. A hangolással is próbálkozni fogok.
A teleszkópos antennánál nem tapasztaltam kontakthibát, de én is láttam már pár "lötyögős" darabot. Ha az antenna egy drótdarab, fontos, hogy merev legyen? Az átmérője is lényeges? Mindegy, hogy drót (tömör) vagy kábel (több szálból)? "az árnyékolás egyébként az antenna része, a sugárzó dipól másik fele" És ez ebben a kapcsolásban hol van? Mármint a dipól két része. |
Bejelentkezés
Hirdetés |





Ha valami hibát találtok benne, akkor szóljatok! Kösz!







