Fórum témák
» Több friss téma |
Fórum » Labortápegység készítése
Szia!
Proli007 tápja, vagy Pioneer tápja Alkotó nyákrajzával. A méréshez meg Alkotó 7107-es panelműszere. Keress rá a kereső segítségével, vagy olvass vissza kb. 1-2 oldalt és megtalálod, amit keresel...
Hello
Annak idején megépítettem az Alkotó Pioneer 1.7.1 tápot 3 példányban. Eljött az idő, egy kis ráncfelvarrásra. Terveztem hozzá egy előlapot a Front Designer 3.0 progival. Találtam újpesten egy nyomda szerűságet, ahol le beszéltem, hogy ki tudnak nyomtatni nekem ilyen méretű öntapadós fóliát, ráadásul rá laminálnak egy kopás álló réteget, olyat amit a padló reklámohoz is használnak védelemnek. Ezt 2500Ft+Áfa-ért meg csinálják. Bedobnék egy képet a tervemről. Véleményezzétek légyszi. Nem tudom eldönteni, hogy menjen-e így, vagy csináljak még vele valamit. Kössz
Szia!
Nem rossz! Az a fő, hogy a te számodra legyen megfelelő és tetszetős. Ha neked tetszik mehet. Én változtatnék rajta, de az én vagyok... Miért nem átlátszó plexire ragasztod fel a fehér öntapadós papírra tintasugaras nyomtatóval nyomtatott nyomatot, amit áttetsző öntapadós fóliával védsz meg a sérülés ellen... Húúúú, de szépen megaszondtam.... Mint a pockon pöckölő picike pockos pocok története...
Logikus, átlátható. Az angol szövegnek itt semmi keresnivalója szerintem.
Mit változtatnál rajta?
Azért nem nyomtatok, meg plexi, meg minden, mert nincs színes nyomtatóm, nem is akarok gányolni. Amit kitaláltam, az meg úgy fog kinézni, mintha gyárban készült volna.
Tudom erről már beszéltünk régebben is. Viszont sokkal rövidebbek az elnevezések így. Amúgy is a hivatalos műszaki nyelv az Angol. :yes:
Sziasztok!
Mi a véleményetek a következő kapcsolásról?
Szia!
Nincs vele semmi baj, csak nekem túl színes... (De mint ahogy írtam is korábban, ez csak szerintem! Ízlések és pofonok.) Az elrendezéssel nincs semmi baj. Pontosabban én az áramhatárt jelző ledet, valahová a kijelző környékére tenném. (Majd felteszek estefelé egy képet az egyik korábban készült tápomról, ha gondolod.)
Igen én is a túl színesség miatt aggódtam. Kipróbáltam, hogy a pirosat, és a zöldet vissza fogtam, akkor meg olyan semmilyen lett.
Az áram határ visszajelző az nem csak egy visszajelző, hanem rövidre tudja zárni a tápot is, mert egy nyomógombos kapcsoló is egyben. Ezzel fogom tudni a maximális áram limitet beállítani, anélkül, hogy mérővezetékkel zárnám rövidre. Nem egy nagy funkció, de így találtam ki.
Sziasztok.
Lenne egy olyan kérdésem, hogy ha tápegység tranyóit csillám lemezzel elszigetelve teszem fel a hűtőbordára, akkor szükséges a csillámlemez bekenése hővezető pasztával vagy a csillámlemez úgy natúron is jól vezeti a hőt? Vagy javít a felületek hővezetésén ha pl szilikon zsírral megkenném vékonyan?
........ es egy szigetelo gyuru sem art a csavarhoz, amivel rogzitheted a tranyot a hutobordara. Ezzel megakadalyozva, hogy a csavar veletlenul is kontaktusba kerulhessen a tranzisztorral.
Szia!
A ledes áramhatáros nyomógomb szerintem nagyon jó találmány! Így nézett ki anno az én tápom előlapja.
Én varnisch csövet használok az nem fog átütni amíg a tranyó működik.
![]() Tehát akkor a zsír jó lenne, kár volt beforrasztani a tranyókat, nem sok kedvem van ismét kiforrasztani és nem is használ sokat nekik. :S
Az is tokeletes valasztas. Csak ugye vannak itt kevesebb elektronikai tudassal rendelkezoek is, ezert irtam a javaslatot. Hisz kerdesedbol nem derult ki, hogy oreg motoros vagy a szakmaban
Többféle paszta szolgál ilyen célt, a "zsír" melegedéskor folyóssá válhat, elfolyik, párolog. Én valamilyen szilikonkaucsuk, vagy egyéb gumis cuccot javasolnék inkább, aminek jó a hővezető képessége is, de villamosan szigetel, emellett azonban nem folyósodik. Ilyenek vannak a TME-nél, Farnell-nél, de még sziloplasztból is van ami egészen jó - niylván ezeket nem főleg elektronikai célra gyártották, azaz a villamos képességeik nem erre vannak kihegyezve. Grafitos alapút nem ajánlok erre a célra - az vezet. A csillám magában kevés a jó hőátadáshoz, mert a hűtőbordának és a csillámnak, valamint a félvezető tokoknak is van felületi egyenetlensége. A paszta ezeket tölti ki, csökkentve a levegő helyét - ami hőszigetelne.
Udvozletem.Azt szeretnem megerdeklodni , hogy ki gyartja a linken lathato keszulekdobozokat.
Én szilikon zsírt használok viszonylag keményebb az állaga, van lágy is egy kevéske, de az tényleg problémás lenne. Meglátom hátha nem folyik ki.
Nem vagyok öreg motoros inkább kezdő, csak van itthon még egy kevés varnisch cső és elkunyeráltam.
Hogy ki gyártja, azt nem tudjuk, de a lomexben kapható.
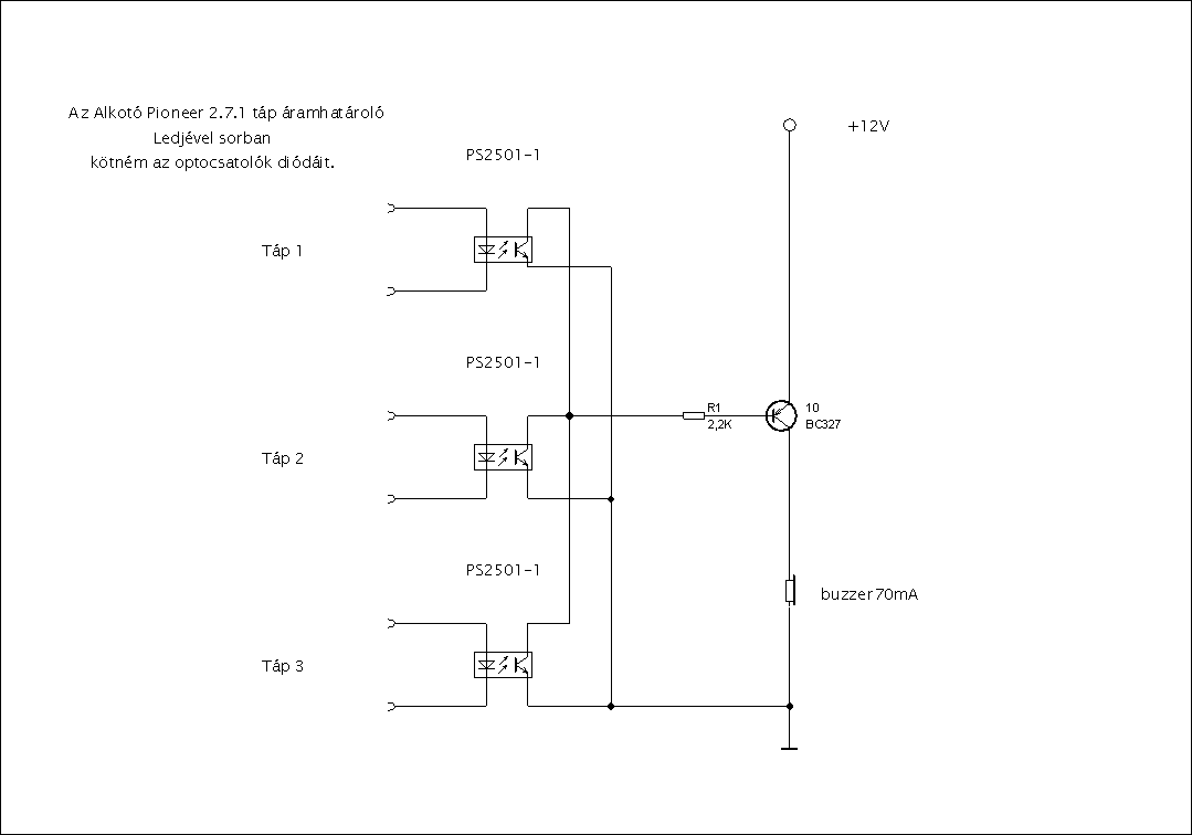
Igazából jó is, hogy rá kérdeztél. Nincs még megoldva a hangvisszajelzés dolog. Most hekkeltem össze egy kapcsolási rajzot, hogy a 3 tápom egymástól függetlenül vissza tudjon jelezni egy hangszóróra.
Az előlapot már eleve így terveztem, mert ennek így kell majd működnie. Az előző tápomban volt sípoló, és nagyon sokszor jó volt, hogy jelzett. Alilra beteszem a kapcsi rajzot. Egyúttal arra szeretnék kérni néhány hozzáértőt, hogy véleményezze, hogy ez így jól működne-e? A Pioneer Alkotó 2.7.1 tápjaim vannak. Az azokban lévő áramhatár jelző nagy fényerejű ledekkel sorban kötném az optocsatoló diódáját. A tápban állítólag 6,1mA folyik a leden. Az optocsatoló nyitó feszültsége 1,17V Szerintetek működne így a dolog? A kapcsolókat szétszedtem. Most van benne egy glimm lámpa. Azt kiszedem, és bele hekkelek egy smd ledet. Hely van benne bőven.
Koszonom a valaszt.En a Bővebben: Link oldalon lattam a muszerdobozokat.
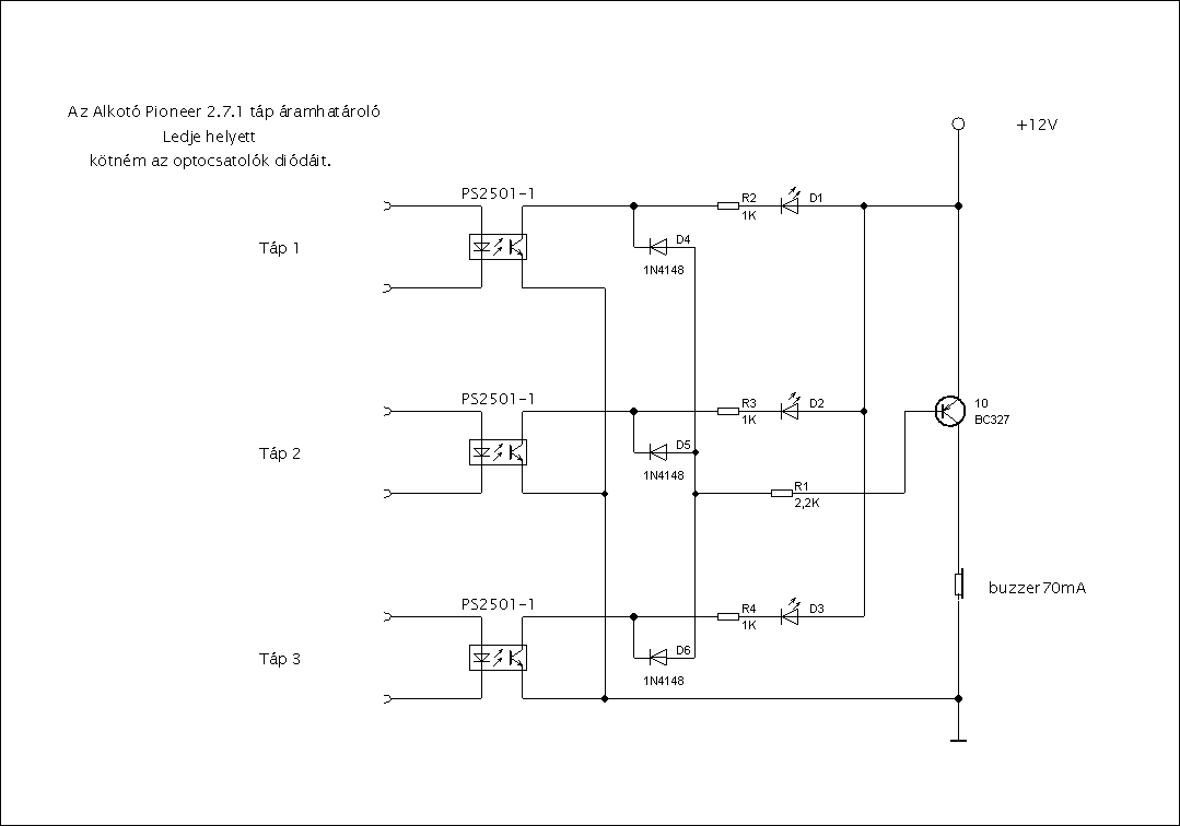
Vagy volna még egy ötletem. Az optocsatolót tenném az áramhatár ledjének a helyére, és ezzel a kapcsolással.
Hogy oldjam meg, ami jobb lenne?
Én kipróbáltam a hangjelzést mikor Proli tápjával bíbelődtem, és csak úgy tűnik, hogy ez jó dolog. Valójában elviselhetetlen, kibírhatatlan, és teljesen alkalmatlan a mindennapi használatra. A folyamatos hangja már pár másodperc múlva is epilepsziás rohamokat bír okozni. Aztán próbáltam soros ellenállással tompítani a hangját, de nem sok sikerrel. Ez a vonal zsákutca.
Figyelj. Ha nem olyan hangos, akkor elviselhető. Mondom én a régi tápomnál hozzá szoktam vagy 20 éve, és nem volt zavaró. Ha nem buzzer lesz, akkor építek valami sípolót, aztán lehalkítom.
Különben meg lesz az előlapon sípolás kikapcsoló gomb is, ha nem kellene a sípolás. Szóval akkor szerinted melyik verzió lenne működőképesebb? kössz.
Tökéletesen nézz ki.Remek munka.Gratula!
Ehhez a megoldáshoz vettem a Lomexben egy nyomókapcsolót. Ez egy 2 áramkörös kapcsoló. Ez a típusa. PUSH B. D=20 4P DPST RFIT128C1G00000 (EVL) RoHS ON-OFF 16A 250VAC RED LIGHT:230V BK/RED BUTTON Ezt egyszerűen szét lehet szedni. Csak szét kell pattintani egy kis csavarhúzó segítségével. A glimm lámpa helyett be kell forrasztani egy ledet.
Csináltam egy mórickás kapcsolási rajzot a bekötésről. Itt föl írtam, hogy a kapcsoló melyik csatlakozója melyik lábra megy. Aztán mivel mondtam,hogy ez egy kapcsoló azaz 2 állású. Át kellene alakítani nyomógombá. Ha meg nézed a fényképét, a hátulján a barna részen középen van egy 0.8mm vastag fémdrót szerűség. Azt ki lehet pattintani, és máris nyomógomb. Hát így lesz ez megoldva pontosan. Ehhez olyan táp kell, aminek a visszajelző led negatívka, és a táp negatív kimenete ugyanazon a potenciálon legyen.
Szia!
A "dobozos ember" címe a következő: Merl Mátyás 06-27-535-745 Fót 2151, Bacsó Béla utca (ha személyesen mész el hozzá jutányos áron kapod a dobozokat)
Szia!
Úgy látom, hogy már megelőztek a kérdésed megválaszolásában. Valójában én is a Lomex-ben vettem.
Szia!
Köszönöm! Igazából én egy elég minimalista vagyok. Legyen a lehető legegyszerűbb, legyen jól áttekinthető, és tökéletesen működjön. Biztosan meglehetne szebbre is csinálni, de nekem ez az irányvonal jött be... |
Bejelentkezés
Hirdetés |












