Fórum témák
» Több friss téma |
Mielőtt kérdezel, a következő két dolgot ellenőrizd!
I. A helyes tápfeszültségek megléte.
II. A kimeneten van-e egyenfeszültség.
Élesztés.
Idézet: „Meg kérdeztem egy ismerőst, aki azt mondta, hogy nem muszály hozzá az előerősítő, hiszen csak azért van ott, hogy a hangerőt lehessen szabályozni, illetve a hangszinszabályozó miatt.” Háát nem. Az előerősítő (a nevében is benne van) azért van, hogy a bejövő jelet erősítse, mert a legtöbb esetben kevés az a jel ami a lejátszóból, számítógépből szálingózik kifelé és a hangerőszabályzáshoz semmi köze. Olykor a bemeneti impedancia illesztés is lehet a feladata.
Értem. Én kipróbáltam előerősítő nélkül egy telefonról 3,5-es Jack dugóval és teljesen jól működött a búgást leszámítva, amire az előbb kértema a segítséget.
Akkor most nem is működtethetem annélkül? Esetleg ha egy régi számítógép hangszóróból kiveszem az erősítő részét, az nem használható előerősítő gyanánt?
Huba szerint nem jó az a hangszínszabályzó ! Rontsa a hang minőségét ! Nekem csak olyanra lenne szükségem hogy legyen 2 poti a magas és mely hangnak stereo erősítőhöz ! A hangszóró vedelem amit szinten ajánlott reloop az jó csak el voltam bolondulva a kapcsolással és a rajzzal most sem értem akkor hogy mi is van ott! Nekem is jó lenne stereo hoz hogy ne keljen kétszer megépítsem de úgy sem értem hogy mit keres a bemenet a Relle lábain meg akkor hogy is indul be Mellékelem a rajzot és valaki bekötne nekem rajzzal hogy mi hova megy? ! Tehát itt van mellékelve ez a stereo kivitel? Ha igen akkor ezt kellene berajzolni !Hanszoro protekcio Akkor aztán van ez az oldalEz az itt írja három pontban hogy mit lehet letölteni de a lay. fájlt nem tudom
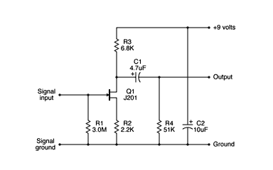
Olvasom itt a hozza szólásokat és felmerült az előerősítő kérdése ! Építettem egy stereo ST 151 es végfokot amit reloop ajánlott ! Az erosito tökéletes csak azt vettem eszre hogy a telefonom kisebb jelt ad mint a számítógépem jó lenne tehát egy előerősítő bele van is egy kapcsolásom meg a régről ha ez jó lenne akkor ezt is stereoban kell megépítsem ugye? Egyeb kérdés hozza, 12 V nem felel meg neki? Esetleg a FET et nem cserélhetném ki egy tranzisztorra? Esetleg ha valaki tud pontosan 12 V os és Fet nélküli előérősítőt akkor az is jó !
Idézet: „Értem.” Nem érted. Nem feltétlenül kell, de ha nincs akkor előfordulhat, hogy nem tudod teljesen kivezérelni a végfokot, ami azt jelenti, hogy feltekered maxra a hangerőt és csak fél hangerőn fog szólni. Idézet: „Esetleg ha egy régi számítógép hangszóróból kiveszem az erősítő részét, az nem használható előerősítő gyanánt?” Akár még használható is lenne, de ezek már túl sokat erősítenek és iszonyatosan zajosak, rossz a hangjuk stb.
Sztereóhoz természetesen kettő kell belőle, de én nem javaslom az ilyesmit. A leg egyszerűbb megoldás a műveleti erősítő. Beállítasz rajta egy kétszeres erősítést (vagy amennyi kell ) alig kell hozzá alkatrész és ha jó IC-t használsz, a hangminősége is kiváló.
Idézet: „Huba szerint nem jó az a hangszínszabályzó ! Rontsa a hang minőségét !” Minden egyes komponens csak ronthat a hangminőségen, különösen igaz ez a hangszínszabályzóra. Egy jól kialakított rendszerbe felesleges a hangszínszabályzó, mert ha annyira kell akkor valami nem stimmel (általában a hangdoboz).
De a hangszínszabályzó különösen rontsa minőséget nekem nincs egy hangfalam aminek direkt készítem ezt az erősítőt ezt azért készítem hogy legyen egy jó és megbízható erősítő és legyen benne egy ilyen opció is !
Szóval akkor szükségem lenne egy műveleti erősítőre de olyan alkat részekből álljon ha lehet h minél könnyebben beszerezhető legyen esetleg hátha volna nekem is olyan!
NE5532-es műveleti erősítőt nagyon egyszerűen be lehet szerezni például és az egy elviselhető kategória.
Most mégegyszerolvastam a hozzászólásodat és félreértés van. A műveleti erősítő egy integrált áramkör, nem egy kapcsolás.
Nagyjából így néz ki egy műveleti erősítős hangszínszabályzó + előerősítő. Bővebben: Link
Megpróbálom beszerezni rajz van hogy hogyan kell bekötni?
Ezen még van mit csiszolni, hogy az erősítődhöz jó legyen. Csak szemléltetni akartam, hogy néz ki egy ilyen.
Van meg problémám amíg elkészül de készül a doboz is az erősítőhöz azST 151 -hezTölgyfa deszkából holnap kész is lesz ! Mar csak hiányoznak ilyen olyan kiegészítők ! Mind ez a hangszóróvédő ami hamarosan kész lesz , talán előerősítő is vagy műveleti erősítő , akkor minden almom hogy legyen két poti a magas és mely hangnak egyenlőre semmi olyast nem kaptam ,na meg van két kivezérlésjelzöm SMD leddel es egyiket akarom állítani hogy nézze a magas hangot és a másik nézze a mely hangot ezert kellene valami műszer az erősítő kimenetere hogy csökkentse neki a feszültséget !
Valakinek meg valami javaslata vagy ötlete? Esetleg kapcsolás a fentiek közül ?
Jónak nézem a kapcsolást. A kérdéses kapcsolókkal azt lehet elérni, mint a hangszóró kábelek felcserélésével.
Lenne egy olyan kérdésem is, hogy az erősítő végfokainak bázisait lehet-e egy hűtőbordára rakni, hogy ha a bázisok összezárnak? Két darab BD249 BD250 TDA 2030 vagy egy panelon.
Kollektort akartál írni?
Sziasztok, szert tettem egy unitra wsh erősítőre aminek az egyik oldala tökéletes, a másik nem jó, fél hangerőig nagyon halk marad, aztán tovább csavarva nagyon torzan szól. Mi lehet ? A nyitófeszültségek rendben, a féltáp ha jól láttam a hibás oldalon magasabb 3 volttal.
R295 égett kicsit, de jó. Köszi ! Bővebben: Link
Nem a bázisok, hanem a kollektorok érhetnének össze a rajz alapján. Célszerű a két tranzisztort és az IC-t közös hűtőbordára szerelni, és valamennyit szigetelni a bordától.
A doboz készen van holnap lesz kép mindenről amim csak volt beleszereltem de írtam lejjebb hogy mire lenne szükségem én komolyan gondoltam ! Nem az a típus vagyok hogy osztom szorzom a nagy semmit és kérem a kapcsolásokat és úgysem lesz belőle semmi én ha kerek valamit és kapok is azt el is készítem, tehát elfogadnék kapcsolásokat a lejjebbi felsorolás-bol ! Ha van valakinek olyan a tulajdonában ! Azon is jo lenne gondolkodni hogy honnan lesz ezeknek a kiegészítőknek a tápfeszültség? Általában 12 V kell de a trafóm ennyit nem tud így hat úgy nézem az lesz a megoldás hogy beleteszek egy másik trafót nemde?
Kicseréltem a bootstrap kondikat újakra, de nem változott semmi. A kivett kondikat megmértem, teljesen jók. Kérek tobábbi ötleteket mert nem értem mi lehet.
A rajzon nagyon kellemes módon ott vannak a tranzisztorok lábfeszültségei. A hangerő poti után mérd őket végig. A másik út az esetlegesen hibás csatoló kondi megtalálása.
Az a kérdésem hogy van e olyan erősítő ami 8 r terhelés mellet 0,5 w ott ad le 9 v ról ha valakinek van ilyenje kérem írjon
A három adat összefügg egymással. Íme egy IC-s. Bővebben: Link
Na megmértem. A vége kivételével mindenütt kb. jó feszültségek mérhetők, összehasonlítva a jó és a rossz oldalt. A fesz. erősítő bd137 kollektorán a jó oldalon kb. 23V van a rossz oldalon kb. 26V. A kimeneti féltáp a jó oldalon kb. 24V, a rossz oldalon kb. 28V. Nem lehet hogy csak a féltápot kellene utána állítani ? Vagy az nem okozhat ilyet?
Az R297-tel nyugodtan beállíthatod a fél tápot. Ettől nem indokolt, hogy halkan szóljon.
Marad a kondenzátor hiba. Segít behatárolni, ha az R277-R278 ellenállásoknál összekötöd a két csatornát. |
Bejelentkezés
Hirdetés |










