Fórum témák
» Több friss téma |
Mielőtt kérdezel, a következő két dolgot ellenőrizd!
I. A helyes tápfeszültségek megléte.
II. A kimeneten van-e egyenfeszültség.
Élesztés.
Helló.
Van két féle is két 4 érintkezős és két 1 érintkezős. relé1 relé2. Arra gondoltam, hogy vagy a több érintkezős relé marad és akkor úgy van készen, vagy ha jobb a teljesen zárt relé akkor 2db 1 érintkezős tennék rá. (Két 1 érintkezős esetében értelem szerűen 1-1 érintkezőre az 1-1 kimenetet a tekercseket meg párhuzamosan kapcsolom és kész.) Az világos hogy kössek össze minden földet egy pontba, de a koppanásgátlónak kell külön táp én ezt egy külön trafóról fogom meghajtani ha találok 9V ac-eset ha nem akkor 12V ac és legfeljebb teszek hozzá 7812-est egyenirányítás után, de a kérdés hogy akkor a koppanásgátló külön tápjának földjét is kössem a föld csomópontjába? (Ezek szerint igen.) A relék a linkeken találhatók annyi módosítással hogy a relé1 linken található nekem 4 érintkezős csak sehol sem találom meg, Tris 154d a típusa de ugyan így néz ki.
S emellett már könnyen belátható, ha nem kötnéd rá a 0-át a közös csillagpontra csak 12V -ot kapná a védelem,akkor nem történne semmi. Pont azért mert a az elektronok áramlásához egy zárt kört kell alkotni, s így csak "libegne" a levegőben neked.
A zárt kört mint egy valóságos áram illetve feszültséggenerátor együttes köre ként is lehet értelmezni, ami a fagyatót (kat táplálja). Ha csak a csillagpontot tennéd (és a 12V nulla fele nem lenne a csillagponthoz kötve) akkor egymástól két teljesen független áramkörről beszélnénk, s érthető lenne miért is nem működik.. A segédtápfesz rákötésekor arra érdemes figyelni, hogy azt ne közvetlenül tedd rá, mert előjelesen a 2nullának értelmezett potenciál közt is lehet különbség. Tehát egy soros 4.7-10 Ohm ,és arra párhozamosan egy 100nF kondival célszerű megtenni. Jobb minőségű végfok kapcsolásoknál, látszódik is pl, hogy a bemeneti jelföldet, és a csillagpontot (más néven, a nagy áramú földet) nem azonos potenciálként kezelik, pontosan azért, hogy elkerüljék a zavaró, és gerjedő kört.
A segédtápfesznél elsősorban most gondolom az erősítő tápjára gondolsz, de akkor ugyan így járjak el a koppanásgátló tápjával is? Vagy elég ha csak a bemeneti földet kötöm egy 10 ohmmal a csillagpontra vagy minden földnél használjak ellenállást és kondit? (Tehát van 2 táp földje és a bemeneti föld.)
A segédtápfeszre azt értem, ami az erősítő védelmi, és más egyéb kezelőszerveinek biztosít feszültséget ( pl: koppanásgátló, előerősítő, különféle védelmi modulok stb...)
Egy gyári végfoknál erre ún céltranszformátort alkalmaznak, ami azért előnyös, mert egy transzformátor előtudja állítani az egész komplex erősítő védelmi, kezelői, és magának a végfokmoduloknak a nagy teljesítményű energiát.( feszültséget + áramot) Ha erre nincs lehetőség, akkor szoktak beiktatni még a nagy végfoktápegység mellé, külön kis transzformátort ami ellátja a védelmet + mindent. Ez esetben érdemes már alkalmazni, a 4.7 Ohm+100nF szűrést. És akkor is érdemes alkalmazni, ha olyan toroidod van, ami ugyan mindenféle feszültséget kiszolgál, csak a fázisok nem középmegcspoltak. Vagyis: ha külön 2vezetéken van a segédtápfesz váltója, és magának a végfoknak a váltója is külön vezetékelve van, nem pedig középmegcsapoltan. Ekkor neked kell kiközepelni , ha szimmetrikus tápfeszre van szükséged. Mérd ki nyugodtan majd, hogy pl a csillagpontod és a 12V segédtápfeszed null pontja közt lesz különbség. Épp ezért van az is , hogy pl a védő nullásan földelt házra nem szabad csak úgy rátenni a csillagföldelt. Mert 2 egyforma trafó nincs..
Válaszd a négy érintkezőset. Az átlátszó burában továbbra sem látok kivetni valót.
A koppanásgátlónak van olyan szolgáltatása, hogy figyeli az erősítő kimenetén az egyenfeszültséget. Ez a hangszóró számára jelent védelmet, mert az egyenfesz. megjelenésekor a relé leold. Ennek a figyelésnek elengedhetetlen feltétele, hogy a koppanásgátló és az erősítő 0V -ja össze legye kötve. A témáról itt szerezhetsz bővebb információt. A koppanásgátló tápjában használj minél kisebb kondenzátort, hogy kikapcsoláskor a relé gyorsan oldjon. A további - koppanásgátlót érintő - kérdéseket a fent linkelt topicban tedd fel.
20kW a kisebbik
a nagyobbik 40kW. Igaz kérdéses, hogy ebből mennyi a valódi teljesítménye, de a három fázis már maga is brutális. És 1 U magas... Bár megkérdőjelezném, hogy hasznos-e egyáltalán ez a végfok...
A hangja az kb olyan lehet, mint amennyi infót megadtak róla. Semmi.... Csak a jel/zaj van megadva semmi más.
Szerintem nagyon sokoldalú. Miközben egy közepes koncertet hangosítasz, még simán lehet hegeszteni a másik csatornáról.
erröl csak annyit, ha behal egy nagy veszteség lessz ott a koncerten
Számomra nem izgalmasabb, mint pl. egy fordulatszám szabályzó aszinkron motorhoz...
Elég furcsa az adatlapja: - a hűtés irányát közli, de pl. torzításról nincsenek görbék. - az 50V/us nagyon jó adat, de... szűrő nélkül??? Ki használná úgy? - az 1Ph / 3Ph táplálás közötti külömbség magyarázata azon a szép kék/piros ábrán, több mint érdekes felfogása a fizikának... - A 6dB-es átvitel 5Hz-20kHz között elégséges lehet... egy naggyűlésen. Mindazonáltal nagyon szépen megépített készülék. Sajnálom, hogy én csak kritizálni tudtam, miközken hasonlót létrehozni sosem leszek képes.
Azért van benne valami.
Egy ilyen kategoriában már nen foglalkoznak némi torzitással, vagy frekvenciamenettel. A 20/40kW-s erösitöt még a legnagyobb koncerteken sem járatják csúcsra (csak legfeljebb néhány hülyegyerek, azok meg amugy sem tudják, hogy mit jelentenek fentebb emlitett jellemzök). Itt annyi a tartalék, hogy az ilyesmi aligha jöhet szoba, és tudjuk, hogy ha az erösitö nem jár csucsra, nem is torzit, és a frekv. menete is sokkal szélesebb. Itt nem is magán az erösitön van a hangsúly, hanem az áramellátáson, ami két pontban jelentösen feljavitja az esélyt a jo hangra. (Nem tudom, nem hallottam, de nagyon valoszinü). Az egyik, hogy földmentes a táp, azaz a 3 fázisra delta kapcsolásban csatlakozik - nincs neutral (N)! Ez eleve kizárja a brummot meg a földhurkot. A 3 fázisu egyenirányitás sokkal jobb teljesitményelosztást ad (ezért használják pl. a villamosok, trolik áramellátoiban is), hiszen az 50/100 herzes váltoráram az egyenirányitás után 150/300 Hz-es lüktetésre változik, amit könnyebb szürni (kisebb kondik), és kiszürni a rendszerböl. Valoszinüleg a kapcsolotáp is igy sokkal nagyobb hatásfoku, és kisebb veszteségü (ami ilyen teljesitménynél már csak jot tesz). Amugy látszik, hogy a tervezök nem a Marsrol érkeztek a földre, gondoltak a légáramra is (sajnos végtelen az olyan konstrukciok listája, amik pont emiatt használhatatlanok.) Nekem a teljesitmény egy kicsit tulzottnak tünik (megelégednék dobozonként 10 kW-val is), de szivesen kiprobálnám.
Üdvözlök mindenkit!
Segítségetekre lenne szükségem ,van egy Sony erősítőm aminek teljesen kikellet cserélni sz alkatrész listát. Viszont van egy kis gond a végfokokkal ,van benne kettő darab trimer poti (amit persze cseréltem)és arra lennék kíváncsi hogy azok a feszre kell beáltatni ami kapcsolásán van feltüntetve?Mivel alapjáraton fűtenek mint anyavaja .(régebben nem volt ilyen,ha jól emlékezek ) H valaki megtudná nekem mondani hogy hogyan lehet beállítani akkor megköszönöm előre is. Üdv Sada
Helló.
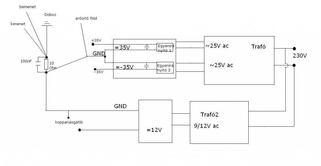
Akkor az erősítő tápjáról csináltam egy kis összecsapott rajzot. Még mindig van egy kicsi homály, de ezzel a rajzzal remélem kitisztul minden. Szóval ha jól értettem eddig a bemenetet a dobozt és a kimenetet össze lehet kötni egy csillagpontba. A tápokat meg úgy kössem bele a csillagpontba hogy egy 10 ohmos ellenállással és egy 100nF kondival lássam el. Tehát a rajz szerint be van rajzolva minden, de az erősítőnek a földjét azt akkor ne a csillagpontból kössem rá hanem közvetlen a tápról? (ahogy a rajzon van)
Nyugalmi áramot állítsd be, végtranyók emitterében lévő ellenálláson mért (mV ) feszültségből tudod visszámítani a megfelelő (50-80mA) áramot.
Természetesen én sem hallottam szólni, de szerintem a 3Ph táplálásnak semmi köze a hangminőséghez. Valóban arra lehet jó, hogy kevesebb tápkondival tudja elérni az adott csúcs teljesítményt. ... vagy egyszerűen nő a kivehető csúcsteljesítmény.
A "földfüggetlen" betáplálás szerintem szintén nem garancia a földhurok mentességre, hiszen védőföldnek és "jelföld"-nek mindenképpen lennie kell... A földhurok pedig nem primer oldalon alakul ki, hanem szekunder oldalon. A profiknak biztosan a legfontosabb adat a hűtés mikéntje, de amikor adatlapok alapján akarok termékekről információt kapni, akkor az első száz paraméter között tutti nem szerepel nálam az, hogy elöl, hátul vagy középen jön ki a levegő.
Azért az elég lényeges különbség, hogy a földpotenciál egy vagy két vezetéken kerül a dobozba (sárga/zöld és a kék).
Ez eggyel több baj (azaz azt is mondhatnák, hogy felére csökkentik a lehetöséget). És valoban a profiknak a hütés a legfontosabb jellemzö. Mennyi hely kell a rackban, minden köbcentiméter itt nagyon drága, hiszen cipelni kell, helyet kell neki találni stb. Szoval mindenki szopja az ujjait, ha ilyen konstrukciot talál.
A profiknak a hely és a méret a legutolsó szempont. A megbízhatóság, kihasználhatóság, és sokrétűség a lényeges. Az erősítő súly és mérete eltörpül a hangdobozok mellett, ráadásul nem a kezelő közelében kapnak helyett, hanem valahol a szimpad alatt/mellett/felett, de mindenképpen a hangszórók közelében és nem a keverőhöz közel.
-Nekem elhiheted, hogy így van!-
Torzítás,keresd a PKN-t!Bővebben: Link
Majd most.Bővebben: Link
Hát nem tudom, nekem a legnagyobb rendszerem a 80-as években 50 kW (hangteljesitmény) volt - egy egy erösitö akkor kb. 20-30 kg volt, és max 2000W. Számold ki mekkora a tömeg, ezt mind el kell szállitani, egy-egy rakba legfeljebb 4-et lehetett berakni, mert különben nem tudták volna az emberek felemelni - és nem lehet mindenhová targoncával menni.
Ha még ehhez hozzájön a légtér az erösitökhöz akkor az további kilokat vesz fel (racksuly, ajtok, kábelek). Mi is nagyon örültünk, amikor megjelentek az elölröl hátra szellözö cuccok, mert akkor azokat közvetlenül egymás felé lehett épiteni - minden kisebb lett. Ugyanez volt a studioban is, a levegönek ha helyet kell hagyni, akkor már verte a fene két okból is: Hiába hagysz ki légteret, gondoskodni kell az elöre hátra légáramlásról - ami nem egyszerü, mert az állványoka függölegesen szokták levegöztetni. elöl hátul extra helyet kell hagyni a levegö áramlásnak (ha ajtok vannak az állványon) Plusz elveszitesz erösitöként 44 mm-t, ami sokat számithat. Szoval nem elhanyagolhatok ezek a dolgok sem. Persze a ládák is nagyok, de azért ott is sokat csökkentek ma már a méretek, és azzal nem igen lehet valamit kezdeni. Ha majd a saját zsebedböl fizeted a szállitási költséget, akkor sokat változik a nézeted az ilyen dolgokra. Velem már az is elöfordult, hogy egy repülögépbe nem fért be a cucc, kettöt kellett bérelni, fizetni. Persze a megbizhatoság, hasonloan a hangminöséghez alapfeltétel, azon senki sem rágodik, ha egy erölködö megbizhatatlan volt a cég már vehette is a sátorfáját, szoba sem álltunk velük többet.
Azért azt vedd figyelembe, hogy ezek kapcsoló üzemű erősítők, meglehetősen jó hatásfokkal. Így a termelt hő is töredéke a 80' -as béli erősítőknek (mégha azok is kapcsoló üzeműek voltak). Ugyan hova férne bele egy 1U rack -be egy ekkora teljesítményű hálózati, vagy kimenő transzformátor.
És ha jól megnézed, olyan, mint egy iszonyú nagy kimenő teljesítményű hangkártya.
Hali.
Nem kell mindkét trafancsot egymáshoz képest 2x szűrni. Elég csak 1x Mellékeltem nálam pl, hogy van. A képen nem jelöltem, de a nagy-telj táp, még továbbá szűrve is van, nem elég csak fel pufferelni (kisimítani), valamint maga a gratze is. A jelföldet a csillagpontra egyszerűen egy 4.7 Ohm és 100nF párhuzamos kapcsolatával vidd rá. , amik már a hangszóró felé, és más egyéb kezelőszerv felé irányuló (földpont , csillagpont) azt értelemszerűen, külön-külön kell kivezetékezni, szűrni azokat már nem kell!
Köszönöm megoldottam ,ott volt az orrom előtt de nem láttam.
Minden ok Kösz........ Üdv.
Helló.
A rajzodon nem igazán látom mi mivel van összekötve. A graetznél mindenütt szűrsz az oké. A trafó ac ágában is szűrsz vagy hogy? A doboznál is kell szűrni? Nem értem ezt a sok szűrés minek kell, mivel azt mondtad az előző rajzomra hogy nem kell külön szűrni a táp után. Felrakom ismét az egyszerű rajzom, de jobb lenne ha abba rajzolnád bele ha kell még valami elég ha teszel egy piros karikát oda ahova kell szűrés, mert a te rajzodat én nem látom át.
Az mi, hogy 10Ohm ellenállás után viszed a kimenetnek a földet?
Köbzolinak igaza van, nem ide való.
Nem igénylem, hogy egyet érts velem. Tévedsz a fejtegetésedben, az "összes cuccnak" elenyésző rész (súlyban és térfogatban egyaránt) az erősítő. Aki hangszórót szállít, annak sajnos nagy részben a levegőért kell fizetnie. A "rek-szekrénynek" kereke van, nem kell emelgetni, és külön hűtése is van, ha olyat rendelsz. |
Bejelentkezés
Hirdetés |











