Fórum témák
» Több friss téma |
Fórum » PC táp átalakítás
Ha valóban azt építetted meg, akkor elég érdekes az 1-es lábon a 260mV és a 2-esen az 5V is...
Üdv Inhouse Idézet: „Ilyenkor jönne jól egy 200V körüli áramkorlátos táp.” Igen, tudjuk! Üdv Inhouse
Na ja. A hálózattal sorba egy 15, 25, 40, 60 W os izzó, és voalá!
Idézet: „Na ja. A hálózattal sorba egy 15, 25, 40, 60 W os izzó, és voalá!” Erről szólt a történet, hogy az nem jó... Üdv Inhouse
Arra lett elöször átalakitva csak gondolt egyet és le eset a fesz 2,8V-ra. Ezzel kezdödtek a gondok. A 2-s lábon azért van 5 volt mert az AT labortápos cikk átalakitást bele kreáltam hátha.
de nem gyogyul
Aztán miért nem, nem áramgenerátor kellene? Mert így pont az lesz a hálózatból, csak a megfelelő értékű égő(ke)t kell elétenni. Ha zárlat van, világít az égő, ha nem nagyon akkor ki is lehet venni az égőt. Üresjárásban a jó táp nem fogyaszt sokat, kevéssé esik a feszültség az izzón, azt meg egy jó táp amúgy is kiszabályozza.
Szia Pucuka!
Nem kell győzködnöd... Nézd meg ezt a linket, és megérted a sztorit Itt kezdődik Nézd meg a reagálásokat...ez a szép, hogy nem vagyunk egyformák... ![]() Üdv Inhouse
Sziasztok!
Kérdésem annyi volna, hogy lehetséges e pc tápot átalakítani úgy hogy +- 45V feszt lehessen kivenni belőle erősítőhöz, vagy van e valami rajzotok hogy ugyanezen pc táp alkatrészeiből lehessen csinalni egy ilyen kapcsoló üzemű tápot. (különösen a trafó érdekelne hogy ne kelljen venni ha nem muszáJ) Bármilyen segítséget Köszönök előre is. Üdv!
Szia, én úgy érzem, hogy ezt a trafó áttekercselése nélkül nem lehet megúszni.
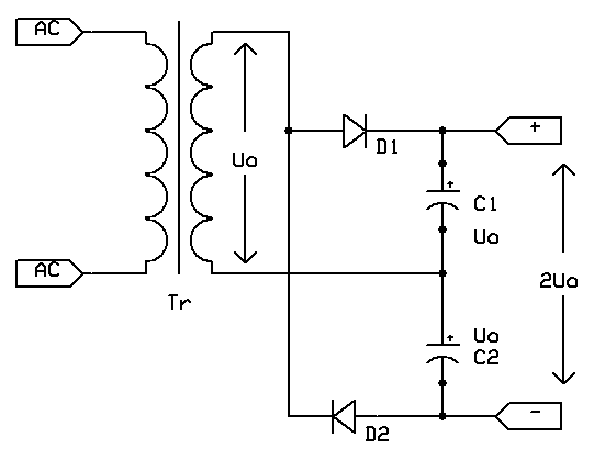
Igen lehet, ha feszültségkétszerező egyenirányítást használsz, ezzel ki tudsz venni +/- 50V-ot is a PC tápból. Hogy ez a megoldás nagyobb teljesítményre (pl. végfokhoz) mennyire jó azt nem tudom, sosem próbáltam. Ki kell próbálni. A kapcsolótápos topikban annyi rajzot találsz hogy egy hét alatt sem tudod végignézni.
Nem is kívánok győzködni senkit, mindenki a maga szerencséjének kovácsa, csak meglepett, hogy ez miért vita tárgya.
Idézet: „Ilyenkor jönne jól egy 200V körüli áramkorlátos táp.” Idézet (ugyan off ban) Ge Lee fórumtárstól. Az izzós módszer teljesen megfelelő, egyszerű módszer, már ha tudja valaki, hogy hogy működik. Persze lehet építeni szuper vili 220 -as áramgenerátort mikrovezérlővel, de minek. De tényleg nem vagyunk egyformák, nem is biztos, hogy jó lenne.
Az én esetemben egy PC táp szabályozatlanul 25V-ig ment fel a 12V-os kivezetésén, és ha az egész trafóra (a korábbi +-12V-os kivezetései közé) rátettem egy Graetz hidat, szűréssel, akkor 55V-ot mértem. A test ilyenkor nem a trafó közepe, hanem a Graetz negatív pólusa lett. Ám ebben az esetben már nincs semmi feszültségtartaléka a szabályzáshoz.
Viszont ez csak szimpla 55V, nem +-55V. Át kell tekerni azt a trafót nincs mese!
Arról se felejtkezz el, hogy minden feszültség többszöröző kapcsolásban a tápegység belső ellenállása növekszik, ami nagyáramú esetben csak külön problémát fog okozzni. Sokszorozni, csak ott érdeme, ahol igen kis terhelő árammal számolhatunk, lásd képcsövek.
Nem úszod meg a trafó áttekerést.
Köszönöm a hozzászólásaitokat!
Odáig eljutottam hogy szétkaptam egy régi 200w at tápot, méregettem mi merre stb, (nincs nagy tapasztalatom sajna kapcs üz tápok terén) a lényeg hogy megtaláltam a módját hogy megemeljem a feszt. Max +-25v sikerült . Ment is egy darabig a táp (kb1perc) most az csinálja hogy ciripel és csak 12voltot tud. Gondolom kinyirodott a kondi. Csak 10v van rajta teszt jelleggel. Ha jobban kiismerem a táp működését akkor a trafóját áttekerem majd, bár még nem tudom hogyan kell. Szerintetek ha powerpityu tápját megépítem akkor az mekkora feszkót tud a gyári at táp trafójával, illetve legalább a mag jó lenne e hozzá (áttekerve). Köszönök minden segítséget.
Arról se feledkezz meg, hogy az AT vezérlése kizárólag a szekunderről kap feszültséget, ha nagyobb feszültséget állítasz be, a vezérlés is 25V-ot fog kapni a 12V helyett (ezért is van a csatolt rajzodon a 15V-os zener).
Ha áramkorlát (vagy áramszabályozás) is van a tápban akkor ez a megoldás nagyon nem jó. Egyszer kipróbáltam hogy mi történik ilyen esetben, ha el-el fogy az IC tápja üzem közben. Az történt hogy kb. 6x újraindult, a 7. alkalommal viszont már instabil lett, a kimeneti feszültség leesett kb. 30%-ra és 5-6s után, fél másodperces különbséggel felrobbant mindkét tranyó. Tehát ha üzembiztos tápot akarsz, fontos hogy az IC 12V-ja mindig meglegyen!
Köszönöm. Valóban igazad van. Figyelek rá. Üdv!
Ha a kimeneten 25V van, akkor az IC tápfesze már 40-50V! A 24V-os tápomnál így nyírtam ki a TL494-et...
Üdv Inhouse
Szeretnék egy rövid magyarázatot valamelyik rajz alapján, hogy hogy lesz ott 40-50V, ha a kimeneten 25V van!
Üdv mindenki
Át akarom építeni Codegen 300W PC tápegységet 4x 12V ~5A független töltőnek. A probléma , hogy 4x 8menettel és 0.35 CuZ-vel tekertem (gondoltam 16V legyen +Volt). De Graetz után a kondin 50V -ot mértem (ez bőven + fesz) ,ugyanakkor az eredeti menetek (+5V és +12V)visszatekerve vékonyabb dróttal (3 + 4 menet) TL494 IC miatt .ott stabil a fesz Videó róla .Tápot javítani kellet E13007 és a 40A dióda csere.Köszi a segítségeket előre is.Kell-e a fojtó bele (4x) . Üdv
Üdv Ge Lee
Fentebb írtam a h. sz.-ban 7 menet helyett 8 menetet használtam a trafón 50 V lett egyenirányítás után a kondin .De nem az 1menet miatt van a gond .Ha 7 menet 12V akkor matek ~2V 1 menet. Ma 6Km-e megmérem a műhelyemben 470 µF 200V kondít teszek (eddig 40V) félő lövöldözés . Üdv
Én is csodálkoztam elsőre...a fojtó előttről megy, ott van a kutya elásva...
Nálam a 24V-os változatban 56V-ot kapott az IC Itt Erbe ír róla Itt van, hogy megmértem egy átalakítatlan tápnál az IC tápját, mikö... volt! Mérd meg te is, kíváncsi vagyok! Üdv Inhouse
Azt szeretném kérdezni tőletek, hogy a TL494-es esetében (vagy úgy általában) mi a szerepe, funkciója a deadtime vezérlésnek? (Látom, hogy általában védelmi funkcióra használják, de miért nem elég a hibajel erősítők bemeneteit erre használni?)
Én is kérdeznék, elkezdtem átalakítani egy tápot. TL494 és LM339 van benne. Addig mecsináltam, hogy az IC 4-es lábától kivettem a felhúzó ellenállást. És betettem egy potit (10k+200ohm a közép és szélső láb közé, mert így nem tud telj. rövidzárba menni), amivel az 1-es láb feszkóját tudom egy picit variálni. (Az eredeti alk.-et benne hagytam, így amikor 10k-ra van állítva a poti, akkor olyan 11V körül van a 12V-os ág kimenete.) Ez alapból a 12V - os ágat figyelte. De a lényeg, ahogy néztem a +12V-ot és a -12V-ot ugyanarról a szekunder körről veszi. És nem értem hogy miért lehet hogy nem szimmetrikus a kimenetem. A negatív ág 2V-tal alatta van a pozitív ágnak. (Ez a kisebb gond, mert ezt könnyen megoldom.) A másik a szabályozás, a 12V-ot megemeltem 15V-ra rátettem egy 24V 60W-os izzót és esett a fesz. 3V-ot. De ha arra van a szabályozás akkor ez hogy lehet? (Nem ástam még bele magam a témába, de úgy tűnik hogy muszáj lesz.) Az 5V-os ág egyébként 6,7V-ra emelkedik, ha 15V-ra van emelve a 12V-os ág fesz.-e.
A dead time azért szükséges, hogy az egymás nyakában levő, ellenütemben vezérelt kapcsoló elemek véletlenül se legyenek egyidőben nyitva. Ilyenkor rövidzárlat lenne.
...ahogy pucuka írja, illetve a deadtime lábat tényleg csak védelmi, illetve lágyindítási célra használják. A bemeneti műveleti erősítők szabályzásra valók, sokkal jobb paraméterekkel, kompenzálhatósággal. Lehetne azzal is tiltani, csak ágyúval verébre dolog, ezért van erre a célra külön láb(DTC).
Védelemben pedig olyan szerepe lehet, hogy a bemeneti műveleti erősítő a jel alapján még feljebb vinné a kitöltést, de a DTC-vel egy adott, maximális kitöltés elérése után nem emelkedhet a kitöltés, hiába állítana a műveleti erősítő még többet. Így bizonyos helyzetekben biztosítható hogy ne menjen a kitöltés adott érték fölé.
Ha ez egy PC táp, akkor tuti, hogy alapból nem a 12V-ra szabályoz. Arra is megy egy ellenállás, de az 5V-os ág lesz stabil. Ezt át kell alakítanod.
A -12V-os ágban kisebb diódák vannak, és van egy plusz dióda sorban. Ezt is át kell alakítanod. Ha a 12V-os ágra lesz beállítva a figyelés, nem fog változni a feszültség az izzó terhelésétől. Üdv Inhouse
Oké, köszi. Tegnap este elég fáradt voltam már. Ma újult erővel nekiesek majd. (Na meg átnézem a TL494-es adatlapját is.)
Üdv.: Miki
Pucuka, DJ Tacki Köszönöm a válaszotokat, tehát ha például lassúbb primerköri tranzisztorokat használunk, akkor érdemes a holtidőt hosszabbra választanunk?
Mindenképpen. De azért szkópon ellenőrizd.
|
Bejelentkezés
Hirdetés |




Erről szólt a történet, hogy az nem jó... 







